onsemi

Was Sie über den Einsatz von IGBTs wissen müssen

5. September 2023, 11:00 Uhr | Von Jinchang Zhou, Product Line Manager bei onsemi
onsemi
Ein Field-Trench-Stop-IGBT im Detail
© onsemi

Heute dreht sich ein Großteil der Berichterstattung um Bauelemente, die auf WBG-Materialien (Wide Bandgap) wie SiC und GaN basieren. Dabei vergisst man aber leicht, dass auch IGBTs weiterentwickelt werden und dementsprechend auch weiterhin oft eine gute Wahl darstellen.

Diesen Artikel anhören

Auch heute und in der Zukunft gibt es IGBT-Anwendungen mittlerer bis hoher Leistung und auch heute und in Zukunft kommen verbesserte Komponenten auf den Markt. In diesem Beitrag werden IGBTs und bestehende und neue Topologien, für die sie weiterhin gut geeignet sind, näher betrachtet.

IGBTs und ihr Aufbau

Ein IGBT ist ein Halbleitertransistor oder Halbleiterschalter, der aus vier abwechselnden Schichten von Halbleitermaterial (p-n-p-n) aufgebaut ist. Wird eine Spannung von typischerweise 10 bis 15 V an das Gate des Bauelements angelegt, leitet es Strom – wird diese Spannung auf ca. 0 V reduziert, wird der Strom unterbrochen.

Seit ihrer Einführung wurden IGBTs weiterentwickelt und verbessert, insbesondere in Hinblick auf geringere Schaltverluste und kleinere, d. h. dünnere Strukturen. Heute kombinieren IGBTs häufig ein Trench-Gate mit einem Field-Stop-Aufbau, um parasitäre npn-Eigenschaften innerhalb des Bauelements zu unterdrücken. Dadurch verringern sich die Leitungsverluste und die Sättigungsspannung, was zum Beispiel eine höhere Leistungsdichte mit sich bringt.

Beispiele für den Einsatz und die Techniken von IGBTs

IGBTs kommen in einer Vielzahl von Anwendungen zum Einsatz, z. B. in Solarwechselrichtern, Energiespeichersystemen, unterbrechungsfreien Stromversorgungen (USV), Motorantrieben, Ladegeräten für Elektrofahrzeuge, industriellen Schweißgeräten sowie in Haushaltsgeräten. Oft wird die Topologie speziell für die Anforderungen einer bestimmten Anwendung gewählt. Daher werden im Folgenden einige gängige Anwendungen verglichen und gegenübergestellt.

Industrieschweißen

Angesichts des Bedarfs an qualitativ hochwertigen Schweißnähten muss der Schweißprozess mit größerer Genauigkeit gesteuert werden. Daher kommt häufig ein Wechselrichter (Inverter) anstelle eines herkömmlichen Schweißtransformators zum Einsatz, da sich mit einem DC-Ausgangsstrom die erforderliche Genauigkeit erreichen lässt. Es hat noch weitere Vorteile, beispielsweise aus der Sicht des Anwenders: Da der Inverter kleiner und leichter als der frühere Schweißtransformator ist, ist das Schweißgerät kompakter und kann bequemer verwendet werden.

onsemi
Überblick über ein typisches Schweißgerät
© onsemi
onsemi
Gängige Topologien sind FB, HB und Two-Switch-Forward
© onsemi

In einem typischen Schweißgerät wird der ein- oder dreiphasige Wechselstrom gleichgerichtet, um eine DC-Zwischenkreisspannung zu erzeugen. Der Gleichrichter versorgt außerdem einen kleinen Wandler, der die für die Steuereinheit benötigten Spannungen erzeugt. Die DC-Zwischenkreisspannung speist den Wechselrichter, der meist eine Nennausgangsspannung von 30 V DC hat. Während des Betriebs kann sich diese Spannung jedoch im Leerlauf verdoppeln und auf fast 0 V zusammenbrechen (praktisch ein Kurzschluss), wenn der Schweißbogen zündet.

Für Inverter-Schweißgeräte eignen sich verschiedene Topologien. Zu den gebräuchlichsten gehören die Vollbrücke (FB), die Halbbrücke (HB) und Two-Switch-Forward. Bei FB und HB liegt die Schaltfrequenz bei einigen 10 kHz (meist 20 bis 50 kHz). Der Arbeitszyklus wird abhängig von der Höhe der Last und der Ausgangsspannung gesteuert; typischerweise kommt eine Konstantstrom-Regelung zum Einsatz.

onsemi
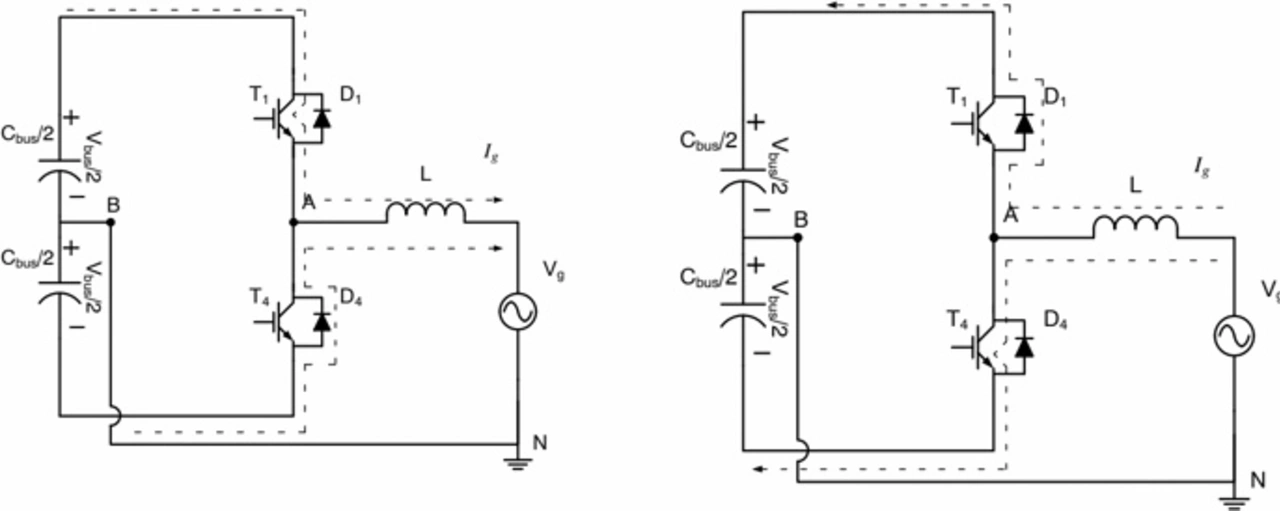
Halbbrückentopologie mit positivem und negativem Ausgangsstromfluss
© onsemi
onsemi
Überblick über einen typischen Induktionsherd-Schaltkreis
© onsemi

Industrielle Antriebe

Eine der häufigsten industriellen Anwendungen sind entsprechende Motoren, die in der Robotik, bei großen Maschinen oder in vielen anderen Anwendungen, in denen Bewegung erforderlich ist, eingesetzt werden. Die meisten Motorantriebsanwendungen sind als HB mit einer Frequenz zwischen 2 und 15 kHz konfiguriert. Die Ausgangsspannung hängt dabei vom Schaltzustand und der Strompolarität ab.
Motoren sind eine induktive Last, sodass der Strom schnell steigt. Fließt ein positiver Strom (Ig > 0), wird der High-Side-Transistor (T1) leitend und gibt Energie an die Last (Vg) ab. Fließt der Laststrom Ig jedoch in die entgegengesetzte Richtung (negative Polarität), fließt der Strom über D1 zurück und gibt Energie an die Gleichstromquelle ab.

Leitet der Low-Side-Transistor (T4 ist eingeschaltet) und der High-Side-Transistor (T1) ist ausgeschaltet, wird eine negative Spannung (–Ubus/2) an die Last angelegt, was den Stromfluss verringert. Ist Ig > 0, fließt der Strom durch D4 und gibt die Energie an die Quelle zurück.


  1. Was Sie über den Einsatz von IGBTs wissen müssen
  2. Moderne Induktionsherde


Lesen Sie mehr zum Thema


Das könnte Sie auch interessieren

pp1mbp/stock.adobe.com

Angriff auf SiC- und GaN-Domäne

Infineon kündigt 400-V-Siliziumkarbid-MOSFET an

Eloy_Jean-Christophe

Interview mit Jean-Christophe Eloy, Yole

Vertical GaN wird es nicht vor Ende dieses Jahrzehnts geben

Richardson und DigiKey

GaN-Leistungselektronik von Innoscience

Bewährte Zuverlässigkeit zum wettbewerbsfähigen Preis

AdobeStock_456342155

Bourns neue IGBT-Generation

Spezifikation von IGBTs für Elektromotorsteuerungen

Preisvergleich von 650V-InnoGaN-HEMTs von Innoscience mit Si-Superjunction-Bauelementen bei ähnlichen Spannungen und Strömen, der auf den Websites der Distributoren veröffentlicht wurden

GaN-Leistungselektronik von Innoscience

Bewährte Zuverlässigkeit zum wettbewerbsfähigen Preis

STMicroelectronics

STMicroelectronics

MasterGaN-Familie mit 200 und 500 W

Infineon Technologies

Infineon Technologies

Integrierter Temperatursensor

Bild eines Wafer vor Leiterplatten

Globaler Leistungshalbleiter-Bedarf

Wettlauf um den Ausbau der Fertigungskapazitäten

AdobeStock_456342155

Bourns neue IGBT-Generation

Spezifikation von IGBTs für Elektromotorsteuerungen

Banana Images/stock.adobe.com

Entwicklung von SiC-Leistungshalbleitern

Mitsubishi und Nexperia kooperieren

Infineon Technologies

Infineon sieht SiC-Zukunft bei Trench

»Das Gesamtpaket muss den Einsatzanforderungen entsprechen«

Wolfspeed

Milliarden-Investitionen für SiC

Der Wettlauf hat längst begonnen

»Der Übernahmereigen des Jahres 2015 drückt auf die CAPEX-Investitionen, die wohl erst wieder 2018 anziehen werden.  Gleichzeitig besteht die Gefahr, dass die Firmen weniger Geld in Produkt- und Technologie- entwicklung investieren.«

Ausbau der Produktionskapazität

Fette Milliarden-Investitionen in SiC-Wafer- und Chips

LHL Forum 23

Versorgungslage bei Leistungshalbleitern

»Alles läuft in die richtige Richtung«

Mitsubishi Electric

3,3-kV-Full-SiC-Halbleitermodule

Höhere Schaltfrequenzen verringern Verluste

WEKA Fachmedien

7. Anwenderforum Leistungshalbleiter

Zwei Tage rund um Silizium, SiC und GaN

Power Integrations

GaN könnte bald allgegenwärtig werden

»Ob SiC oder GaN, das entscheidet die Spannungsebene«

Nexperia

Nexperia will Umsatz vervierfachen

Produktion von SiC und GaN in Hamburg

Hopf Engelbert

Kommentar

In Zeiten des Goldrauschs

LHL Forum 23

Uneinheitliche Versorgungssituation

»Alles rund um Energie-Transformation boomt«

Die Kapazitäten für die Fertigung von ICs auf 200-mm-Wafern steigen, genauso wie di Zahl der Fabs (rote Kurve).

200-mm-Wafer

Kapazitäten steigen auf Rekordwert

LHL Forum

7. Anwenderforum Leistungshalbleiter

Hohe Dynamik bei SiC und GaN

Infineon Technologies

Mit CoolSiC zum modernen Elektroantrieb

Synergetische Kombination von drei Spitzentechnologien

JJ Gouin/stock.adobe.com

Mögliche Ausfuhrbeschränkungen aus China

So reagiert die Halbleiterbranche auf die neuen Exportregeln

Dank der IGBTs ist der »PowerLogic AccuSine EVC+« auf schnell wechselnde Lasten und nichtlineare Verbraucher vorbereitet und damit kondensatorbasierten Kompensatoren überlegen.  

Schneider Electric

Blindleistungskompensation auf IGBT-Basis

60 V und 120 V OptiMOS 5 MOSFETs in TOLx-Gehäusen

Für 24- bis 72-V-Steuergeräte

60 V und 120 V OptiMOS 5 MOSFETs in TOLx-Gehäusen

Darstellung des Fertigungsstandorts der Infineon Technologies in Kulim, Malaysia.

Infineon

The world’s largest 200-mm SiC Power Fab

Onsemi Solar-Wechselrichter

Elektronik für Solar-Wechselrichter

Onsemi sichert sich Lieferverträge in Milliardenhöhe

Darstellung des Fertigungsstandorts der Infineon Technologies in Kulim, Malaysia.

Infineon baut aus

Die weltweit größte 200-mm-»SiC Power Fab«

Traktionswechselrichter

Onsemi/Magna

Long-term Supply agreement and investment in SiC

Traktionswechselrichter

Onsemi/Magna

Liefervereinbarung und Investition in SiC-Fertigung

Andreas Urschitz

Infineon/SolarEdge

Mehrjährige Vereinbarung zur Kapazitätsreservierung

LHL Barometer

Nur langsame Entspannung

»SiC kennt keine Rezession!«

Fraunhofer IAF Wärmepumpe Leistungselektronik

Neue Leistungselektronik für Wärmepumpen

Wirkungsgrad von über 99,7 Prozent ist möglich

Entscheidung der EU-Kommission

Deutschland darf seine Industrie mit 3 Mrd. Euro unterstützen

Das erste Mitglied der Power-Thru Produktfamilie, ein Gate-Treiber für GaN-FETs, ermöglicht eine zweimal höhere Leistungsdichte bei einfacherem und effizienterem Systemdesign.

New gate drivers for GaN FETs

Allegro doubles power density

Elektromobilität

Infineon/Semikron Danfoss

Neuer Liefervertrag über Chips für Elektromobilität

Das erste Mitglied der Power-Thru Produktfamilie, ein Gate-Treiber für GaN-FETs, ermöglicht eine zweimal höhere Leistungsdichte bei einfacherem und effizienterem Systemdesign.

Neue Gate-Treiber für GaN-FETs

Allegro verdoppelt Leistungsdichte

Wafer

Trotz Exportbeschränkungen

Chinas Foundries wachsen

Hidetoshi Shabata (links), CEO von Renesas Electronics, und Gregg Lowe (rechts), CEO von Wolfspeed

Renesas/Wolfspeed

10 Year Silicon Carbide Wafer Supply Agreement

Hidetoshi Shabata (links), CEO von Renesas Electronics, und Gregg Lowe (rechts), CEO von Wolfspeed

Renesas/Wolfspeed

10-Jahres-Liefervertrag für SiC-Wafer

70 Prozent des in Europa verbrauchten Galliums landet in Chips. China produziert  94 Prozent des weltweit hergestellten Galliums, der Anteil der Germaniumproduktion Chinas liegt bei 83 Prozent

China schlägt zurück

Ausfuhrbeschränkungen für Gallium und Germanium

Andreas Wolf, Vorstandsvorsitzender von Vitesco Technologies (rechts), Dr. Kazuhide Ino, Mitglied des Vorstands, Managing Executive Officer, CFO von ROHM Co. Ltd. (links)

Vitesco Technologies/ROHM

Long-term SiC supply partnership

Andreas Wolf, Vorstandsvorsitzender von Vitesco Technologies (rechts), Dr. Kazuhide Ino, Mitglied des Vorstands, Managing Executive Officer, CFO von ROHM Co. Ltd. (links)

Vitesco Technologies/ROHM

Langfristige SiC-Lieferpartnerschaft

Typischer Aufbau eines IGBT/SiC-Moduls mit TIM und Kühlkörper

Wärmeableitung für Leistungsmodule

Wärmeleitende Graphitfolie als neue Alternative

Europäische Union

Nexperia

Enttäuschung über Aus bei EU-Förderprogramm

Reinraum bei Infineon in Dresden.

IPCEI-Förderung

EU genehmigt Milliarden für Chipfertigung in Europa

Schmuckbild Kooperation

Nidec/Renesas Electronics

Zusammenarbeit für die nächste E-Achse

Vitesco und onsemi unterzeichnen langfristigen SiC-Liefervertrag.

Vitesco Technologies und Onsemi

SiC-Liefervertrag über 1,75 Milliarden Euro

Björn Wyleczich/stockadobe.com

SiC-MOSFET-Fertigungskapazitäten

»Jeder Neueinsteiger wird begrüßt - selbst vom Wettbewerb«

Chinesische Flagge.

Wenn China Taiwan angreift

Sorge vor schwerwiegenden Lieferengpässen

Peter Schiefer, Präsident der Automotive-Division von Infineon, und Jun Seki, Chief Strategy Officer für EVs bei Foxconn.

Focus on silicon carbide

Infineon and Foxconn cooperate on e-car applications

Mehrstufiger Leistungswandler

Innoscience/Universität Bern

Mehrstufiger Leistungswandler für 850 VDC mit 650-V-GaN

Hanebeck Jochen

Milliardeninvestition in Dresden

»Mehr Dampf auf den Kessel«!

Peter Schiefer, Präsident der Automotive-Division von Infineon, und Jun Seki, Chief Strategy Officer für EVs bei Foxconn.

Fokus auf Siliziumkarbid

Infineon und Foxconn kooperieren bei E-Auto-Anwendungen

650V GaN (Galliumnitrid) HEMTs GNP1070TC-Z und GNP1150TCA-Z

ROHM

Serienfertigung von 650-V-GaN-HEMTs angelaufen

Der Bereich der Elektroautos und erneuerbaren Energien stellt sehr hohe Anforderungen an die Leistungshalbleiter. Mit Bauteilen aus Siliziumkarbid (SiC) lassen sich diese lösen

Erfolg von SiC sichern

Technische Herausforderungen und Lieferketten

Siliziumkarbid wird bei Anwendungen bis 25 kW und Spannungen bis 1200 V bis Ende des Jahrzehnts durch Galliumnitrid ersetzt - vertreten immer mehr Experten in der Leistungselektronik. Wir fragten bei Industrievertretern, Forschern und Analysten nach

Galliumnitrid-Transistoren für 1200 V

Auslaufmodell Siliziumkarbid?

Michael Kretschmer, Ursula von der Leyen, Jochen Hanebeck, Olaf Scholz und Dirk Hilbert,

Spatenstich für neues Infineon-Werk

Produzieren, produzieren, produzieren!

Im Moment explodieren die Bedarfe bei Siliziumkarbid – getrieben besonders von der Elektromobilität. Allerdings ist die Herstellung solcher Wafer sehr herausfordernd und energieintensiv

Leistungshalbleiter

So entsteht ein SiC-Wafer

Die Effizienzvorschriften für Schweißgeräte sind stetig verschärft worden. Um diese einzuhalten, bieten sich diskrete Siliziumkarbid-MOSFETs in Verbindung mit einer unkonventionellen Lösung für Montage und Kühlung an

Leistungshalbleiter

Energieeffizienter schweißen

Die Pläne für das neue Forschungszentrum wurden im Rahmen einer Pressekonferenz unter Anwesenheit des bayerischen Ministerpräsidenten Markus Söder vorgestellt.

ZF und Wolfspeed

Neues Forschungszentrum im Großraum Nürnberg

Infineon Technologies

Neue Potenziale für Elektrofahrzeuge

Entwicklung von Onboard-Ladegeräten für künftige Elektrofahrzeuge

Metallplatten-Shunt-Widerstand der PSR-Serie von Rohm.

Für beidseitig gekühlte Leistungsmodule

Rohm stellt ultraflachen 12-W-Metallplatten-Shunt-Widerstand vor

Toshiba Electronics Europe

Toshiba Electronics

SiC-Cube

Das Unternehmen Mankel-Engineering hat mit TDK und Infineon einen sehr kompakten, modularen Motor-Inverter entwickelt. Eine kostengünstige Lösung (Standardbauelementen) für diverse Antriebsaufgaben

Kompakter, modularer Inverter

Standard-Bauelemente bilden die Basis

1200-V-CoolSiC-Chip-Embedding-Technologie von Infineon und Schweizer.

Efficient SiC automotive solutions

Infineon and Schweizer cooperate in chip embedding

Premium-E-Fahrzeug von Zeekr.

EliteSiC-Leistungsbausteine von onsemi

Langfristiger Liefervertrag mit Zeekr unterzeichnet

1200-V-CoolSiC-Chip-Embedding-Technologie von Infineon und Schweizer.

Effiziente SiC-Automotive-Lösungen

Infineon und Schweizer partnern bei Chip-Embedding

TrendForce

TrendForce-Analyse zu Siliziumkarbid

E-Mobilität und Erneuerbare als Hauptmärkte

SiC-Wafer von STMicroelectronics.

Siliziumkarbid-Halbleiter

ZF schließt langfristigen Vertrag mit STMicroelectronics

Wawer Peter

Interview mit Dr. Peter Wawer, Infineon

Kapazitäten von Si auf SiC umgewidmet

BLKstudio/stock.adobe.com

Einkäufer sehen leichte Entspannung

Versorgungslage bessert sich, Preise sinken nur vereinzelt

Im Linearbetrieb werden Leistungs-MOSFETs thermisch stark belastet. Neue Komponenten besitzen: optimierte Transistorzelle, spezielle Aufbau- und Verbindungstechnik, angepasste Gehäuse einen größeren sicheren Arbeitsbereich

Leistungs-MOSFETs im Linearbetrieb

Sicherer Arbeitsbereich ausgeweitet