onsemi

Was Sie über den Einsatz von IGBTs wissen müssen

5. September 2023, 09:00 Uhr | Von Jinchang Zhou, Product Line Manager bei onsemi
onsemi
© onsemi

Heute dreht sich ein Großteil der Berichterstattung um Bauelemente, die auf WBG-Materialien (Wide Bandgap) wie SiC und GaN basieren. Dabei vergisst man aber leicht, dass auch IGBTs weiterentwickelt werden und dementsprechend auch weiterhin oft eine gute Wahl darstellen.

Diesen Artikel anhören

Fortsetzung des Artikels von Teil 1

Moderne Induktionsherde

Anstelle ohmscher elektrischer Heizelemente, die heiß werden und Wärmeenergie an den Topf übertragen, wird beim Induktionsherd das Prinzip der Erregung einer Spule genutzt, die Wirbelströme im Topfboden erzeugen, die wiederum zum Teil in Wärme umgewandelt werden. Damit das Induktionskochen funktioniert, muss sich der Topfboden physikalisch in unmittelbarer Nähe der Spule befinden, und nur bestimmte Metalle sind dafür geeignet – ein Material mit hoher magnetischer Permeabilität ist erforderlich.

Die Theorie ähnelt einem Leistungstransformator, wobei die Spule die Primärseite und der Topfboden die Sekundärseite darstellt. Sie hat auch viel mit den modernen induktiven Ladetechniken gemeinsam.

Die Wärme entsteht durch die Zirkulation der Wirbelströme in der Bodenschicht des Topfes oder, genauer gesagt, durch den Widerstand, der diesen Strömen entgegengesetzt wird. Bei der induktiven Kopplung werden etwa 90 Prozent der Energie für die Erzeugung von Wärme im Topf übertragen. Ein typischer nicht induktiver Herd mit glatter Oberfläche würde nur etwa 70 Prozent der Energie übertragen, sodass die Verluste um den Faktor drei geringer sind.

Die verwendete Topologie ist dem Schweißstromkreis ähnlich. Der Wechselstrom aus dem Netz wird gleichgerichtet, um den Wechselrichter und eine kleine Hilfsstromversorgung für die Steuerung zu betreiben. Der Wechselrichter induziert einen Strom in die Kupferspule und erzeugt dadurch ein elektromagnetisches Feld, das die Wirbelströme im Topf induziert. Die erzeugte Wärme entspricht dem elektrischen Widerstand des Topfbodens, multipliziert mit dem Quadrat des induzierten Stroms (Joule-Effekt).

Anders als bei Schweißgeräten erfolgt die Steuerung von Induktionsherden häufig über eine variable Frequenz. Dies ist zwar ein einfacher Ansatz, aber die Herausforderung liegt im Frequenzbereich, der für die Steuerung der Ausgangsleistung über einen breiten Bereich erforderlich ist.

onsemi
Beispiele für RHB- und QR-Topologien
© onsemi
onsemi
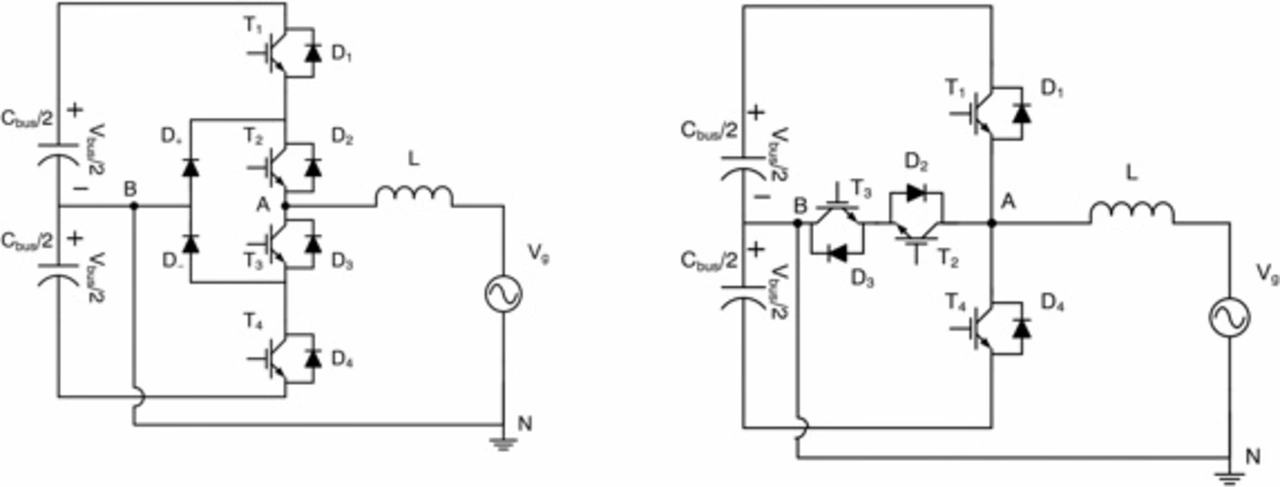
Wandler vom Typ I und T bieten eine Reihe von Vorteilen gegenüber Halbbrücken
© onsemi

Resonanzwandler können selbst bei den hohen Frequenzen, die für Induktionsherde erforderlich sind, mit hohem Wirkungsgrad arbeiten. Daher werden in dieser Anwendung häufig Wandler eingesetzt, die auf Schwingkreisen, sogenannten Resonanztanksm, basieren – vor allem resonante Halbbrücken-Wandler (RHB) und quasiresonante Wechselrichter (QR). RHB-Wandler werden aufgrund des großen Lastbereichs, den sie bewältigen können, besonders geschätzt. Häufig kommen fortschrittliche Steuerungstechniken wie die Nullstromschaltung (ZCS) oder die Nullspannungsschaltung (ZVS) zum Einsatz, um die Leistungsverluste auf ein Minimum zu beschränken.

QR-Wandler wiederum werden aufgrund ihres kosteneffizienten Aufbaus häufig in Induktionsherden mit geringer Leistung (unter 2 kW Spitzenleistung) eingesetzt.

Solar-Wechselrichter und USV

Beim Einsatz einer Halbbrücke in Anwendungen, die schnelles Schalten erfordern, ergeben sich einige Herausforderungen:

  • Es sind nur zwei Ausgangsspannungen möglich.
  • Die Schaltverluste können erheblich sein.
  • Die Ansteuerung des Gates kann schwierig sein.
  • Die Belastung der Komponenten wirkt sich auf die Zuverlässigkeit aus.
  • Ein erhöhter Ripple-Strom und EMI erfordern einen deutlich größeren Filteraufwand.
  • Die Halbbrücke ist inkompatibel mit HV-DC-Bus.
  • Das thermische Design kann anspruchsvoll sein.

Dementsprechend wird in modernen Anwendungen wie zum Beispiel in unterbrechungsfreien Stromversorgungen und Solar-Wechselrichtern heute die Halbbrücke ersetzt. Im Gegenzug dazu werden dreistufige Topologien immer dominanter – bekannt als I- und T-Typ.

Es gibt viele Möglichkeiten zur Verbesserung, z. B. mithilfe einer geringeren Spannung über den aktiven Bauelementen, was die Verluste und die harmonische Verzerrung reduziert und kleinere Komponenten ermöglicht. Vor allem aber sorgen diese Topologien für wesentlich geringere Schaltverluste, sodass sich bei hohen Frequenzen von 16 bis 40 kHz Wirkungsgrade bis zu 98 Prozent erzielen lassen.

Auch in Zukunft spielen IGBTs eine wichtige Rolle

Auch wenn IGBTs heute teilweise als veraltet ansehen werden: Sie spielen bei Hochleistungsanwendungen (hohe Spannung/hoher Strom) auch weiterhin eine wichtige Rolle. Denn IGBTs entwickeln sich weiter, ihre UCEsat-Werte nähern sich 1 V, und die Strukturen werden weiter verbessert, sodass ein kompakterer Aufbau und reduzierte Verluste möglich sind.

Wie immer bei der Arbeit mit IGBTs müssen Entwickler die Anforderungen der Anwendung genau verstehen und die geeignete Topologie auswählen, um beste Ergebnisse und eine hohe Leistungsfähigkeit zu erzielen.


  1. Was Sie über den Einsatz von IGBTs wissen müssen
  2. Moderne Induktionsherde


Lesen Sie mehr zum Thema


Das könnte Sie auch interessieren

pp1mbp/stock.adobe.com

Angriff auf SiC- und GaN-Domäne

Infineon kündigt 400-V-Siliziumkarbid-MOSFET an

Eloy_Jean-Christophe

Interview mit Jean-Christophe Eloy, Yole

Vertical GaN wird es nicht vor Ende dieses Jahrzehnts geben

Richardson und DigiKey

GaN-Leistungselektronik von Innoscience

Bewährte Zuverlässigkeit zum wettbewerbsfähigen Preis

AdobeStock_456342155

Bourns neue IGBT-Generation

Spezifikation von IGBTs für Elektromotorsteuerungen

Preisvergleich von 650V-InnoGaN-HEMTs von Innoscience mit Si-Superjunction-Bauelementen bei ähnlichen Spannungen und Strömen, der auf den Websites der Distributoren veröffentlicht wurden

GaN-Leistungselektronik von Innoscience

Bewährte Zuverlässigkeit zum wettbewerbsfähigen Preis

STMicroelectronics

STMicroelectronics

MasterGaN-Familie mit 200 und 500 W

Infineon Technologies

Infineon Technologies

Integrierter Temperatursensor

Bild eines Wafer vor Leiterplatten

Globaler Leistungshalbleiter-Bedarf

Wettlauf um den Ausbau der Fertigungskapazitäten

AdobeStock_456342155

Bourns neue IGBT-Generation

Spezifikation von IGBTs für Elektromotorsteuerungen

Banana Images/stock.adobe.com

Entwicklung von SiC-Leistungshalbleitern

Mitsubishi und Nexperia kooperieren

Infineon Technologies

Infineon sieht SiC-Zukunft bei Trench

»Das Gesamtpaket muss den Einsatzanforderungen entsprechen«

Wolfspeed

Milliarden-Investitionen für SiC

Der Wettlauf hat längst begonnen

»Der Übernahmereigen des Jahres 2015 drückt auf die CAPEX-Investitionen, die wohl erst wieder 2018 anziehen werden.  Gleichzeitig besteht die Gefahr, dass die Firmen weniger Geld in Produkt- und Technologie- entwicklung investieren.«

Ausbau der Produktionskapazität

Fette Milliarden-Investitionen in SiC-Wafer- und Chips

LHL Forum 23

Versorgungslage bei Leistungshalbleitern

»Alles läuft in die richtige Richtung«

Mitsubishi Electric

3,3-kV-Full-SiC-Halbleitermodule

Höhere Schaltfrequenzen verringern Verluste

WEKA Fachmedien

7. Anwenderforum Leistungshalbleiter

Zwei Tage rund um Silizium, SiC und GaN

Power Integrations

GaN könnte bald allgegenwärtig werden

»Ob SiC oder GaN, das entscheidet die Spannungsebene«

Nexperia

Nexperia will Umsatz vervierfachen

Produktion von SiC und GaN in Hamburg

Hopf Engelbert

Kommentar

In Zeiten des Goldrauschs

LHL Forum 23

Uneinheitliche Versorgungssituation

»Alles rund um Energie-Transformation boomt«

Die Kapazitäten für die Fertigung von ICs auf 200-mm-Wafern steigen, genauso wie di Zahl der Fabs (rote Kurve).

200-mm-Wafer

Kapazitäten steigen auf Rekordwert

LHL Forum

7. Anwenderforum Leistungshalbleiter

Hohe Dynamik bei SiC und GaN

Infineon Technologies

Mit CoolSiC zum modernen Elektroantrieb

Synergetische Kombination von drei Spitzentechnologien

JJ Gouin/stock.adobe.com

Mögliche Ausfuhrbeschränkungen aus China

So reagiert die Halbleiterbranche auf die neuen Exportregeln

Dank der IGBTs ist der »PowerLogic AccuSine EVC+« auf schnell wechselnde Lasten und nichtlineare Verbraucher vorbereitet und damit kondensatorbasierten Kompensatoren überlegen.  

Schneider Electric

Blindleistungskompensation auf IGBT-Basis

60 V und 120 V OptiMOS 5 MOSFETs in TOLx-Gehäusen

Für 24- bis 72-V-Steuergeräte

60 V und 120 V OptiMOS 5 MOSFETs in TOLx-Gehäusen

Darstellung des Fertigungsstandorts der Infineon Technologies in Kulim, Malaysia.

Infineon

The world’s largest 200-mm SiC Power Fab

Onsemi Solar-Wechselrichter

Elektronik für Solar-Wechselrichter

Onsemi sichert sich Lieferverträge in Milliardenhöhe

Darstellung des Fertigungsstandorts der Infineon Technologies in Kulim, Malaysia.

Infineon baut aus

Die weltweit größte 200-mm-»SiC Power Fab«

Traktionswechselrichter

Onsemi/Magna

Long-term Supply agreement and investment in SiC

Traktionswechselrichter

Onsemi/Magna

Liefervereinbarung und Investition in SiC-Fertigung

Andreas Urschitz

Infineon/SolarEdge

Mehrjährige Vereinbarung zur Kapazitätsreservierung

LHL Barometer

Nur langsame Entspannung

»SiC kennt keine Rezession!«

Fraunhofer IAF Wärmepumpe Leistungselektronik

Neue Leistungselektronik für Wärmepumpen

Wirkungsgrad von über 99,7 Prozent ist möglich

Entscheidung der EU-Kommission

Deutschland darf seine Industrie mit 3 Mrd. Euro unterstützen

Das erste Mitglied der Power-Thru Produktfamilie, ein Gate-Treiber für GaN-FETs, ermöglicht eine zweimal höhere Leistungsdichte bei einfacherem und effizienterem Systemdesign.

New gate drivers for GaN FETs

Allegro doubles power density

Elektromobilität

Infineon/Semikron Danfoss

Neuer Liefervertrag über Chips für Elektromobilität

Das erste Mitglied der Power-Thru Produktfamilie, ein Gate-Treiber für GaN-FETs, ermöglicht eine zweimal höhere Leistungsdichte bei einfacherem und effizienterem Systemdesign.

Neue Gate-Treiber für GaN-FETs

Allegro verdoppelt Leistungsdichte

Wafer

Trotz Exportbeschränkungen

Chinas Foundries wachsen

Hidetoshi Shabata (links), CEO von Renesas Electronics, und Gregg Lowe (rechts), CEO von Wolfspeed

Renesas/Wolfspeed

10 Year Silicon Carbide Wafer Supply Agreement

Hidetoshi Shabata (links), CEO von Renesas Electronics, und Gregg Lowe (rechts), CEO von Wolfspeed

Renesas/Wolfspeed

10-Jahres-Liefervertrag für SiC-Wafer

70 Prozent des in Europa verbrauchten Galliums landet in Chips. China produziert  94 Prozent des weltweit hergestellten Galliums, der Anteil der Germaniumproduktion Chinas liegt bei 83 Prozent

China schlägt zurück

Ausfuhrbeschränkungen für Gallium und Germanium

Andreas Wolf, Vorstandsvorsitzender von Vitesco Technologies (rechts), Dr. Kazuhide Ino, Mitglied des Vorstands, Managing Executive Officer, CFO von ROHM Co. Ltd. (links)

Vitesco Technologies/ROHM

Long-term SiC supply partnership

Andreas Wolf, Vorstandsvorsitzender von Vitesco Technologies (rechts), Dr. Kazuhide Ino, Mitglied des Vorstands, Managing Executive Officer, CFO von ROHM Co. Ltd. (links)

Vitesco Technologies/ROHM

Langfristige SiC-Lieferpartnerschaft

Typischer Aufbau eines IGBT/SiC-Moduls mit TIM und Kühlkörper

Wärmeableitung für Leistungsmodule

Wärmeleitende Graphitfolie als neue Alternative

Europäische Union

Nexperia

Enttäuschung über Aus bei EU-Förderprogramm

Reinraum bei Infineon in Dresden.

IPCEI-Förderung

EU genehmigt Milliarden für Chipfertigung in Europa

Schmuckbild Kooperation

Nidec/Renesas Electronics

Zusammenarbeit für die nächste E-Achse

Vitesco und onsemi unterzeichnen langfristigen SiC-Liefervertrag.

Vitesco Technologies und Onsemi

SiC-Liefervertrag über 1,75 Milliarden Euro

Björn Wyleczich/stockadobe.com

SiC-MOSFET-Fertigungskapazitäten

»Jeder Neueinsteiger wird begrüßt - selbst vom Wettbewerb«

Chinesische Flagge.

Wenn China Taiwan angreift

Sorge vor schwerwiegenden Lieferengpässen

Peter Schiefer, Präsident der Automotive-Division von Infineon, und Jun Seki, Chief Strategy Officer für EVs bei Foxconn.

Focus on silicon carbide

Infineon and Foxconn cooperate on e-car applications

Mehrstufiger Leistungswandler

Innoscience/Universität Bern

Mehrstufiger Leistungswandler für 850 VDC mit 650-V-GaN

Hanebeck Jochen

Milliardeninvestition in Dresden

»Mehr Dampf auf den Kessel«!

Peter Schiefer, Präsident der Automotive-Division von Infineon, und Jun Seki, Chief Strategy Officer für EVs bei Foxconn.

Fokus auf Siliziumkarbid

Infineon und Foxconn kooperieren bei E-Auto-Anwendungen

650V GaN (Galliumnitrid) HEMTs GNP1070TC-Z und GNP1150TCA-Z

ROHM

Serienfertigung von 650-V-GaN-HEMTs angelaufen

Der Bereich der Elektroautos und erneuerbaren Energien stellt sehr hohe Anforderungen an die Leistungshalbleiter. Mit Bauteilen aus Siliziumkarbid (SiC) lassen sich diese lösen

Erfolg von SiC sichern

Technische Herausforderungen und Lieferketten

Siliziumkarbid wird bei Anwendungen bis 25 kW und Spannungen bis 1200 V bis Ende des Jahrzehnts durch Galliumnitrid ersetzt - vertreten immer mehr Experten in der Leistungselektronik. Wir fragten bei Industrievertretern, Forschern und Analysten nach

Galliumnitrid-Transistoren für 1200 V

Auslaufmodell Siliziumkarbid?

Michael Kretschmer, Ursula von der Leyen, Jochen Hanebeck, Olaf Scholz und Dirk Hilbert,

Spatenstich für neues Infineon-Werk

Produzieren, produzieren, produzieren!

Im Moment explodieren die Bedarfe bei Siliziumkarbid – getrieben besonders von der Elektromobilität. Allerdings ist die Herstellung solcher Wafer sehr herausfordernd und energieintensiv

Leistungshalbleiter

So entsteht ein SiC-Wafer

Die Effizienzvorschriften für Schweißgeräte sind stetig verschärft worden. Um diese einzuhalten, bieten sich diskrete Siliziumkarbid-MOSFETs in Verbindung mit einer unkonventionellen Lösung für Montage und Kühlung an

Leistungshalbleiter

Energieeffizienter schweißen

Die Pläne für das neue Forschungszentrum wurden im Rahmen einer Pressekonferenz unter Anwesenheit des bayerischen Ministerpräsidenten Markus Söder vorgestellt.

ZF und Wolfspeed

Neues Forschungszentrum im Großraum Nürnberg

Infineon Technologies

Neue Potenziale für Elektrofahrzeuge

Entwicklung von Onboard-Ladegeräten für künftige Elektrofahrzeuge

Metallplatten-Shunt-Widerstand der PSR-Serie von Rohm.

Für beidseitig gekühlte Leistungsmodule

Rohm stellt ultraflachen 12-W-Metallplatten-Shunt-Widerstand vor

Toshiba Electronics Europe

Toshiba Electronics

SiC-Cube

Das Unternehmen Mankel-Engineering hat mit TDK und Infineon einen sehr kompakten, modularen Motor-Inverter entwickelt. Eine kostengünstige Lösung (Standardbauelementen) für diverse Antriebsaufgaben

Kompakter, modularer Inverter

Standard-Bauelemente bilden die Basis

1200-V-CoolSiC-Chip-Embedding-Technologie von Infineon und Schweizer.

Efficient SiC automotive solutions

Infineon and Schweizer cooperate in chip embedding

Premium-E-Fahrzeug von Zeekr.

EliteSiC-Leistungsbausteine von onsemi

Langfristiger Liefervertrag mit Zeekr unterzeichnet

1200-V-CoolSiC-Chip-Embedding-Technologie von Infineon und Schweizer.

Effiziente SiC-Automotive-Lösungen

Infineon und Schweizer partnern bei Chip-Embedding

TrendForce

TrendForce-Analyse zu Siliziumkarbid

E-Mobilität und Erneuerbare als Hauptmärkte

SiC-Wafer von STMicroelectronics.

Siliziumkarbid-Halbleiter

ZF schließt langfristigen Vertrag mit STMicroelectronics

Wawer Peter

Interview mit Dr. Peter Wawer, Infineon

Kapazitäten von Si auf SiC umgewidmet

BLKstudio/stock.adobe.com

Einkäufer sehen leichte Entspannung

Versorgungslage bessert sich, Preise sinken nur vereinzelt

Im Linearbetrieb werden Leistungs-MOSFETs thermisch stark belastet. Neue Komponenten besitzen: optimierte Transistorzelle, spezielle Aufbau- und Verbindungstechnik, angepasste Gehäuse einen größeren sicheren Arbeitsbereich

Leistungs-MOSFETs im Linearbetrieb

Sicherer Arbeitsbereich ausgeweitet