A/D-Wandler von Texas Instruments

Negative Spannungsschienen überwachen

2. Mai 2019, 13:18 Uhr | Von Dan Tooth, Senior Analogue Field Applications Engineer (MGTS) bei Texas Instruments
Diesen Artikel anhören

Fortsetzung des Artikels von Teil 1

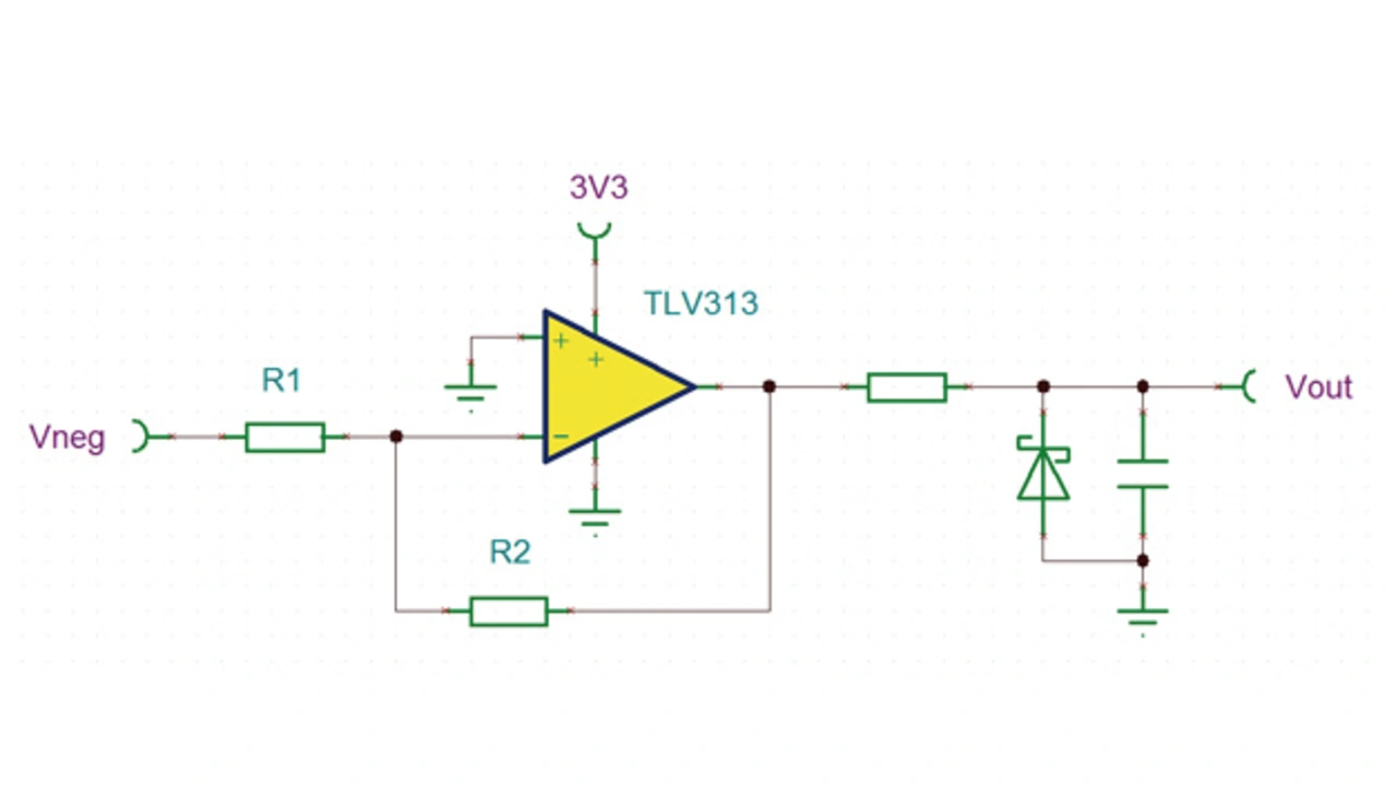
Inverter-Schaltung

Texas Instruments
Bild 2: Invertierung negativer Spannungen
© Texas Instruments

Eine zweite Möglichkeit zum Abtasten negativer Spannungen wird in Bild 2 gezeigt. Es handelt sich um einen einfachen invertierenden Verstärker mit einer Verstärkung von Uout/Uneg = –R2/R1. Der invertierende Verstärker hält seinen negativen Eingang auf der gleichen Spannung wie der nichtinvertierende Eingang, der 0 V beträgt. Daher wird nur eine einzige, positive Versorgungsspannung für den Operationsverstärker benötigt. Die negative Eingangsspannung Uneg wird zu einem positiven Ausgang Uout invertiert.
Wie bereits erwähnt, ist es wichtig, die Verstärkungsbandbreite des Operationsverstärkers zu berücksichtigen, wenn eine hohe ADC-Abtastrate erforderlich ist. Für hohe Abtastraten kann ein TLV316 anstelle eines TLV313 verwendet werden. Da das Invertierungsverfahren ohnehin einen Operationsverstärker erforderlich macht, kann es bei höheren Abtastraten attraktiv sein, auch für die notwendige Pufferung für den ADC zu sorgen.

Texas Instruments
Bild 3: Bipolarer ADC zum Abtasten negativer Spannungen
© Texas Instruments

A/D-Wandler mit bipolarem Eingang

Einige ADCs können positive oder negative Eingangssignale verarbeiten, ohne dass externe Schaltungen erforderlich sind. Beispielsweise werden die ADCs ADS8664/8 (A/D-Wandler mit vier bzw. acht Kanälen) über eine einzige analoge 5-V-Schiene versorgt und können bipolare Eingangssignale von bis zu ±10,24 V verarbeiten. In Bild 3 ist dargestellt, wie ein solcher ADC zwei negative und eine positive Versorgungsspannung überwacht. Darüber hinaus sind die A/D-Wandler mit zwei programmierbaren Komparatoren pro Kanal ausgestattet, deren obere und untere Alarmgrenzwerte für die zu überwachenden Spannungen per Software programmiert werden können. Der ADC kann dann die einzelnen Kanäle nacheinander abtasten. Bei Überschreitung eines Grenzwerts setzt er seinen Alarm-Pin, was zu einem Interrupt des Mikrocontrollers führt. Dementsprechend muss der Mikrocontroller den ADC erst nach dem Erzeugen des Interrupts auslesen.

Alternativ kann auch ein ADS7924 oder ein ADC aus der ADS7953-Familie verwendet werden. Diese verfügen ebenfalls über zwei programmierbare Alarmschwellen pro Kanal. Sie eignen sich aber nur für unipolare positive Eingangsspannung, sodass eine der oben genannten Methoden – Level-Shifter oder Inverter-Schaltung - verwendet werden sollte, um alle zu überwachenden negativen Spannungen an den ADC anzubinden.


  1. Negative Spannungsschienen überwachen
  2. Inverter-Schaltung

Lesen Sie mehr zum Thema


Das könnte Sie auch interessieren

Jetzt kostenfreie Newsletter bestellen!

Weitere Artikel zu Texas Instruments Deutschland GmbH