Safety Automotive

Modellgetrieben zum technischen Sicherheitskonzept

5. Juli 2013, 9:14 Uhr | Von Michael Soden, Andreas Redtenbacher und Michael Maruhn
Diesen Artikel anhören

Fortsetzung des Artikels von Teil 1

Integratives Arbeiten

Visualisierte Ableitung von Sicherheitsanforderungen
Bild 2. Visualisierte Ableitung von Sicherheitsanforderungen (beispielhafte Inhalte).
© BMW AG

In einem ersten Projekt konnte werkzeugseitig dieses Vorgehen auf Schnittstellen und Funktionen in dem inte-grierten Werkzeug medini analyze abgebildet werden. Ausgangspunkt waren zunächst funktionale und technische Anforderungen, die bereits in DOORS abgelegt und anschließend importiert wurden. Auf dieser Basis konnte die Argumentationskette von funktionalen zu technischen Sicherheitsanforderungen mittels des graphischen Goal-Editors formalisiert werden, so dass die Beziehungen zwischen den Anforderungen visuell dargestellt und an verschiedenen Stellen vervollständigt wurden. Insbesondere die Herleitung des ASIL sowie Dekompositionen auf funktionaler Ebene konnten somit nachvollziehbar dokumentiert und automatisiert geprüft werden (Bild 2).

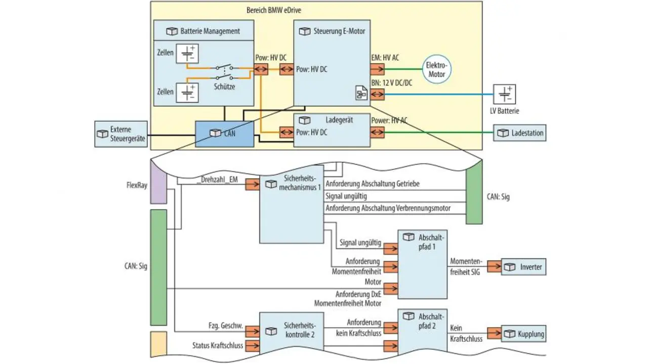
Architektur in SysML (oben); Details über Abschaltpfade und Sicherheitsmechanismen (unten)
Bild 3. Architektur in SysML (oben); Details über Abschaltpfade und Sicherheitsmechanismen (unten). Modelle zeigen beispielhaft die Konzepte (Originale abweichend)
© BMW AG

Parallel dazu diente ein in SysML erstelltes Architekturmodell auf Basis der Item-Beschreibung zur strukturellen und logischen Beschreibung des technischen Konzepts des elektrischen Antriebsstrangs. Neben den Systemkomponenten wurden an dieser Stelle Kommunikationsaspekte und weitere Details über das eingangsbeschriebene Zusammenwirken der Sicherheitsmechanismen berücksichtigt (Bild 3).

Das betraf sowohl Aspekte der Funktionsweise als auch der energetischen Schnittstellen wie die Hochvolttechnik. Im Hinblick auf die Darstellung der Umsetzung des Sicherheitskonzepts legte das Modell argumentativ dar, wie Anforderungen realisiert werden sollen und welche Abhängigkeiten und kritischen Pfade existieren. Ermöglicht wird das neben der feingranularen Allokation durch das Annotieren von zusätzlichen Informationen. Zum Beispiel lassen sich Sequenzablaufdiagramme, Fehlertoleranzzeiten für kritische Signalpfade oder Argumente zur Rückwirkungsfreiheit - „Freedom of Interference“ - durch Verlinkung an Modellelementen hinterlegen. Eine Ausleitung dieser Informationen in ein Dokument garantiert letztlich die kompakte Darstellung als Zusammenfassung oder zur Weitergabe.

Interessant bei dieser Art der Modellierung mit SysML ist der erweiterte Detaillierungsgrad über Ports und Datentypen, der über ein rein logisches Funktionsnetz mit abstrakten Abhängigkeiten hinausgeht, wie es zum Beispiel die VDA-Richtlinie zur FMEA vorgibt [4]. Dadurch wird die tatsächliche Informations- und Signalverarbeitung beliebig genau angenähert, was eine „hochauflösendere“ Spezifikation und Analysen erlaubt. Zudem hilft eine automatisierte Prüfung im Werkzeug, Inkonsistenzen aufzudecken.
Ausblick

Der modellorientierte Ansatz zur Erstellung des technischen Sicherheitskonzepts zeigt vielversprechende Verbesserungen in Effizienz und Qualität der Arbeitsprodukte. Durch den integrativen Ansatz und die enge Kopplung von Entwicklungsartefakten und Sicherheitsanalysen können Inkonsistenzen im Konzept erkannt und Lücken aufgedeckt werden. Voraussetzung dazu ist eine Werkzeugumgebung, die dieses Vorgehen wirkungsvoll unterstützt und verteilte Informationen zusammenführt.

 

Literatur:

[1] ISO 26262, Teile 1-10, http://www.iso.org
[2] medini analyze Werkzeuglösung, http://www.ikv.de/medinianalyze
[3] System Modeling Language (SysML), http://www.omgsysml.org/
[4] Verband der Automobilindustrie (VDA): Sicherung der Qualität in der Prozesslandschaft. Produkt und Prozess - FMEA (Band 4). ISSN 0943-9412, 2009

 

Die Autoren

 

Andreas Redtenbacher
arbeitet als Functional Safety Manager bei der BMW AG und koordiniert die sicherheitsgerichtete Entwicklung nach ISO 26262 auf E-Antriebsebene.
Michael Soden
arbeitet als Lead-Architekt bei der ikv++ technologies ag und leitete die Produktentwicklung von medini analyze. Derzeit begleitet er die Werkzeugeinführung in Kundenprojekten.
Michael Maruhn
von Rimpl Consulting GmbH unterstützt als Functional Safety Manager die sicherheitsgerichtete Entwicklung nach ISO 26262 auf E-Antriebsebene.

  1. Modellgetrieben zum technischen Sicherheitskonzept
  2. Integratives Arbeiten

Lesen Sie mehr zum Thema


Das könnte Sie auch interessieren

Jetzt kostenfreie Newsletter bestellen!

Weitere Artikel zu BMW AG

Weitere Artikel zu Fahrzeugkomponenten

Weitere Artikel zu Funktionale Sicherheit/Safety