Ersatz für rotierende Massen

Virtuelle Schwungmasse für das Stromnetz der Zukunft

15. Februar 2017, 10:02 Uhr | Von Dr. Eberhard Waffenschmidt
Diesen Artikel anhören

Fortsetzung des Artikels von Teil 2

Messung an einer LED-Leuchte

Um das Konzept für eine virtuelle Inertia-Regelung zu überprüfen, wurde ein Leuchten-Treiber von Philips für eine 35-W-LED-Leuchte, die eine PFC-Stufe enthält, modifiziert. Es handelt sich um den Xitanium/Fortimo-LED-Treiber 110-3000TD/I (Bild 6). Weitere Details zum Schaltkreis und zu den Messungen sind in der Abschlussarbeit von Nora Kovacs beschrieben [14].

Das Herz der Schaltung besteht aus dem Regler-IC TDA4863 von Infineon [15]. Bild 7 zeigt den entsprechenden Teil der Schaltung. Pin 1 des IC ist der Eingang zum Messen der Zwischenkreisspannung, welche durch den Spannungsteiler bestehend aus R5 bis R8 und R9||R10 heruntergesetzt wird. Hier wird ein zusätzliches Signal als Offset zum Messwert durch den Widerstand R21 hinzugefügt. Der Spannungs-Offset muss umgekehrt proportional zur Frequenzabweichung sein, denn soll sich die Zwischenkreisspannung erhöhen, muss das gemessene Signal niedriger sein, damit es mit erhöhter Zwischenkreisspannung korrekt erscheint.

Für einen ersten Test wurde ein Signal, das eine Frequenzabweichung repräsentiert, an diesen Punkt angelegt. Bild 8 zeigt die entsprechende Messung mit einem linear an- und absteigenden Signal (rot), das eine linear an- und absteigende Netzfrequenzabweichung repräsentiert. Die orange Kurve stellt die Messung der Zwischenkreisspannung dar. Sie folgt klar dem invertierten Vorgabesignal. Die Eingangsleistung (blau) oszilliert mit 100 Hz. Die dunkelblaue Kurve entspricht dem ideal erwarteten Leistungsverlauf. Die Amplituden von Spannungs- und Leistungsänderung sind in diesem Versuch übertrieben gewählt, um die Funktion zu demonstrieren.

Anbieter zum Thema

zu Matchmaker+
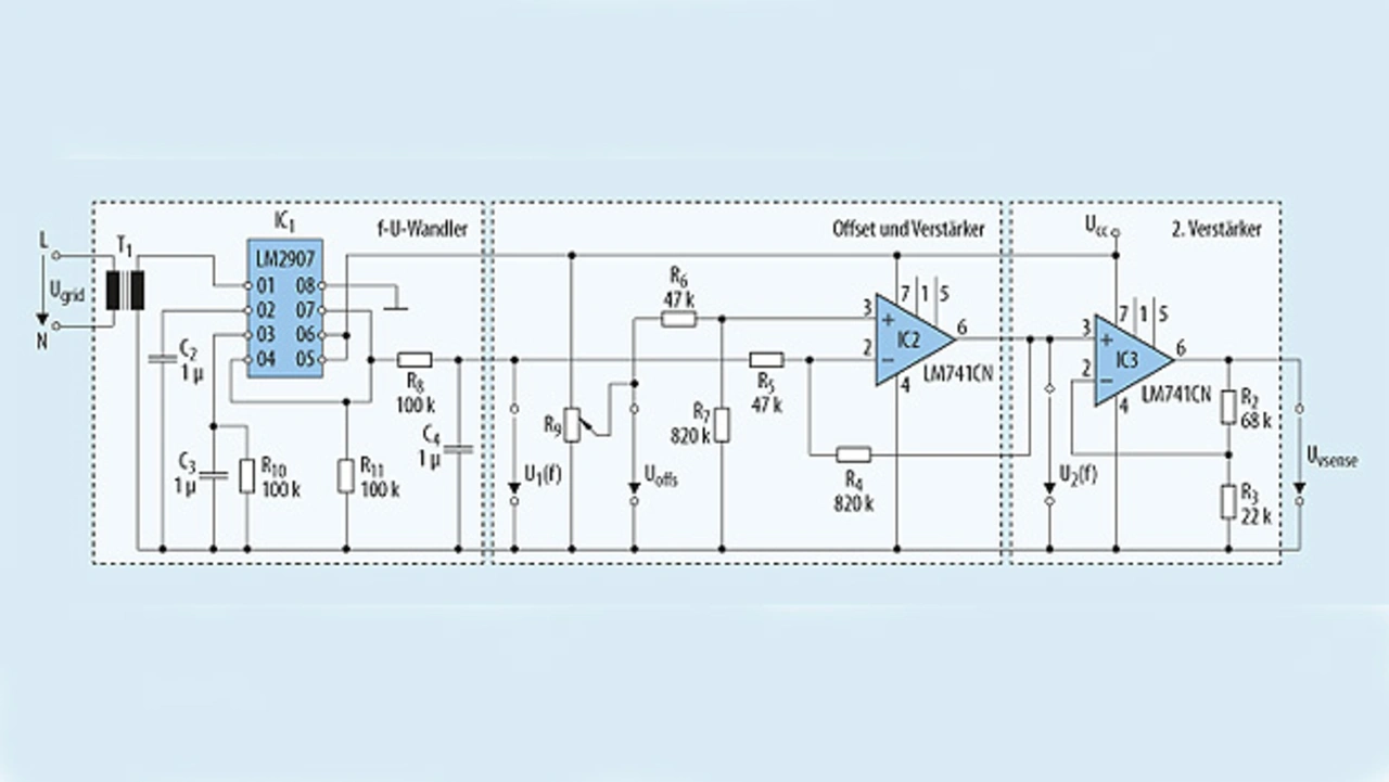
chaltplan des Frequenz-Spannungs-Umsetzers
Bild 9. Schaltplan des Frequenz-Spannungs-Umsetzers.
© Nora Kovacs

Die Messungen zeigen, dass die Eingangsleistung tatsächlich wie erwartet beinahe einer Rechteckfunktion folgt. Während des Versuchs konnte keine sichtbare Änderung der LED-Helligkeit wahrgenommen werden. Das zeigt, dass die zweite Konverter-Stufe des LED-Treibers die Änderungen der Zwischenkreisspannung hinreichend ausregeln kann. Außerdem zeigt die Messung, dass die Eingangsstufe des LED-Treibers sich tatsächlich wie gewünscht nach Gleichung 2 verhält und die benötigten Eigenschaften für die virtuelle Inertia-Funktion bereitstellt. Um die Reaktion auf eine tatsächliche Netzfrequenzänderung zu demonstrieren, wurde ein Frequenz-Spannungs-Umsetzer nach Bild 9 entworfen. IC1 (LM2907) setzt die Netzfrequenz in eine Spannung um. IC2 zieht einen Offset ab, um ein Signal für die Frequenzabweichung zu erhalten, und IC3 verstärkt das Signal. Der Ausgang ist mit dem Uvsense-Eingang des PFC-IC (TDA4863) verbunden. Die komplette Schaltung wurde anschließend an einem Synchrongenerator getestet, der eine manuell regelbare, variable Netzfrequenz vorgeben kann.

Messergebnis mit einer von einem manuell gesteuerten Synchrongenerator erzeugten Netzspannung
Bild 10. Messergebnis mit einer von einem manuell gesteuerten Synchrongenerator erzeugten Netzspannung.
© E. Waffenschmidt / TH Köln

Bild 10 zeigt entsprechend gemessene Ergebnisse. Die Frequenz (a) steigt und fällt mehr oder weniger linear. Die Regelspannung (b), welche vom Frequenz-Spannungs-Umsetzer bereitgestellt wird, ist hier invertiert dargestellt, um einen besseren Vergleich mit der Netzspannung zu ermöglichen. Weiterhin sind die Zwischenkreisspannung (c) und die gemittelte Eingangsleistung (d) dargestellt. Die rot gestrichelte Linie ist als Darstellungshilfe für die Eingangsspannung hinzugefügt. Die Regelspannung folgt der Netzfrequenz andeutungsweise, aber die Form ist verzerrt und das Signal verzögert. Insbesondere der Tiefpass (R8, C4) von IC1 trägt zu dem Effekt bei (Bild 9). Hier musste ein Kompromiss gefunden werden, um die überlagerte Wechselspannung auf dem Signal zu begrenzen. Die Zwischenkreisspannung folgt dem Regelsignal gut. Die Eingangsleistungsvariation kann tatsächlich wie beabsichtigt der zeitlichen Ableitung der Zwischenkreisspannung zugeordnet werden. Jedoch ist der Zusammenhang zwischen Leistungsvariation und Frequenzabweichung aufgrund des beschriebenen Tiefpasses noch deutlich verbesserungswürdig. Eine verbesserte Frequenzumwandlung wäre hier auf jeden Fall notwendig. Bei einer Integration der Funktion in das Regler-IC wäre mit Sicherheit eine deutlich bessere Funktion zu erwarten.

Stabilität für künftige Stromnetzte

Eine vergleichsweise einfache Modifikation der Regelung von PFC-Eingangsstufen in Schaltnetzteilen könnte ohne weitere Schaltungsänderung einen deutlichen Beitrag zur Momentan-Reserve und damit zur Stabilität von zukünftigen Stromnetzen mit hohem Anteil an Erneuerbarer Energie liefern. Zwar ist die Testschaltung im Detail noch verbesserungswürdig, dennoch lässt sich das Potenzial anhand der Messungen durchaus erkennen. Um die Funktion jedoch durchzusetzen, wäre wohl eine entsprechende Standardisierung oder Vorschrift notwendig. Denn die Funktion der virtuellen Inertia ist für die eigentliche Funktion des Gerätes nicht notwendig. Andererseits trägt auch eine Leistungsfaktorkorrektur nichts zur Arbeitsweise des eigentlichen Gerätes bei und ist nur vorgeschrieben, um das Stromnetz nicht mit Oberwellen zu überfluten. Wenn aber eine Leistungsfaktorkorrektur nur für das Stromnetz da ist, dann kann sie auch gleich Funktionen zur Netzstabilität übernehmen.

 

Literatur

[1] Giesler, B.; et al.: Erneuerbare Energien konkurrieren zunehmend mit Grundlastkraftwerken. 2. Otti-Konferenz, Zukünftige Stromnetze für Erneuerbare Energien, 2015, S. 52–57.
[2] Agorameter. Agora Energiewende, 2016, www.agora-energiewende.de/de/themen/-agothem-/Produkt/produkt/76/Agorameter/.
[3] Brisebois, J.; et al.: Wind Farm Inertia Emulation to Fulfill Hydro – Québec‘s Specific Need. Proceedings of the IEEE PES General Meeting, Detroit, Michigan, USA, 2011, 978-1-4577-1002-5/11.
[4] Gonzalez-Longatt, F.; et al.: Effects of the Synthetic Inertia from Wind Power on the Total System Inertia after a Frequency Disturbance. IEEE PES PowerAfrica 2012 Conference and Exposition, Johannesburg, South Africa, 2012.
[5] Waffenschmidt, E.; et al.: Virtual inertia with PV inverters using DC-link capacitors. EPE/ECCE 2016, Karlsruhe, 2016.
[6] Chen, Y.; et al.: Improving the grid power quality using virtual synchronous machines. Internationale Konferenz für Power Engineering, Energie und Electrical Drives (POWERENG 2011), Malaga, 2011.
[7] Visscher, K.; et al.: Virtual synchronous machines for frequency stabilisation in future grids with a significant share of decentralised generation. CIRED SmartGrids-Konferenz, Deutschland, 2008.
[8] Rodriguez, P.: Control of Grid-Interactive Power Converters: The Synchronous Power Controller. Präsentation auf dem ECPE-Workshop: Power Electronics in the Electrical Network, Kassel, 2013.
[9] Agricola, A.-C.; et al.: dena-Studie Systemdienstleistungen 2030 – Sicherheit und Zuverlässigkeit einer Stromversorgung mit hohem Anteil erneuerbarer Energien. Deutsche Energie-Agentur GmbH (dena), Berlin, 2014
[10] Conrad-Elektronik, Electrolytkondensatoren, www.conrad.de/ce/de/overview/0245812/Elektrolyt-Kondensatoren
[11] Strauß, P.: Einfluss des Frequenzverhaltens kleiner Generatoren und Lasten auf Stromnetze unter besonderer Berücksichtigung großer Netzstörungen. Dissertation Universität Kassel, Technology & Science Publishers, Kassel, 2009, ISBN 978-3-00-029475-4.
[12] Waffenschmidt, E.: An der TH-Köln gemessene Netzfrequenz-Daten. www.100pro-erneuerbare.com/messdaten/messdaten.htm#netzfrequenz.
[13] Mrozek, M.: Power Factor Correction Algorithm in AC-DC Converter. Problemy Eksploatacji – Maintenance Problems, 2013, Heft 2, S. 129.
[14] Kovacs, N.: Momentanregelung mit Licht emittierenden Dioden (LED) Lampentreibern. Master-Arbeit der TH-Köln. 2016.
[15] Boost Controller TDA4863 – Power Factor Controller IC for High Power Factor and Low THD. Infineon, Datenblatt, Rev. 2., 2005.

Prof. Dr.-Ing. Eberhard Waffenschmidt
ist seit September 2011 Professor an der Technischen Hochschule Köln mit dem Lehrgebiet Elektrische Netze. Zuvor war er Wissenschaftler im Forschungslabor der Firma Philips in Aachen mit dem Schwerpunkt Leistungselektronik. Sein spezielles Interesse gilt dem Erkennen und Überwinden von Hindernissen auf dem Weg zu einer Stromversorgung mit 100 % Erneuerbaren Energien.

 

eberhard.waffenschmidt@th-koeln.de



  1. Virtuelle Schwungmasse für das Stromnetz der Zukunft
  2. Variation der Zwischenkreisspannung
  3. Messung an einer LED-Leuchte

Lesen Sie mehr zum Thema


Das könnte Sie auch interessieren

Jetzt kostenfreie Newsletter bestellen!