Stromversorgung für HF-Schaltkreise

Schaltregler mit doppelter Regelschleife schwingt nicht mehr

27. April 2020, 11:30 Uhr | Ricky Yang, Analog Devices
© Jonny Lindner / Pixabay

HF-Schaltkreise benötigen eine sehr saubere Versorgungsspannung. Daher sind Linearregler trotz ihres niedrigen Wirkungsgrads dort bislang die bevorzugte Lösung. Mithilfe zusätzlicher Filter lassen sich auch Schaltregler dafür einsetzen. Doch wie verhindert man, dass sie schwingen?

Diesen Artikel anhören

Für Systementwickler ist es immer eine riesige Herausforderung, für rauschempfindliche Schaltkreise, beispielsweise A/D-Wandler, Phasenregelschleifen (PLLs) oder Funktransceiver, die richtige Stromversorgung auszuwählen ist. Denn sie müssen dabei immer die divergierenden Anforderungen niedrige Leistungsverluste und ausreichend niedriges Rauschen in Einklang bringen.

Traditionell kommen dort häufig lineare LDO-Regler (Low Drop-Out) zum Einsatz. Solche Bausteine blocken niederfrequente Störungen – etwa den 50-Hz-Brumm des Netzstroms – und liefern eine saubere Versorgung für rauschempfindliche Schaltkreise. Leider ist der Wirkungsgrad von LDOs niedrig, besonders in Systemen, in denen Ausgangs- und Eingangsspannung recht unterschiedlich sind. In einer solchen Situation liegt der Wirkungsgrad von LDOs typisch bei nur 30 bis 50 Prozent.

Schaltregler dagegen erzielen bis zu 90 Prozent und darüber. Allerdings ist deren Ausgangsspannung zu verrauscht, um A/D-Wandler und PLLs ohne signifikante Verluste an Signalqualität zu versorgen. Eine dieser Rauschquellen von Schaltreglern ist die Welligkeit der Ausgangsspannung und tritt als Harmonische oder als Verzerrungen (Spurs) im Ausgangspektrum eines A/D-Wandlers auf. Damit der Signal-Rausch-Abstand (Signal to Noise Ratio, SNR) und der verzerrungsfreie Dynamikbereich (Spourious-Free Dynamic Range, SFDR) nicht unzulässig sinken, kann es extrem wichtig sein, die Welligkeit der Ausgangsspannung und das Ausgangsrauschen bei Schaltreglern zu minimieren.Um dies zu erreichen, schaltet man häufig an den Ausgang des Schaltreglers ein zweites LC-Filter (L2 und C2 in Bild 1).

Anbieter zum Thema

zu Matchmaker+
Analog Devices, Power Supplies, Power Management
Bild 1: Schaltplan eines Current-Mode-Abwärtswandlers mit zweitem LC-Filter.
© Analog Devices

Ein solches zweistufiges LC-Filter hat jedoch auch einige Nachteile. Die Übertragungsfunktion der Leistungsstufe ist idealerweise ein System vierter Ordnung und kann somit leicht instabil werden. Wird die Auswirkung der Datenabtastung einer Stromschleife noch mit einbezogen, stellt sich die komplette Übertragungsfunktion der Ausgangsregelung (Control to Output) als ein System fünfter Ordnung dar [1]. Zwar lässt sich die Spannung auch nach dem ersten LC-Filter (L1 und C1) messen, um das System zu stabilisieren. Bei hoher Last kann dies jedoch dazu führen, dass durch den Spannungsabfall am zweiten LC-Filter die Ausgangsspannung nicht mehr den Anforderungen der Anwendung genügt und sich nicht ausreichend regeln lässt.

In diesem Artikel wird eine neue hybride Methode vorgeschlagen, die ausreichend stabil ist und die Ausgangsspannung unter allen Lastbedingungen in der Anwendung ausreichend genau regelt. Es gibt mehrere veröffentlichte Forschungsergebnisse über DC-DC-Wandler mit zweitem LC-Ausgangsfilter [2–5]. Besonders [2] und [3] diskutieren die Modellierung und Regelung eines zweistufigen Voltage-Mode-Wandlers. Dieses Prinzip lässt sich aber nicht direkt auf die heute üblichen Current-Mode-Wandler anwenden. Current-Mode-Wandler mit zweitem LC-Filter wurden in [4] und [5] analysiert und modelliert. Allerdings gehen beide Arbeiten davon aus, dass die zweite Spule eine deutlich kleinere Induktivität hat als die erste Spule, was in der Realität nicht immer möglich ist.

Analog Devices, Power Supplies, Power Management
Bild 2: Kleinsignal-Blockdiagramm des Current-Mode-Abwärtswandlers mit zweitem LC-Filter aus Bild 1.
© Analog Devices

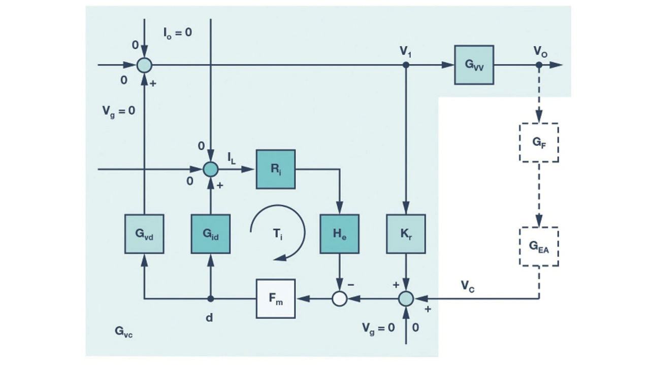
Kleinsignalmodellierung der Leistungsstufe

Bild 2 zeigt das Kleinsignal-Blockdiagramm für die Schaltung aus Bild 1. Die Regelschleife besteht aus der inneren Stromschleife und der äußeren Spannungsschleife. Der Koeffizient der Datenabtastung He(s) in der Stromschleife bezieht sich auf das in [1] vorgeschlagene Modell. Man beachte, dass im vereinfachten Blockdiagramm in Bild 2 angenommen wird, dass die Störgrößen von Eingangsspannung und Laststrom gleich Null sind, da die mit der Eingangsspannung und dem Laststrom zusammenhängende Übertragungsfunktion in diesem Artikel nicht behandelt wird. Das neue Kleinsignalmodell wird an einem Current-Mode-Abwärtswandler mit den folgenden Parametern demonstriert:

  • Vg = 5 V
  • V0 = 2 V
  • L1 = 0,8 μH
  • L2 = 0,22 μH
  • C1 = 47 μF
  • C2 = 3 × 47 μF
  • RESR1 = 2 mΩ
  • RESR2 = 2 mΩ
  • RL = 1 Ω
  • Ri = 0,1 Ω
  • Ts = 0,833 μs

Die erste interessante Übertragungsfunktion ist die Stromschleifenverstärkung, gemessen am Ausgang des Tastverhältnis-Modulators, deren Herleitung sich in [6] findet:

table attributes columnalign right center left columnspacing 0px end attributes row blank blank T end table table attributes columnalign right center left columnspacing 0px end attributes row blank blank cell blank subscript i end cell end table table attributes columnalign right center left columnspacing 0px end attributes row blank blank cell open parentheses s close parentheses end cell end table table attributes columnalign right center left columnspacing 0px end attributes row blank equals blank end table table attributes columnalign right center left columnspacing 0px end attributes row blank blank F end table table attributes columnalign right center left columnspacing 0px end attributes row blank blank cell blank subscript m end cell end table table attributes columnalign right center left columnspacing 0px end attributes row blank blank times end table table attributes columnalign right center left columnspacing 0px end attributes row blank blank R end table table attributes columnalign right center left columnspacing 0px end attributes row blank blank cell blank subscript i end cell end table table attributes columnalign right center left columnspacing 0px end attributes row blank blank times end table table attributes columnalign right center left columnspacing 0px end attributes row blank blank G end table table attributes columnalign right center left columnspacing 0px end attributes row blank blank cell blank subscript i d end subscript end cell end table table attributes columnalign right center left columnspacing 0px end attributes row blank blank times end table table attributes columnalign right center left columnspacing 0px end attributes row blank blank H end table table attributes columnalign right center left columnspacing 0px end attributes row blank blank cell blank subscript e end cell end table equals
equals table attributes columnalign right center left columnspacing 0px end attributes row blank blank cell fraction numerator L subscript 1 over denominator R subscript L times D apostrophe times m subscript c times D subscript s end fraction end cell end table table attributes columnalign right center left columnspacing 0px end attributes row blank blank times end table table attributes columnalign right center left columnspacing 0px end attributes row blank blank cell fraction numerator open square brackets 1 plus R subscript L times open parentheses C subscript 1 plus C subscript 2 close parentheses times S close square brackets times open parentheses 1 plus fraction numerator S over denominator Q subscript 3 times omega subscript 3 end fraction plus S squared over omega subscript 3 squared close parentheses over denominator open parentheses 1 plus begin display style fraction numerator S over denominator Q subscript 1 times omega subscript 1 end fraction end style plus begin display style S squared over omega subscript 1 squared end style close parentheses times open parentheses 1 plus fraction numerator S over denominator Q subscript 2 times omega subscript 2 end fraction plus S squared over omega subscript 2 squared close parentheses end fraction end cell end table table attributes columnalign right center left columnspacing 0px end attributes row blank blank times end table table attributes columnalign right center left columnspacing 0px end attributes row blank blank H end table table attributes columnalign right center left columnspacing 0px end attributes row blank blank cell blank subscript e end cell end table

Die resultierende Übertragungsfunktion der Stromschleife zeigt, dass es sich um ein System vierter Ordnung mit zwei Paaren komplexer konjungierter Pole handelt. Dies führt zu zwei Systemresonanzen (ω1 und ω2). Diese beiden Resonanzfrequenzen bestimmen sich aus L1, L2, C1 und C2. Eine Nullstelle fügen der Lastwiderstand RL sowie C1 und C2 ein. Ein Paar der komplexen konjugierten Nullstellen (ω3) wird von L2, C1 und C2 festgelegt. Außerdem erzeugt der Koeffizient der Datenabtastung He(s) in der Stromschleife ein komplexes Paar von Nullstellen bei der halben Schaltfrequenz in der rechten Halb-Ebene.

Analog Devices, Power Supplies, Power Management
Bild 3 (linke Hälfte): Frequenzgang (Amplituden- und Phasengang) der Stromschleifenverstärkung des Current-Mode-Abwärtswandlers.Bild 4 (rechte Hälfte): Frequenzgang der Übertragungsfunktion der Regelschleifenverstärkung für die Ausgangsspannung bei unterschiedlichen Werten des externen Sägezahns.
© Analog Devices

Verglichen mit einem konventionellen Current-Mode-Abwärtswandler ohne zweitem LC-Filter hat die neue Stromschleifenverstärkung ein Paar komplexer konjugierter Pole und auch ein Paar komplexer konjugierter Nullstellen mehr, die sehr nahe beieinanderliegen.

Bild 3 zeigt den Frequenzgang der Stromschleifenverstärkung bei unterschiedlichen Werten von externen Rampen. Ohne externe Flankenkompensation (Slope Compensation, Mc = 1) ist die Phasenreserve recht klein. Dies kann dazu führen, dass das System subharmonisch oszilliert. Mit der zusätzlichen externen Flankenkompensation ändert sich zwar die Kontur der Kurven nicht, aber die Amplitude sinkt und die Phasenreserve steigt.

Ist die Stromschleife geschlossen, ändert sich die Übertragungsfunktion der Regelung der Ausgangsspannung folgendermaßen (die Herleitung findet sich in [6]):

G subscript v c end subscript equals V subscript 0 over V subscript c equals R subscript L over R subscript i times fraction numerator 1 over denominator 1 plus begin display style fraction numerator R subscript L times T subscript s over denominator L subscript 1 end fraction end style times open parentheses m subscript c times D apostrophe minus 0 comma 5 close parentheses end fraction times F subscript l open parentheses s close parentheses times F subscript h open parentheses s close parentheses

Die resultierende Übertragungsfunktion stellt ein System fünfter Ordnung mit einer Polstelle (ωp) und zwei Paaren komplexer konjugierter Polstellen (ωl und ωh) dar. Die Polstelle (ωp) bestimmt sich hauptsächlich durch Lastwiderstand RL zusammen mit C1 und C2. Das Paar konjugierter Polstellen (ωl und ωh) mit niedriger Frequenz legen L2, C1 und C2 fest, während das Paar konjugierter Polstellen mit höherer Frequenz bei halber Schaltfrequenz liegt. Zusätzlich steuert der ESR von C1 bzw. C2 zwei Nullstellen bei.

Bild 4 zeigt den Frequenzgang der Regelschleifenverstärkung für die Ausgangsspannung bei unterschiedlichen Werten des externen Sägezahns. Verglichen mit dem konventionellen Current-Mode-Abwärtswandler hat ein Wandler mit einem zweiten LC-Filter ein Paar komplexer konjugierter Polstellen (ωl) mehr in der Übertragungsfunktion der Regelschleifenverstärkung für die Ausgangsspannung. Diese zusätzlichen Resonanz-Polstellen ergeben einen zusätzlichen Phasenversatz von 180°. Die Phasenreserve nimmt damit dramatisch ab und kann das ganze System – selbst bei der Typ-III-Kompensation – instabil machen. Nebenbei bemerkt: Bild 4 zeigt klar den Übergang von der Current-Mode- zur Voltage-Mode-Regelung, da der Flankenabgleich (Slope Compensation) erhöht wird.


  1. Schaltregler mit doppelter Regelschleife schwingt nicht mehr
  2. Hybride Rückkopplung

Lesen Sie mehr zum Thema


Das könnte Sie auch interessieren

Jetzt kostenfreie Newsletter bestellen!

Weitere Artikel zu Analog Devices GmbH

Weitere Artikel zu Energieerzeugung

Weitere Artikel zu Powermanagement-ICs