TTI / Honeywell

Die hohen Kosten »günstiger« Drucksensoren

13. Juli 2017, 14:41 Uhr | Nicole Wörner
Diesen Artikel anhören

Fortsetzung des Artikels von Teil 1

Methoden zur Korrektur der Temperaturschwankungen

Zu den drei möglichen Methoden zur Korrektur der Temperaturschwankung gehören

1. Messchip an Stromquelle betreiben
2. Kompensationsschaltung einsetzen
3. Korrektur in Echtzeit

Verwenden einer Stromquelle:

Durch den Betrieb des Messchips an einer Stromquelle, und nicht an einer Spannungsquelle, ist es möglich, einige der Temperatureffekte auszuschließen. Dies ist eine relativ einfache Technik. Allerdings hat die Praxis gezeigt, dass die Temperatureffekte nur um ca. 50 % verringert werden.

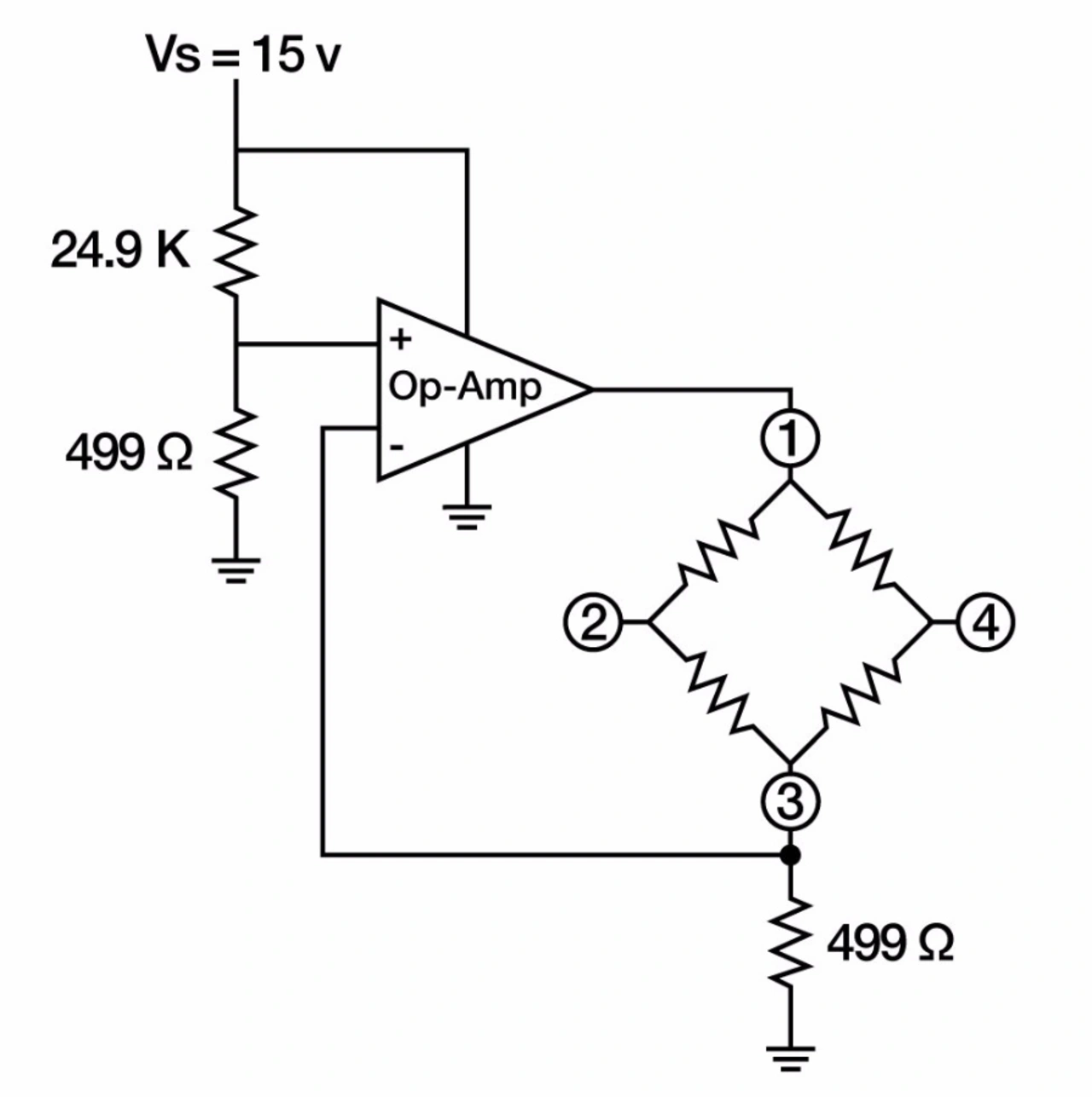
Kompensationsschaltung: 

Eine andere Technik, mit der Fehler aufgrund von Kalibrierung und Temperaturschwankungen auf ein paar wenige Prozent reduziert werden können, ist die Nutzung einer Kompensationsschaltung, wie sie in Abb. 5 abgebildet ist.

Abb. 5
Abb. 5
© Honeywell
Abb. 6
Abb. 6
© Honeywell

Die Kombination von veränderbaren und temperaturabhängigen Widerständen in der Schaltung kann so angepasst werden, dass sowohl Abweichungen bei der Erstkalibrierung als auch Temperaturabweichungen korrigiert werden können (Abb. 6). Allerdings müssen die Messungen bei verschiedenen Temperaturen vorgenommen werden. Außerdem eignet sich diese Technik wegen der großen Anzahl an Anpassungen und der gegenseitigen Abhängigkeiten dieser Anpassungen eigentlich nur für automatisierte Systeme wie z.B. solche, die Dickschichtwiderstände per Laser abgleichen.

Korrektur in Echtzeit: 

Bei der in den meisten Drucksensoren mit Verstärkung eingesetzte Technik wird die Ist-Ausgabe des Messchips bei verschiedenen Drücken und Temperaturen gemessen und vom jeweiligen Chip gespeichert. Im Betrieb würde ein Prozessor die Temperatur- und Chipausgabewerte lesen und die erforderlichen Korrekturen vornehmen, um ein kalibriertes Ausgangssignal zu formen. Damit dies funktionieren kann, ist darüber hinaus ein Temperaturwert erforderlich. Der kann zwar über einen relativ kostengünstigen Temperatursensor zur Verfügung gestellt werden, aber hier sind die Eigenerwärmung und der Unterschied zwischen Umgebungs- und Medientemperatur zu beachten.  

Jeder Sensor würde bei verschiedenen Temperaturen und Drücken (durch)gemessen werden müssen. Die Kosten für dieses Unterfangen beinhalten die Kosten für eine kalibrierte und rückverfolgbare Druckreferenzquelle, die Kosten und die erforderliche Fläche für einen Ofen in der Produktion sowie die zusätzliche Zeit für die Herstellung. Nach dem Löten kann es bei Drucksensoren ebenfalls zu erheblichen aber kurzfristigen Veränderungen der Messeigenschaften kommen. In einigen Fällen muss man mit der Kalibrierung des Sensors solange warten, bis diese Transienten abgeklungen sind. Dies kann bei einer Serienfertigung erhebliche Probleme aufwerfen.


  1. Die hohen Kosten »günstiger« Drucksensoren
  2. Methoden zur Korrektur der Temperaturschwankungen
  3. Teures »Do-it-yourself« - und was ist, wenn das System Fehler macht?

Lesen Sie mehr zum Thema


Das könnte Sie auch interessieren

Jetzt kostenfreie Newsletter bestellen!