Wirkungsgrad und Ökologie

Effizientere Leistungswandler dank SiC-Transistoren

8. November 2021, 12:23 Uhr | Von Francesco Saya, Marketing Development Engineer, und Rosario Attanasio, Application Engineering Manager, beide STMicroelectronics
STMicroelectronics
© STMicroelectronics

In vielen Leistungswandlungs-Anwendungen bringen AC/DC-Wandler-Topologien bei hohen Wirkungsgraden Restriktionen mit sich. Dieser Artikel zeigt, wie sich die Eigenschaften von SiC auf die Leistungsfähigkeit von SiC-Transistoren auswirken, und erläutert die Unterschiede zu Si-basierten IGBTs.

Diesen Artikel anhören

Fortsetzung des Artikels von Teil 2

Wechselrichter als zweites Beispiel

STMicroelectronics
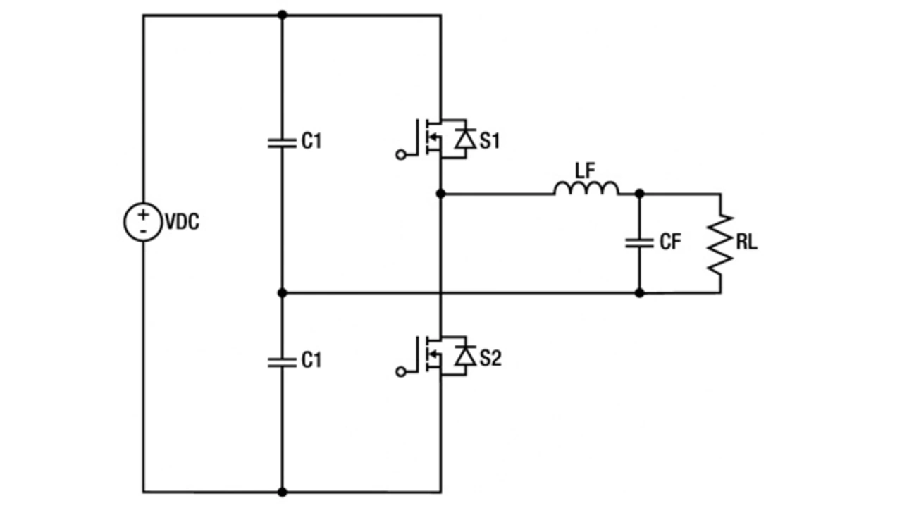
Bild 5: Halbbrücken-Wechselrichtertopologie zum Erzeugen von Wechselspannungen
© STMicroelectronics

Als weiteres Beispiel ist in Bild 5 eine Halbbrücken-Wechselrichtertopologie zu sehen. Auch in unterbrechungsfreien Stromversorgungen und im Bereich der erneuerbaren Energien werden SiC-MOSFETs häufig anstelle von Silizium-Transistoren eingesetzt. Auch hier sind die wichtigsten Vorteile der höhere erreichbare Wirkungsgrad, die gesteigerte Leistungsdichte und die höhere Betriebstemperatur.

In erster Linie spielt die Eignung von SiC-MOSFETs für höhere Schaltfrequenzen eine Rolle, was die Verwendung kleinerer passiver Bauelemente gestattet und damit in kompakteren Produkten und reduzierten Schaltungskosten resultiert. Dies ist ein großer Pluspunkt für Wechselrichter-Anwendungen, in denen ein LC- oder LCL-Filter am Ausgang erforderlich ist, um die Oberschwingungen der von der Schaltstufe erzeugten Spannung auszufiltern. Ein solcher Filter kann sehr groß und kostspielig werden, wenn er eine niedrige Schaltfrequenz herauszufiltern hat.

STMicroelectronics
Bild 6: Mit SiC-FETs bestücktes Evaluation Board für einen Halbbrücken-Wechselrichter mit 2 kW Leistung
© STMicroelectronics

In der Topologie aus Bild 5 dienen zwei SiC-MOSFETs und zwei Kondensatoren zum Aufteilen der Spannung im Gleichspannungskreis. Der LC-Filter am Ausgang befindet sich zwischen dem Verbindungspunkt der beiden Kondensatoren und dem Mittelpunkt des Schaltzweigs. Beide Schalter werden in der Regel per SPWM (Sinusoidal Pulse Width Modulation) angesteuert, wobei die Schaltfrequenz zur Vermeidung hoher Schaltverluste unter 150 kHz gehalten wird, obwohl die SiC-MOSFETs grundsätzlich für höhere Frequenzen geeignet wären.

Weiter vermindern lassen sich die Schaltverluste durch sanftes Schalten – wenn auch auf Kosten eines größeren Bauteileaufwands, der die Kosten und die Abmessungen des Wandlers in die Höhe treibt.

STMicroelectronics
Tabelle 3. Wirkungsgrad des SiC-bestückten Halbbrücken-Wechselrichters mit 2 kW bei verschiedenen Schaltfrequenzen
© STMicroelectronics

Bild 6 zeigt ein Beispiel für eine solche Implementierung. Es handelt sich um einen Halbbrücken-Wechselrichter mit 2 kW Leistung, der aus 400 V Gleichspannung gespeist wird und eine Ausgangsspannung von 120 V rms erzeugt. Die beiden SiC-MOSFETs sind vom Typ STGW90N65G2V im HiP247-Gehäuse und werden von zwei Hochspannungs-Halbbrücken-Gate-Treibern angesteuert, die für Quellen- und Senkenströme bis zu 4 A ausgelegt sind. Der hierfür ausgewählte Gate-Treiber L6491D gibt eine Treiberspannung von +18 V/0 V an die Gates der beiden SiC-MOSFETs ab. Das Filter besteht aus einer Induktivität mit 250 µH und einem Kunststoff-Folienkondensator mit 470 nF.

In Tabelle 3 sind die Ergebnisse der Tests des Wechselrichters bei Schaltfrequenzen von 35 kHz, 70 kHz und 140 kHz zusammengefasst, einschließlich der Verluste im Ausgangsfilter, in der Stromversorgung und in der Verkabelung.

STMicroelectronics
Tabelle 4. Berechnung der Verluste im Halbbrücken-Wechselrichter
© STMicroelectronics

Die Verluste in den SiC-MOSFETs wurden basierend auf der Annahme berechnet, dass der Wechselrichter mit einer Leistung von 2 kW und an einer Last mit dem Leistungsfaktor 0,85 betrieben wird. In Bild 4 sind die MOSFET-Verluste für drei verschiedene Schaltfrequenzen aufgeschlüsselt. Wie man sieht, bietet eine Frequenz von 70 kHz den besten Kompromiss zwischen der Höhe der Verluste und der potenziellen Größenreduzierung der induktiven Bauelemente.

Eine Besonderheit ist ferner die Möglichkeit zur weiteren Optimierung des Wirkungsgrads mithilfe positiver und negativer Treiberspannungen von +20 V und –4 V. In diesem Fall verbessern sich die Effizienzwerte im Durchschnitt um 0,2 Prozent (bei 15 bis 100 Prozent Ausgangsleistung).

STMicroelectronics
Bild 7: Messung der Gehäusetemperatur bei unterschiedlichen Treiberspannungen von +20 V/–4 V (links) und +18 V/0 V (rechts)
© STMicroelectronics

In Bild 7 sind die Gehäusetemperaturen der beiden in diesem Anwendungsbeispiel betrachteten Ansteuerkonzepte dargestellt.

Dabei arbeitet der Wechselrichter bei Zimmertemperatur mit seiner Nennlast (Leistungsfaktor: 0,85) und einer Schaltfrequenz von 70 kHz. Beide SiC-Bausteine befinden sich auf Kühlkörpern mit einem Wärmewiderstand von 1,6 °C/W bei natürlicher Konvektion.(


  1. Effizientere Leistungswandler dank SiC-Transistoren
  2. Der SiC-Transistor in seinem Umfeld
  3. Wechselrichter als zweites Beispiel


Lesen Sie mehr zum Thema


Das könnte Sie auch interessieren

DC/DC-Abwärtswandler STPD01

STMicroelectronics

Programmierbarer DC/DC-Abwärtswandler für USB PD

Soitec

Soitec und A*STAR

Prozess für neue SiC-MOSFET-Generationen

STMicroelectronics

SPC5-Studio IDE

Professionelle Entwicklungsumgebung

Dr. Gerald Paul, Vishay

Dr. Gerald Paul, Vishay

»Wir bauen ein 300-mm-MOSFET-Werk in Itzehoe«

Engelbert Hopf.jpg

Kommentar

Mit Esprit und Neugier zur Weltklimaneutralität

Nexperia, Silicon Carbide, SiC, SiliconCarbide, Diode

Siliziumkarbid-Dioden

Nexperia startet ins SiC-Zeitalter

Navitas Semiconductor, GaNFast, GaNSense, Gallium Nitride, GalliumNitride

Navitas Semiconductor

Neue Generation von GaN-Power-ICs mit GaNSense-Technologie

EDOYO/stock.adobe.com

Leistungshalbleiter

SiC-Bedarf explodiert

UnitedSiC, Qorvo, Acquisition

Übernahme im Bereich Siliziumkarbid

Qorvo übernimmt UnitedSiC

Power Integrations

GaN-Chipsatz

Kompakte Sperrwandler mit hohem Wirkungsgrad

Bilder: Mitsubishi Electric

Energieeinsparung im Schienenverkehr

SiC-Halbleitermodule für Bahnanwendungen

Littelfuse

Die Applikation steht im Fokus!

SiC oder nicht SiC – das ist hier die Frage!

STMicroelectronics

Platzbedarf und Verluste reduzieren

Ehrgeizige Pläne für die GaN-Produktfamilie

Rohm Semiconductor

Rohm plant hohe Investitionen

Umweltschonende Power-Komponenten im Fokus

Infineon Technologies

Wide Bandgap für die 5G-Infrastruktur

650-V-CoolSiC in modernen Telekommunikations-SMPS

Infineon Technologies

Schnelles Tanken an der Stromtankstelle

Schnelles Laden von Elektrofahrzeugen durch CoolSiC

Infineon Technologies

Interview mit Dr. Peter Friedrichs

Infineon will Siliziumkarbid-MOSFETs raus aus der Nische bringen

Pixabay

Marktanalyse von TrendForce

Navitas stößt Power Integrations vom GaN-Thron

Wolfgang Weber, ZVEI

ZVEI fordert sechs neue Halbleiter-Fabs

Markt für Leistungshalbleiter verdreifacht sich bis 2030

Rohm, SiC, SiliconCarbide, Silicon Carbide

Siliziumkarbid-MOSFETs

Die neue Generation kann mehr

china 8,5

Neuer Fünfjahresplan

China fördert lokale Wertschöpfungskette bei Siliziumkarbid

Infineon, Villach, Sabine Herlitschka, Reinhard Ploss, Jochen Hanebeck

Massive Kapazitätserweiterung

Infineon eröffnet 300-mm-Fab in Villach

Fertigungsdienstleistungen für SiC-Halbleiter auf 6-Zoll-Wafern an

Applied Materials / Siliziumkarbid

Umstieg auf 200-mm-SiC-Wafer beschleunigen

GaN Systems

Galliumnitrid / Elektromobilität

BMW sichert sich Fertigungskapazitäten bei GaN Systems

Sved Oliver/stock.adobe.com

Leistungshalbleiter + Stromversorgungen

Keine Chance den Fake-Produkten!

Geely, Rohm, SiC, SiliconCarbide, Silicon Carbide

Fokus auf SiC-Leistungshalbleiter

Rohm und Geely erweitern strategische Partnerschaft

Infineon, Panasonic, Gallium Nitride, GaN

Infineon und Panasonic

Zweite GaN-Generation kommt 2023

Fraunhofer IMWS Leistungselektronik

Leistungselektronik in Windkraftanlagen

Komponenten offshore-tauglich machen

Infineon Siliziumkarbid SiC

Erweiterte Siliziumkarbid-Kapazitäten

onsemi übernimmt GTAT für 415 Mio. US-Dollar

Cree, STMicroelectronics, SiliconCarbide, Silicon Carbide

Siliziumkarbid-Wafer

Cree und STMicroelectronics erweitern Liefervereinbarung

Rohm Semiconductor

Rohm Semiconductor

Netzteile mit 1700-V-SiC-MOSFETs plus Regler einfach designen

Brückenlose Totem-Pole-PFC

SiC und GaN im direkten Vergleich

Yole Développement, Gallium Nitride

Analyse von Yole Développement

2026 knackt GaN die 1-Milliarde-Dollar-Marke

IGBT-Halbbrücken-Design

Die Leistungselektronik für E-Fahrzeuge vereinfachen

Vishay

1200-V-Ultrafast-Gen-5-Dioden von Vishay

Perfekter Mix aus Energieeffizienz und Robustheit

Infineon Technologies

Interview mit Dr. Peter Friedrichs

20 Jahre Siliziumkarbid bei Infineon

200-mm-SiC-Wafer

STMicroelectronics

Erste 200-mm-SiC-Wafer produziert

WAYON

WAYON

700-V-Superjunction-Mosfets

Nexperia, Newport Wafer Fab

Weitere Fertigungskapazitäten gesichert

Nexperia erwirbt Newport Wafer Fab

EBV Elektronik

Advertorial

Nach Si kommt SiC

Renault und STMicroelectronics

Strategische Leistungselektronik-Kooperation

APEC

Leistungselektronik

Produkt-Highlights der Virtual APEC 2021

Die Kooperation mit Arrival umfasst Prozessor-, Stromversorgungs- und Batteriemanagement-Produkte.

Spitzentechnologie für E-Fahrzeuge

STMicroelectronics kooperiert mit Arrival

STMicroelectronics, Tower Semiconductor, Agrate R3

300-mm-Waferfab Agrate R3

Tower Semiconductor zieht bei STMicroelectronics ein

Nexperia, Semiconductors

Standort Europa gestärkt

Nexperia investiert 700 Mio. US-Dollar vor allem in Europa

Investitionsprogramm

250 Milliarden für die US-Halbleiterindustrie

Rohm Semiconductor, GaN, Gallium Nitride

Rohm Semiconductor

150-V-GaN-Transistor mit 8 V Gate-Spannung

Infineon, Silicon Carbide

Liefersicherheit bei Siliziumkarbid

Infineon schließt Liefervertrag mit Showa Denko