Wirkungsgrad und Ökologie

Effizientere Leistungswandler dank SiC-Transistoren

8. November 2021, 12:23 Uhr | Von Francesco Saya, Marketing Development Engineer, und Rosario Attanasio, Application Engineering Manager, beide STMicroelectronics
STMicroelectronics
© STMicroelectronics

In vielen Leistungswandlungs-Anwendungen bringen AC/DC-Wandler-Topologien bei hohen Wirkungsgraden Restriktionen mit sich. Dieser Artikel zeigt, wie sich die Eigenschaften von SiC auf die Leistungsfähigkeit von SiC-Transistoren auswirken, und erläutert die Unterschiede zu Si-basierten IGBTs.

Diesen Artikel anhören

Fortsetzung des Artikels von Teil 1

Der SiC-Transistor in seinem Umfeld

STMicroelectronics
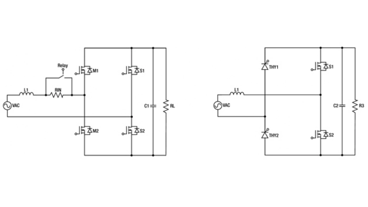
Bild 4: Brückenlose (links) und semi-brückenlose (rechts) Totem-Pole-PFC-Topologie mit Begrenzung des Einschaltstroms
© STMicroelectronics

Trotz all der soeben aufgeführten Vorteile beschränkte sich die Einsatz von SiC-Transistoren in der Vergangenheit aus Kostengründen auf ganz spezielle Anwendungen für anspruchsvolle industrielle Märkten (Stromversorgungen für Ölbohranlagen, militärische Systeme und Ähnliches). Wichtige Einflussfaktoren auf die Kosten waren die höheren Kosten und die geringere Verfügbarkeit von SiC-Substraten, die teureren Fertigungsprozesse für SiC und die geringeren Produktionsausbeuten (hauptsächlich infolge der höheren Defektdichten der Substrate).

In letzter Zeit haben Verbesserungen der Substratqualität dazu geführt, dass die Produktionsausbeute und die Zuverlässigkeit von SiC-Bauelementen signifikant gesteigert werden konnten. Zusammen mit der gestiegenen Verfügbarkeit von Substraten hat dies Verbesserungen des Wirkungsgrads und der Fertigungskosten dieser Transistoren bewirkt, was wiederum Anreize für die Verwendung dieser Bauelemente in Elektrofahrzeug-Systemen wie etwa Bordladegeräten und Traktionswechselrichtern geschaffen hat.

Da SiC-Transistoren ein effizienteres und höherfrequentes Schalten ermöglichen und deshalb die Verwendung kleinerer induktiver Bauelemente zulassen, treibt das WBG-Material die Verwendung von SiC in vielen Leistungswandlungs-Applikationen für den industriellen Markt voran, ganz abgesehen von den Vorstößen im Bereich der Automobil-Anwendungen.

SiC ist jedoch keineswegs für alle Anwendungen geeignet. Die Erfolge, die IGBTs in Systemen für erneuerbare Energie, USVs und Motorreglern verzeichnen, sind großenteils auf die niedrigen Leitungsverluste sowie darauf zurückzuführen, dass diese Anwendungen relativ geringe Schaltfrequenzen erfordern. IGBTs können zudem durch Ändern des Verhältnisses von VCE(SAT) und tfall in verschiedenen Familien angeboten werden, um wahlweise die Leitungsverluste oder die Schaltverluste zu optimieren.

Schaltet man mehrere IGBTs allerdings parallel, so ändert sich die Steigung der Ausgangskennlinie. Auf der einen Seite wird die Einschaltspannung niemals geringer sein als der Spannungs-Offset, der aus dem Knie in der IGBT-Kennlinie resultiert (etwa 0,8 V). Andererseits führt das Parallelschalten von n MOSFETs dazu, dass der RDS(on) eines einzelnen ­MOSFET durch n dividiert wird, was die geringstmöglichen Leitungsverluste ergibt.

In realen Anwendungen lässt sich diese Eigenschaft nutzen, ohne dass man unbedingt unter allen Bedingungen die geringstmöglichen Leitungsverluste erhält. Einige Motorregelungs-Anwendungen wie etwa Wechselrichter für Elektrofahrzeuge oder Kühlkompressoren arbeiten aber während des Großteils ihrer Lebensdauer nur mit einem Bruchteil (nämlich 20 bis 50 Prozent) ihrer Nennleistung, weshalb der Einsatz von SiC-Transistoren auch hier zu niedrigeren Verlusten und einem höheren Wirkungsgrad führt.

Totem-Pole- PFC-Schaltungen

Wie bereits erwähnt, können die Energieverluste vieler Leistungswandlungs-Anwendungen gravierende ökonomische und ökologische Konsequenzen haben. Eine effiziente Leistungsfaktor-Korrekturstufe (PFC) zwischen der eingangsseitigen Gleichrichterstufe (implementiert mit einer niederfrequent schaltenden Eingangsbrücke) und dem anschließenden Gleichspannungswandler kann zur Eindämmung dieser Verluste beitragen. Häufig aber müssen zum Erreichen des geforderten Wirkungsgrads die Verluste in allen drei Stufen der Stromversorgung minimiert werden. Brückenlose Topologien können hier helfen, indem sie die Verluste in der Eingangsstufe eliminieren und so daran mitwirken, den angestrebten Wirkungsgrad zu erreichen. So ist die brückenlose Totem-Pole-PFC-Topologie nur im lückenden Betrieb und damit hauptsächlich in Anwendungen mit geringer Leistung eingesetzt werden, weil die hohen Sperrerholströme der Body-Dioden in den MOSFETs zu großen Verlusten führen. SiC-Transistoren, die durch einen vernachlässigbar geringen Sperrerholstrom der internen Body-Diode gekennzeichnet sind, eröffnen jedoch ganz neue Perspektiven für diese Topologie. In Bild 4 sind die brückenlose Totem-Pole-PFC-Topologie (links) und die semi-brückenlose Totem-Pole-PFC-Topologie (rechts) zu sehen. Letztere nutzt zwei Thyristoren zur Begrenzung des Einschaltstroms. Damit wird die sonst übliche Schaltung ersetzt, in der dieselbe Funktion mit einem wenig effizienten Strombegrenzungs-Widerstand und einem Relais implementiert war.

In einer konventionellen PFC-Topologie kommen zwei Dioden-Spannungsabfälle in der Brückenschaltung und einer in der Hochsetzsteller-Stufe vor, während in der brückenlosen Totem-Pole-Topologie zwei widerstandsarme MOSFETs im niederfrequenten Zweig der Brücke ohne jegliche Spannungsabfälle arbeiten und damit den Wirkungsgrad verbessern. So minimiert die brückenlose Totem-Pole-PFC-Topologie nicht zuletzt auch die Verluste im leitenden Pfad. Wie in Bild 4 zu erkennen ist, besteht die Topologie aus zwei SiC-MOSFETs (S1 und S2), die mit einer hohen Schaltfrequenz von typisch 65 kHz bis 150 kHz schalten, sowie einem Paar niederohmiger MOSFETs (M1 und M2), die mit Netzfrequenz (47 bis 63 Hz) schalten. Damit besteht der leitende Pfad nur aus einem schnellen und einem langsamen Schalter.

STMicroelectronics
Tabelle 2. PFC-Verluste und Wirkungsgradberechnung für verschiedene Anwendungsfälle
© STMicroelectronics

Es ist möglich, die beiden Niederfrequenz-MOSFETs durch zwei Thyristoren zu ersetzen, was den Vorteil hat, dass der Einschaltstrom beim Anlaufen der Schaltung begrenzt wird. So kann auf das Relais und den strombegrenzenden Widerstand früherer Designs verzichtet werden. Dieser Ansatz zeichnet sich durch interessante Zuverlässigkeitsvorteile aus und senkt die Standby-Verluste gegenüber der traditionellen NTC/PTC-Schaltung zur Begrenzung des Einschaltstroms.
Im hochfrequenten Zweig sorgt die gegenüber Si-MOSFETs sehr geringe Sperrverzögerungs-Ladung der SiC-MOSFETs dafür, dass sich die brückenlose Totem-Pole-Topologie auch für Anwendungen hoher Leistung eignet. Mit
ihrem sehr hohen Wirkungsgrad und ihrer großen Leistungsdichte erfüllt sie die Anforderungen von unterbrechungsfreien Stromversor-gungen und Motorregelungs-Applikationen.

In Tabelle 2 ist der berechnete Wirkungsgrad einer semi-brückenlosen Totem-Pole-PFC-Schaltung wiedergegeben, die zwei Thyristoren und zwei SiC-MOSFETs enthält. In diesem Beispiel kommen Thyristoren des Typs TN5050H-12WY und SiC-MOSFETs vom Typ STCW90N65G2V zum Einsatz. Die SiC-FETs besitzen einen maximalen RDS(on) von 24 mΩ bei 25 °C und werden mit positiven und negativen Gate-Spannungen (+20 V, –4 V) angesteuert. Hierfür kommt ein galvanisch isolierter, zweikanaliger Habbrücken-Gate-Treiber des Typs STGAP2D zum Einsatz, der sowohl als Stromquelle als auch als Stromsenke bis zu 4 A verkraftet. Erstellt wurde die Tabelle für unterschiedliche Eingangsspannungen und Leistungen, basierend auf einer Gleichspannung von 400 V und einer Schaltfrequenz von 100 kHz.
Die Analyse beruht auf den folgenden Annahmen:

  • Die Verluste in den Induktivitäten und Kondensatoren bleiben unberücksichtigt.
  • Es wird eine Sperrschichttemperatur von 125 °C angenommen.
  • Jeder Schalter leitet während der einen Netzhalbwelle einen Vorwärts- und während der anderen Halbwelle einen Rückwärtsstrom (Synchrongleichrichter und Body-Diode).

Wie man sieht, lässt sich dank der SiC-Technologie auch bei niedrigen Eingangsspannungen ein hoher Wirkungsgrad erzielen. Bei höheren Eingangsspannungen und Leistungen ist der Wirkungsgrad sogar höher als erwartet.


  1. Effizientere Leistungswandler dank SiC-Transistoren
  2. Der SiC-Transistor in seinem Umfeld
  3. Wechselrichter als zweites Beispiel


Lesen Sie mehr zum Thema


Das könnte Sie auch interessieren

DC/DC-Abwärtswandler STPD01

STMicroelectronics

Programmierbarer DC/DC-Abwärtswandler für USB PD

Soitec

Soitec und A*STAR

Prozess für neue SiC-MOSFET-Generationen

STMicroelectronics

SPC5-Studio IDE

Professionelle Entwicklungsumgebung

Dr. Gerald Paul, Vishay

Dr. Gerald Paul, Vishay

»Wir bauen ein 300-mm-MOSFET-Werk in Itzehoe«

Engelbert Hopf.jpg

Kommentar

Mit Esprit und Neugier zur Weltklimaneutralität

Nexperia, Silicon Carbide, SiC, SiliconCarbide, Diode

Siliziumkarbid-Dioden

Nexperia startet ins SiC-Zeitalter

Navitas Semiconductor, GaNFast, GaNSense, Gallium Nitride, GalliumNitride

Navitas Semiconductor

Neue Generation von GaN-Power-ICs mit GaNSense-Technologie

EDOYO/stock.adobe.com

Leistungshalbleiter

SiC-Bedarf explodiert

UnitedSiC, Qorvo, Acquisition

Übernahme im Bereich Siliziumkarbid

Qorvo übernimmt UnitedSiC

Power Integrations

GaN-Chipsatz

Kompakte Sperrwandler mit hohem Wirkungsgrad

Bilder: Mitsubishi Electric

Energieeinsparung im Schienenverkehr

SiC-Halbleitermodule für Bahnanwendungen

Littelfuse

Die Applikation steht im Fokus!

SiC oder nicht SiC – das ist hier die Frage!

STMicroelectronics

Platzbedarf und Verluste reduzieren

Ehrgeizige Pläne für die GaN-Produktfamilie

Rohm Semiconductor

Rohm plant hohe Investitionen

Umweltschonende Power-Komponenten im Fokus

Infineon Technologies

Wide Bandgap für die 5G-Infrastruktur

650-V-CoolSiC in modernen Telekommunikations-SMPS

Infineon Technologies

Schnelles Tanken an der Stromtankstelle

Schnelles Laden von Elektrofahrzeugen durch CoolSiC

Infineon Technologies

Interview mit Dr. Peter Friedrichs

Infineon will Siliziumkarbid-MOSFETs raus aus der Nische bringen

Pixabay

Marktanalyse von TrendForce

Navitas stößt Power Integrations vom GaN-Thron

Wolfgang Weber, ZVEI

ZVEI fordert sechs neue Halbleiter-Fabs

Markt für Leistungshalbleiter verdreifacht sich bis 2030

Rohm, SiC, SiliconCarbide, Silicon Carbide

Siliziumkarbid-MOSFETs

Die neue Generation kann mehr

china 8,5

Neuer Fünfjahresplan

China fördert lokale Wertschöpfungskette bei Siliziumkarbid

Infineon, Villach, Sabine Herlitschka, Reinhard Ploss, Jochen Hanebeck

Massive Kapazitätserweiterung

Infineon eröffnet 300-mm-Fab in Villach

Fertigungsdienstleistungen für SiC-Halbleiter auf 6-Zoll-Wafern an

Applied Materials / Siliziumkarbid

Umstieg auf 200-mm-SiC-Wafer beschleunigen

GaN Systems

Galliumnitrid / Elektromobilität

BMW sichert sich Fertigungskapazitäten bei GaN Systems

Sved Oliver/stock.adobe.com

Leistungshalbleiter + Stromversorgungen

Keine Chance den Fake-Produkten!

Geely, Rohm, SiC, SiliconCarbide, Silicon Carbide

Fokus auf SiC-Leistungshalbleiter

Rohm und Geely erweitern strategische Partnerschaft

Infineon, Panasonic, Gallium Nitride, GaN

Infineon und Panasonic

Zweite GaN-Generation kommt 2023

Fraunhofer IMWS Leistungselektronik

Leistungselektronik in Windkraftanlagen

Komponenten offshore-tauglich machen

Infineon Siliziumkarbid SiC

Erweiterte Siliziumkarbid-Kapazitäten

onsemi übernimmt GTAT für 415 Mio. US-Dollar

Cree, STMicroelectronics, SiliconCarbide, Silicon Carbide

Siliziumkarbid-Wafer

Cree und STMicroelectronics erweitern Liefervereinbarung

Rohm Semiconductor

Rohm Semiconductor

Netzteile mit 1700-V-SiC-MOSFETs plus Regler einfach designen

Brückenlose Totem-Pole-PFC

SiC und GaN im direkten Vergleich

Yole Développement, Gallium Nitride

Analyse von Yole Développement

2026 knackt GaN die 1-Milliarde-Dollar-Marke

IGBT-Halbbrücken-Design

Die Leistungselektronik für E-Fahrzeuge vereinfachen

Vishay

1200-V-Ultrafast-Gen-5-Dioden von Vishay

Perfekter Mix aus Energieeffizienz und Robustheit

Infineon Technologies

Interview mit Dr. Peter Friedrichs

20 Jahre Siliziumkarbid bei Infineon

200-mm-SiC-Wafer

STMicroelectronics

Erste 200-mm-SiC-Wafer produziert

WAYON

WAYON

700-V-Superjunction-Mosfets

Nexperia, Newport Wafer Fab

Weitere Fertigungskapazitäten gesichert

Nexperia erwirbt Newport Wafer Fab

EBV Elektronik

Advertorial

Nach Si kommt SiC

Renault und STMicroelectronics

Strategische Leistungselektronik-Kooperation

APEC

Leistungselektronik

Produkt-Highlights der Virtual APEC 2021

Die Kooperation mit Arrival umfasst Prozessor-, Stromversorgungs- und Batteriemanagement-Produkte.

Spitzentechnologie für E-Fahrzeuge

STMicroelectronics kooperiert mit Arrival

STMicroelectronics, Tower Semiconductor, Agrate R3

300-mm-Waferfab Agrate R3

Tower Semiconductor zieht bei STMicroelectronics ein

Nexperia, Semiconductors

Standort Europa gestärkt

Nexperia investiert 700 Mio. US-Dollar vor allem in Europa

Investitionsprogramm

250 Milliarden für die US-Halbleiterindustrie

Rohm Semiconductor, GaN, Gallium Nitride

Rohm Semiconductor

150-V-GaN-Transistor mit 8 V Gate-Spannung

Infineon, Silicon Carbide

Liefersicherheit bei Siliziumkarbid

Infineon schließt Liefervertrag mit Showa Denko