Brückenlose Totem-Pole-PFC

SiC und GaN im direkten Vergleich

12. August 2021, 15:30 Uhr | David Woodcock, Future Electronics, Ralf Higgelke
©

Die brückenlose Totem-Pole-PFC gilt als eine wichtige Anwendung für Wide-Bandgap-Leistungsschalter. Dieser Beitrag fasst eine Versuchsreihe zusammen, bei der verschiedene Wide-Bandgap-Schalter für diese Topologie getestet wurden.

Diesen Artikel anhören

Leistungsschalter, die auf einem Halbleitermaterial mit großer Bandlücke (Wide Bandgap, WBG) wie etwa Galliumnitrid (GaN) oder Siliziumkarbid (SiC) basiert, verbreiten sich immer mehr. Doch ungeachtet ihrer vielen Vorteile wird in realen Implementierungen deutlich, dass sich die Gehäuse der Bausteine, die Auswahl der Treiber und das Leiterplatten-Layout stark auf die Leistungsfähigkeit von WBG-Halbleitern auswirken, wenn es hohe Spannungen zu schalten gilt.

Das Power-System Design Team im Centre of Excellence (CoE) von Future Electronics hat verschiedene aktive Halbbrücken-Konfigurationen mit GaN-HEMTs und SiC-MOSFETs in der brückenlosen Totem-Pole-PFC-Topologie (Power Factor Correction) getestet und miteinander verglichen. Der vorliegende Artikel berichtet über diese Studien und gibt Empfehlungen für den Einsatz von WBG-Leistungshalbleitern in Lösungen zum Schalten hoher Spannungen.

GaNdalf als Evaluierungsplattform

GaNdalf, eine Evaluierungsplattform für brückenlose Totem-Pole-PFC-Schaltungen
Bild 1. GaNdalf, eine Evaluierungsplattform für brückenlose Totem-Pole-PFC-Schaltungen.
© Future Electronics

Die Evaluierungen des Centre of Excellence erfolgten auf der GaNdalf-Plattform, einem modularen Entwicklungsboard mit einer brückenlosen Totem-Pole-PFC-Schaltung, die aus einem Universal-Netzspannungseingang eine Gleichspannung von 400 V am Ausgang liefert (Bild 1). Das GaNdalf-Board ist mit einem Steckplatz ausgestattet, um mehrere Halbbrücken-Steckkarten, die jeweils entweder mit GaN-HEMTs oder SiC-MOSFETs mit isolierten Treibern sowie isolierten DC/DC-Stromversorgungen bestückt sind, miteinander einfach vergleichen zu können.

GaNdalf II: CoolGaN-Based Digital Power Factor Correction Development System

David Woodcock, Future Electronics, stellt das GaNdalf II vor, ein Entwicklungssystem, mit dem man GaN-basierte Totem-Pole-PFC-Stufen testen kann.
GaN-HEMT-Halbbrücken-Karte mit GaN-Schaltern von Panasonic
Bild 2. GaN-HEMT-Halbbrücken-Karte mit GaN-Schaltern von Panasonic.
© Future Electronics

Als Referenz für den Vergleich der verschiedenen Schalterkonfigurationen diente eine Halbbrücken-Karte mit GaN-Schaltern des Typs PGA26E06BA von Panasonic, ergänzt durch schnelle Optokoppler (zu Isolationszwecken) sowie schnelle GaN-Treiber des Typs Panasonic AN34092B (Bild 2). Dieses System brachte es bei einer Ausgangsleistung bis zu 1 kW auf einen Wirkungsgrad von 99 Prozent.

Durch Implementieren neuer Halbbrücken-Karten konnte das Centre of Excellence die Möglichkeiten ausloten, wie sich mehr Leistung und bessere thermische Eigenschaften erzielen und die Kosten für die Treiberschaltung reduzieren lassen.

Ansicht der für den Betrieb in einer brückenlosen Totem-Pole-PFC- Topologie evaluierten Halbbrücken-Karten
Bild 3. Ansicht der für den Betrieb in einer brückenlosen Totem-Pole-PFC- Topologie evaluierten Halbbrücken-Karten.
© Future Electronics

Außerdem erkannte das Centre of Excellence die Möglichkeit, die potenziellen Vorteile von SiC-MOSFETs mit Nennspannungen von 600 V bis 700 V mit drei oder vier Anschlüssen in bedrahteten TO-247-Gehäusen zu evaluieren, weil sie besser Wärme ableiten können. In Bild 3 sind sämtliche SiC- und GaN-basierten Halbbrücken-Karten zu sehen, die vom CoE auf der GaNdalf-Plattform evaluiert wurden.

Wärmemanagement bei GaN-Schaltern

Frühe Versionen der Halbbrücken-Karte waren mit GaN-Bauelementen von Infineon, Panasonic und Exagan bestückt, deren Einschaltwiderstände zwischen 30 mΩ und 190 mΩ liegen. Diese Bauelemente werden in von der Unterseite gekühlten, oberflächenmontierbaren Gehäusen angeboten, deren Thermal Pads eine Größe zwischen 60 mm² und 80 mm² haben.

Der Querschnitt durch die Leiterplatte, auf der die unterseitig gekühlten GaN-HEMTs montiert sind
Bild 4. Der Querschnitt durch die Leiterplatte, auf der die unterseitig gekühlten GaN-HEMTs montiert sind.
© Future Electronics

Der Lagenaufbau der Leiterplatte geht aus Bild 4 hervor. Ein an der Rückseite der Leiterplatte angebrachter Kühlkörper mit einem thermischen Widerstand von 4 K/W ist galvanisch mit dem Ausgangspotenzial der PFC-Stufe verbunden. Die thermische Kontaktfläche vom Kühlkörper über das isolierende Wärmeableit-Pad zur unteren Leiterplattenlage hatte eine Größe von typisch 300 mm².

Wegen ihrer hohen Schaltgeschwindigkeit können GaN-HEMTs beträchtliche Gleichtaktstörungen verursachen. Tatsächlich beträgt die Anstiegsgeschwindigkeit der Spannung (du/dt) häufig mehr als 100 V/ns. Um die Gleichtaktstörungen zu begrenzen, ist die kapazitive Kopplung zwischen dem schnell schaltenden Mittelknoten der Halbbrücke und den übrigen Knoten (sowie letztendlich dem Massepotenzial) zu minimieren. Dies jedoch steht in Konflikt mit den Maßnahmen für ein optimales Wärmemanagement, denn der Wärmeableitweg des oberen GaN-HEMTs (sein Source-Anschluss) ist gleichzeitig der schnell schaltende Knoten der Halbbrücke. Auch wenn man die kapazitive Kopplung auf der Leiterplatte in den Griff bekommt, ist eine gewisse kapazitive Kopplung zum Kühlkörper unvermeidlich.

Dieser Konflikt zwischen den elektrischen und den thermischen Aspekten der Anordnung der GaN-Schalter trat auch bei diesen Halbbrücken-Karten zutage: Ein hohes Maß an Gleichtaktstörungen stand einer korrekten Funktion der Karte im Weg, obwohl sich die verwendeten Gate-Treiber durch einen hohen CMTI-Wert (Common-Mode Transient Immunity) von über 100 V/ns auszeichneten.

Die Arbeitshypothese des CoE lautete, dass die Ursache des Problems in der kapazitiven Kopplung zum Kühlkörper lag, die mit etwa 20 pF berechnet wurde. Indem man die Kontaktfläche zum Kühlkörper von 300 mm² auf 100 mm² verkleinerte, ließ sich die Koppelkapazität auf weniger als 10 pF verringern, was die Gleichtaktstörungen so weit verbesserte, dass eine einwandfreie Funktion wiederhergestellt war. Natürlich ging das Verkleinern der Kotaktfläche am schnell schaltenden Knoten zu Lasten der thermischen Eigenschaften, sodass sich die maximale Ausgangsleistung reduzierte.

Funktionsweise der brückenlosen Totem-Pole-PFC-Topologie

Die brückenlose Totem-Pole-PFC-Topologie (Power Factor Correction) ist eine Boot-PFC-Schaltung, die mit nur vier aktiven Schaltern, einer einzigen Induktivität und einem Ausgangskondensator einen hohen Wirkungsgrad ermöglicht. Während zwei der Schalter mit hoher Frequenz schalten, arbeiten die anderen mit der Netzfrequenz, um die Synchrongleichrichtung zu ermöglichen.

Im nichtlückenden Betrieb (Continuous Conduction Mode, CCM) werden die Transistoren einer hohen Spannung ausgesetzt. Silizium-MOSFETs eignen sich dafür nicht, da bei ihnen in einem solchen Betriebsfall hohe Schaltverluste auftreten. Neue Transistoren mit Wide-Bandgap-Werkstoffen wie etwa Galliumnitrid (GaN) oder Siliziumkarbid (SiC) können die Schaltverluste in einem solchen Betriebsfall deutlich senken und machen damit die praktische Implementierung dieser Art von PFC-Schaltung möglich.

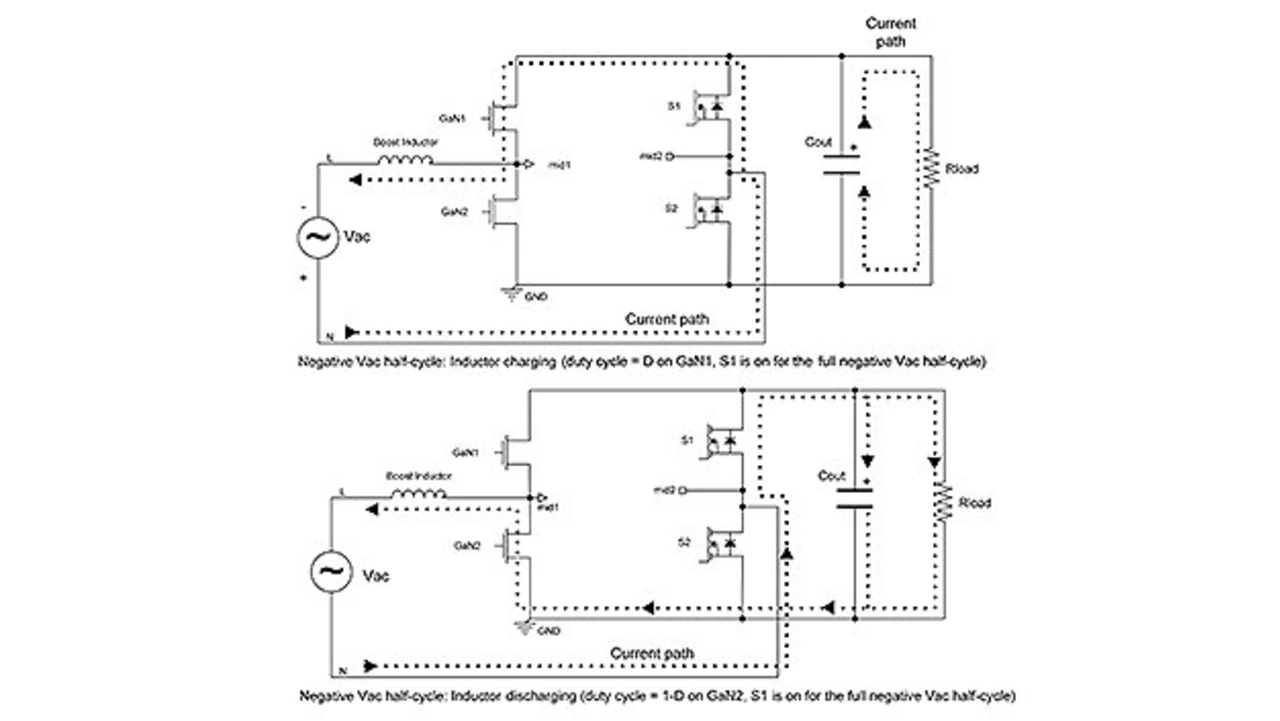
Funktionsweise der brückenlosen Totem-Pole-PFC-Topologie während der negativen Halbwelle der Netzwechselspannung
Funktionsweise der brückenlosen Totem-Pole-PFC-Topologie während der negativen Halbwelle der Netzwechselspannung.  
© Future Electronics
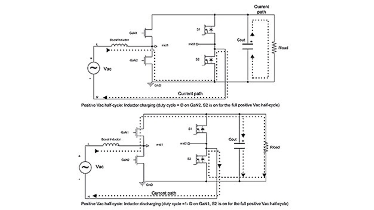
Funktionsweise der brückenlosen Totem-Pole-PFC-Topologie während der positiven Halbwelle der Netzwechselspannung.
Funktionsweise der brückenlosen Totem-Pole-PFC-Topologie während der positiven Halbwelle der Netzwechselspannung.
© Future Electronics

Die grundlegende Funktionsweise dieser Topologie geht aus den Bildern hervor. Dargestellt ist jeweils, welchen Weg der Strom durch die Schaltung während der positiven bzw. der negativen Halbwelle der Netzspannung nimmt. Bei GaN1 und GaN2 handelt es sich um die beiden mit der PWM- Frequenz (nominell 70 kHz) arbeitenden GaN-FETs, während S1 und S2 die beiden Silizium-MOSFETs zur synchronen Gleichrichtung der Netzspannung sind. Diese schalten mit der Netzfrequenz von 50 Hz.

Während der positiven Halbwelle ist GaN2 der aktive Schalter, der mit einem Tastverhältnis D (die durch die Last und die momentane Höhe der Netzspannung bestimmt wird) für einen ansteigenden Strom durch die Boost-Induktivität sorgt. GaN1 ist der Synchronschalter, der mit dem Tastverhältnis 1–D einen Stromfluss von der Boost-Induktivität zum Ausgangskondensator ermöglicht. S2 ist während der positiven Halbwelle der Netzwechselspannung eingeschaltet, S1 dagegen ist ausgeschaltet.

Umgekehrt ist während der negativen Halbwelle der Netzwechselspannung GaN1 der aktive Schalter mit dem Tastverhältnis D, GaN2 dagegen der Synchronschalter mit dem Tastverhältnis 1–D. S1 ist während der negativen Halbwelle der Netzwechselspannung eingeschaltet, S2 dagegen ausgeschaltet.


  1. SiC und GaN im direkten Vergleich
  2. Höhere Leistung dank Top-Side-Cooling


Lesen Sie mehr zum Thema


Das könnte Sie auch interessieren

Die Ausgangsleistung über 75 W ist bei Netzteilen eine Leistungsfaktorkorrektur (PFC) vorgeschrieben. Die neuen Wide-Bandgap-Halbleiter Siliziumkarbid u. Galliumnitrid machen eine Totem-Pole-PFC möglich

Totem-Pole-PFC-Schaltungen

Implementierung vereinfachen

Efficient Power Conversion, eGaN

Galliumnitrid-Transistoren

EPC präsentiert sechste eGaN-Generation

Rohm Semiconductors

Design-in-Unterstützung für SiC-MOSFETs

Entwicklungskit für Totem-Pole-PFC-Anwendungen

Monolithic Power Systems

Vergleich verschiedener PFC-Topologien

Bringt Totem Pole wirklich was?

Chargers

USB-C-Ladegerät für 240 W

Multidimensional optimiert

Future Electronics, Würth Elektronik

Galliumnitrid

Integrierte GaN-Gate-Treiber im Vergleich

onsemi, totem-pole PFC, NCP1681

APEC 2022/onsemi

Totem-Pole-PFC-Controller für den Kilowattbereich

Toyoda Gosei, Gallium Nitride, galliumnitride, GaN

Toyoda Gosei / Galliumnitrid

GaN-Substrate mit über 150 mm Durchmesser

Um den Wirkungsgrad zu bestimmen und das Wärmemanagement zu dimensionieren, ist es wichtig, die Verlustleistung zu kennen. Über die kalorimetrische Methode lassen sich die verschiedenen Extraktionsmethoden vergleichen

Schaltenergien bestimmen

Kalorimetrie bei SiC-MOSFETs nutzen

Future Electronics

Wide-Bandgap-Leistungshalbleiter

SiC und GaN richtig ansteuern

Applied Novel Devices, MOSFET, Semiconductors

Applied Novel Devices

Silizium-MOSFETs mit GaN-Performance

Navitas, GaNFast, Gallium Nitride

Navitas Semiconductor

GaNFast-ICs nun auch für bis zu 20 kW

STMicroelectronics, PowerGaN, STPower, GaN, Gallium Nitride

Galliumnitrid (GaN)

STMicroelectronics präsentiert erste PowerGaN-Produkte

Infineon Technologies, EiceDRIVER, CoolGaN, 1EDN71x6G

Gate-Treiber von Infineon

EiceDRIVER speziell für GaN-HEMTs mit Schottky-Gate

Power Integrations, USB-PD Charger

Power Integrations

Referenzdesign für ultrakompaktes 100-W-USB-Ladegerät

Nexperia, Silicon Carbide, SiC, SiliconCarbide, Diode

Siliziumkarbid-Dioden

Nexperia startet ins SiC-Zeitalter

STMicroelectronics

Wirkungsgrad und Ökologie

Effizientere Leistungswandler dank SiC-Transistoren

Navitas Semiconductor, GaNFast, GaNSense, Gallium Nitride, GalliumNitride

Navitas Semiconductor

Neue Generation von GaN-Power-ICs mit GaNSense-Technologie

EDOYO/stock.adobe.com

Leistungshalbleiter

SiC-Bedarf explodiert

Engelbert Hopf.jpg

Kommentar

Da ist was in Bewegung!

Power Integrations

GaN-Chipsatz

Kompakte Sperrwandler mit hohem Wirkungsgrad

Bilder: Mitsubishi Electric

Energieeinsparung im Schienenverkehr

SiC-Halbleitermodule für Bahnanwendungen

Littelfuse

Die Applikation steht im Fokus!

SiC oder nicht SiC – das ist hier die Frage!

Leistungsanalysator der neuen Generation

Leistungsmessung von DC bis 5 MHz

EA Elektro-Automatik

Klimaneutrale Energieerzeugung

Brennstoffzellen effizient und vereinfacht testen

imec, GaN, Gallium Nitride

GaN-IC-Designwettbewerb des imec

Deutsche Hochschulen räumen ab

STMicroelectronics

Platzbedarf und Verluste reduzieren

Ehrgeizige Pläne für die GaN-Produktfamilie

Infineon Technologies

Wide Bandgap für die 5G-Infrastruktur

650-V-CoolSiC in modernen Telekommunikations-SMPS

Infineon Technologies

Schnelles Tanken an der Stromtankstelle

Schnelles Laden von Elektrofahrzeugen durch CoolSiC

Infineon Technologies

Interview mit Dr. Peter Friedrichs

Infineon will Siliziumkarbid-MOSFETs raus aus der Nische bringen

8-Bit-MCUs sollte man nicht unterschätzen

8-Bit-MCUs

Sie spielen eine Schlüsselrolle im IoT

Symbolbild für eine Lieferkette - zu sehen ist ein Ausschnitt der Weltkarte.

Probleme der Lieferkette

»30 Wochen für einen MOSFET sind ein Glücksfall!«

Rohm, SiC, SiliconCarbide, Silicon Carbide

Siliziumkarbid-MOSFETs

Die neue Generation kann mehr

TDK-Lambda

Stromversorgungsbranche

Krise als neue Normalität

Fertigungsdienstleistungen für SiC-Halbleiter auf 6-Zoll-Wafern an

Applied Materials / Siliziumkarbid

Umstieg auf 200-mm-SiC-Wafer beschleunigen

Sved Oliver/stock.adobe.com

Leistungshalbleiter + Stromversorgungen

Keine Chance den Fake-Produkten!

Evaluierungs-Board eines CIP-basierten synchronen Buck-Wandlers.

Stromversorgungs-Design

Hybrid: Wenn Analog mit Digital spricht

WEKA Fachmedien, Infineon, Nexperia, Cree

5. Anwenderforum Leistungshalbleiter

Tipps und Tricks für den richtigen Einsatz

Infineon, Panasonic, Gallium Nitride, GaN

Infineon und Panasonic

Zweite GaN-Generation kommt 2023

aw

Hitex

»Preferred Design House« für Traveo-MCUs

STM32U585

Mikrocontroller

PSA-Certified-Level-3- und SESIP3-zertifiziert

Rohm Semiconductor

Rohm Semiconductor

Netzteile mit 1700-V-SiC-MOSFETs plus Regler einfach designen

Yole Développement, Gallium Nitride

Analyse von Yole Développement

2026 knackt GaN die 1-Milliarde-Dollar-Marke

Leo Lorenz, ECPE, Siilicon Carbide, Gallium Nitride

ECPE SiC & GaN User Forum 2021

Verdrängen SiC und GaN die Silizium-Leistungshalbleiter?

Nexperia, Semiconductors, Achim Kempe

Verstärkte Anstrengungen im GaN-Bereich

»Wingtech bringt Nexperia auf ein neues Level«

GaN Systems, Jim Witham, Gallium Nitride, Galliumnitride

GaN Systems

GaN-Transistoren durchbrechen 1-Dollar-Schallmauer

EPC, GaN, GalliumNitride, Renesas

EPC und Renesas / Demoboard

GaN so einfach einsetzen wie Silizium

Keysight, Transphorm, GaN, GalliumNitride, Gallium Nitride

Keysight und Transphorm

Referenzdesign für GaN-basierte Totem-Pole-PFC-Stufe

Navitas Semiconductor, GaNFast, GalliumNitride, Gallium Nitride

Navitas Semiconductor / Galliumnitrid

Neues GaNFast-IC für bis zu 500 W

Transphorm, SuperGaN, GalliumNitride

Transphorm / Galliumnitrid

SuperGaN-FETs sind besser als SiC-MOSFETs

Reliability, Gallium Nitride, GaN, Transphorm, MTBF, Bathtub Curve

Galliumnitrid / Transphorm

Ist GaN wirklich zuverlässig?