Schnelles Tanken an der Stromtankstelle

Schnelles Laden von Elektrofahrzeugen durch CoolSiC

19. Oktober 2021, 13:28 Uhr | Von Pradip Chatterjee, Application Engineer bei Infineon Technologies
Infineon Technologies
Blockschaltbild eines EV-Schnellladegeräts
© Infineon Technologies

Für effiziente und leistungsfähige Ladesäulen ist SiC die entscheidende Halbleiterschaltertechnologie. Zusätzlich ist die Forderung nach einer bidirektionalen Leistungswandlung ein entscheidender Faktor. Darum sind insbesondere CoolSiC-Produkte für die Umsetzung geeignet.

Diesen Artikel anhören

Der Markt für Elektrofahrzeuge (Electric Vehicle; EV) wird weiterhin wachsen, und es sind bereits umfangreiche Investitionen in neue Fahrzeugmodelle und Infrastruktur geplant. Diese Entwicklung wird angetrieben durch die dringend notwendige Reduzierung der CO2-Emissionen. Zusätzlich gibt es weltweit Regierungsinitiativen, die die Fahrzeughersteller dazu bringen sollen, ihre Flotten zu elektrifizieren. Infolgedessen wird erwartet, dass ab 2030 mehr als 50 Prozent der Fahrzeuge auf den Straßen mit einem batteriebetriebenen Antrieb ausgestattet sein werden.

Eine wichtige Voraussetzung dafür ist jedoch die Verfügbarkeit von Ladestationen. Beim Laden soll der Zeitaufwand künftig mit dem einer herkömmlichen Betankung vergleichbar sein. Darum wird neben dem langsamen Aufladen zu Hause auch an Ladezeiten von weniger als zehn Minuten gearbeitet, beispielsweise für den Einsatz an Autobahnraststätten. Derartige Ladekonzepte sind jedoch nur mit einem hocheffizienten, modularen Design möglich, das sowohl für Konfigurationen mit mehreren Anschlüssen als auch für solche mit hoher Leistung geeignet ist.

Infineon Technologies
Eine dreiphasige, bidirektionale AC-Gleichrichter/PFC-Korrekturstufe
© Infineon Technologies

Wahl der optimalen Ladetechnik

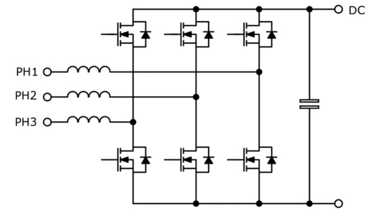
Ein EV-Ladesystem mit einer Nennleistung zwischen 30 kW und 150 kW basiert in der Regel auf einer zweistufigen Architektur. Sie umfasst eine AC-DC-Umrichterstufe auf der Netzseite und eine isolierende Hochfrequenz-DC-DC-Umrichterstufe auf der Batterieseite. Dabei werden Subeinheiten zwischen 30 kW und 50 kW kombiniert, die zusammen bis zu 350 kW oder noch mehr Leistung liefern. Für eine Ladesäule ist ein höherer Wirkungsgrad über den gesamten Batterieladezyklus entscheidend, gefolgt von der Leistungsdichte, wodurch hohe Ladeleistungen auf kleinstem Raum bereitgestellt werden können.

Nach einem EMV-Filter (elektromagnetische Verträglichkeit) folgt ein AC-DC-System, das Wechselspannung in Gleichspannung umwandelt und in der Regel über einen gesteuerten Gleichrichter verfügt. Für diese Stufe werden entweder eine 2-stufige Active-Front-End- (AFE) oder die 3-stufige Vienna-Rectifier-Topologie bevorzugt. Beide Schaltungen gewähr­leisten eine stabile Zwischenkreisspannung zwischen 800 V und 900 V. Insbesondere der Vienna-Rectifier-Gleichrichter wird wegen seines höheren Wirkungsgrads und seiner geringeren EMV-Signatur häufig eingesetzt. Normalerweise ist er unidirektional und ermöglicht den Einsatz von 600-V-Leistungshalbleitern. Durch Bauteile wie den 1200-V-CoolSiC wird das aktive Front End mit einer 2-Level-Topologie zur Leistungsfaktorkorrektur immer beliebter. Besonders interessant ist dabei die Fähigkeit, bidirektional zu arbeiten.

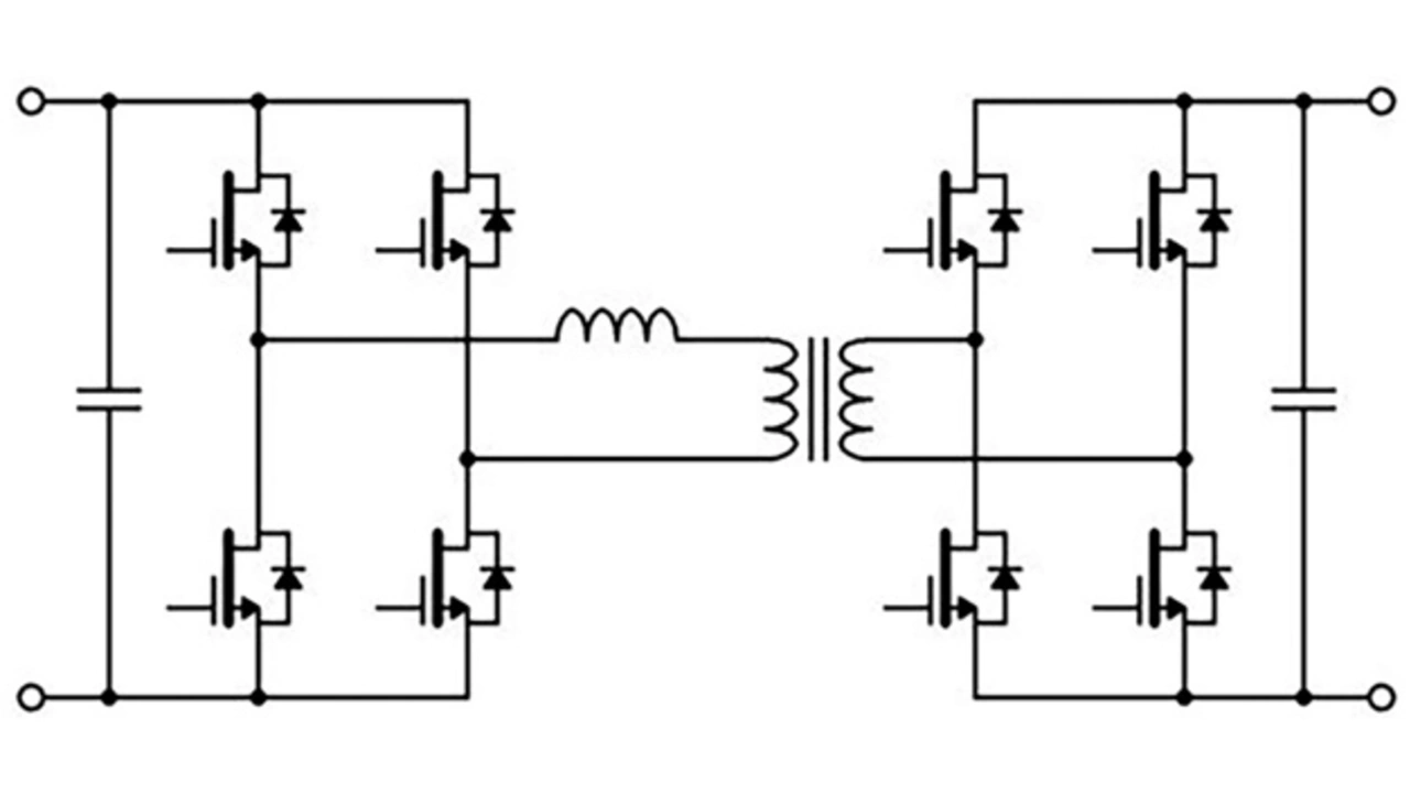
Die DC/DC-Umrichterstufe bietet eine Isolierung. Außerdem gibt es eine Auswahl an Topologien, die den bidirektionalen Betrieb sowie entlastetes Schalten zur Steigerung der Effizienz ermöglichen. In dieser Umrichterstufe ist die Resonanz-LLC- oder CLLC-Umwandlungstopologie mit einer einzelnen Brücke (1200-V-SiC) oder mit kaskadierten Brücken (600 V) weitverbreitet. Allerdings ist es schwierig, die Anforderungen an die Ausgangsspannung durch die Frequenzmodulationssteuerung zu erfüllen – typischerweise liegen diese zwischen 200 und 929 V. Eine gängige Lösung für derartig hohe Leistungen ist die ebenfalls im Bild dargestellte Dual Active Bridge (DAB), also ein PWM-Umrichter mit fester Frequenz, der für einen breiten Lastbereich mit entlastetem Schalten designt werden kann.

Infineon Technologies
Der bidirektionale DC/DC-Umrichter mit zwei aktiven Brücken
© Infineon Technologies

Optionen für Halbleiterschalter

SiC hat gegenüber Silizium einige Vorteile, die sich aus den spezifischen Materialeigenschaften ergeben. So bietet die SiC-Technologie nicht nur eine hohe Elektronenbeweglichkeit, sondern verfügt im Vergleich zu Silizium auch über eine hohe kritische Durchbruchspannung, sodass kleinere Chips mit kürzerer Kanallänge hergestellt werden können. Infolgedessen ergibt sich bei einer bestimmten Nennspannung ein geringerer Durchlasswiderstand. Außerdem reduziere sich durch die kleinere Chipgröße auch die Kapazitäten des Bauteils. Da die Kapazitäten bei jedem Zyklus geladen und entladen werden müssen, verringern sich dadurch die Schaltverluste.

SiC-MOSFET-Body-Dioden haben eine weitaus geringere Abschaltenergie als Si-Dioden und können daher in hart geschalteten Topologien mit geringen dynamischen Verlusten eingesetzt werden. So hat die SiC-MOSFET-Body-Diode zwar eine höhere Durchlass­spannung als ein gleichwertiges Silizium-Gegenstück, aber das hat nur Auswirkungen auf die Verluste, wenn die Diode während der Totzeit leitet, bevor der Kanal des SiC-MOSFET die Stromführung übernimmt und damit eine Synchrongleichrichtung realisiert wird. Typische moderne Umrichter-Steuerungen sind jedoch in der Lage, diese Totzeit aktiv zu minimieren, um die Verluste gering zu halten.

Infineon Technologies
FOMs für Si- und SiC-MOSFETs für verschiedene Topologien
© Infineon Technologies

Beim Vergleich der verschiedenen SiC-Bauteile für das Design von Umrichtern sind die Leistungskennzahlen (Figure of Merits, FOM) die wichtigsten Leistungsparameter. Sie sollten darum auf die verwendete Topologie und die Betriebsbedingungen abgestimmt werden. Verschiedene Interpretationen der FOM und deren Berechnung sind erforderlich, um für unterschiedliche Topologien die beste Leistung aus den SiC-Bauteilen herauszuholen. Dabei gilt:

  • R subscript D S left parenthesis o n right parenthesis end subscript space times space Q subscript O S S end subscript ist das Produkt aus Einschaltwiderstand und Ladung der Ausgangskapazität. Ein niedriger Wert weist auf eine bessere Kombination aus Leitverlusten und schneller Entladung der Energie in der Ausgangskapazität hin. Auf diese Weise wird der Betrieb bei hohen Frequenzen mit kurzer Totzeit ermöglicht. Der Wert ist besonders bei Resonanzwandlern wichtig, um die Kontrolle zu behalten und die Effizienz bei hohen Frequenzen zu maximieren.
     
  • R subscript D S left parenthesis o n right parenthesis end subscript   times   Q subscript R R end subscript ist das Produkt aus Durchlasswiderstand und Sperrverzögerungsladung der Body-Diode. Der Wert zeigt den Trade-off zwischen Leit- und Body-Dioden-Sperrverzögerungsverlusten, den ein Bauteil erreicht. Dies wirkt sich auf den Gesamtverlust in hart geschalteten Umrichtern aus, die üblicherweise in PFC-Stufen verwendet werden.
     
  • R subscript D S left parenthesis o n right parenthesis end subscript space times space Q subscript g ist das Produkt aus Einschaltwiderstand und Gate-Ladung, ein FOM, der für die Effizienz im Teillastbetrieb wichtig ist. Die Gate-Treiber-Ansteuerungsverluste steigen dabei proportional mit der  Frequenz und dem Gate-Spannungshub.

Lesen Sie mehr zum Thema


Das könnte Sie auch interessieren

IdW Bernhard Erdl

Umsatz von Puls steigt und steigt

»Wir sind inzwischen im Modus der Warenzuteilung«

STMicroelectronics

Wirkungsgrad und Ökologie

Effizientere Leistungswandler dank SiC-Transistoren

FiRA Consortium

Infineon Technologies

Aktives Mitglied beim FiRA Consortium

EDOYO/stock.adobe.com

Leistungshalbleiter

SiC-Bedarf explodiert

Engelbert Hopf.jpg

Kommentar

Da ist was in Bewegung!

Bild: Siteco

Leuchtkraft für die Stadien von morgen

Beste Verbindungen

Power Integrations

GaN-Chipsatz

Kompakte Sperrwandler mit hohem Wirkungsgrad

Bilder: Mitsubishi Electric

Energieeinsparung im Schienenverkehr

SiC-Halbleitermodule für Bahnanwendungen

Littelfuse

Die Applikation steht im Fokus!

SiC oder nicht SiC – das ist hier die Frage!

Leistungsanalysator der neuen Generation

Leistungsmessung von DC bis 5 MHz

EA Elektro-Automatik

Klimaneutrale Energieerzeugung

Brennstoffzellen effizient und vereinfacht testen

Würth Elektronik

Magnetics on Silicon

»Wir müssen die ­Panik aus dem Geschäft ­rausbekommen«

imec, GaN, Gallium Nitride

GaN-IC-Designwettbewerb des imec

Deutsche Hochschulen räumen ab

STMicroelectronics

Platzbedarf und Verluste reduzieren

Ehrgeizige Pläne für die GaN-Produktfamilie

Rohm Semiconductor

Rohm plant hohe Investitionen

Umweltschonende Power-Komponenten im Fokus

Infineon Technologies

Wide Bandgap für die 5G-Infrastruktur

650-V-CoolSiC in modernen Telekommunikations-SMPS

Infineon Technologies

Interview mit Dr. Peter Friedrichs

Infineon will Siliziumkarbid-MOSFETs raus aus der Nische bringen

Pixabay

Marktanalyse von TrendForce

Navitas stößt Power Integrations vom GaN-Thron

Wolfgang Weber, ZVEI

ZVEI fordert sechs neue Halbleiter-Fabs

Markt für Leistungshalbleiter verdreifacht sich bis 2030

Rohm, SiC, SiliconCarbide, Silicon Carbide

Siliziumkarbid-MOSFETs

Die neue Generation kann mehr

china 8,5

Neuer Fünfjahresplan

China fördert lokale Wertschöpfungskette bei Siliziumkarbid

Infineon, Villach, Sabine Herlitschka, Reinhard Ploss, Jochen Hanebeck

Massive Kapazitätserweiterung

Infineon eröffnet 300-mm-Fab in Villach

Hassane El-Khoury

Interview mit dem neuen onsemi-CEO

»Auf die Wertigkeit der Produkte kommt es an«

Fertigungsdienstleistungen für SiC-Halbleiter auf 6-Zoll-Wafern an

Applied Materials / Siliziumkarbid

Umstieg auf 200-mm-SiC-Wafer beschleunigen

GaN Systems

Galliumnitrid / Elektromobilität

BMW sichert sich Fertigungskapazitäten bei GaN Systems

Sved Oliver/stock.adobe.com

Leistungshalbleiter + Stromversorgungen

Keine Chance den Fake-Produkten!

Two Teaser Leistungsmodule

Leistungsmodule

Von höchsten Leistungen, bis kleinste Größen

Geely, Rohm, SiC, SiliconCarbide, Silicon Carbide

Fokus auf SiC-Leistungshalbleiter

Rohm und Geely erweitern strategische Partnerschaft

WEKA Fachmedien, Infineon, Nexperia, Cree

5. Anwenderforum Leistungshalbleiter

Tipps und Tricks für den richtigen Einsatz

Infineon, Panasonic, Gallium Nitride, GaN

Infineon und Panasonic

Zweite GaN-Generation kommt 2023

Fraunhofer IMWS Leistungselektronik

Leistungselektronik in Windkraftanlagen

Komponenten offshore-tauglich machen

Infineon Siliziumkarbid SiC

Erweiterte Siliziumkarbid-Kapazitäten

onsemi übernimmt GTAT für 415 Mio. US-Dollar

Elektromobilität

Yole Développement

Markt für IGBTs wächst auch weiterhin stark

Cree, STMicroelectronics, SiliconCarbide, Silicon Carbide

Siliziumkarbid-Wafer

Cree und STMicroelectronics erweitern Liefervereinbarung

Rohm Semiconductor

Rohm Semiconductor

Netzteile mit 1700-V-SiC-MOSFETs plus Regler einfach designen

Brückenlose Totem-Pole-PFC

SiC und GaN im direkten Vergleich

Infineon Technologies Glgeichrichterdiode

Aktive Diode für PKW-Generatoren

Kohlendioxid von Verbrennern deutlich reduzieren

Yole Développement, Gallium Nitride

Analyse von Yole Développement

2026 knackt GaN die 1-Milliarde-Dollar-Marke

IGBT-Halbbrücken-Design

Die Leistungselektronik für E-Fahrzeuge vereinfachen

Vishay

1200-V-Ultrafast-Gen-5-Dioden von Vishay

Perfekter Mix aus Energieeffizienz und Robustheit

Infineon Technologies

Interview mit Dr. Peter Friedrichs

20 Jahre Siliziumkarbid bei Infineon

200-mm-SiC-Wafer

STMicroelectronics

Erste 200-mm-SiC-Wafer produziert

WAYON

WAYON

700-V-Superjunction-Mosfets