Passives Bus-Biasing

Ausfallsichere RS-485-Netze

5. Dezember 2018, 9:30 Uhr | Thomas Kugelstadt, Renesas

Undefinierte Eingangspegel können bei RS-485-Netzen schwerwiegende Folgen haben. Eine Möglichkeit, diesem Problem zu begegnen, ist ausfallsicheres passives Bus-Biasing. Dieser Beitrag hilft Systementwicklern, ein solches auszulegen.

Diesen Artikel anhören

Bei RS-485-Netzen gibt es Zeiten, in denen kein Treiber den Bus aktiv ansteuert. Das ist beispielsweise der Fall, wenn ein Treiber den Bus für einen anderen Treiber freimacht. Während dieser Zeit ziehen die Abschlusswiderstände die differenzielle Busspannung auf 0 V. Für viele RS-485-Empfänger (Receiver) ist dies ein undefinierter Eingangspegel. Angesichts dieses undefinierten Inputs könnte ein Empfänger einen falschen logischen Zustand ausgeben oder – noch schlimmer – er könnte oszillieren. So könnte der Empfänger die Oszillation als endlosen Strom von Message-Start-Bits interpretieren, wobei der Controller beim Versuch, solche Phantommeldungen zu verarbeiten, wertvolle Bandbreite vergeuden könnte. Eine Möglichkeit, diesem Problem zu begegnen, ist ausfallsicheres RS-485-Bus-Biasing.

Passives, ausfallsicheres Biasing lässt sich mithilfe von Widerstandsnetzwerken aus Pull-up-, Abschluss- und Pull-down-Widerständen erreichen. Als Spannungsteiler liefern sie eine differenzielle Bus-Gleichspannung VAB, wenn kein Treiber den Bus aktiv ansteuert (Bild 1). Um alle Ausgänge des Empfängers auf den definierten Leerlaufzustand eines logischen High zu bringen, muss VAB größer als die maximale Eingangsschwellenspannung VIT-MAX sein. Zusätzlich sollte man einen ausreichend großen Rauschabstand hinzufügen, damit das Netzwerk auch in rauen Industrieumgebungen zuverlässig arbeitet.

Renesas Electronics, RS-485
Bild 1: Passives, ausfallsicheres RS-485-Biasing-Netzwerk für kurze bis mittlere Busabstände.
© Renesas Electronics

Der vorliegende Artikel soll Systementwicklern bei der erfolgreichen Auslegung von ausfallsicheren Biasing-Netzwerken helfen, indem er Gleichungen für die Berechnung der Widerstandswerte und der maximal möglichen Busbelastung durch die Transceiver für ein- und zweifach ausfallsichere Abschlüsse bereitstellt. Darüber hinaus präsentiert der Artikel die High-VOD-Transceiver der Bausteinfamilie ISL315x von Renesas Electronics, der bis zu 60 Gleichtakt-Einheitslasten (Unit Loads, ULs) ansteuern kann. Standard-Transceiver kommen nur auf 32 ULs.

Einfach ausfallsicheres Biasing-Konzept

Bei kurzen Netzdistanzen von bis zu 100 m und niedrigen bis mittleren Leerlauf-Busspannungen VAB von 0,05 V bis 0,3 V genügt oft eine ausfallsichere Vorspannung an einem Ende des Busses. Zur Vereinfachung wird das in Bild 1 gezeigte Netzwerk in den vereinfachten Ersatzschaltkreis von Bild 2 umgewandelt. Zu beachten sind Biasing-Widerstände RB und die Abschlusswiderstände RT1 und RT2. REQ stellt den äquivalenten Eingangswiderstand aller am Bus angeschlossenen Transceiver dar.

Bevor wir die Gleichungen für die Berechnung der Widerstandswerte ableiten können, müssen wir die Bedingungen festlegen, die für den Leitungsabschluss und eine Gleichtaktbelastung erfüllt sein müssen. Das Kabelende ohne das Biasing-Netzwerk wird mit RT1 abgeschlossen, dessen Wert mit dem Wellenwiderstand des Kabels Z0 übereinstimmen sollte:

left parenthesis 1 right parenthesis space space R subscript T 1 end subscript equals Z subscript 0

Um die Leitung für den Normalbetrieb anzupassen, muss die Reihenschaltung der zwei Biasing-Widerstände parallel zum Abschlusswiderstand RT2 an den Wellenwiderstand des Kabels angeglichen werden: Z0 = 2·RB || RT2. Damit ergibt sich RT2 für einen gegebenen Wert von RB folgendermaßen:

left parenthesis 2 right parenthesis space space R subscript T 2 end subscript equals fraction numerator 2 times R subscript B times Z subscript 0 over denominator 2 times R subscript B minus Z subscript 0 end fraction

ren
Bild 2: Vereinfachtes Ersatzschaltbild der Schaltung aus Bild 1 für ein einfach ausfallsicheres Biasing.
© Renesas Electronics

RS-485 bestimmt die maximale Gleichtaktbelastung, die ein normkonformer Transceiver mit 32 parallelen ULs betreiben können muss. Eine Einheitslast entspricht einem minimalen Gleichtaktwiderstand von ca. 12 kΩ zwischen den einzelnen Signalleitern und der Erdung. Folglich ergibt sich durch die gesamte Gleichtaktbelastung von 32 ULs ein minimaler Gleichtaktwiderstand RCM von 375 Ω. Da die Bias-Widerstände zusätzlich zum äquivalenten Transceiver-Eingangswiderstand eine Gleichtaktbelastung aufweisen, muss die Parallelkombination aus RB und REQ größer oder gleich RCM sein. Für einen gegebenen Wert von RB beschränkt sich REQ auf:

left parenthesis 3 right parenthesis space space R subscript E Q end subscript equals fraction numerator R subscript B times R subscript C M end subscript over denominator R subscript B minus R subscript C M end subscript end fraction

Um die Gleichung zur Berechnung von RB zu ermitteln, sind zunächst die Knotenströme von A und B aus Bild 2 zu bestimmen und nach den entsprechenden Leitungsspannungen VA und VB aufzulösen:

table attributes columnalign right center left columnspacing 0px end attributes row cell left parenthesis 4 right parenthesis space space V subscript A over R subscript E Q end subscript end cell equals cell fraction numerator V subscript S minus V subscript A over denominator R subscript B end fraction minus V subscript A B end subscript over R subscript T 2 end subscript minus V subscript A B end subscript over R subscript T 1 end subscript end cell row blank rightwards double arrow cell V subscript A equals R subscript E Q end subscript times open square brackets V subscript S over R subscript B minus V subscript A over R subscript B minus V subscript A B end subscript times open parentheses 1 over R subscript T 2 end subscript plus 1 over R subscript T 1 end subscript close parentheses close square brackets end cell end table

table attributes columnalign right center left columnspacing 0px end attributes row cell open parentheses 5 close parentheses space space V subscript B over R subscript E Q end subscript end cell equals cell V subscript A B end subscript over R subscript T 2 end subscript minus V subscript B over R subscript B minus V subscript A B end subscript over R subscript T 1 end subscript end cell row blank rightwards double arrow cell V subscript B equals R subscript E Q end subscript times open square brackets V subscript A B end subscript times open parentheses 1 over R subscript T 2 end subscript plus 1 over R subscript T 1 end subscript close parentheses minus V subscript B over R subscript B close square brackets end cell end table

Anschließend wird die Differenz zwischen den Leitungsspannungen berechnet, um die differenzielle Busspannung zu erhalten:

left parenthesis 6 right parenthesis space space V subscript A B end subscript equals open curly brackets V subscript S over R subscript B minus V subscript A B end subscript times open square brackets 1 over R subscript B plus 2 times open parentheses 1 over R subscript T 2 end subscript plus 1 over R subscript T 1 end subscript close parentheses close square brackets close curly brackets

Setzt man die Gleichungen (1), (2) und (3) in Gleichung (4) ein, so ergibt sich die endgültige Gleichung für die Leerlaufspannung des Gleichstrombusses:

left parenthesis 7 right parenthesis space space V subscript A B end subscript equals fraction numerator V subscript S over denominator R subscript B times open parentheses begin display style 1 over R subscript C M end subscript end style plus begin display style 4 over Z subscript 0 end style close parentheses minus 1 end fraction

Löst man diese Gleichung nach RB auf, so ergibt sich der minimal erforderte Wert für den Bias-Widerstand:

left parenthesis 8 right parenthesis space space R subscript B greater or equal than fraction numerator begin display style V subscript S over V subscript A B end subscript end style plus 1 over denominator 1 over R subscript C M end subscript plus begin display style 4 over Z subscript 0 end style end fraction

Da passives, ausfallsicheres Biasing eine zusätzliche Gleichtaktbelastung darstellt, muss man die maximale Anzahl der Transceiver-Einheitslasten nUL ermitteln, die den Bus belasten dürfen, ohne dass der Wert von RCM unter 375 Ω fällt. Dabei entspricht nUL dem Verhältnis des Gleichtaktwiderstands einer Einheitslast zum Gleichtaktwiderstand der Transceiver-Einheitslast: nUL = 12 kΩ/REQ. Setzt man in diese Gleichung die Gleichung (3) für REQ ein, so ergibt sich Folgendes:

left parenthesis 9 right parenthesis space space n subscript U L end subscript equals 12 space k capital omega times open parentheses 1 over R subscript C M end subscript minus 1 over R subscript B close parentheses

Demzufolge darf eine Zahl X an Trans­ceivern jeweils maximal eine Last von 1/X-tel einer Einheitslast haben.


  1. Ausfallsichere RS-485-Netze
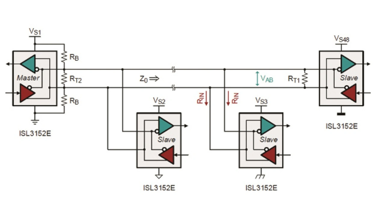
  2. Zweifach ausfallsicheres Biasing-Konzept
  3. Auswahl des Transceivers

Lesen Sie mehr zum Thema


Das könnte Sie auch interessieren

Jetzt kostenfreie Newsletter bestellen!

Weitere Artikel zu Renesas Electronics Europe GmbH

Weitere Artikel zu Feldbusse