Rundum-Analyse verkürzt die Fehlersuche

Oszilloskope zur Fehlersuche in Automotive-Ethernet-Netzwerken

11. Februar 2019, 12:15 Uhr | Von Dr. Ernst Flemming
Diesen Artikel anhören

Fortsetzung des Artikels von Teil 1

Besonderheiten der Trigger- und Dekodieroption

Bei der 100BASE-T1-Kommunikation werden beide Datenströme gleichzeitig über ein verdrilltes Adernpaar übertragen. Wenn der Anwender den Buspegel mit einem Oszilloskop aufzeichnet, misst er damit die Überlagerung der Datenströme beider Busteilnehmer. Ohne Separation dieser Datenströme ist eine Analyse nicht möglich. Das R&S RT-ZF5 Ethernet Probing Fixture von Rohde & Schwarz (Bild 2) ist aus diesem Grund mit geeigneten Richtkopplern ausgestattet. Es wird in den Ethernet-Leitungsstrang eingefügt und separiert die Datenströme so, dass eine rückwirkungsfreie Aufzeichnung der 100BASE- T1-Kommunikation mit einem Oszilloskop möglich ist.

Die aufgezeichneten Signale sind jedoch durch den Equalizer des 100BASE- T1-Transmitters stark verzerrt. Deshalb werden die Signale für die weitere Bearbeitung zuerst mit komplexen Algorithmen wieder entzerrt und dann dekodiert.

Anbieter zum Thema

zu Matchmaker+

Trigger- und Dekodieroption-Besonderheiten, Bilder 3-4

Das R&S RT-ZF5 Ethernet Probing Fixture erlaubt die rückwirkungsfreie Aufzeichnung beider Datenströme der Vollduplex-Kommunikation von 100BASE-T1
© Rohde & Schwarz
 100BASE-T1-Dekodierung beider Datenströme der Vollduplex-Kommunikation. Farblich markiert ist der MAC-Frame, grau sind die kontinuierlich versendeten Idle-frames
© Rohde & Schwarz
Dekodierung der elektrischen 100BASE-T1-Buspegel. Deutlich sichtbar sind die zwei Pegel des differenziellen 100BASE-T1-Signals und der dekodierte Telegramminhalt
© Rohde & Schwarz

Alle Bilder anzeigen (3)

Das Oszilloskop löst zur Dekodierung das verwendete Scrambling der Telegramme auf und zeigt alle gesendeten Datentelegramme und Idle-Frames an (Bild 3). Die dekodierten Telegramme werden als farbkodierte Bussignale und als Tabelle angezeigt. Der Entwickler kann so die Livesignale des 100BASE-T1 mit den übertragenen Protokollinhalten korrelieren und im Detail analysieren (Bild 4). Umfangreiche Triggermöglichkeiten erlauben ihm zusätzlich, sich beispielsweise isoliert Telegramme mit bestimmter Sende- oder Zieladresse anzeigen zu lassen.

Analyse von Telegrammfehlern

Die Buskommunikation kann mit der 100BASE-T1-Dekodierung in zeitlichen Zusammenhang zu anderen Signalen gesetzt werden. So können Anwender zur Fehlersuche die Startzeit eines Steuergeräts messen, indem sie das Oszilloskop auf die 12-V-Spannungsversorgung triggern und die Zeit bis zum Eintreffen des ersten gültigen Telegramms messen. Die Stabilität der Buskommunikation lässt sich ebenso einfach überprüfen: Der Entwickler triggert gezielt nur auf kurzzeitige Unterbrechungen der Spannungsversorgung und analysiert daraus re-sultierende Unterbrechungen in der Buskommunikation. Treten diese gehäuft auf, ist die Stabilität stark beeinträchtigt.

Mit dem Oszilloskop und einer Trigger- und Decodier-Option wird über alle sieben OSI-Schichten gemessen, was zahlreiche Prüf- und Analysemöglichkeiten eröffnet
Bild 5. Mit dem Oszilloskop und einer Trigger- und Decodier-Option wird über alle sieben OSI-Schichten gemessen, was zahlreiche Prüf- und Analysemöglichkeiten eröffnet.
© Rohde & Schwarz

Sporadische Busfehler durch Einkopplung von Störquellen sind ohne weitere Analysemöglichkeiten schwer zu beheben. Mit der Dekodierung der 100BASE-T1-Kommunikation kann der Entwickler die Buskommunikation über alle Protokollschichten (Bild 5) zeitlich korreliert analysieren und so die eingekoppelte Störquelle identifizieren.

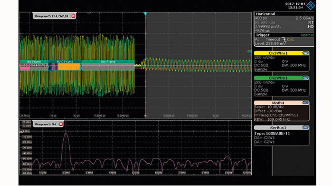
Bei der Messung in Bild 6 sind zum Beispiel zu Beginn der Aufzeichnung MAC-Frame und Idle-Frames korrekt übertragen. In der Mitte der Aufzeichnung bricht jedoch der Datenstrom abrupt ab.

Analyse einer sporadischen Unterbrechung der Buskommunikation durch Kombination von Protokollanalyse und Frequenzanalyse
Bild 6. Analyse einer sporadischen Unterbrechung der Buskommunikation durch Kombination von Protokollanalyse und Frequenzanalyse.
© Rohde & Schwarz

Im unteren Signal ist das Frequenzspektrum des Störsignals (grau markierter Bereich) aufgetragen. Deutlich erkennbar ist ein Peak bei 2 MHz. Dieses Störsignal ist offensichtlich für die Busunterbrechung verantwortlich. Die Kombination aus Dekodierung und anderen Analysewerkzeugen des Oszilloskops, etwa der Frequenzanalyse, erleichtert diese Fehlersuche. So lässt sich mit dem Oszilloskop eine Störung auf einen Blick erkennen, die anders nur schwer aufzuspüren ist.

Konformitäts- und Link-Segment-Tests

Rohde & Schwarz bietet für Entwickler von Steuergeräten mit Automotive-Ethernet-Schnittstellen eine vollständige 100BASE-T1-Trigger- und Dekodierlösung einschließlich Test-Fixture für den rückwirkungsfreien Signalabgriff. Umfangreiche Funktionen bei Triggerung und Anzeige der übertragenen Telegramme unterstützen den Entwickler bei der Fehlersuche. Die angezeigte Dekodierinformation ist zeitlich korreliert zum elektrischen Signal. So kann der Anwender bei seiner Fehlersuche sowohl den Protokollinhalt analysieren als auch die Ursachen von auftretenden Busfehlern schnell identifizieren.

Neben der im Beitrag vorgestellten Option für 100BASE-T1 Triggerung und Dekodierung bietet Rohde & Schwarz vollständige Messlösungen für 100BASE-T1 sowie 1000BASE-T1 Automotive Ethernet-Konformitätstests und Link-Segment-Tests mit Oszilloskop und Netzwerkanalysator

 

Der Autor

 

 

Ernst_Flemmin von Rohde & Schwarz
Ernst Flemming von Rohde & Schwarz
© Rohde & Schwarz

Dr. Ernst Flemming

ist Produktmanager für Oszilloskope bei Rohde & Schwarz in München.


  1. Oszilloskope zur Fehlersuche in Automotive-Ethernet-Netzwerken
  2. Besonderheiten der Trigger- und Dekodieroption

Lesen Sie mehr zum Thema


Das könnte Sie auch interessieren

Jetzt kostenfreie Newsletter bestellen!

Weitere Artikel zu Rohde & Schwarz GmbH & Co. KG

Weitere Artikel zu Oszilloskope

Weitere Artikel zu Feldbusse