Herausforderung Wide-Bandgap-Halbleiter

Präzise Messsysteme für die Leistungselektronik

27. November 2025, 8:05 Uhr | Thomas Rottach, Siglent
© Siglent / Componeers

Der Wechsel von Silizium zu Wide-Bandgap-Materialien wie SiC und GaN eröffnet der Leistungselektronik neue Möglichkeiten. Zur präzisen Analyse dieser modernen Wide-Bandgap-Bauelemente sind hochauflösende Oszilloskope und optisch isolierte Tastköpfe die Schlüsselelemente.

Diesen Artikel anhören

Die Elektronikbranche erlebt derzeit einen regelrechten Boom im Bereich der Leistungselektronik. Getrieben durch die steigende Nachfrage nach energieeffizienten und kompakten Lösungen in Branchen wie Elektromobilität, erneuerbaren Energien, Industrieautomation und Smart Grids, verschiebt sich der Fokus der Entwickler immer stärker auf innovative Halbleitertechnologien. Während Silizium über Jahrzehnte der Standard war, setzen sich zunehmend neue Materialien wie Siliziumkarbid (SiC) und Galliumnitrid (GaN) durch. Diese modernen Halbleitermaterialien ermöglichen höhere Schaltfrequenzen, geringere Schaltverluste und kompaktere Bauformen als je zuvor. Sie sind die treibende Kraft hinter effizienteren Wechselrichtern, schnelleren Ladegeräten und leistungsstarken Antriebssystemen.

Neue Herausforderungen für die Messtechnik

Doch mit diesen technologischen Fortschritten wachsen auch die Herausforderungen für die Messtechnik: Die Erfassung und Analyse schneller, hochdynamischer Signale bei gleichzeitig hohen Spannungen und Strömen erfordert spezialisierte Testausrüstung.

Klassische Oszilloskope und Standard-Tastköpfe stoßen bei der Analyse von SiC- und GaN-Schaltungen oft an ihre Grenzen. Die hohe Signalgeschwindigkeit, die Notwendigkeit zur genauen Erfassung kleinster Details und die sichere Messung an potenzialbehafteten Schaltungen verlangen nach innovativen Lösungen in der Messtechnik. Hier kommen moderne 12-Bit-Oszilloskope und optisch isolierte Hochspannungs-Differenztastköpfe ins Spiel, die speziell für diese Anforderungen entwickelt wurden.

Eigenschaften und Vorteile von Wide-Bandgap-Komponenten

Anbieter zum Thema

zu Matchmaker+
Grafik: CMRR vs. Frequenz einer optisch isolierten Probe
CMRR vs. Frequenz einer optisch isolierten Probe
© Siglent
Grafikkurve: CMRR vs. Frequenz Standard Probe
CMRR vs. Frequenz Standard Probe
© Siglent

Um die besonderen Herausforderungen beim Einsatz moderner Messtechnik zu verstehen, ist es wichtig, zunächst die Eigenschaften von Wide-Bandgap-(WBG)-Komponenten zu betrachten. Diese Bauelemente, wie etwa SiC- und GaN-Halbleiter, zeichnen sich durch spezifische Materialeigenschaften aus, die einen deutlich schnelleren Wechsel zwischen den Schaltzuständen „offen“ und „geschlossen“ ermöglichen. In der Praxis bedeutet dies, dass sowohl die Anstiegs- als auch die Abfallzeiten der Schaltsignale wesentlich kürzer sind als bei herkömmlichen Halbleitern. Durch diese verkürzten Schaltzeiten lassen sich wesentlich höhere Schaltfrequenzen realisieren. Das wiederum eröffnet die Möglichkeit, in Leistungswandlern und anderen Anwendungen kleinere Induktivitäten und Kondensatoren einzusetzen. Das Resultat sind kompaktere Systeme, die sich zudem oft kostengünstiger realisieren lassen, weil weniger Bauraum und Material benötigt werden.

Ein weiterer entscheidender Vorteil der WBG-Technologie ist die erhöhte Spannungsfestigkeit der Bauelemente. Dank dieser Eigenschaft können WBG-Komponenten bei gleicher Baugröße auch in Anwendungen mit höheren Spannungen eingesetzt werden. Bleibt die Betriebsspannung unverändert, kann die Baugröße des Schalters deutlich reduziert werden. Das trägt zusätzlich zur Miniaturisierung und Effizienzsteigerung moderner leistungselektronischer Systeme bei.

Wie und wo werden WBG-Halbleiter eingesetzt?

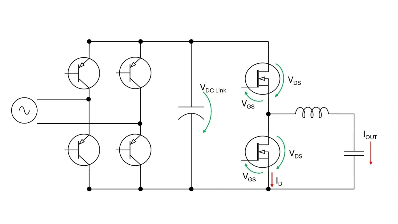
Grafik: Konverter (vereinfacht) mit Messpunkten
Konverter (vereinfacht) mit Messpunkten
© Siglent

Im Zentrum jedes Konverters oder Inverters befindet sich die „Schaltzentrale“: Hier findet die eigentliche Umwandlung (DC/AC, AC/DC, DC/DC) und Regelung (Ausgangspegel) statt. Diese Schaltungen bestehen meist aus Halb- oder Vollbrücken, die mit leistungsstarken Transistoren wie MOSFETs, IGBTs oder neuerdings mit SiC oder GaN bestückt sind und von Gate-Treibern angesteuert werden. Die Transistoren schalten Strompfade mit hoher Frequenz ein und aus und steuern so gezielt den Energiefluss – und somit die Umwandlung und den Ausgangspegel bzw. -strom.

Durch die Kombination mit Treiber- und Schutzschaltungen, Regelsystemen für Strom und Spannung sowie Filter- und Speicherelementen entsteht eine präzise kontrollierbare Leistungsstufe. Die Qualität dieser Stufe wirkt sich unmittelbar auf Effizienz, Reaktionsgeschwindigkeit und Zuverlässigkeit des Gesamtsystems aus.

Die „Halbleiterschalter“ bilden also das elektrische Herz eines Konverters oder Inverters: Sie verarbeiten und regeln den Energiefluss aktiv und sorgen dafür, dass sie die gewünschte Form erhält.

Typische Messungen

Während der Entwicklung von Konvertern und Invertern werden zentrale elektrische Größen direkt an den Schaltern gemessen und ausgewertet. Dabei stehen vor allem die Drain-Source-Spannung (VDS) und die zugehörigen Schaltströme (ID) im Fokus, um Schaltverluste, Übergangszeiten und das dynamische Verhalten zu erfassen. Ergänzend wird die Gate-Spannung (VGS) analysiert, um das Ansteuerverhalten und mögliche Überspannungen am Gate zu beurteilen. Die Zwischenkreisspannung (VDC) und die Ausgangsgrößen (VOUT, IOUT) dienen der Bewertung von Wirkungsgrad und Energiefluss. Gleichzeitig werden dV/dt- und dI/dt-Flanken, Überschwingungen sowie Ripple-Anteile im Zwischenkreis untersucht, um parasitäre Effekte und EMV-Verhalten zu optimieren. Diese Messungen liefern die Basis für das Feintuning der Schaltstufe hinsichtlich Effizienz, Stabilität und thermischer Belastung.

Bild des Oszilloskops SDS5000X HD von Siglent
Mit bis zu 1 GHz Bandbreite und 12 Bit Auflösung eignen sich die Oszilloskope der Serie SDS5000X HD von Siglent für die präzise Erfassung schneller Schaltvorgänge
© Siglent

Für diese Analysen kommen spezialisierte Messmittel und präzise abgestimmte Aufbauten zum Einsatz. Oszilloskope erfassen simultan Spannungs- und Stromverläufe mit hoher zeitlicher Auflösung, während differenzielle Hochspannungstastköpfe eine sichere Messung von VDS und VGS ermöglichen. Stromzangen oder shunt-basierte Sensoren liefern die zugehörigen ID-Signale für Verlust- und Effizienzmessungen. Ergänzend werden isolierte Messverstärker und niederinduktive Leitungsführungen verwendet, um parasitäre Einflüsse zu minimieren und reproduzierbare Ergebnisse zu erzielen. In Kombination mit automatisierten Messsequenzen und synchroner Triggerung entsteht so ein präzises Bild des Schaltverhaltens unter realen Betriebsbedingungen.

Neue Anforderungen an die Messtechnik

Mit SiC- und GaN-Bauelementen verändern sich die Anforderungen an die Messtechnik grundlegend. Die deutlich steileren Schaltflanken und höheren Schaltfrequenzen dieser Halbleiter erfordern Messsysteme mit hoher Bandbreite, niedrigem Eigenrauschen und exzellenter Signaltrennung. Für die präzise Erfassung dieser schnellen Übergänge eignen sich Oszilloskope wie die Serie SDS5000X HD von Siglent mit bis zu 1 GHz Bandbreite und 12-Bit-Auflösung ideal. Sie ermöglichen eine saubere Darstellung selbst feinster Schaltvorgänge und Überschwingungen.

Bild des ODP60000B-Tastkopfsets von Siglent
Mit Bandbreiten von 500 MHz bzw. 1 GHz ergänzen die Differenztastköpfe ODP6000B die Oszilloskope ideal
© Siglent

Besonders kritisch ist jedoch die Wahl des passenden Tastkopfs: Während konventionelle passive Tastköpfe zwar eine hohe Bandbreite bieten, sinkt ihre Spannungsfestigkeit bei steigender Frequenz jedoch deutlich ab. Für Messungen an Hochspannungs- und massefreien Punkten, wie sie typischerweise in Halbbrücken auftreten, stoßen selbst hochwertige Differenztastköpfe schnell an Grenzen – vor allem aufgrund der abnehmenden Gleichtaktunterdrückung (CMRR) bei hohen Frequenzen.

Kurvendarstellung: VGS-(high-side)-Vergleichsmessung optisch isolierter vs. klassischer HV-Diff-Probe
VGS-(high-side)-Vergleichsmessung optisch isolierter vs. klassischer HV-Diff-Probe
© Siglent

Die optisch isolierten Differenztastköpfe der Serie Siglent ODP6000B bieten hier eine überzeugende Lösung: Mit Bandbreiten von 500 MHz bzw. 1 GHz und einem CMRR von bis zu 160 dB bei niedrigen Frequenzen und 80 dB bei 800 MHz ermöglichen sie präzise, störungsfreie Messungen selbst an schnell schaltenden High-Side-Transistoren. In Kombination mit den Oszilloskopen der Serie SDS5000X HD entsteht so ein leistungsfähiges Messsystem, das auch unter realen Betriebsbedingungen eine exakte Charakterisierung von SiC- und GaN-Schaltungen erlaubt. Dadurch lassen sich Schaltverluste, Gate-Ansteuerung und EMV-Verhalten zuverlässig erfassen und optimieren. Damit sind sie ein entscheidender Baustein für die Entwicklung effizienter, moderner Leistungselektronik.

Fazit

Mit der Einführung schneller Wide-Bandgap-Halbleiter wie SiC und GaN in modernen Konvertern und Invertern steigen die Anforderungen an die Messtechnik erheblich. Eine ideale Antwort darauf gibt die Kombination aus optisch isolierten Differenztastköpfen der Serie ODP6000B und den hochauflösenden Oszilloskopen der Serie SDS5000X HD von Siglent:

•         Die Differenztastköpfe ODP6000B bieten Bandbreiten von 500 MHz bzw. 1 GHz. Sie zeichnen sich durch ein sehr hohes Gleichtaktunterdrückungsverhältnis (CMRR) aus: bis zu 160 dB bei niedrigen Frequenzen und 80 dB bei 800 MHz. Dank optischer Isolation eignen sie sich besonders für Messungen an Hochspannungs- und massefreien Punkten und ermöglichen eine störungsfreie, präzise Erfassung selbst extrem schneller Schaltflanken an High-Side-Transistoren.

•         Die Oszilloskope SDS5000X HD ergänzen diese Tastköpfe mit einer Bandbreite von bis zu 1 GHz und einer 12-Bit-Auflösung sowie mit bis zu acht Kanälen, was eine differenzierte und fehlerarme Darstellung auch feinster Schaltvorgänge und Überschwingungen erlaubt. Die hohe Abtastrate und Signalqualität sorgen dafür, dass selbst kleinste Störungen und parasitäre Effekte sichtbar und bewertbar werden.

Die Kombination beider Komponenten bildet ein leistungsfähiges Messsystem, das optimal auf die Herausforderungen moderner Leistungselektronik zugeschnitten ist. So lassen sich wichtige Parameter unter realen Betriebsbedingungen präzise erfassen und optimieren, beispielsweise Schaltverluste, Gate-Ansteuerung und EMV-Verhalten. Damit werden die Messgeräte von Siglent zum entscheidenden Baustein für die Entwicklung effizienter, zuverlässiger Systeme mit WBG-Halbleitern.

Thomas Rottach, Siglent
Thomas Rottach, Siglent
© Siglent

Der Autor:

Thomas Rottach ist Vertriebs- und Marketingleiter bei Siglent Technologies Germany. Seit 2018 arbeitet der Diplom-Ingenieur für Elektrotechnik/Nachrichtentechnik bei Siglent und blickt auf fast 20 Jahre Erfahrung in der Messtechnik zurück. Vor seiner Tätigkeit bei Siglent war er in unterschiedlichen Positionen wie etwa Testsystementwickler und Testingenieur, Applikations- und Vertriebsingenieur und Marktsegmentmanager aktiv.


Lesen Sie mehr zum Thema


Jetzt kostenfreie Newsletter bestellen!

Weitere Artikel zu Siglent Technologies Germany GmbH

Weitere Artikel zu Oszilloskope