IGBT-Module

Schnell schalten ohne Filter- und Schutzlösungen

2. Juni 2014, 15:05 Uhr | Von Johannes Krapp, Semikron
Diesen Artikel anhören

Fortsetzung des Artikels von Teil 1

Robust und sicher

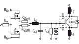
Bild 2. Induktivität von Gate-Leitung und Gate/Emitter beeinflusst die Gate-Spannung.
Bild 2. Induktivität von Gate-Leitung und Gate/Emitter beeinflusst die Gate-Spannung.
© Elektronik Power

Die Ansteuerspannung des Treibers liegt parallel zur Gate-Emitter-Spannung und dem Spannungsabfall über die Emitterinduktivität LE. Stromänderungen induzieren dadurch Spannungen in die Treiber-Ansteuerstufe. Erzeugt durch die Bondrähte, bedeutet das beim Ausschalten mit 2 kA/µs und 2 nH Emitterinduktivität eine Reduktion der Gate-Spannung um 2 V (Bild 2). Dazu kommt, dass je Modul drei IGBTs mit unterschiedlichen Toleranzen parallel geschaltet sind.

Die typischen Anwendungen der 17-mm-Module, z.B. in der Automatisierungstechnik, schalten in der Regel sehr schnell. Das kann im ungünstigsten Fall zu einer Mitkoppelung in das Gate beim Millerplateau führen. Auch kann die induzierte Spannung im Fehlerfall, z.B. einem Einbruch der Spannungsversorgung, das Gate wieder ungewollt einschalten. Hier hilft ein Gate Clamping, welches jedoch je nach Ausführung sowohl Kosten als auch die Ausfallwahrscheinlichkeit steigert. Der Skyper 12 press-fit löst das Problem mit einem hochohmigen Gate- und Emitter-Widerstand. Das Risiko unkontrollierter Schwingkreise löst er mit einer zusätzlichen Gate-Emitter-Kapazität. Für die wirksame Dimensionierung dieser Lösung müssen die IGBT-Kapazitäten und der interne Gate-Widerstand zusammen berücksichtigt werden. Ergänzt wird die Optimierung durch kurze und parallel ausgeführte Gate- und Hilfsemitterleitungen.

Anbieter zum Thema

zu Matchmaker+
Bild 3. Schnittstelle, Signalübertragung und integrierte Logik müssen störungsfrei arbeiten.
Bild 3. Schnittstelle, Signalübertragung und integrierte Logik müssen störungsfrei arbeiten.
© Elektronik Power

Der Skyper 12 press-fit wird ohne Zwischenplatine direkt auf das Modul gesetzt. Daraus resultiert ein direkter Einfluss der schaltungsbedingten elektromagnetischen Emissionen auf die Treiber-Elektronik. Bild 3 zeigt die typischen Störfelder von IGBT-Treibern, die zu ungewollten Fehlfunktionen im Umrichter führen.

Schnelle Spannungsänderungen zwischen Kollektor und Emitter können fehlerhafte Signale in den Signaltransformatoren, die die galvanische Isolation gewährleisten, einkoppeln. Die Ansteuerelektronik muss sicherstellen, dass diese sekundärseitigen Spannungsänderungen der Kollektor-Emitter-Strecke keine unerlaubten Schaltzustände verursachen. Diese Störungsresistenz ist abhängig vom Übertrager-Design und der Übertragungsform. Verfügbare Ansteuerlösungen arbeiten mit einfachen Pulsübertragungssystemen. Verschiebeströme werden dabei leicht als Pulse interpretiert und erzeugen fehlerhafte Schaltsignale. Der Skyper 12 press-fit steuert die Signalübertrager störungsfest und temperaturunabhängig mit Rechteckpulsen an (Bild 4). Die Zuverlässigkeit der Übertragung wird durch hohe, über den Transformator übertragene Ströme sowie die sehr niedrige Impedanz des empfängerseitigen Abschlusses der Signalübertragung noch zusätzlich erhöht.

Bild 4. Digitale Signalübertragung.
Bild 4. Digitale Signalübertragung.
© Elektronik Power

Der zweite Einflussfaktor ist der konstruktive und materialbedingte Aufbau der Übertrager. Der Indikator für sichere und kopplungsresistente Designs ist die Koppelkapazität des Transformators. Sie stellt ein Maß für die mögliche Übertragung von Störungen zwischen Ein- und Ausgangsseite dar. Je kleiner die Koppelkapazität, desto geringer ist das Risiko von Störungen durch Verschiebeströme während des Schaltens. Standard-Technologien erreichen eine Koppelkapazität >20 pF, bei der das Risiko von Fehlkoppelungen relativ hoch ist. Die konstruktiv optimierten Signaltransformatoren des Skyper 12 press-fit mit Segmentwicklung und speziellem Isolationsmaterial erreichen eine Koppelkapazität von 3,5 pF.

Damit schaltet der Skyper mit einer du/dt-Festigkeit von über 50 kV/µs sicher direkt auf dem Modul (Bild 5). Die Controller-Schnittstelle ist durch eine Kurzimpulsunterdrückung und die masseoptimierte Schnittstelle mit einer Burstfestigkeit von 2 kV sehr robust. Viele Treiber-Lösungen besitzen an ihrer Eingangsschnittstelle analoge Filter zur Verbesserung der Störfestigkeit. Im Vergleich zu einer integrierten Kurzimpulsunterdrückung können dabei entsprechend hohe Störpulse diese Filter übergehen.

Bild 5. QFN-Gehäuse mit direkter Masseanbindung erreicht hohe EMV.
Bild 5. QFN-Gehäuse mit direkter Masseanbindung erreicht hohe EMV.
© Elektronik Power

Da die integrierten Bausteine der IGBT-Treiber sämtliche Schalt- und Fehlersignalverarbeitung beinhalten, waren und sind sie immer noch die empfindlichsten Bauteile der Baugruppe. Semikron hat für den Skyper 12 press-fit neue Mixed-Signal-ASICs entwickelt, um die Anforderungen der heutigen Modulaufbauten und Chip-Charakteristika optimal zu berücksichtigen. Die ASICs sind in einem QFN-Gehäuse (Quad Flat no Leads) integriert (Bild 5).

Diese Gehäuse besitzen eine kleine Metalplatte auf der Unterseite, die direkt mit der Leiterplatte verbunden ist. Das hat neben einer guten thermischen Anbindung den Vorteil der direkten Masseanbindung über die gesamte Logikfläche. Darüber hinaus sitzt das ASIC direkt auf der Leiterplatte und bildet somit keine potenziellen induktiven Schleifen, in die Störimpulse eingekoppelt werden können. Das Ergebnis ist mit 20 V/m eine gesteigerte Robustheit gegenüber gestrahlten und geleiteten Feldern. Mit diesen Maßnahmen schaltet der Skyper trotz der direkten Montage sicher in jedem Störungsumfeld und erspart teure EMV-Maßnahmen, Absicherungen und Serviceeinsätze.


  1. Schnell schalten ohne Filter- und Schutzlösungen
  2. Robust und sicher
  3. Herausforderung IGBT

Lesen Sie mehr zum Thema


Das könnte Sie auch interessieren

Jetzt kostenfreie Newsletter bestellen!

Weitere Artikel zu SEMIKRON International GmbH

Weitere Artikel zu Leistungshalbleiter-ICs