Schaltungsentwurf mit LTspice

Aufwärtswandler richtig auslegen

20. Mai 2021, 10:00 Uhr | Rani Feldman, Analog Devices
© WEKA Fachnedien, Hy-Line, Schulz Electronic, Emtron, StartupStockPhotos/Pixabay

Dieser Artikel stellt eine einfache und effektive Methode vor, um das richtige Controller-IC für einen Aufwärtsregler auszuwählen, und wie Entwickler mit LTspice die zur Entwicklung der Leistungsstufe erforderlichen Peripheriekomponenten auswählen können.

Diesen Artikel anhören

Soll eine Spannung erhöht oder verringert werden, sind in der Regel die Eingangsspannung Uin und die Ausgangsspannung Uout im Voraus bekannt. Gleiches gilt meist auch für den Laststrom. Obwohl diese Parameter sowohl für beide Wandlerarten bekannt sind, unterscheiden sich die Auswahl des geeigneten ICs für die Entwicklung eines Hochsetz- (Boost Converter) als auch Tiefsetzstellers (Buck Converter).

Anbieter zum Thema

zu Matchmaker+
Analog Devices, LTspice
Bild 2: Der Schaltstrom und nicht der Ausgangsstrom wird als Parameter für die Auswahl eines Aufwärtswandler-ICs angegeben.
© Analog Devices
Analog Devices, LTspice
Bild 1: Auswahltabelle für verschiedene Abwärtsregler mit integriertem Leistungsschalter und Ausgangsstrom als Auswahlparameter.
© Analog Devices

Den ersten Hinweis auf unterschiedliche Auswahlprozesse gibt die Auswahltabelle verschiedener ICs. Bild 1 listet sind die verschiedenen Parameter auf, die für die Wahl eines Tiefsetzstellers mit integrierten Leistungsschaltern zur Verfügung stehen. Daraus wird ersichtlich, ist der Ausgangsstrom einer der Auswahlparameter. In der Auswahltabelle (Bild 2) der Hochsetzsteller mit integrierten Leistungsschaltern ist nicht der Ausgangsstrom, sondern der Schaltstrom angegeben.

Auch das Datenblatt macht auf der ersten Seite unterschiedliche Angaben (Bild 3). Das Datenblatt des Abwärtsreglers LTC3621 gibt zum Beispiel eine maximale Eingangsspannung Uin von 17 V an und besagt, dass das Bauteil einen Strom von 1 A kontinuierlich liefern kann.

Das Datenblatt für den Aufwärtswandler LT8330 (Bild 4) ist ähnlich aufgebaut. Allerdings werden dort die Spannung und der Strom des Schalters (des internen Leistungs-MOSFETs) und nicht die typischen Maximalwerte für Laststrom und Eingangsspannung angegeben. Auch auf dem Datenblatt des Aufwärtswandlers unterscheiden sich der Eingangsspannungsbereich von 3 V bis 40 V und die Schaltspannung von 60 V.

Analog Devices, LTspice
Bild 4: Die erste Datenblattseite des Aufwärtswandlers LT8330 zeigt maximale Leistungsschaltereigenschaften.
© Analog Devices
Analog Devices, LTspice
Bild 3: Das Datenblatt des Abwärtsreglers LTC3621 enthält auf der ersten Seite die Maximalwerte für Betriebsspannung und Strom.
© Analog Devices

Was also ist der Unterschied? Der Unterschied besteht darin, dass bei einem Hochsetzsteller der durchschnittliche Spulenstrom vom Laststrom abweicht, während beim Tiefsetzsteller der durchschnittliche Spulenstrom etwa dem Ausgangsstrom (Laststrom) entspricht.

LTspice bei einem Abwärtswandler nutzen

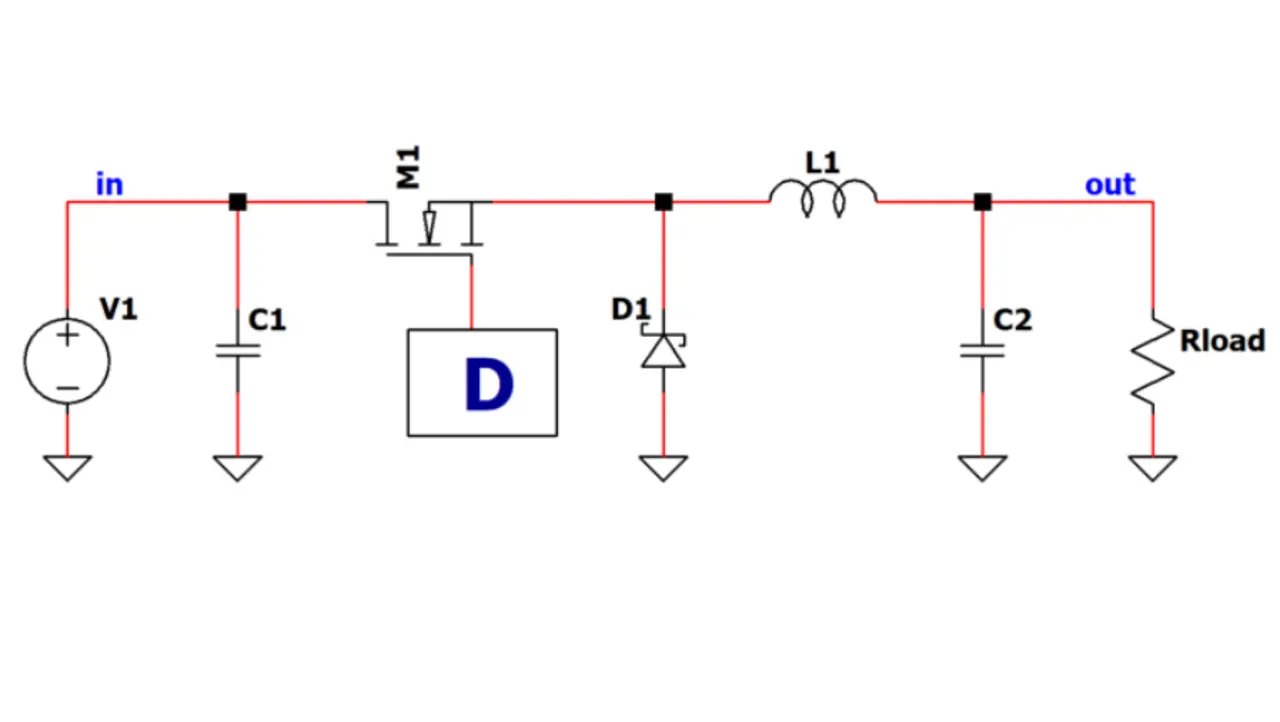
Bild 5 zeigt die vereinfachte Schaltung für einen nicht bzw. asynchronen Hochsetzsteller, Bild 6 die vereinfachte Schaltung für einen nichtsynchronen Tiefsetzsteller.

Analog Devices, LTspice
Bild 6: Vereinfachte Schaltung eines nichtsynchronen Tiefsetzstellers.
© Analog Devices
Analog Devices, LTspice
Bild 5: Vereinfachtes Schaltbild eines nichtsynchronen Hochsetzstellers.
© Analog Devices

Der Schaltungsblock D für beide Topologien ist das PWM-Signal, das den Leistungs-MOSFET treibt. Die Werte für die Schaltperioden des PWM-Signals werden durch das Ein- und Ausgangsspannungsverhältnis der Schaltung bestimmt. Der Einfachheit halber werden in diesem Artikel die Gleichungen für den verlustfreien, nichtlückenden Betrieb (Continuous Conduction Mode, CCM) verwendet, da sie nahe genug beieinander liegende Ergebnisse liefern.

Mit LTspice lässt sich der Unterschied zwischen den Ein- und Ausgangsströmen der beiden unterschiedlichen Topologien deutlich erkennen. Bild 7 zeigt den Grundaufbau einer Open-Loop-Schaltung für einen Abwärtswandler, bei dem eine Eingangsspannung von 12 V in eine Ausgangsspannung von 3,3 V gewandelt wird, die einen Strom von 1 A an die ohmsche Last R1 liefert. Die Schaltung ist für 3,3 W ausgelegt.

Analog Devices, LTspice
Bild 7: Grundaufbau eines Open-Loop-Designs für einen Buck-Wandler mit 12 bis 3,3V bei 1A und einer Leistung von etwa 3W.
© Analog Devices

Der PWM-Block D wird durch die potenzialfreie Versorgung V2 implementiert, da die Gate-Spannung höher als die Source-Spannung sein muss, damit der N-Kanal-MOSFET M1 leitet. Dabei erzeugt V2 Impulse von 0 V bis 5 V, die vom Zeitpunkt t = 0 der Simulation schaltet, in 5 ns auf 5 V steigt bzw. abfällt und eine Einschaltzeit (Ton) von 0,55 µs  erreicht, während der voller Schaltzyklus Tp 2 µs ist.

Sobald die Schaltung in Bild 7 simuliert ist, lassen sich die Ströme durch L1 und R1 prüfen. Der Strom durch L1 verläuft dreiecksförmig, da die Drosselspule durch das Schalten von M1 entsprechend des Timings von Ton ­– wenn M1 eingeschaltet ist – und Toff – wenn M1 ausgeschaltet ist – mit einer Frequenz von 500 kHz geladen und entladen wird. Ersichtlich ist, dass die Wellenform des Spulenstromes eine Wechsel- und eine Gleichstrom-Komponente hat. Der Strom geht von einem Minimalwert von 0,866 A (Ende von Toff) auf einen Maximalwert von 1,144 A (Ende von Ton) über.

Da der Wechselanteil den Weg der geringsten Impedanz sucht, fließt er durch den ESR des Ausgangskondensators C2. Dieser Wechselstrom verursacht zusammen mit dem Laden und Entladen von C2, dass die Ausgangsspannung leicht schwankt (Ripple), während der Gleichstromanteil über R2 fließt.

Analog Devices, LTspice
Bild 8: Spulen- und Laststrom aus dem simulierten Tiefsetzsteller.
© Analog Devices

Vergleicht man die ober- und unterhalb des Laststromes gebildeten Dreiecksformen des Spulenstromes (Bild 8), so sind sie gleich, und eine einfache algebraische Berechnung zeigt:

fraction numerator I subscript L open parentheses m a x close parentheses end subscript plus I subscript L open parentheses m i n close parentheses end subscript over denominator 2 end fraction equals fraction numerator 1 comma 144 space A plus 0 comma 866 space A over denominator 2 end fraction equals 1 comma 005 space A

Somit ist der durchschnittliche Spulenstrom gleich dem Laststrom.


  1. Aufwärtswandler richtig auslegen
  2. LTspice bei einem Aufwärtswandler nutzen
  3. Belastungen externer Komponenten mit LTspice verstehen

Lesen Sie mehr zum Thema


Das könnte Sie auch interessieren

Jetzt kostenfreie Newsletter bestellen!

Weitere Artikel zu Analog Devices GmbH

Weitere Artikel zu Powermanagement-ICs