Vergleich verschiedener PFC-Topologien

Bringt Totem Pole wirklich was?

20. Oktober 2022, 18:00 Uhr | Tomas Hudson und Cristian Pineda, Monolithic Power Systems, Ralf Higgelke
Monolithic Power Systems
© Monolithic Power Systems

Durch die Wide-Bandgap-Halbleiter wie SiC und GaN lässt sich nun auch die Totem-Pole-PFC praktisch nutzen. Aber bringt sie gegenüber der klassischen Boost-Topologie wirklich Vorteile? Grund genug, die verschiedenen PFC-Topologien simulationsgestützt zu vergleichen.

Diesen Artikel anhören

Da immer mehr Geräte elektrisch betrieben werden, kann die zunehmende Netzverzerrung zu Problemen im Stromversorgungsnetz führen. Um dieses Problem zu entschärfen, brauchen Netzteile eine moderne Leistungsfaktor-Korrektur (Power Factor Correction, PFC), um die Anforderungen für den Leistungsfaktor zu erfüllen, die in IEC 61000-3-2 niedergelegt sind.

Als Topologie für die PFC-Stufe kommt heute meist die Boost-PFC zum Einsatz, aber mit der Einführung von Wide-Bandgap-Halbleitern (WBG) aus Galliumnitrid (GaN) und Siliziumkarbid (SiC) lassen sich nun auch brückenlose Topologien wie die Totem-Pole-PFC implementieren. Darüber hinaus lassen sich mit modernen Totem-Pole-Controllern wie dem MPF32010 von Monolithic Power Systems auch komplexe Designs wie die Interleaved-Totem-Pole-PFC einfacher ansteuern. In diesem Artikel werden diese drei Topologien bei unterschiedlichen Anwendungen miteinander verglichen.

Monolithic Power Systems
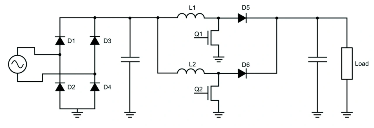
Bild 1: Schaltplan der Interleaved-Boost-PFC
© Monolithic Power Systems

Die Interleaved-Boost-PFC ist die gängigste Topologie für die Leistungsfaktor-Korrektur. Dabei wird zusätzlich zu der gleichrichtenden Diodenbrücke ein Hochsetzsteller (Boost Converter) verwendet (Bild 1). Der Hochsetzsteller regelt gleichgerichtete Wechselspannung auf eine höhere Gleichspannung, beispielsweise konstant 400 V. Dadurch reduziert sich die Welligkeit der Ausgangsspannung, während der Strom zu einer Sinuswelle geformt wird.

Der Leistungsfaktor lässt sich mit einem einzigen Hochsetzsteller korrigieren, aber häufig werden zwei oder mehrere solcher Regler parallelgeschaltet, wobei die Phasen zueinander versetzt sind. Dies wird als Interleaving (Verschachtelung) bezeichnet, was den Wirkungsgrad verbessert und die Eingangsstromwelligkeit reduziert.

Totem-Pole-Topologien

Monolithic Power Systems
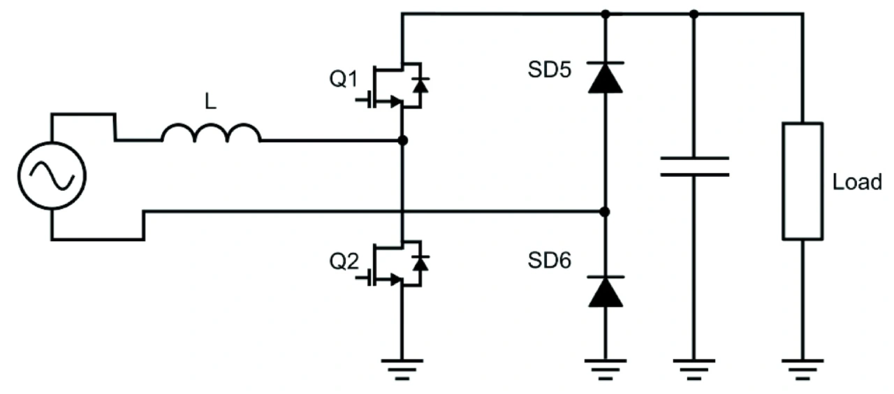
Bild 2: Schaltplan einer brückenlosen Totem-Pole-PFC
© Monolithic Power Systems

Die Wide-Bandgap-Halbleitermaterialien haben Schaltungskonzepte praktisch umsetzbar gemacht, die zuvor durch die thermischen und elektrischen Eigenschaften von siliziumbasierten Halbleitern limitiert waren. Eines dieser Designs ist die brückenlose Totem-Pole-Topologie, die eine Gleichrichtung mit einer Hochsetzsteller-Stufe kombiniert und zwei Schaltzweige verwendet, die mit unterschiedlichen Frequenzen arbeiten (Bild 2).

Der erste Zweig, der sogenannte langsame Zweig bestehend aus SD1 und SD2, kommutiert mit der Netzfrequenz (z. B. zwischen 50 Hz und 60 Hz). Dieser Zweig verwendet herkömmliche Siliziumschalter und ist hauptsächlich für die Gleichrichtung der Eingangsspannung zuständig. Der zweite Zweig, der sogenannte schnelle Zweig bestehend aus Q1 und Q2, formt den Strom und erhöht die Spannung. Dieser Zweig muss bei sehr hohen Frequenzen (etwa 100 kHz) schalten. Hohe Leistungen mit höheren Frequenzen zu schalten stellt eine größere thermische und elektrische Belastung für die Schalter dar. Aus diesem Grund sind WBG-Bauelemente wie SiC-MOSFETs oder GaN-HEMTs erforderlich, damit der Wandler zuverlässig und effizient arbeitet.

Im Vergleich zu Interleaved-Boost-Wandlern ist diese Topologie im Allgemeinen leistungsfähiger. Allerdings machen die zusätzlichen aktiven Schalter die Ansteuerungsschaltung komplexer. Dieses Problem lässt sich häufig durch die Implementierung von integrierten Totem-Pole-Controllern entschärfen.

Monolithic Power Systems
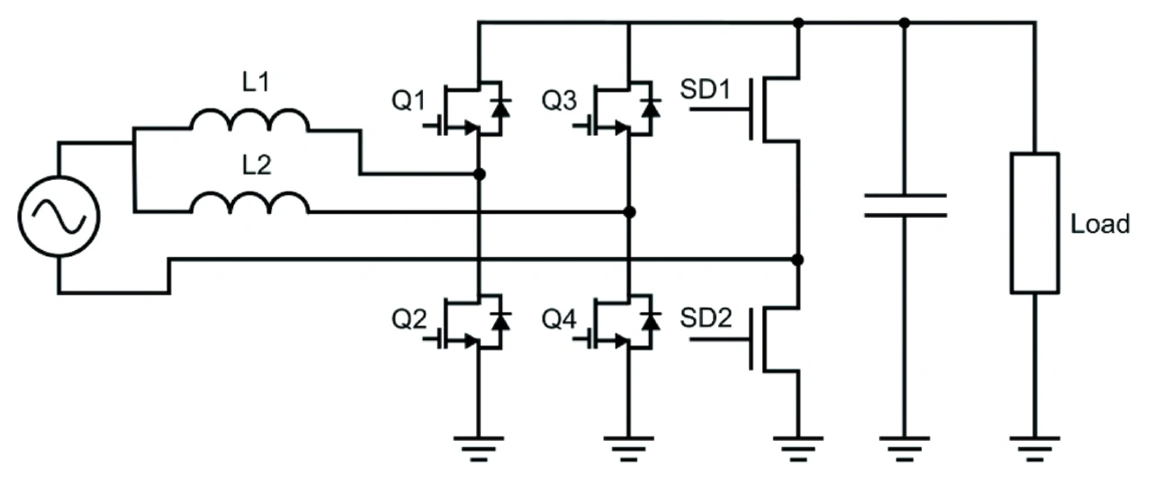
Bild 3: Schaltplan einer Interleaved-Totem-Pole-PFC
© Monolithic Power Systems

Um den Wirkungsgrad der brückenlosen Totem-Pole-PFC zu verbessern, lassen sich zusätzliche Hochfrequenzzweige hinzufügen, um eine verschachtelte Totem-Pole-PFC zu bilden (Bild 3). Zusätzliche Zweige reduzieren die Welligkeit der Ausgangsspannung des Wandlers und verteilen die Leistungsanforderungen des Wandlers gleichmäßig auf alle Zweige. Dadurch lassen sich sowohl die Baugröße als auch die Gesamtkosten minimieren.

Kenngrößen festlegen

Um Topologien in verschiedenen Situationen zu vergleichen, wurde eine Reihe von Simulationsmodellen für zwei Leistungsstufen entwickelt. Um die Ergebnisse besser vergleichen zu können, kamen die gleichen Systemspezifikationen zur Anwendung (Tabelle 1).

ParameterWert
Eingangsspannung UIN / V200
Ausgangsspannung UOUT / V400
Welligkeit der Ausgangsspannung ∆UOUT / %5
Schaltfrequenz fSW / kHz100

Tabelle 1: Systemspezifikationen für die PFC-Stufe

Für den Vergleich der verschiedenen Topologien wurden Schlüsselparameter festgelegt. Diese Kenngrößen werden im Folgenden beschrieben.

Welligkeit des Eingangsstroms (ΔIIN): ΔIIN gibt an, wie stark der Eingangsstrom schwankt, und ist die Differenz zwischen dem Maximal- und dem Minimalwert des Eingangsstroms während einer einzelnen Schaltperiode:

ΔIIN=IIN_MAX_PK-IIN_MIN_PK

Harmonische Gesamtverzerrung des Stroms (THDI): THDI ist ein Maß für die Verzerrungen des Stroms am Eingang, ohne dass ein Filter vorhanden ist.

THDI=I22+I32+I42++IN2I1 

Indizes der induktiven Energie (IEI) und der kapazitiven Energie (CEI): Diese Indizes informieren über die benötigte Induktivität und Kapazität des Umrichters pro Leistungseinheit. Diese Parameter sind eng mit der endgültigen Größe und den Kosten der Komponenten verbunden.

IEI=i=1N12·Li·Ii,PK2Pnom CEI=i=1N12·Ci·Ui,PK2Pnom

Index der gesamten Schaltleistung (TSP): Der TSP vergleicht die Belastung der Halbleiterbauelemente des Wandlers hinsichtlich Spannung und Strom pro Leistung (ähnlich einer Siliziumäquivalentfläche). Der TSP steht in engem Zusammenhang mit den Endkosten der Siliziumbauteile im Wandler.

TSP=i=1NUi,PK·Ii,PKPnom

Wirkungsgrad (η): Der Wirkungsgrad gibt an, wie viel Leistung durch die PFC-Stufe verloren geht. Er ist der Quotient aus Ausgangs- zu Eingangsleistung.

Im ersten Test wurden alle drei Topologien – Interleaved-Boost-PFC, Bridgeless Totem-Pole-PFC und Interleaved-Totem-Pole-PFC – für eine 300-W-Anwendung simuliert. Dieser Leistungspegel ist häufig bei Computer-Netzteilen zu finden. Der zweite Test erfolgte mit 3 kW, einer viel höheren Leistung, die häufig bei Anwendungen wie dem Laden von Elektrofahrzeugen verwendet wird.

Vergleiche zwischen Topologien können allgemeine Schlussfolgerungen zu jeder Topologie liefern. Allerdings hängt die Leistungsfähigkeit dieser Designs weitgehend von den ausgewählten Komponenten und den Betriebsparametern ab. Daher müssen Entwickler sorgfältig abwägen, welches Design sie implementieren wollen, und es mit großer Sorgfalt für ihre Anwendung optimieren. Um dies zu veranschaulichen, wurden die Verlustleistungen analysiert, wobei nur die Verluste in den Bauelementen berücksichtigt wurden; in allen Topologien wurden ähnliche Bauelemente verwendet.

Simulationen für 300 W und 3 kW

Monolithic Power Systems
Bild 4: Verlustleistung der PFC-Stufe in Watt in 300-W-Netzteilen (blau: Leitverluste; orange: Schaltverluste)
© Monolithic Power Systems

Vergleicht man die Topologien, so ist der erste wichtige Aspekt, dass die Totem-Pole-PFC keine Gleichrichterbrücke enthält, was die Anzahl der schaltenden Komponenten reduziert. Die Diodenbrücke im Hochsetzsteller ist immer leitend, sodass die Leitverluste den Wirkungsgrad stark beeinflussen. Bei niedriger Leistung sind die Ströme im Wandler relativ klein, sodass der größte Teil der Verluste beim Schalten entsteht. Aus diesem Grund liegen die Wirkungsgrade bei 300-W-Anwendungen sowohl bei der Boost- als auch der Totem-Pole-PFC-Topologie im selben Bereich (Bild 4).

Monolithic Power Systems
Bild 5: Verlustleistungen der PFC-Stufe in Watt in 3-kW-Netzteilen (blau: Leitverluste; orange: Schaltverluste)
© Monolithic Power Systems

Der Einfachheit halber vergleichen wir den Wirkungsgrad zwischen dem verschachtelten Aufwärtswandler und dem Totem-Pole-Wandler, da der Unterschied bei den Verlusten zwischen dem traditionellen und dem verschachtelten Totem-Pole-Design gering ist.

Bei einer Leistung von 3 kW ist der Strom in der Schaltung deutlich höher. Dadurch steigen aufgrund des hohen Ersatzwiderstands in den Gleichrichterdioden die Durchlassverluste in der Boost-Topologie erheblich an. Aus diesem Grund arbeitet die Totem-Pole-PFC bei Anwendungen mit hoher Leistung wesentlich effizienter (Bild 5).

Unterschiede bei den Betriebsarten

Monolithic Power Systems
Bild 6: Simulationsergebnisse für die Eingangsströme bei verschiedenen PFC-Topologien
© Monolithic Power Systems

Ein weiterer entscheidender Aspekt beim Vergleich von Boost- und Totem-Pole-PFC-Topologien ist die Betriebsart. Totem-Pole-Topologien arbeiten in der Regel im nichtlückenden Betrieb (Continuous Conduction Mode, CCM), während die Interleaved-Boost-Topologie im quasiresonanten Modus zwischen nichtlückendem und lückendem Betrieb (Critical Conduction Mode, CrCM) arbeitet. Der CCM-Betrieb reduziert die Welligkeit des Spulenstroms und den THDI erheblich, während der CrCM-Betrieb eine viel kleinere Induktivität erfordert und zu einem niedrigeren Index der induktiven Energie (IEI) führt (Bild 6).

Monolithic Power Systems
Bild 7: Simulationsergebnisse der Ströme durch die Induktivitäten bei verschiedenen PFC-Topologien
© Monolithic Power Systems

Allerdings führt ein höherer THDI dazu, dass der Eingangsfilter bei einer Boost-PFC größer sein muss, um die Anforderungen an die Netzqualität zu erfüllen. Dies konterkariert die Vorteile (geringere Kosten und Größe), die sich aus dem Wegfall einer Induktivität ergeben. Darüber hinaus ist der Strom über die Schalter beim quasiresonanten Modus viel größer als beim nichtlückenden Betrieb. Dadurch werden die Schaltkomponenten zusätzlich durch Spannung und Strom belastet (Bild 7).

Fazit

Mehrere Wandler parallelzuschalten verbessert die Leistungsfähigkeit, weil sich der gesamte Eingangsstrom gleichmäßig auf mehrere Phasen aufteilt. Ein einzelner, nicht verschachtelter Hochsetzsteller allein könnte einer Totem-Pole-PFC weder beim Wirkungsgrad noch bei der Leistungsfähigkeit das Wasser reichen. Durch die Verschachtelung mehrerer paralleler Hochsetzsteller verbessert sich die Leistungsfähigkeit jedoch drastisch, was die Interleaved-Boost-Topologie zu einer echten Option für Anwendungen im mittleren Leistungsbereich macht, wie das 300-W-Beispiel gezeigt hat.

Bei hohen Leistungen hat auch die Interleaved-Boost-Topologie Mühe, den Wirkungsgrad von Totem-Pole-Topologien zu erreichen. Darüber hinaus profitieren bei Anwendungen mit 3 kW oder mehr sogar Totem-Pole-Wandler vom Interleaving. Durch die Aufteilung des Stroms auf zwei Zweige halbiert sich die Induktivität in jedem Zweig. Dies verringert die Anforderungen an die Leistungsschalter und reduziert gleichzeitig die Welligkeit des Eingangsstroms. Tabelle 2 fasst die unterschiedlichen Parameter der drei PFC-Topologien zusammen.

ParameterInterleaved Boost PFC (CrCM)Topem Pole PFC (CCM)Interleaved Totem Pole (CCM)
Anzahl an Dioden622
Anzahl an unabhängigen Schalttransistoren224
Index der Gesamtschaltleistung (TSP)26,511,211,2
Anzahl an Stromsensoren212
Anzahl an Spannungssensoren222
Anzahl an Induktivitäten212
Induktivität pro Spule35,8 µH (3-kW-Design),
358 µH (300-W-Design)

239 µH (3-kW-Design),
2390 µH (300-W-Design)

477,9 µH (3-kW-Design),
4779 µH (300-W-Design)

Inductive Energy Index (IEI)4 J/VA

19,4 J/VA

19,4 J/VA

Ausgangskapazität1194 µF (3-kW-Design),
119 µF (300-W-Design)

1194 µF (3-kW-Design),
119 µF (300-W-Design)

1194 µF (3-kW-Design),
119 µF (300-W-Design)

Capacitive Energy Index (CEI)

31,8 J/kVA

31,8 J/kVA

31,8 J/kVA

Eingangsstrom-Welligkeit (max.)31,8 %

31,8 %

31,8 %

THDI bei Nennleistung (ohne Filter71 %13 %5,8 %
Wirkungsgrad (300-W-Design) bei Nennleistung98,3698,2598,28
Wirkungsgrad (3-kW-Design) bei Nennleistung98,0099,2399,23

Tabelle 2: Vergleich der PFC-Topologien (Simulationsergebnisse)

Weil die Boost-PFC-Topologie so simpel ist, gilt sie bei den meisten Entwicklern als Standardlösung. Allerdings sinkt ihr Wirkungsgrad bei Anwendungen mit hoher Leistung. In diesen Fällen kann eine Totem-Pole-PFC-Topologie trotz der zusätzlichen Komplexität besser geeignet sein. Die Einführung von integrierten Totem-Pole-Controllern wie dem MPF32010 von Monolithic Power Systems vereinfacht die Implementierung solcher PFC-Wandler erheblich.


Lesen Sie mehr zum Thema


Das könnte Sie auch interessieren