Totem-Pole-PFC-Schaltungen

Implementierung vereinfachen

13. Februar 2023, 08:30 Uhr | Von Rolf Horn, Digi-Key, Ralf Higgelke
Die Ausgangsleistung über 75 W ist bei Netzteilen eine Leistungsfaktorkorrektur (PFC) vorgeschrieben. Die neuen Wide-Bandgap-Halbleiter Siliziumkarbid u. Galliumnitrid machen eine Totem-Pole-PFC möglich
© PX Media | stock.adobe.com

Ab einer Ausgangsleistung von über 75 W ist bei Netzteilen eine Leistungsfaktorkorrektur (Power Factor Correction, PFC) vorgeschrieben. Die neuen Wide-Bandgap-Halbleiter Siliziumkarbid und Galliumnitrid machen nun eine Totem-Pole-PFC möglich. Dieser zusätzliche Aufwand lässt sich minimieren.

Diesen Artikel anhören

Ein hoher Leistungsfaktor und ein hoher Wirkungsgrad sind wichtige Anforderungen für Netzteile, die in Servern, Netzwerken, 5G-Telekommunikation, Industriesystemen, Elektrofahrzeugen und einer Reihe anderer Anwendungen eingesetzt werden. Die Herausforderung für die Entwickler von Stromversorgungen besteht nun darin, gleichzeitig die Anforderungen an den Wirkungsgrad und die elektromagnetische Verträglichkeit zu erfüllen, die in EMV-Normen wie IEC 61000-3-2 sowie in der neuesten Effizienznorm 80 Plus Titanium von EnergyStar festgelegt sind. 80 Plus Titanium fordert einen Wirkungsgrad von mindestens 90 Prozent bei einer Last von zehn Prozent sowie von 96 Prozent bei Volllast.

Bild 1. Zwei gängige PFC-Topologien sind ein einfacher Aufwärtswandler (links) und ein Totem-Pole (rechts)
Bild 1. Zwei gängige PFC-Topologien sind ein einfacher Aufwärtswandler (links) und ein Totem-Pole (rechts).
© Onsemi

Ein Hochsetzsteller als Boost-PFC-Stufe erfüllt die EMV-Anforderungen, umfasst aber einen relativ ineffizienten Brückengleich- richter mit Siliziumdioden (Bild 1, links). Wenn der Hauptwandler etwa zwei Prozent Wirkungsgrad kostet, der Brückengleich- richter ein Prozent und der PFC-Hochsetzsteller bei niedriger Eingangsspannung fast zwei Prozent, dann wird klar, dass es mit fast vier Prozent an Verlusten im Niederspannungsbereich eine Herausforderung ist, die Anforderung von 80 Plus Titanium zu erfüllen.

Aufbau einer Totem-Pole- PFC-Stufe

Den Brückengleichrichter und den Hochsetzsteller durch eine brückenlose Totem-Pole-PFC-Stufe zu ersetzen (Bild 1, rechts), steigert den Wirkungsgrad, und der Leistungsfaktor bleibt hoch. Allerdings wird die Schaltung dadurch komplexer, da diese Topologie zwei Regelkreise beinhaltet: einen langsamen Regelkreis, der mit der Netzfrequenz für die Gleichrichtung arbeitet, und einen schnellen Regelkreis für den Hochsetzsteller. In der Schaltung in Bild 1 bilden Q3 und Q4 den langsamen Zweig, der die synchrone Gleichrichtung bei Netzfrequenz durchführt. Dafür eignen sich Silizium-MOSFETs hervorragend. Die Schalter Q1 und Q2 bilden den schnellen Zweig, der die gleichgerichtete Spannung anhebt, beispielsweise auf 380 V Gleichspannung. Dafür kommen meist Leistungsschalter aus Siliziumkarbid- (SiC) oder Galliumnitrid (GaN) zum Einsatz, weil die nur eine geringe oder gar keine Sperrverzögerung aufweisen und damit deutlich niedrigere Schaltverluste bieten als Silizium-MOSFETs.

Diese zwei Regelkreise von Grund auf neu zu entwickeln, ist ein zeitaufwendiger Prozess, der die Markteinführung verzögern und zu einer Lösung führen kann, die teurer und größer ist als nötig. Um diese Herausforderungen zu meistern, können Entwickler auf PFC-Controller-ICs wie zum Beispiel von Onsemi zurückgreifen, die für den Einsatz in brückenlosen Totem-Pole-PFC-Designs optimiert sind. Diese Controller verfügen über intern kompensierte digitale Schleifen, können eine zyklusweise Strombegrenzung implementieren, ohne dass ein Hall-Effekt-Sensor erforderlich ist, und können mit Silizium-MOSFETs oder Leistungshalbleitern mit großer Bandlücke (Wide Bandgap, WBG) wie SiC oder GaN verwendet werden. Die daraus resultierende PFC-Stufe kann mit Eingangsspannungen von 90 bis 265 V und mit Wirkungsgraden von bis zu 99 Prozent arbeiten.

Regelung optimieren

Eine weitere Entscheidung beim Entwurf einer PFC ist die Wahl der Regelungstechnik. PFCs können im nichtlückenden Betrieb (Continuous Conduction Mode, CCM), im lückenden Betrieb (Discontinuous Conduction Mode, DCM) oder im kritischen Modus (Critical Conduction Mode, CrCM) arbeiten. Diese Modi unterscheiden sich durch die Betriebseigenschaften der PFC-Spule (L1 in Bild 1).

Der nichtlückende Betrieb nutzt die Induktivität am besten aus und hält die Kupfer- und Kernverluste niedrig, ist aber schwer zu schalten und hat höhere dynamische Verluste. Der lückende Betrieb wiederum kann für den Betrieb mit niedriger Last effizient sein, leidet aber unter relativ hohen Spitzen- und Effektivwerten beim Spulenstrom, was dort die Kupfer - und Kernverluste nach oben treibt.

Der Spitzenstrom in der Induktivität bei einer PFC-Stufe im Critical Conduction Mode (CCrM) ist auf das Doppelte des Eingangsleitungsstroms begrenzt
Bild 2. Der Spitzenstrom in der Induktivität bei einer PFC-Stufe im Critical Conduction Mode (CCrM) ist auf das Doppelte des Eingangsleitungsstroms begrenzt.
© Onsemi

Der CrCM kann einen höheren Wirkungsgrad in Designs bis zu einigen hundert Watt bieten. Dabei werden Änderungen der Netzspannung und des Laststroms überwacht, und die Schaltfrequenz variiert, um an dem Betriebspunkt exakt zwischen CCM und DCM zu arbeiten. Der CrCM hat geringe Einschaltverluste und begrenzt den Spitzenstrom auf das Doppelte des Durchschnittsstroms, sodass die Kupfer- und Kernverluste auf einem vernünftigen Niveau bleiben (Bild 2).

Allerdings bringt der CrCM einige Herausforderungen mit sich:

➔ Es handelt sich um eine hart schaltende Topologie, und die Durchlassverzögerung des Aufwärtswandlers führt zu zusätzlichen Verlusten und kann ein Überschwingen der Ausgangsspannung verursachen.

➔ Bei geringer Last läuft sie mit sehr hohen Frequenzen, was die Schaltverluste erhöht und den Wirkungsgrad verringert.

➔ Es sind vier aktive Komponenten zu steuern, außerdem muss der Nulldurchgang des Stroms in der PFC-Induktivität erkannt und die Ausgangsspannung geregelt werden.

Ein CrCM lässt sich mit Sensoren zusammen mit einem Mikrocontroller (MCU) implementieren, um die komplexen Regelungsalgorithmen abzuarbeiten. Die Codierung der Algorithmen, die die oben beschriebenen Herausforderungen berücksichtigen, ist risikoreich und zeitaufwendig und kann die Markteinführung verzögern.

Bei der Implementierung Zeit sparen

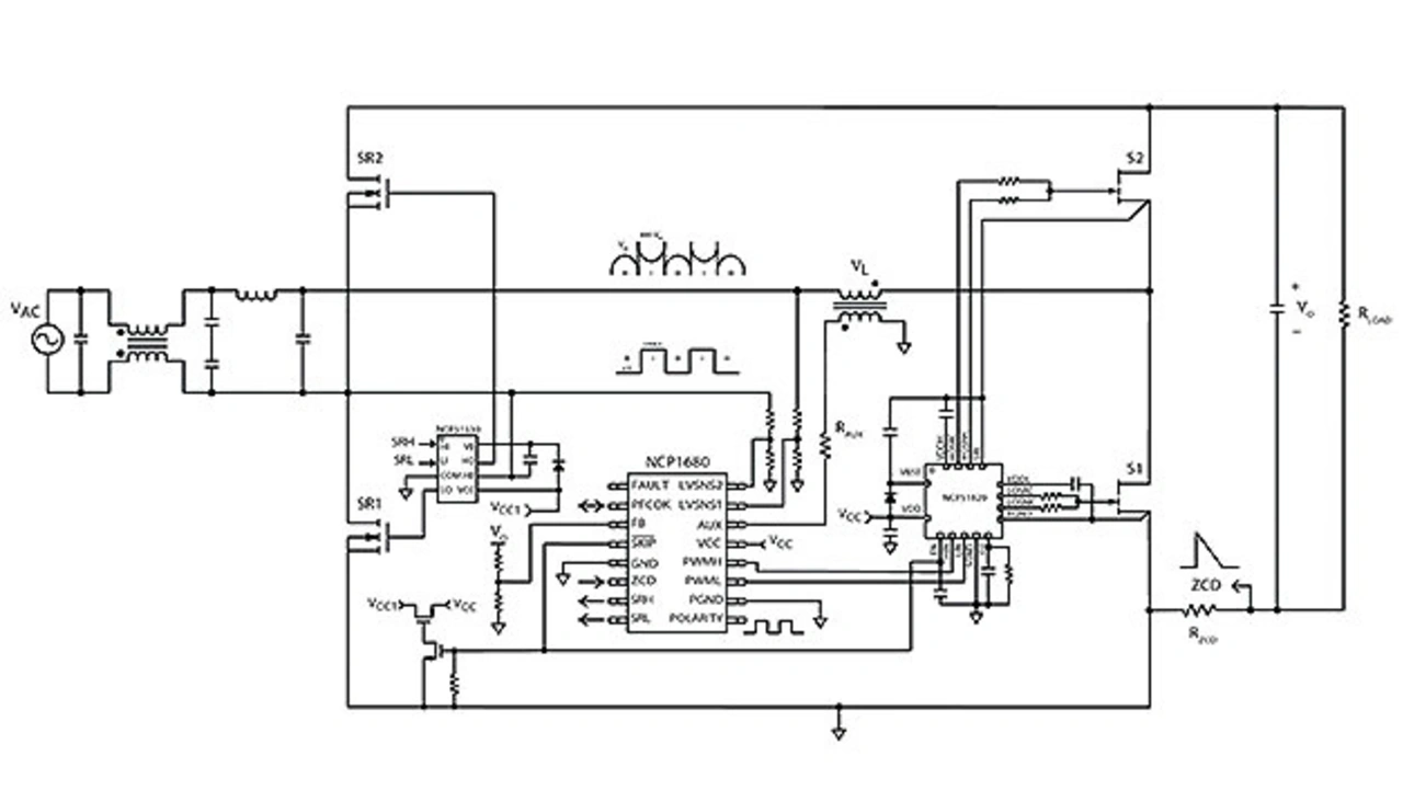
Der CrCM-Regler NCP1680 verwendet eine kostengünstige und effiziente ohmsche Strommessung (ZCD in der unteren rechten Ecke des Schaltplans)
Bild 3. Der CrCM-Regler NCP1680 verwendet eine kostengünstige und effiziente ohmsche Strommessung (ZCD in der unteren rechten Ecke des Schaltplans).
© Onsemi

Um diese Herausforderungen zu lösen, können Entwickler den Mischsignal-Controller NCP1680ABD1R2G von Onsemi einsetzen (Bild 3), der eine integrierte und codefreie Totem-Pole-PFC-Lösung für den CrCM bietet (Bild 4, rechts). Der Controller im SOIC-16-Gehäuse ist nach AEC-Q100 für Automobilanwendungen qualifiziert und verfügt über eine verlustarme, kosten- günstige Strommessung per Shunt und implementiert eine zyklusweise Strombegrenzung, ohne dass ein Hall-Effekt-Sensor erforderlich ist.

Die Regler-ICs NCP1680 von Onsemi (links) lassen sich mit dem Highspeed-Gate-Treiber NCP51820 (rechts) kombinieren, um GaN-Leistungsbauelemente in einer Totem-Pole-PFC zu betreiben
Bild 4. Die Regler-ICs NCP1680 von Onsemi (links) lassen sich mit dem Highspeed-Gate-Treiber NCP51820 (rechts) kombinieren, um GaN-Leistungsbauelemente in einer Totem-Pole-PFC zu betreiben.
© Onsemi

Der intern kompensierte digitale Spannungsregelkreis optimiert die Leistung über den gesamten Lastbereich und vereinfacht das PFC-Design.

Der Regler NCP1680 lässt sich mit dem 4 mm × 4 mm großen Highspeed-Gate-Treiber NCP51820 von Onsemi im QFN-Gehäuse mit 15 Pins kombinieren (Bild 4, links). Er ist für die Verwendung mit GaN-Transistoren in Halbbrückentopologien vorgesehen. Der NCP51820AMNTWG beispielsweise zeichnet sich durch kurze und angepasste Laufzeitverzögerungen sowie einen Gleichtaktspannungsbereich für die High-Side-Ansteuerung von −3,5 V bis +650 V (typ.) aus.

Das Evaluierungsboard NCP51820GAN1GEVB enthält einen NCP51820-Treiber und zwei E-Mode-GaN-Schalter in einer Halbbrücken-Konfiguration
Bild 5. Das Evaluierungsboard NCP51820GAN1GEVB enthält einen NCP51820-Treiber und zwei E-Mode-GaN-Schalter in einer Halbbrücken-Konfiguration
© Onsemi

Die Treiberstufen sind mit speziellen Spannungsreglern ausgestattet, um die Gates der GaN-Bauelemente vor Überspannungen zu schützen. Die Gate-Treiber NCP51820 verfügen über eine unabhängige Unterspannungsabschaltung (UVLO) und einen thermischen Schutz.

Um die Markteinführung zu beschleunigen, können Entwickler das Evaluierungsboard (EVB) NCP51820GAN1GEVB verwenden. Dieses hilft Entwicklern, die Leistung der Treiber zur effizienten Ansteuerung von zwei GaN-Leistungsschaltern in einer Totem-Pole-Konfiguration zu untersuchen. Es umfasst den GaN-Treiber NCP51820 und zwei selbstsperrende GaN-Leistungsschalter in einer Halbbrückenkonfiguration (Bild 5).

Weitere Designhinweise

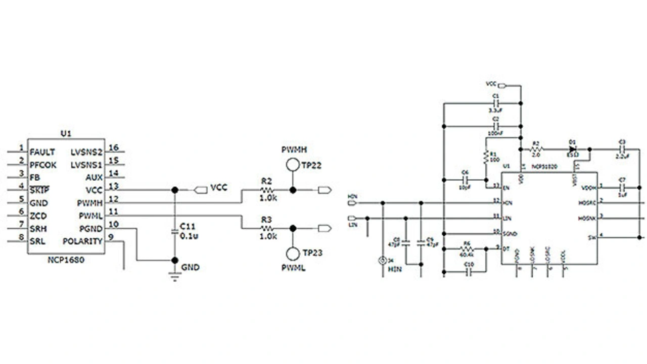
Eine Filterung der PWMH- und PWML-Steuersignale des NCP1680 direkt am Eingang des Gate-Treiber-ICs NCP51820 kann Rauscheffekte, wie zum Beispiel das versehentliche Auslösen des NCP51820, verhindern
Bild 6. Eine Filterung der PWMH- und PWML-Steuersignale des NCP1680 direkt am Eingang des Gate-Treiber-ICs NCP51820 kann Rauscheffekte, wie zum Beispiel das versehentliche Auslösen des NCP51820, verhindern
© Onsemi

Es gibt einige einfache Punkte, damit Entwickler die beste Performance bei der Verwendung dieser ICs erzielen. Um beispielsweise zu verhindern, dass Rauschen in den Signalpfad einkoppelt und versehentlich den Gate-Treiber NCP51820 auslöst, empfiehlt Onsemi, die Steuersignale (PWMH und PWML) vom NCP1680 direkt am Eingang des Gate-Treiber-ICs zu filtern. Ein Widerstand mit 1 kΩ und ein Kondensator mit 47 pF oder 100 pF, der direkt am Pin des Treibers platziert wird, können eine ausreichende Filterung gewährleisten (Bild 6).

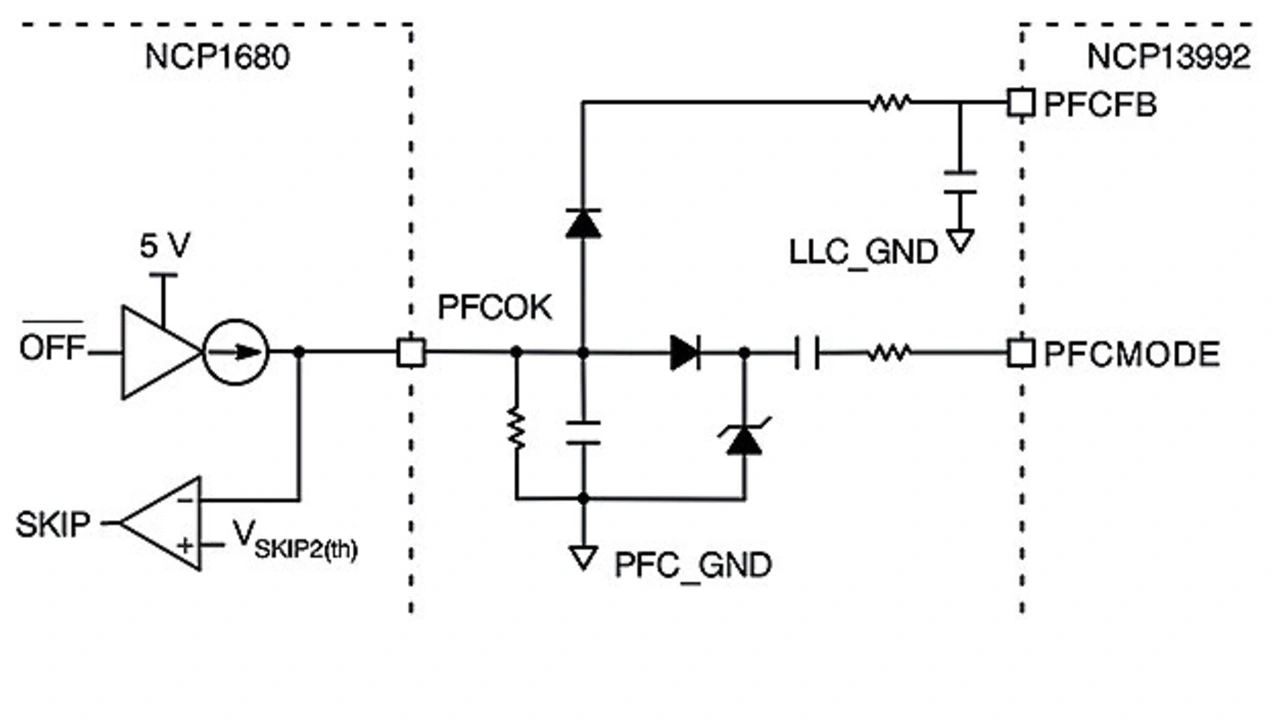
Beispiel für die externe Triggerschaltung, die benötigt wird, um den Skip/Stand-by-Modus im NCP1680 aufzurufen
Bild 7. Beispiel für die externe Triggerschaltung, die benötigt wird, um den Skip/Stand-by-Modus im NCP1680 aufzurufen
© Onsemi

Der Pulse-Skipping- bzw. Stand-by-Modus des NCP1680 ermöglicht ein sehr gutes Verhalten im Leerlauf und bei niedriger Last. Allerdings muss er extern ausgelöst werden, indem der PFCOK-Pin gepulst oder der SKIP-Pin geerdet und mit dem Resonanzmodusregler NCP13992 verbunden wird (Bild 7). Die Komponentenwerte für die Schnittstellenschaltung sollten denen für das Evaluation-Board entsprechen. Im Normal-betrieb entspricht der PFCMODE-Pin des NCP13992 Resonanzmodusreglers der VCC-Bias-Spannung des Reglers. Er pulsiert gegen Masse, wenn der Wandler in den Skip-Modus übergeht. Um in den Skip-Modus zu gelangen, muss der PFCOK-Pin für mehr als 50 μs unter 400 mV liegen.

Der Autor

Rolf Horn

© DigiKey

Rolf Horn

Applikationsingenieur bei Digi-Key Electronics, ist seit 2014 in der europäischen technischen Support-Gruppe tätig und in erster Linie für die Beantwortung aller Art von entwicklungs- und ingenieurtechnischen Fragen von Endkunden in DACH (Deutschland, Österreich & Schweiz) und BeNeLux (Belgien, Niederlande & Luxemburg) sowie für das Schreiben und Korrekturlesen von deutschen Artikeln und Blogs auf den Plattformen TechForum Digi-Key zuständig.

Vor seiner Zeit bei Digi-Key arbeitete er bei verschiedenen Herstellern im Halbleiterbereich mit Schwerpunkt auf eingebetteten FPGA-, Mikrocontroller- und Prozessorsystemen für IoT, Industrie- und Automobilanwendungen..

Anbieter zum Thema

zu Matchmaker+

Lesen Sie mehr zum Thema


Das könnte Sie auch interessieren