Genau hinschauen lohnt sich

Stromversorgungen für die LED-Beleuchtung

26. Mai 2014, 13:02 Uhr | Karin Zühlke
Diesen Artikel anhören

Fortsetzung des Artikels von Teil 1

Hilfe vom Spezialisten

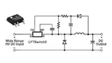
Prinzipschaltung mit dem LYTSwitch-0 als LED Treiber in einer Buck-Topologie
Prinzipschaltung mit dem LYTSwitch-0 als LED Treiber in einer Buck-Topologie
© Power Integrations /MEV Elektronik

Unterstützung bei der Auswahl der richtigen Stromversorgung und dem Design-In bieten erfahrene Spezialisten wie der Distributor MEV Elektronik, der sich unter anderem auf das Powermanagement spezialisiert hat. Seit dem Jahr 2009 kann MEV ergänzend zur fachlichen Expertise auch mit einem eigenen Powermanagementlabor aufwarten, in dem die Experten EMV-Messungen, Analysen und Prototypenbau betreuen. Mit einer umfassenden Linecard aus der Stromversorgung hat MEV Elektronik für fast alle Anwendungen eine passende Lösung im Programm.

Zu den Herstellerpartnern im Portfolio gehört auch PowerIntegrations, Hersteller von AC/DC-LED-Treibern. Die Schaltregler mit integriertem Leistungs-MOSFET sind in verschiedenen Gehäuseformen erhältlich. »Um aus dem Portfolio den richtigen LED-Treiber hinsichtlich Preis, Leistung und Regelverhalten auszuwählen, ist es wichtig die genauen Anforderungen der Applikation zu kennen. Parameter wie Eingangsspannungsbereich, Ausgangsspannung und Ausgangsstrom sowie Sicherheitsparameter sind genau zu definieren«, unterstreicht der MEV-Experte. »Zudem ist bei der Entwicklung der Stromversorgung drauf zu achten, ob und mit welcher Technik die LEDs gedimmt werden sollen«. Denn auch dieser Parameter beeinflusst die Auswahl der Stromversorgung erheblich. »In Kundengesprächen sind das die ersten Parameter, die wir klären, um danach tiefer auf die Entwicklung der Stromversorgung eingehen zu können«, schildert Egbers. Die Zusammenarbeit zwischen MEV Elektronik und dem Kunden beginnt also umgehend beim Start der Entwicklung.

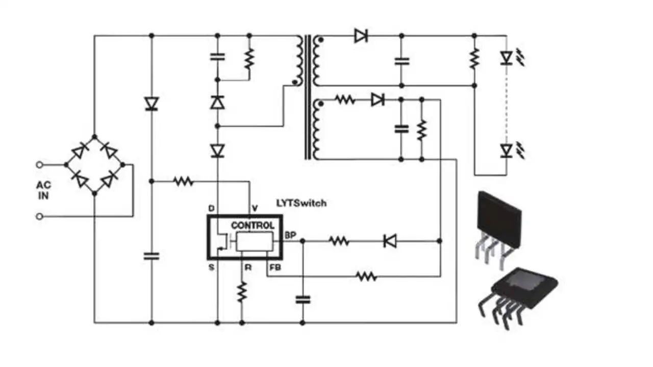
Prinzipschaltung, in der die wichtigsten Komponenten der Sperrwandlertopologie wie Übertrager, Regelschleife und Gleichrichtung dargestellt sind
Prinzipschaltung, in der die wichtigsten Komponenten der Sperrwandlertopologie wie Übertrager, Regelschleife und Gleichrichtung dargestellt sind
© Power Integrations

Bei der Auswahl einer Buck- oder Buck-Boost-Topologie für Anwendungen, in denen keine galvanische Trennung zwischen Primärseite und Sekundärseite des Netzteiles erforderlich ist, hat PowerIntegrations die Schaltreglerfamilie LYTSwitch-0 im Programm. Mit dieser Familie können Stromversorgungen bis zirka 12 W aufgebaut werden. »Hervorzuheben bei der LYTSwitch-0 Familie ist zum einen, dass sehr wenig externe Komponenten benötigt werden, was sich positiv auf die Gesamtkosten niederschlägt«, so Egbers. Und zum anderen wird ein PF von größer als 0,7 bei 120 V AC und von größer als 0,5 bei 230 V Eingangsspannungsbereich ohne aktive PFC-Stufe erreicht. Die Effizienz liegt dabei über 90 Prozent. Bei der Erstellung der Schaltpläne, Layouts und der Dimensionierung der einzelnen Komponenten der Schaltung unterstützen die Experten von MEV.

Auch für Anwendungen, in denen eine Powerfaktor-Korrektur notwendig ist, hat PowerIntegrations Alternativen zur Hand, und zwar die Reglerfamilien LYTSwitch-4, LinkSwitch-PH und LinkSwitch-PL. Die primärseitige Regelung, die aktive Powerfaktor-Korrektur, die Möglichkeit der Implementierung einer Dimmfunktion und der integrierte Leistungs-MOSFET zeichnen die hohe Integrationsstufe der Reglerfamilien aus, was sich positiv auf die Gesamtkosten der Schaltung auswirkt. Die neueste der drei genannten Familien ist die LYTSwitch-4-Familie. »Zum einen bietet die Schaltfrequenz von 132 kHz die Möglichkeit, den Einsatz von sehr kleinen Induktivitäten oder Übertragern in Applikationen vorzusehen, in denen der Platz ein kritischer Faktor ist, und zum anderen benötigt man durch die primärseitige Regelung keinen Optokoppler und erreicht dabei trotzdem eine Toleranz des Ausgangstroms von ±5 Prozent«, erläutert Egbers.

Schneller Start

Für die erste Evaluierung der Stromversorgungsentwicklung bietet MEV zu jeder Reglerfamilie ein Evaluation-Board an. »Mit diesen Boards ist es möglich, sehr schnell und einfach das Verhalten der verschiedenen Regler herauszufinden um möglichst effektiv in eine spätere eigene Applikation zu integrieren«, so Egbers. Neben der Definition des Reglers übernimmt MEV auch die Auslegung der weiteren Komponenten. Simulationen im Vorfeld der Entwicklung oder Verifikationen von verschiedenen Parametern gehören dabei laut Egbers ebenfalls zum Design-In-Support.


  1. Stromversorgungen für die LED-Beleuchtung
  2. Hilfe vom Spezialisten

Lesen Sie mehr zum Thema


Das könnte Sie auch interessieren

Jetzt kostenfreie Newsletter bestellen!

Weitere Artikel zu MEV Elektronik Service GmbH

Weitere Artikel zu LEDs

Weitere Artikel zu Energieerzeugung

Weitere Artikel zu Beleuchtung