Geringe Störemissionen

Ruhe jetzt!

9. Mai 2022, 14:35 Uhr | Von Keith Szolusha, Applications Director, und Kevin Thai, Applications Engineer, beide bei Analog Devices
Diesen Artikel anhören

Fortsetzung des Artikels von Teil 2

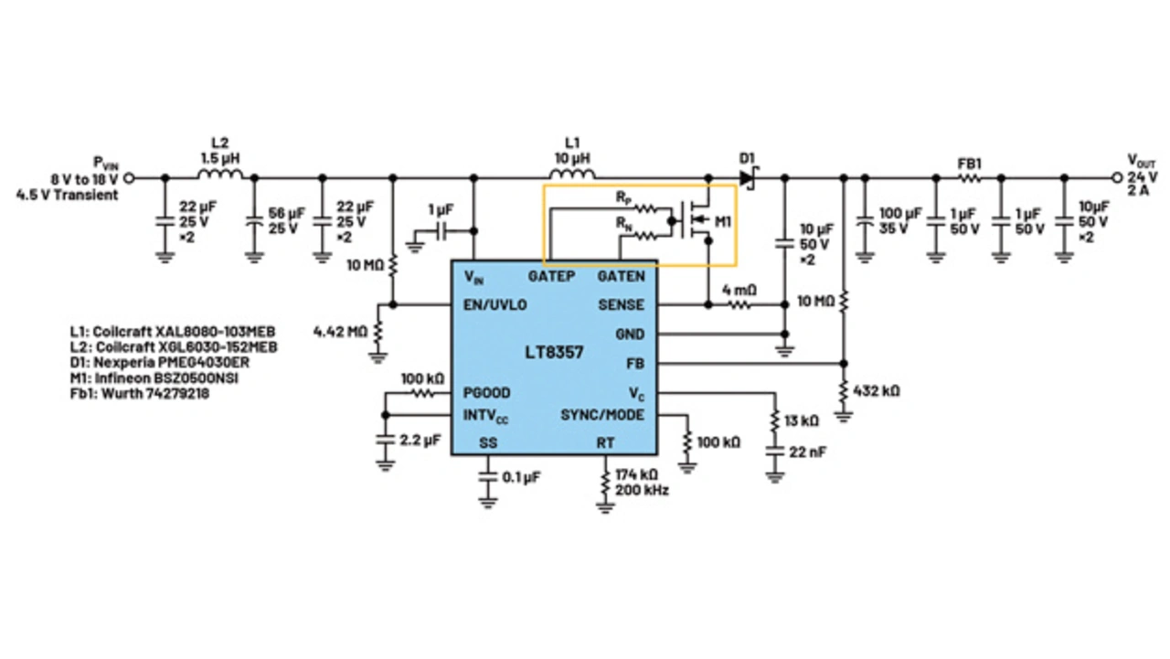
Asynchroner Boost-Controller mit Gate-Rate-Steuerung

An einem bestimmten Punkt erfordert die Hochleistungs-Gleichstromwandlung einen Controller sowie Hochspannungs- und Hochstromschalter außerhalb des IC. In diesem Fall verbleibt der Gate-Treiber für einen externen Schalter innerhalb des IC, aber die gesamte schaltende Hot Loop liegt außerhalb des IC. Einige kreative Hot Loops und Layouts sind möglich, aber die Hot Loop selbst wächst typischerweise allein aufgrund der Größe des bzw. der diskreten MOSFETs.

Der (asynchrone) Hochleistungs-Aufwärtsregler LT8357 liefert 24 V, 2 A (48 W) bei sehr geringen Emissionen und arbeitet mit einer niedrigen Schaltfrequenz für eine effiziente Umwandlung. Neben der engen Hot Loop (Bild 8) verfügt er auch über ansteigende und abfallende Gate-Steuerpins zur Flankensteuerung und Emissionsreduzierung. Ein einfacher 5,1-Ω-Widerstand RP (auf GATEP) reicht aus, um die Einschaltflankengeschwindigkeit des Leistungs-MOSFET M1 zu verringern und die Strahlungsemissionen auf ein Minimum zu reduzieren. Natürlich tragen auch einige Emissionsfilter und SSFM zur Emissionsminderung bei. Auf dem Demo-Board EVAL-LT8357-AZ ist zusätzlicher Platz für eine Abschirmung vorgesehen, die jedoch für die meisten Anwendungen nicht erforderlich sein dürfte. Dieser asynchrone Aufwärtsregler verfügt, ähnlich wie seine monolithischen Gegenstücke, über alle Funktionen, die für Hochleistungs-Boost- und SEPIC-Anwendungen mit geringer EMI erforderlich sind.

Anbieter zum Thema

zu Matchmaker+
Analog Devices
Bild 8: Der Hochspannungs-Boost-Controller LT8357 verfügt über geteilte Gate-Pins zur separaten Ansteuerung der ansteigenden und abfallenden Schaltflanke des diskreten Hochleistungs-MOSFET. Der gelbe Umriss kennzeichnet die Split-Gate-Pins.
© Analog Devices

EMI-arme Evaluierungsschaltungen wie der LT3950 DC2788A wurden ausgiebig auf abgestrahlte und leitungsgebundene Emissionen geprüft. Die erfolgreichen Emissionsprüfungsergebnisse in Bild 5 bis Bild 7 wurden mit eingeschaltetem SSFM, einer Eingangsspannung von 12 V und einem Strom von 330 mA durch eine 25-V-LED-Kette ermittelt. Sowohl die CE-Ergebnisse mittels Stromsonde als auch mittels der Spannungsmethode erfüllen die strengsten Grenzwerte. Es ist üblich, dass bei Schaltern CE-Probleme im UKW-Rundfunkband auftreten, der LT3950 umgeht jedoch das UKW-Band.

Durch die Einstellung der Schaltfrequenz auf 2 MHz (Einstellbereich 300 kHz bis 2 MHz) bleiben die Grundschwingungsemissionen oberhalb des Mittelwellenbands (530 kHz bis 1,8 MHz) und sind somit problemlos, ohne dass ein sperriges LC-AM-Bandfilter auf der Vorderseite erforderlich ist. Stattdessen können kleine, hochfrequente Ferritperlen als EMI-Filter für den LT3950 verwendet werden.

Der SEPIC LT8334 weist trotz des zusätzlichen Koppelkondensators in der heißen Schleife und der zusätzlichen Anschlüsse der gekoppelten Induktivität (wodurch sich die Anzahl der Schaltknoten verdoppelt) ebenfalls geringe Störemissionen auf. Das Demo-Board EVAL-LT8334-AZ SEPIC 12 VOUT arbeitet ebenfalls mit 2 MHz sowie SSFM und weist geringe Emissionen auf. Mit dem Aufwärtsregler EVAL-LT8357-AZ kann eine ähnliche Leistung erzielt werden. Monolithische und Regler-ICs sind aufgrund ihres einfachen Aufbaus, ihrer geringen Kosten, ihrer vielfältigen Topologien, ihrer hohen Leistungsfähigkeit und ihrer geringen Emissionen vorteilhaft. Wenn es vor allem auf extrem niedrige Emissionen ankommt, sind zudem Silent-Switcher-Aufwärtswandler für hohe Ströme erhältlich.

Das heißt: In emissionsarmen Anwendungen können sowohl synchrone Silent-Switcher- als auch asynchrone monolithische Schaltregler eingesetzt werden.


  1. Ruhe jetzt!
  2. Geregeltes Schalten ist effektiv
  3. Asynchroner Boost-Controller mit Gate-Rate-Steuerung

Lesen Sie mehr zum Thema


Das könnte Sie auch interessieren

Jetzt kostenfreie Newsletter bestellen!

Weitere Artikel zu Analog Devices GmbH

Weitere Artikel zu Powermanagement-ICs