400-VDC-HV-Speicherdrosseln von Würth Elektronik eiSos

Sicheres Schaltungsdesign in Hochvolt-Anwendungen

13. Mai 2014, 11:22 Uhr | Stefan Klein, Würth Elektronik eiSos

Wenn es um das Schaltungsdesign für Hochvolt-Anwendungen geht, gerät man mit Standard-Speicherdrosseln schnell an die Grenzen der Sicherheit. Würth Elektronik eiSos adressiert dieses Problem mit den für Isolationsspannungen bis 400 VDC ausgelegten Speicherdrosseln.

Diesen Artikel anhören

Zwar bieten die meisten AC-Offline-Wandler und -Schaltwandler, die mit gefährlichen Spannungen von über 60 VDC betrieben werden, aus Sicherheitsgründen eine galvanische Trennung, doch es gibt auch zahlreiche Anwendungen, in denen nichtisolierte Schaltungen Einsatz finden. Dort, wo Benutzer mechanisch vor dem Kontakt mit gefährlichen Spannungen geschützt sind oder wo sich Ein- und Ausgangsspannung auf der Primärseite eines isolierten Wandlers befinden, sind Buck- und Buckboost-Wandler häufig effizienter, benötigen weniger Leiterplattenfläche und kosten in der Implementierung weniger als Sperrwandler.

Anbieter zum Thema

zu Matchmaker+

Allgemeine Speicherdrossel-Topologien

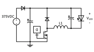
Buckboost-Wandler
© Würth
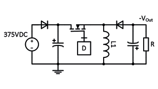
»Potenzialfreier« Buck-Wandler
© Würth
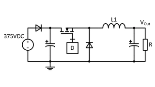
Buck-Wandler
© Würth

Alle Bilder anzeigen (3)

Drei allgemeine Topologien

Die Bilder 1a, 1b und 1c zeigen drei Topologien, bei denen herkömmliche Speicherdrosseln als Energiespeicher in Offline-Schaltungen bei universeller AC-Eingangsspannung (85 - 265 VAC) bzw. europäischer Netzspannung (195 - 265 VAC) zum Einsatz kommen. Dabei nähert sich die Spitzengleichspannung nach der Gleichrichtung einem Wert von 400 VDC. Anders als zum Filtern verwendete Drosseln, sehen die Speicherdrosseln in diesen drei Schaltungen Spannungen, die der Größenordnung der Spitzeneingangsspannung entsprechen oder sie sogar übertreffen. Hier setzen die drei neuen Speicherdrossel-Serien WE-PD HV, WE-PD2 HV und WE-TI HV von Würth Elektronik eiSos an: In insgesamt sechs Baugrößen in geschirmter und ungeschirmter Oberflächen- oder Durchsteckmontagetechnik erhältlich, sind sie speziell für den sicheren Betrieb bei Isolationsspannungen bis 400 VDC ausgelegt.

Die Topologien im Einzelnen: Bild 1a zeigt einen Standard-Buck-Wandler mit einem Einweggleichrichter, der den Nullleiter der AC-Eingangsleitung als Bezugserde nutzt. Die Ausgangsspannung VOut und die Eingangsspannung verwenden – wie bei nichtisolierten Gleichspannungswandlern und niedrigen Spannungen üblich – dieselbe Bezugserde. Das macht diese Schaltung ideal für die Erzeugung von Betriebsspannungen für ICs, die auf der Primärseite eines AC/DC-Wandlers massebezogen sind; das gilt für analoge Schaltungen wie Netzteilsteuerungen und Gate-Treiber ebenso wie für Mikrocontroller und Interface-Schaltungen. Der wesentliche Nachteil eines normalen Buck-Wandlers, der bei 400 VDC betrieben wird, besteht jedoch darin, dass der Steuerschalter potenzialfrei ist. 

Bild 1b zeigt eine alternative Buck-Wandler-Topologie, bei der der Steuerschalter massebezogen ist. Grundsätzlich ist diese Topologie aufgrund des leichteren Antriebs eines massebezogenen N-MOSFET-Schalters einfacher zu implementieren. Es können dieselben kombinierten Steuer- und HV-MOSFET-Geräte verwendet werden, von denen einige eine Eingangsspannung von 400 VDC direkt bewältigen können, während andere eine Niederspannungsversorgung für ihre Steuerbereiche brauchen, die sich normalerweise zwischen 12 und 24 VDC bewegt und mit einem diskreten Linearregler erzeugt wird.

Bild 1c zeigt einen Buckboost-Wandler, der eine negative Ausgangsspannung bezogen auf die negative Eingangsschiene entwickelt. Typische Anwendungen für eine solche Topologie sind beispielsweise negative Spannungen für den Betrieb von Operationsverstärkern und für die Steuerung von Triacs, mit denen die Netzspannung bei Schaltungen auf der Primärseite ein- bzw. ausgeschaltet wird.

Zwei Details, die man bei Buckboost-Wandlerschaltungen beachten muss, sind die zusätzliche Spannungsbeanspruchung in MOSFET, Ausgangsdiode und Spule in einer Größenordnung von VINPK + |VO|, sowie der unstete hohe Effektivstrom am Ausgangskondensator, der dem am Ausgang eines Sperrwandlers ähnelt.


  1. Sicheres Schaltungsdesign in Hochvolt-Anwendungen
  2. Kriech- und Luftstrecke in nichtisolierten Anwendungen
  3. Standarddrosseln und ihre Gefahren

Lesen Sie mehr zum Thema


Das könnte Sie auch interessieren

Jetzt kostenfreie Newsletter bestellen!

Weitere Artikel zu Würth Elektronik eiSos GmbH & Co. KG

Weitere Artikel zu EMV-Komponenten