Stromversorgung

Stromarchitekturen für Geräte mit Patientenkontakt

17. März 2020, 12:53 Uhr | Gary Bocock
Bei Stromarchitekturen für medizinische Anwendungen – insbesondere bei Geräten mit Patientenkontakt – kommt es auf Qualität und Sicherheit an.
© XP Power

Stromarchitekturen, welche die Anforderungen von Medizingeräten mit Patientenkontakt erfüllen, sind auch für erfahrene Entwickler anspruchsvoll. Es gibt mehrere Schlüsselelemente wie die Einsatzumgebung oder die erforderlichen Ausgangsspannungen, die zu berücksichtigen sind.

Diesen Artikel anhören

Die Komponente eines medizinischen Gerätes, die mit einem Patienten in Kontakt kommt, wird als Anwendungsteil bezeichnet. Das Anwendungsteil ist definiert als der Teil des Medizingeräts, der absichtlich direkten Kontakt mit einem Patienten hat oder Teile aufweist, die bei normaler Verwendung mit dem Patienten in Kontakt kommen können, damit das medizinische Gerät seine Funktion erfüllt. Die Normenreihe 60601-1 teilt die Geräte entsprechend ihres Anwendungsbereiches in drei verschiedene Klassen ein: Typ B (body), Typ BF (body float) und Typ CF (cardio float).

Anforderungen an Isolation und EMV

Medizinische Geräte mit Patientenkontakt müssen zwei Schutzmaßnahmen (MOP = Means of Protection) bereitstellen, um zu verhindern, dass Anwendungsteile und andere zugängliche Teile die Grenzwerte von Spannung, Strom oder Energie überschreiten. Darüber hinaus muss die Stromversorgung so ausgelegt sein, dass es den Berührungsstrom, den Patientenhilfsstrom und den Patientenableitstrom begrenzt.

Das Medizinprodukt muss auch die EMV-Anforderungen der Norm 60601-1-2 erfüllen. In erster Linie geht es darum die elektromagnetische Immunität von Geräten zu verbessern. Dies ist aufgrund der zunehmenden Verbreitung von drahtlosen Kommunikationsgeräten, die in der Nähe von lebenserhaltenden Geräten arbeiten können, notwendig. Diese drahtlosen Geräte können in Form von Mobiltelefonen, Bluetooth-Geräten, WiFi-, Tetra-, RFID- oder Funkruf-Produkten auftreten.

Stromarchitekturen für die häusliche Versorgung

Für die häusliche Gesundheitsversorgung ist es zwingend erforderlich, ein Isolationsschema zu wählen, bei dem kein Schutzleiter erforderlich ist. Dies wird durch die Schutzklasse-II erreicht, die naturgemäß keine Schutzleiterverbindung besitzt, jedoch weiterhin die Anforderungen an Gehäuse- und Patientenableitströme zur Erde erfüllen muss. Dies ist eine praktische Lösung bis etwa 300 Watt, da darüber hinaus die EMV-Anforderungen immer schwieriger einzuhalten sind.

 

Anbieter zum Thema

zu Matchmaker+

Fotos

Eine einfacher und kostengünstiger Ansatz für medizinische Geräte mit geringem Stromverbrauch und Patientenkontakt ist der Einsatz einer zweiten Isolationsstufe in Form eines medizinisch zugelassenen DC/DC-Wandlers, der sowohl die Basisisolation bei
© XP Power
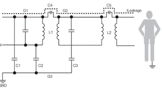
Im vereinfachten Stromversorgungssystems ist der Pfad für den Patientenableitstrom über C4 und C5 dargestellt. C5 stellt dabei die Koppelkapazität des DC/DC-Wandlers dar, die sehr klein ist und eine hohe Impedanz aufweist. Dadurch wird der Ableitstro
© XP Power
Für Systeme mit einer Leistung von 2-300W sind mehrere medizinisch zugelassene Geräte im Open Frame- oder U-Channel-Format verfügbar. Alternativ können zusätzliche Ausgangsspannungen mit isolierten oder nicht isolierten DC/DC-Wandlern zum Einsatz kom
© XP Power

Alle Bilder anzeigen (4)

Eine einfacher und kostengünstiger Ansatz für medizinische Geräte mit geringem Stromverbrauch und Patientenkontakt ist der Einsatz einer zweiten Isolationsstufe in Form eines medizinisch zugelassenen DC/DC-Wandlers, der sowohl die Basisisolation bei AC-Netzspannung gewährleistet als auch die Koppelkapazität (20 - 50pF) minimiert und den Patientenableitstrom auf eine einstellige µA-Zahl reduziert. Diese Architektur berücksichtigt auch potenziell vorhandene Systemstatussignale, die an unkontrollierten externen Geräten wie einen Computer oder Monitor angeschlossen werden können.

DC/DC-Wandler mit Medizinzulassung nach 60601 und Ausgangsleistungen von 1W bis 20W, der erforderlichen Isolationsfestigkeit zwischen Ein- und Ausgang sowie einer sehr geringen internen Kapazität zu wettbewerbsfähigen Preisen sind weitverbreitet. Durch die Kombination mit einem medizinisch zugelassenen AC/DC-Netzteil kann der Patientenableitstrom auf bis zu 2 μA reduziert werden, wodurch das Stromversorgungssystem für die Verwendung in BF- und CF-Anwendungen geeignet ist. Wenn die Versorgung des DC/DC-Wandlers von einer geregelten AC/DC-Stromversorgung erfolgt und die benötigte Leistung weniger als 2-3 Watt beträgt, kann ein ungeregelter Wandler mit fester Eingangsspannung verwendet werden.

Stromarchitekturen für multiple Ausgangsspannungen

Für portable Batterie- oder mit Gleichspannung betriebene Geräte gibt es DC/DC-Wandler mit bis zu 2 x MOPP-Isolation und kleiner Koppelkapazität, die lastunabhängig eine stabile Ausgangsspannung bei einem weiten Eingangsspannungsbereich liefern können. Für Medizinprodukte, die mehrere Ausgänge mit Patientenkontakt benötigen, bieten der geringe Ableitstrom der zusätzlichen DC/DC-Wandler, der nur 2µA betragen kann, eine einfach zu implementierende, robuste Architektur, die sowohl den Anforderungen an den Patientenhilfsstrom als auch den Patientenableitstrom gerecht wird.

Sobald mehrere Ausgangsspannungen in der AC/DC-Stufe benötigt werden, entwickelt sich der Erdableitstrom zum Problem. Durch die Limitierung des im SFC (SFC = Single Fault Condition) auftretenden Berührungsstroms sind mehrere Stromversorgungen mit verschiedenen Ausgangsspannungen nicht mehr praktikabel. In einem solchen Fall kann ein einzelnes AC/DC-Netzteil mit mehreren Ausgängen erforderlich werden.

Für Systeme mit einer Leistung von 2-300W sind mehrere medizinisch zugelassene Geräte im Open Frame- oder U-Channel-Format verfügbar. Alternativ können zusätzliche Ausgangsspannungen mit isolierten oder nicht isolierten DC/DC-Wandlern zum Einsatz kommen, die von einem einzigen AC/DC-Netzteil versorgt werden. Für Anwendungen mit höherer Ausgangsleistung gibt es konfigurierbare Architekturen, die mit verschiedenen Hochleistungs-Ausgangsmodulen bestückt werden können und über medizinische Sicherheitszulassungen verfügen.

Stromarchitekturen für motorbetriebene Applikationen

Bei Anwendungen mit höherer Leistung oder motorgetriebenen Vorrichtungen, zum Beispiel chirurgische Geräte und elektrisch betriebene Betten, Tische und Stühle, ist es unerwünscht, eine zusätzliche Isolationsstufe einzusetzen. Das liegt an der schlechten Verfügbarkeit von entsprechend isolierten DC/DC-Wandlern mit hoher Leistung und dem schlechten Wirkungsgrad durch die zweifache Leistungsumsetzung. Bei diesen Anwendungen ist eine einzige Stromversorgung mit den notwendigen Isolationen und Abständen sowie auch geringem Patientenableitstrom erforderlich.

Die Kombination aus hoher Isolation und geringen Ableitströmen repräsentiert die eigentlichen Herausforderungen bei der Entwicklung einer medizinischen AC/DC-Stromversorgung. Der Isolationsabstand auf der Sekundärseite wird deutlich erhöht und muss bei der Entwicklung berücksichtigt werden. Die Anforderungen an niedrige EMV-Störpegel und kleinen Ableitstrom stellen einen Konflikt dar, was eine störungsarme Topologie und die Minimierung von Differenzial- und Gleichtaktstörungen im gesamten Produkt erfordert. Gleichzeitig besteht die Notwendigkeit, die Restwelligkeit im Primärkreis zu minimieren und damit den Patientenableitstrom über die klein gehaltenen Koppelkapazitäten zu reduzieren.

Über den Autor: Gary Bocock ist Technischer Direktor bei XP Power.

Quelle: G. Barock (2020): Manchmal ist der Patient das geringste Problem. medical design 1/2020. S. 35. – 38

Themen in diesem Artikel

Medizinische Stromversorgung, DC/DC-Wandler, AC/DC-Netzteil, EMV-Anforderungen, MOP-Maßnahmen


Lesen Sie mehr zum Thema


Jetzt kostenfreie Newsletter bestellen!

Weitere Artikel zu XP Power GmbH

Weitere Artikel zu DC/DC-Wandler