Trennverstärker

Spannungen in Antrieben isoliert erfassen

20. September 2022, 10:50 Uhr | Alex Smith, Roland Bucksch und Martin Staebler, Texas Instruments, Ralf Higgelke
Electric Motor
© HopuWiki

Antriebe, String-Wechselrichter oder On-Board-Ladegeräte arbeiten mit so hohen Spannungen, dass Personen damit nicht direkt in Berührung kommen dürfen. Hier hilft die isolierte Spannungsmessung dabei, nicht nur den Betrieb zu optimieren, sondern auch die Sicherheit für die Menschen zu gewährleisten.

Diesen Artikel anhören

Eine ganze Reihe an Anwendungen im Automotive- und Industriebereich arbeitet mit solch hohen Spannungen, dass Menschen nicht direkt in Berührung kommen dürfen. Um den Betrieb zu optimieren, ist es aber nötig, die Ströme und Spannungen dort zu messen. Zu diesem Zweck übertragen isolierte Verstärker, mitunter auch als Trennverstärker bezeichnet, die Spannungsdaten über eine Isolationsbarriere hinweg.

Auswahlkriterien für solche Komponenten sind die Isolationsspezifikationen, der Eingangsspannungsbereich, die Genauigkeitsanforderungen und die Frage, wie die Stromversorgung der Hochspannungsseite gestaltet werden soll. Letzteres wird häufig davon beeinflusst, wo die Spannung in der Applikation gemessen wird. Dieser Artikel enthält Ratschläge für die Wahl des passenden isolierten Verstärkers. Hierzu werden drei gängige Spannungsmessungs-Situationen in einem AC-Antrieb diskutiert.

Das erste Kriterium sind die geforderten Isolationsspezifikationen. Die entsprechenden Begriffsbestimmungen finden sich in [1]. Die isolierten Verstärker und Modulatoren von Texas Instruments (TI) sind nach Normen beispielsweise der VDE 0884-17, nach der IEC 60747-17 und der UL 1577 spezifiziert und zertifiziert, und zwar in der Regel für die Basis- oder verstärkte Isolation. Weitere Einzelheiten finden sich im Datenblatt des jeweiligen Bausteins sowie in pdf/SBAQ003" target="_blank" title="http://www.ti.com/lit/pdf/SBAQ003">[2].

Texas Instruments
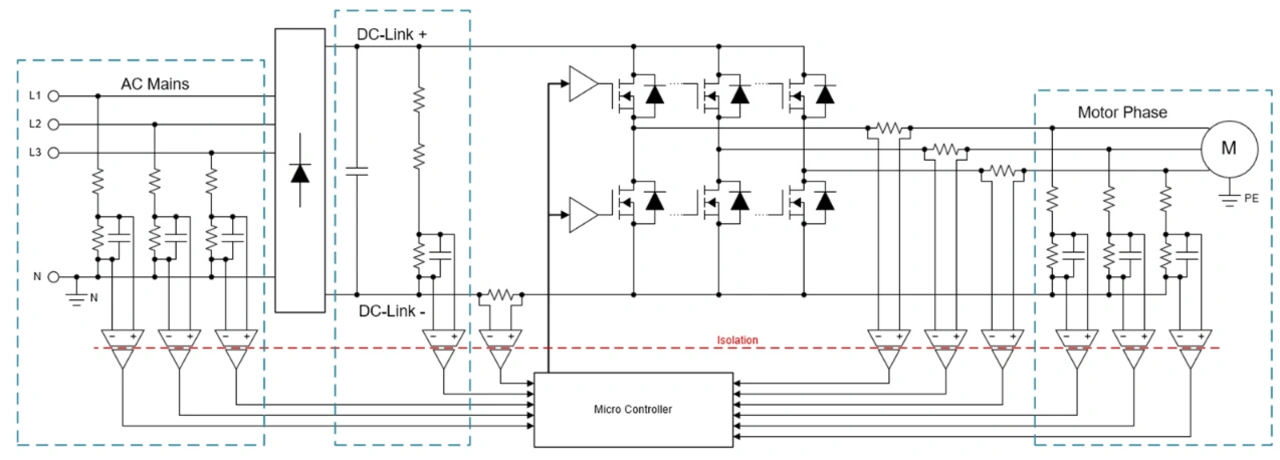
Bild 1: An diesen drei Messpunkten lassen sich die Spannungen in einer Antriebsapplikation mit isolierten Verstärkern abgreifen.
© Texas Instruments

Die Festlegung des Eingangsspannungsbereichs, der Genauigkeitsanforderungen und der Art der Stromversorgung für die Hochspannungsseite hängt davon ab, an welchem Knoten der Applikation die Spannung gemessen werden soll. Bild 1 zeigt ein vereinfachtes Blockschaltbild eines AC-Antriebs mit drei gängigen Spannungsmesspunkten. Dabei handelt es sich um das links dargestellte Drehstromnetz, den DC-Zwischenkreis (Mitte) und die Phasenwicklungen des Motors (rechts). Aufgrund ihrer hohen Genauigkeit und einfachen Anwendung eignen sich isolierte Verstärker hervorragend für Messungen an allen drei Punkten.

Texas Instruments
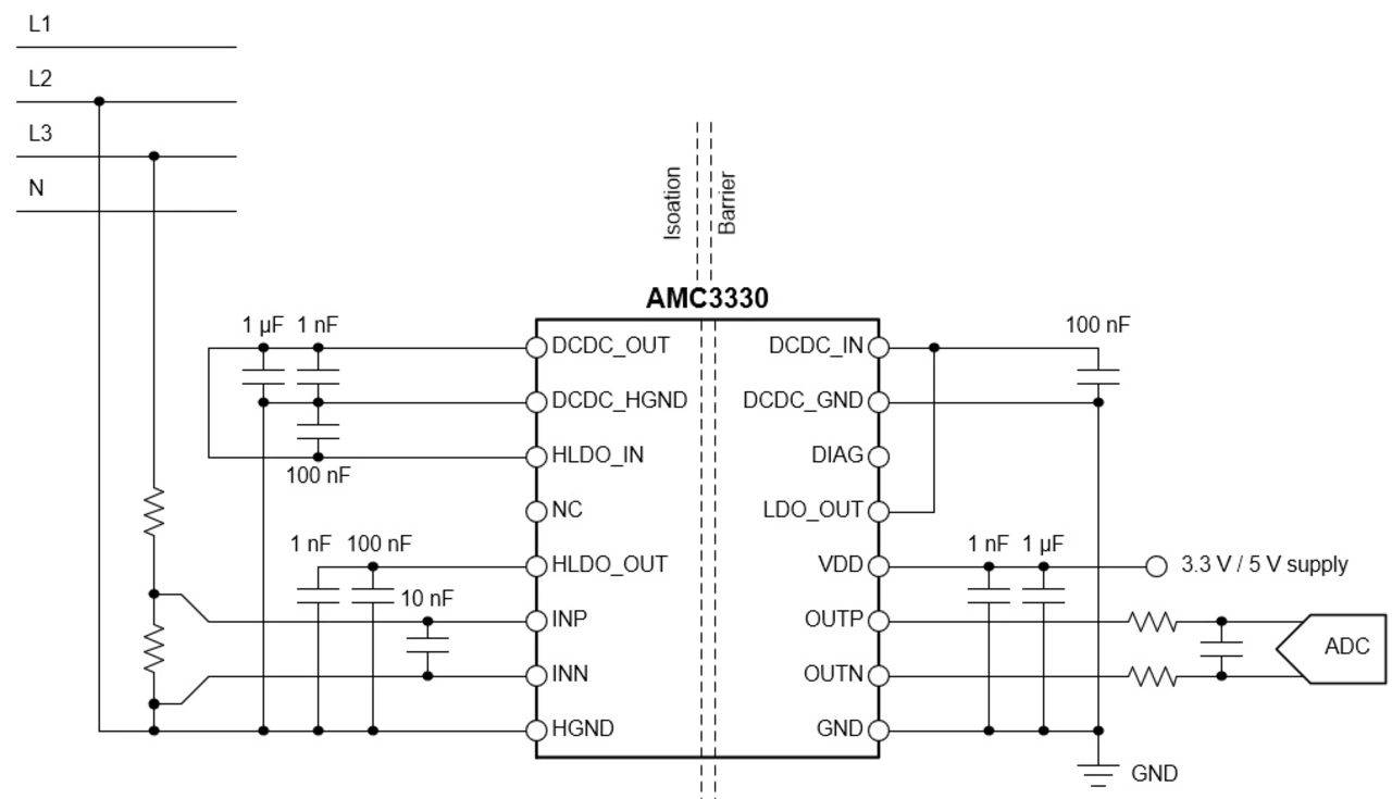
Bild 2: Schaltbild des isolierten Verstärkers AMC3330 mit integriertem DC-DC-Wandler.
© Texas Instruments

Messung auf der AC-Seite

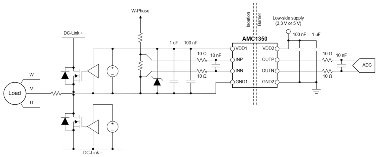
Die ganz links in Bild 1 dargestellte Wechselspannung wird in der Regel aus einem Drehstromanschluss in Sternschaltung bezogen, wobei die Spannung in den USA 120 bzw. 208 V und in Europa 230 bzw. 400 V beträgt. Die Anforderungen an die Messgenauigkeit sind üblicherweise gering, sodass sich Bauelemente mit bipolarem hochohmigem Eingang, beispielsweise der AMC1350 von TI, eignen. Sollen Spannungen an einem Drehstromnetz bezogen auf den Nullleiter gemessen werden, genügt eine einzige isolierte Stromversorgung für die drei isolierten Verstärker. Ist dagegen von Phase zu Phase zu messen, sind Bausteine mit integriertem DC-DC-Wandler besser geeignet, beispielsweise der AMC3330 (Bild 2).

Messung am DC-Zwischenkreis

Um das Tastverhältnis für das PWM-Signal in einem Antrieb zu berechnen, ist in der Regel die Spannung im DC-Zwischenkreis (Bild 1, Mitte) zu messen, und zwar mit einer Genauigkeit von ±1 Prozent oder besser. Im Bremsbetrieb steigt die Spannung im Zwischenkreis an und ist zum Schutz der Leistungsstufe aktiv zu begrenzen – zum Beispiel durch Einschalten einer regenerativen Bremse. Wird mit geringer Latenz gemessen, kann das System auf Überspannungsereignisse schnell reagieren und es kann näher an den von der Hardware vorgegebenen Grenzen arbeiten. Folglich können Entwickler beim Design weniger Sicherheitsmarge einkalkulieren, sodass die Systemkosten entsprechend sinken können.

Die Kapazität des DC-Zwischenkreises beträgt meist mehrere hundert Mikrofarad. Muss das System gewartet werden, ist deshalb festzustellen, ob sich die der Kondensator auf ein unkritisches Maß entladen hat, weswegen eine genaue Messung von Spannungen unter 100 V erforderlich ist. Ferner muss die Welligkeit der Zwischenkreisspannung genau gemessen werden, um die netzseitigen Phasenlage bestimmen zu können, um auf eine separate netzseitige Phasenmessung verzichten zu können.

Da insgesamt sechs Halbwellen gleichgerichtet werden, beträgt die Frequenz der Welligkeitsspannung entweder 360 Hz (in 60-Hz-Netzen) oder 300 Hz (in 50-Hz-Netzen). Bei geringer Last, etwa wenn sich der Motor nicht dreht, kann die Amplitude der Welligkeit sehr gering sein, sodass vorzugsweise ein Modulator eingesetzt werden sollte, um mit größtmöglicher Auflösung zu messen.

Texas Instruments, AMC1311
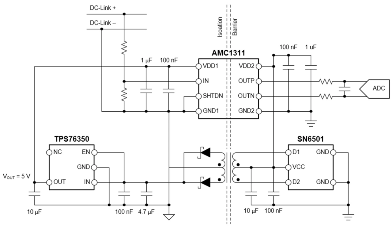
Bild 3: Diskrete isolierte Übertragerschaltung mit dem isolierten Verstärker AMC1311
© Texas Instruments

Weitere Informationen über die Unterschiede zwischen isolierten Verstärkern und isolierten Modulatoren finden sich in pdf/SBAA359" target="_blank" title="http://www.ti.com/lit/pdf/SBAA359">[3]. Isolierte Verstärker mit unipolarem Eingangsbereich, wie etwa die TI-Bausteine AMC1351 (Eingangsbereich 0 bis 5 V) oder AMC1311 (Eingangsbereich 0 bis 2 V) eignen sich ganz besonders für Spannungsmessungen am DC-Zwischenkreis. Zur Versorgung der Hochspannungsseite, wie etwa der in Bild 3 gezeigten Übertragerschaltung, sind diese Bausteine auf eine lokale, DC-bezogene Stromversorgung angewiesen. Als Alternative bietet sich die Verwendung eines Bausteins mit integriertem DC-DC-Wandler an, zum Beispiel der AMC3330.

Messung an der Phasenwicklung des Motors

Die Leistungsfähigkeit sensorloser AC-Antriebe lässt sich weiter verbessern, wenn die Phasenspannung direkt gemessen wird (Bild 1, rechts), anstatt sie anhand der Spannung im DC-Zwischenkreis und des PWM-Tastverhältnisses abzuschätzen. Diese Spannungen direkt zu messen, liefert präzisere Ergebnisse, da sämtliche Verluste im System ebenso berücksichtigt werden wie die Auswirkungen von Verschiebungen der PWM-Totzeit. Eine geeignete Methode besteht darin, alle drei Phasenspannungen bezogen auf die DC-Spannung zu messen, wofür jedoch nicht nur drei isolierte Verstärker mit unipolarem Eingangsbereich nötig wären, sondern auch eine isolierte Stromversorgung für die Hochspannungsseite aller drei isolierten Verstärker (siehe Bild 3).

Texas Instruments, AMC1350
Bild 4: Isolierter Verstärker AMC1350 mit potenzialfreier Stromversorgung
© Texas Instruments

Ein alternatives Verfahren, das weniger Hardwarekosten verursacht, ist das Messen zweier Spannungen von einer Phase zur anderen, um daraus die dritte Spannung zu berechnen. Hierfür sind nur zwei isolierte Verstärker (mit bipolarem Eingangsbereich) erforderlich, mit einem überschaubaren Aufwand an Firmware. Da die beiden Messungen bezogen auf eine der Phasenspannungen durchgeführt werden, müssen die isolierten Verstärker aus der potenzialfreien high-seitigen Gate-Treiber-Versorgung des oberen IGBTs gespeist werden (Bild 4). Bausteine mit eingebautem DC-DC-Wandler wie der AMC3330 machen die Schaltung nicht nur deutlich einfacher, sondern verringern Platzbedarf zusätzlich und steigern nebenbei auch den Wirkungsgrad des Systems.

Bei all diesen Spannungsmessungen ist die hohe Spannung mittels Widerstandsteiler auf den Eingangsbereich des isolierten Verstärkers herunterzuteilen pdf/SBAA321" target="_blank" title="http://www.ti.com/lit/pdf/SBAA321">[4]. Allerdings stellen sich beim Design eines Widerstandsteilers folgende Herausforderungen:

  • Der Eingangsruhestrom des isolierten Verstärkers fließt durch den Messwiderstand und verursacht einen Nullpunktfehler.

     

  • Der Messwiderstand liegt parallel zur Eingangsimpedanz des isolierten Verstärkers. Dies reduziert den effektiven Wert des Messwiderstands und bewirkt einen Verstärkungsfehler. Hinzu kommt, dass die Eingangsimpedanz des isolierten Verstärkers aufgrund von Prozessvariationen eine Exemplarstreuung von bis zu ±20 Prozent aufweisen kann, die sich möglicherweise als Verstärkungsfehler äußert, sofern sie nicht entsprechend berücksichtigt wird.

     

  • Sowohl der Widerstandsteiler als auch die Eingangsimpedanz des isolierten Verstärkers driften mit der Temperatur.

Der Aufwand, diese Herausforderungen zu bewältigen, reduziert sich erheblich, wenn aus der Reihe isolierter Spannungsmessverstärker ein Baustein mit hoher Eingangsimpedanz und vernachlässigbar geringem Eingangsruhestrom gewählt wird. Auch mit einem isolierten Verstärker niedriger Eingangsimpedanz, der einen Eingangsruhestrom aufweist, lässt sich jedoch eine hochpräzise Spannungsmessschaltung implementieren [5].

Isolierte Verstärker mit größerem Eingangsbereich sind weniger empfindlich gegen Eingangsrauschen und können kleine Eingangssignalen besser auflösen. Dagegen bieten Bauelemente mit höherer Eingangsspannung oftmals eine niedrigere Eingangsimpedanz (siehe Tabelle 1), allerding muss die Verstärkung kalibriert werden, um ein Höchstmaß an Genauigkeit zu erzielen. Ein Baustein mit hoher Eingangsimpedanz weist eine höhere unkalibrierte Genauigkeit auf und verringert den Designaufwand. Weitere Informationen zum Vergleichen der im Datenblatt angegebenen Genauigkeiten sowie zum Berechnen der typischen und maximalen Fehler der isolierten Verstärker von TI finden sich in [6].

BauteiltypEingangsspannungs-bereich in VEingangsimpedanz in ΩIntegrierter DC/DC-WandlerAutomotive-Version verfügbar
AMC1211A-Q10 bis 21 Gneinja
AMC1311/B

0 bis 2

1 G

neinja
AMC1411

0 bis 2

1 Gneinja
AMC1351

0 bis 5

1,25 Mneinja
AMC3330±11 G ja
AMC1350±51,25 Mneinja
ISO224A/B±121,25 Mneinnein

Tabelle 1: Isolierte Spannungsmessverstärker von Texas Instruments

Zusammenfassung

Das umfangreiche Angebot an isolierten Verstärkern, die Texas Instruments für hochohmige Spannungsmessungen anbietet, ermöglicht in jedem Einzelfall, die richtige Kombination aus Kostenaufwand, Leistungsfähigkeit, Implementierungsaufwand und Leiterplattenfläche zu finden. Es ist somit möglich, das jeweilige Design gezielt nach den gestellten Anforderungen zu optimieren und die in der jeweiligen Branche geltenden Isolationsanforderungen einzuhalten.

Literaturnachweis

[1] A. Smith, Design considerations for isolated current sensing, Analog Design Journal 2Q 2021, Texas Instruments (aufgerufen am 13.9.2022)

[2] TÜV Süd, Technical Report No. 713203936 (AMC1306, AMC1336, AMC1303), Texas Instruments (aufgerufen am 13.9.2022)

[3] K. Maniar, Comparing Isolated Amplifiers and Isolated Modulators, White Paper SBAA359A (Rev. February 2019), Texas Instruments (aufgerufen am 13.9.2022)

[4] ±480-V isolated voltage-sensing circuit with differential output, SBAA321 (January 2019), Texas Instruments (aufgerufen am 13.9.2022)

[5] D. Miller, A. Smith, Isolated Voltage-Measurement Circuit With ±250-mV Input and Differential Output, SBAA350A (June 2020), Texas Instruments (aufgerufen am 13.9.2022)

[6] Isolated Amplifier Voltage Sensing Excel Calculator, Texas Instruments (aufgerufen am 13.9.2022)


Lesen Sie mehr zum Thema


Das könnte Sie auch interessieren