DC-DC-Wandler

Grenzen bei Hochsetzstellern

21. September 2022, 12:00 Uhr | Frederik Dostal, Analog Devices, Ralf Higgelke
WEKA Fachmedien, Analog Devices
© Componeers GmbH

Ein Hochsetzsteller bzw. Boost-Reglern kann eine Spannung in eine höhere Spannung umsetzen. Doch die Frage ist: Um welchen Faktor sich lässt die Eingangsspannung hochsetzen? Dabei spielt nicht nur das Tastverhältnis eine Rolle.

Diesen Artikel anhören

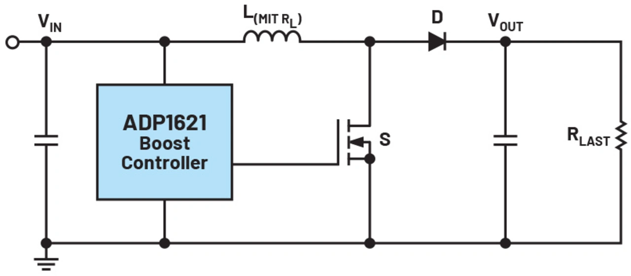
Um die Frage zu klären, um wie stark sich mit einem Hochsetzsteller (Bild 1) die Eingangsspannung erhöhen lässt, nehmen wir ein konkretes Beispiel aus einer industriellen Anwendung. Aus einer verfügbaren Versorgungsspannung von 24 V soll eine Spannung von 300 V mit einem Ausgangsstrom von 160 mA erzeugt werden.

Analog Devices
Bild 1: Schaltung eines Hochsetzstellers (Boost-Regler)
© Analog Devices

Der Boost-Faktor, also der Quotient aus Ausgangs- zu Eingangsspannung, bestimmt sich über das Tastverhältnis (Duty Cycle):

Duty Cycle =1-UinUout 

Die maßgeblichen Größen beim Hochsetzsteller sind das Tastverhältnis und der Boost-Faktor. Das Tastverhältnis gibt an, wie lange der MOSFET S pro Schaltzyklus leitend ist. Um eine hohe Spannung zu erzeugen, muss demnach das Tastverhältnis nahe bei 1 liegen. Also man müsste nur ein Regler-IC auswählen, das hohe Tastverhältnisse zur Verfügung stellen kann.

Einfluss von Last- und Wicklungswiderstand

Aber das ist nur die halbe Wahrheit; neben den Grenzen beim Tastverhältnis ist ganz besonders auch der maximal mögliche Boost-Faktor zu berücksichtigen. Warum das so ist, kann man sich folgendermaßen vorstellen:

Beim Aufwärtswandeln muss die Energie, die von der Eingangs- zur Ausgangsseite geleitet wird, erst einmal in der Induktivität L zwischengespeichert werden. Zu dieser Zeit sperrt die Diode D in Bild 1. Ist der MOSFET gesperrt, wird die zwischengespeicherte Energie aus der Spule L entnommen. Sowohl das Aufladen als auch das Entladen der Induktivität muss den Induktionsregeln folgen. Wie viel Strom jeweils fließt, hängt von der Induktivität der Spule und der jeweiligen Spannungsdifferenz über der Spule ab. Vereinfacht liegt während der Ladezeit somit die Spannung Uin über der Spule an, beim Entladen Uout – Uin.

Bei einem sehr hohen Boost-Faktor kann es passieren, dass die Off-Zeit nicht ausreicht, um die zwischengespeicherte Energie aus der Spule zu entnehmen. Somit reicht die obere, vereinfachte Formel, die das Tastverhältnis beschreibt, nicht aus, um die Limitierung eines Hochsetzstellers zu erkennen. Die Formel für den maximalen Boost-Faktor ist nur zu erkennen, wenn auch der Wicklungswiderstand der Induktivität DCR und der Lastwiderstand berücksichtigt werden. Die folgende Formel gibt Information darüber:

UoutUin=11-Duty Cycle·11+RL1-Duty Cycle2·RLast 

Das Verhältnis zwischen RL und RLast beeinflusst also das Verhältnis zwischen Eingangs- und möglicher Ausgangsspannung. Dadurch auch auf den Boost-Faktor eines Hochsetzstellers. Dieser Wert lässt sich in einem Diagramm verständlich darstellen. Bild 2 zeigt das Beispiel mit 24 V Eingangsspannung und 300 V Ausgangsspannung bei 160 mA. Der Lastwiderstand beträgt 1,8 kΩ und RL, also der DCR der Spule, 3 Ω.

Analog Devices, Boost Converter
Bild 3: Möglicher Boost-Faktor wenn der Lastwiderstand 300-mal so groß ist wie der DCR der Spule.
© Analog Devices
Analog Devices, Boost Converter
Bild 2: Möglicher Boost-Faktor, wenn der Lastwiderstand 600-mal so groß ist wie der DCR der Spule sein soll.
© Analog Devices

Aus Bild 2 lässt sich entnehmen, dass es mit dem Beispiel sehr wohl möglich ist, einen Boost-Faktor von ca. 12,5 zu erreichen. Wenn jedoch der Lastwiderstand kleiner wird, also der Ausgangsstrom erhöht wird, oder der DCR der Induktivität erhöht wird, also kleinere Bauform der Spule, ist es der erforderliche Boost-Faktor nicht mehr zu erreichen.

Bild 3 zeigt die Kurve des Boost-Faktors, wenn das Verhältnis zwischen Last- und Spulenwiderstand 300 beträgt. Hier wurde RL von 6 Ω und ein Lastwiderstand von 1,8 kΩ ausgewählt. Zu erkennen ist, dass der maximale Boost-Faktor in diesem Fall nur bei maximal 9 liegt. Somit wäre ein Wandeln der Eingangsspannung von 24 V nach 300 V unmöglich. Der RL, also der DCR der Spule, wurde zu groß ausgewählt.

Beim Entwurf eines Hochsetzstellers ist es unbedingt notwendig, den maximal möglichen Boost-Faktor zu bestimmen. Dieser hängt interessanterweise vom Lastwiderstand und vom Wicklungswiderstand (DCR) der Induktivität ab. Falls erkannt wird, dass ein benötigter Boost-Faktor nicht möglich sein sollte, kann eine größere Spule mit niedrigerem DCR helfen.

Anbieter zum Thema

zu Matchmaker+

Lesen Sie mehr zum Thema


Das könnte Sie auch interessieren