Single Board Computer

Das passende Gehäuse

23. Mai 2016, 11:44 Uhr | von Thomas Lüke
© BOPLA Gehäuse Systeme

Phytec entwickelt gemeinsam mit Bopla Gehäuse für »phyBoards«. Die »BoTouch-Serie« umfasst Kunststoffgehäuse für kapazitive Multitouch-Displays und Panelgehäuse für resistive Touchscreens.

Diesen Artikel anhören

Single Board Computer (SBC) sind zunehmend häufiger in der industriellen Mess-, Steuer- und Regelungstechnik gefragt. Bereits in vielen Anwendungen ersetzen sie festverdrahtete Steuerungen, da Modifikationen einfach durch Programmänderungen realisiert werden. Phytec entwickelte gemeinsam mit Bopla Panelgehäuse mit kapazitivem Multitouch-Display für die Industrieumgebung. Die Elektronik ist dabei vor Staub, Hitze und Chemikalien geschützt.

Flexible Elektronik

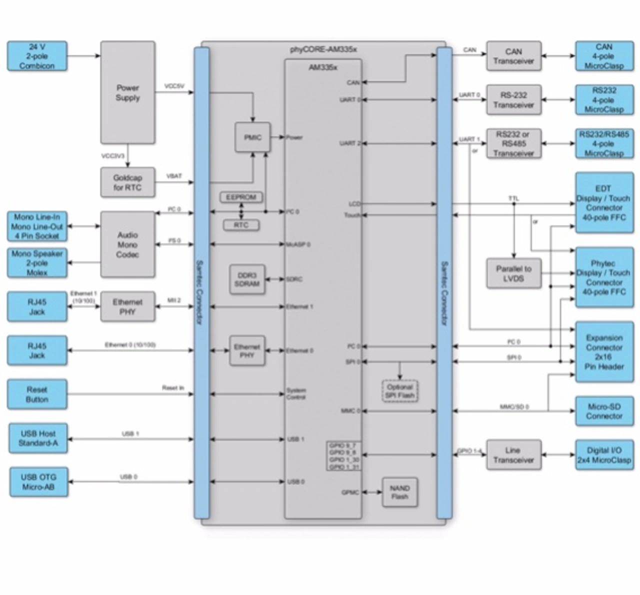
Bild 1: Blockschaltbild des »phyBoardBOARD Maia« AM3359 mit allen Schnittstellen
Bild 1: Blockschaltbild des »phyBoardBOARD Maia« AM3359 mit allen Schnittstellen
© BOPLA Gehäuse Systeme

Die Basis jeder Entwicklung sind Mikrocontrollerm. Board Support Packages (BSP) garantieren, dass das Board optimal an die Hardwarekomponente angepasst ist. Phytec entwickelte eine Reihe industrietauglicher Carrierboards. Durch Kombination mit Mikrocontrollermodulen entstand die Produktfamilie »phyBoard« (Bild 1). Deren Modelle sind kostengünstiger als speicherprogrammierbare Steuerungen (SPS). Phytec entwickelt alle Tools und Treiber auf Basis der beiden Betriebssysteme Linux und Windows Embedded Compact, beispielsweise auch die der phyBoards. Gemeinsam mit der Hardware können phyBoards direkt im entsprechenden Projekt eingesetzt werden. Die Treiber und Implementierungen orientieren sich an den Industrieanforderungen hinsichtlich Robustheit und Lebensdauer. Im Lieferumfang der windowsbasierten Single Board Computer ist eine Testversion von Windows Embedded, Visual Studio und dem Plug-In »Platform Builder« enthalten. Mit Hilfe der Software und des Binary BSP können Windows-Komponenten oder Hardwaretreiber flexibel hinzugefügt oder abgewählt werden.

Modifikationen des Single Board Computers sind mittels der SBC Design Library und den Microcontrollermodulen von Phytec realisierbar. Die Entwicklung neuer Schaltplanteile und Layoutblöcke entfällt.

Bild 2: Basisplatine eines Single Board Computers
Bild 2: Basisplatine eines Single Board Computers
© BOPLA Gehäuse Systeme

Die Entwicklungszeiten von der Ausarbeitung bis zur Übergabe der Elektronik betragen maximal vier Wochen. Aufgrund der Verwendung von SBC-Funktionsblöcken können etwa 50 % der Entwicklungskosten eingespart werden. Die SBC Design Library kann stetig erweitert werden und individuelle Schaltauszüge in der Entwicklung berücksichtigen. Die Basisplatine (Bild 2) des Single Board Computers (SBCplus) wird bei Phytec oder in Eigenregie gefertigt.

Das passende Gehäuse

Ist die Entwicklung des Embedded-Systems abgeschlossen, muss ein passendes Gehäuse mit Bedieneinheit gefunden werden. Vor allem Touchscreens oder Multitouch-Displays sind von Bedeutung. Diese lösen im Bereich der industriellen Maschinen- und Anlagensteuerung zunehmend herkömmliche Bedienpanele ab. Wenn es um die Überwachung und Analyse bestimmter Prozesse in der Fertigung geht, sind große Displays erste Wahl.

Für das Modell phyBoard Maia entschied sich Phytec zunächst für ein Aluminiumgehäuse mit kapazitivem Touch-Display. In Zusammenarbeit mit Bopla wurde dann an einer alternativen Lösung gearbeitet. Ziel war ein HMI (Human Machine Interface) im Kunststoffgehäuse mit kapazitivem 7-Zoll-Touch-Display. Es entstand das Bopla-Gehäuse-Konzept »BoTouch«.

Gehäuse mit Multitouch-Display

Bild 3: Aufbau eines Bopla- Kunststoffgehäuses: (von rechts nach links): Gehäuserahmen mit montierter Mineralglasfront, Touchscreen, Display, spezielle Display-Halteplatte, Rückhaube
Bild 3: Aufbau eines Bopla- Kunststoffgehäuses: (von rechts nach links): Gehäuserahmen mit montierter Mineralglasfront, Touchscreen, Display, spezielle Display-Halteplatte, Rückhaube
© BOPLA Gehäuse Systeme

Die Panelgehäuse der BoTouch-Serie erlauben weitgehend den standardisierten Einbau von Touchscreens und -Displays. Die Baureihe umfasst sowohl Kunststoffgehäuse (Bild 3) für kapazitive Multitouch-Displays mit Glasoberfläche, als auch Panelgehäuse aus Aluminium für resistive Touchscreens. Die BoTouch-Kunststoffgehäuse haben eine Vertiefung in der Oberfläche, die der üblichen Glasstärke von mehr als 2 mm für große kapazitive Multitouch-Displays mit Glasoberfläche entspricht. Glas als Materialoberfläche ist stabil und leicht zu reinigen. Somit können die Gehäuse auch für Anwendungen mit hohen Hygienestandards verwendet werden. Wie bei allen Eingabeeinheiten und Gehäusen ist eine individuelle Gestaltung des Layouts möglich. Es gibt bereits Konstruktionsdaten für Gehäusegrößen auf Basis von Standard-Displaygrößen. Diese Daten können an die jeweiligen Projektvorgaben angepasst werden. Die unkomplizierte Integration des Touch-Displays ist so gewährleistet. Bopla fertigt das passende Gehäuse für ein vom Kunden bereitgestelltes Display oder liefert ein Gehäuse inklusive Touchscreen gemäß Vorgaben des Kunden. Neben Konstruktion und Fertigung der Multitouch-Gehäuse, übernimmt das Unternehmen auch das Einbringen von Ausbrüchen für Stecker oder von Lüftungsschlitzen zur Wärmeausleitung, die Bedruckung, die Montage der Komponenten und die Verpackung.

Multitouch-Bedienung leicht gemacht

Bild 4: BoTouch-Kunststoffgehäuse mit kapazitivem Multit-Touch-Display und darin verbaute Elektronik von Phytec
Bild 4: BoTouch-Kunststoffgehäuse mit kapazitivem Multit-Touch-Display und darin verbaute Elektronik von Phytec
© BOPLA Gehäuse Systeme

  1. Das passende Gehäuse
  2. BoTouch-Kunststoffgehäuse mit dem Multitouch-Display

Lesen Sie mehr zum Thema


Das könnte Sie auch interessieren

Jetzt kostenfreie Newsletter bestellen!

Weitere Artikel zu BOPLA Gehäuse Systeme GmbH

Weitere Artikel zu Gehäuse, Schränke, Zubehör