Digitale PFC-Regelung

Mehrwert für Antriebe

24. September 2015, 8:49 Uhr | Ralf Higgelke
Diesen Artikel anhören

Fortsetzung des Artikels von Teil 1

Beispielsystem verdeutlicht Mehrwert

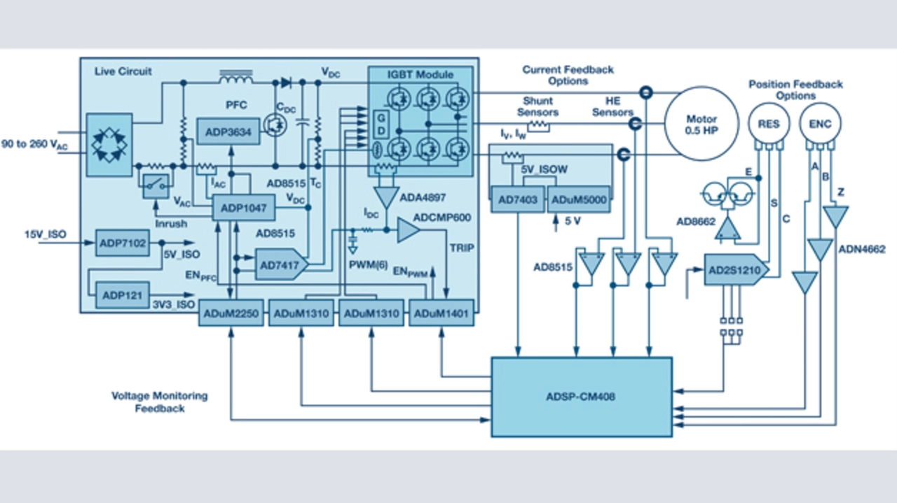
Bild 4: Universelle Motorregelungsplattform mit AC-Eingang
Bild 4: Universelle Motorregelungsplattform mit AC-Eingang
© Analog Devices

Analog Devices bietet eine Experimentierplattform an, mit der sich die Bauteile für die Signalkette und die Software-Werkzeuge in einem echten Motorregelungssystem validieren lassen. Während in Bild 4 die Schaltungsarchitektur für diese Plattform zu sehen ist, zeigt das Anlaufbild die Plattform-Hardware. Dieses System repräsentiert einen voll funktionsfähigen Antrieb für einen permanentmagneterregten Synchronmotor (PMSM) mit Leistungsfaktorkorrektur, voller Isolation zwischen Steuerungs- und Kommunikationssignalen und optischer Encoder-Rückkopplung. Im Kern des Systems befindet sich der Mixed-Signal-Steuerungsprozessor »ADSP-CM408« von Analog Devices, der auf dem ARM-Rechenkern »Cortex-M4» basiert. Für die Steuerung der PFC-Eingangsstufe ist der ADP1047 zuständig. Dieser kann die Eingangsleistung auf ±2,3% des Skalenbereichs (FSR) genau messen sowie den Einschaltstrom (Inrush Current) regeln.

Der ADP1047 ist für einphasige PFC-Anwendungen entwickelt; demgegenüber eignet sich der ADP1048 speziell für verschachtelte (interleaved) und brückenlose PFC-Anwendungen. Die digitale PFC-Funktion basiert auf einer herkömmlichen Hochsetzsteller-PFC mit Multiplikation des Ausgangsspannungs-Feedbacks in Kombination mit dem Eingangsstrom und der Eingangsspannung, um eine optimale harmonische PFC für AC/DC-Systeme darzustellen. Alle Signale werden in den digitalen Bereich gewandelt, um die maximale Flexibilität zu erreichen. Alle Schlüsselparameter lassen sich über die PMBus-Schnittstelle ausgeben und einstellen.

Mit dem ADP1047 beziehungsweise ADP1048 können Anwender durch die eingebaute »Intelligenz« beispielsweise die Effizienz ihres Gesamtsystems über den Lastbereich maximieren. So kann das Bauteil den Wirkungsgrad steigern, indem es bei geringer Last die PWM-Frequenz und die Ausgangsspannung senkt. Funktionen wie die Regelung des Anlaufstroms oder Sanft-Anlauf (Soft Start) können dabei helfen, die Anzahl der Bauteile signifikant zu reduzieren und das Design einfacher zu optimieren. Die Bauteile verfügen über wichtige Schutzschaltkreise: unabhängiger Überspannungs- (OVP) und Überstromschutz (OCP), Fehlerstromüberwachung (Ground Continuity Monitoring) und AC-Messung. Ein interner Übertemperaturschutz (OTP) ist ebenfalls vorhanden. Dabei kann die externe Temperatur über ein externes Messbauteil aufgezeichnet werden.

Aufbau des Systems

Anbieter zum Thema

zu Matchmaker+
Bild 3: Digitale Signale müssen galvanisch von der Hochspannungsseite isoliert werden
Bild 3: Digitale Signale müssen galvanisch von der Hochspannungsseite isoliert werden
© Analog Devices

Die Kommunikation zwischen Prozessor und PFC-Controller erfolgt über die I²C/PMBus-Schnittstelle. Ein Digitalisolator mit I²C-Bus stellt die Schnittstelle zwischen den verschiedenen Bereichen zur Verfügung (Bild 3). Der Prozessor befindet sich im elektrischen SELV-Bereich, wobei der PFC-Controller auf die gemeinsame Versorgung (Common Rail) des DC-Busses im Hochspannungsbereich (HV) referenziert ist. Die Gate-Treibersignale für den Dreiphasen-Umrichter laufen vom PWM-Block des Prozessors über einen zweikanaligen Isolator vom Typ »ADuM1310« von Analog Devices. Die Daten- und Taktsignale für die I²C-Schnittstelle und die digitalen General-Purpose-Signale sind ebenfalls über Digitalisolatoren geführt.

Bild 5: Die Programmstruktur der Motorregelung zeigt, dass die PFC-Routinen (blau schraffiert) in niedrig priorisierte Unterprogramme ausgelagert werden
Bild 5: Die Programmstruktur der Motorregelung zeigt, dass die PFC-Routinen (blau schraffiert) in niedrig priorisierte Unterprogramme ausgelagert werden
© Analog Devices

Der PFC-Controller steuert und überwacht den Boost-PFC-Schaltkreis. Diese Aufgaben sind vom Hauptfluss der Motorsteuerungssoftware ausgelagert in Routinen mit niedrigerer Priorität (Bild 5). Die Parameter des PFC-Controllers werden während des Einschaltens konfiguriert. Normalerweise kann dieser Schritt auch übersprungen werden, indem man die Konfigurationsparameter ins EEPROM des Controller-IC, falls vorhanden, schreibt. In einem typischen Motorsteuerungssystem werden die Drehzahl- und Strommessungen zusammen mit den PWM-Controller-Updates innerhalb von hoch priorisierten Interrupts gehandhabt (Bild 5). Dabei wird die Strommessung mit dem PWM-Signal synchronisiert. Dadurch lässt sich der PFC-Controller so einstellen, dass er eingangsseitige Messungen, zum Beispiel eingangsseitige Netzspannung und Strom, Zwischenkreisspannung (DC-Bus), Eingangsleistung sowie die Betriebstemperatur, handhaben kann.


  1. Mehrwert für Antriebe
  2. Beispielsystem verdeutlicht Mehrwert
  3. Beim Systemdesign ist Vorsicht geboten

Lesen Sie mehr zum Thema


Das könnte Sie auch interessieren

Jetzt kostenfreie Newsletter bestellen!

Weitere Artikel zu Analog Devices GmbH

Weitere Artikel zu Motion Control