PAM4-codierte Signale analysieren

Neue Herausforderungen

3. Mai 2016, 16:31 Uhr | Von David Maliniak
Diesen Artikel anhören

Fortsetzung des Artikels von Teil 3

WaveRunner 8000: Oszilloskope mit OneTouch-Gestensteuerung

Der neue WaveRunner 8000 von Teledyne LeCroy
Bild a. Der neue WaveRunner 8000 von Teledyne LeCroy bietet eine neues Bedienkonzept und umfangreiche Analysemöglichkeiten.
© Teledyne LeCroy

Der WaveRunner ist seit vielen Jahren das beliebteste Oszilloskop von Teledyne LeCroy. Die neue Wave­Runner-8000-Generation (Bild a) kombiniert ein neues Bedienkonzept mit einer umfangreichen Ausstattung zur Signalanalyse und verkürzt dadurch den Debug-Prozess deutlich. Die MAUI-Benutzeroberfläche mit OneTouch bietet in Oszilloskopen so bisher nicht verfügbare Touchscreen-Bedienelemente und vereinfacht damit die Handhabung. Die Geräte zeichnen sich durch Bandbreiten von 500 MHz bis 4 GHz, Abtastraten bis zu 40 GS/s und großen Speicher aus. Für die Oszilloskope ist eine große Zahl Tools verfügbar.

Einfache intuitive Bedienung durch OneTouch

Der WaveRunner 8000 setzt mit seinem MAUI-OneTouch-Bedienkonzept auf dem hochauflösenden 12,1-Zoll-Bildschirm neue Maßstäbe in der Benutzung eines Oszilloskops. Bekannte Touchscreen-Gesten werden eingesetzt, um instinktiv mit dem Oszilloskop zu interagieren. Das verkürzt die Einrichtung und das Arbeiten mit dem Oszilloskop wird effizienter und anwenderfreundlicher. Alle gängigen Funktionen können einfach mit dem Finger durchgeführt werden und erfordern kein Öffnen von Pop-up-Dialogen oder Menüs.

MAUI mit OneTouch optimiert die Benutzung eines modernen Oszilloskops. Die Einstellung des Gerätes wird durch Drag/Drop-Aktionen durchgeführt und auch mathematische Funktionen und Parametermessungen werden mit nur einem Finger aufgesetzt. Über das Feld „Hinzufügen” können durch ein einfaches Ziehen nach unten neue Kanäle geöffnet, um mathematische und Parametermessungen ergänzt und genauso wieder geschlossen werden. Anwender, die eine klassische Bedienung bevorzugen, können das Oszilloskop auch weiterhin mit den bekannten Dreh- und Druckknöpfen bedienen.

Durch die OneTouch-Bedienung erfolgen die Schritte für Einrichtung und Messung mit dem Oszilloskop über einzelne Berührungen
Bild b. Durch die OneTouch-Bedienung erfolgen die Schritte für Einrichtung und Messung mit dem Oszilloskop über einzelne Berührungen.
© Teledyne LeCroy

Die Funktionen von OneTouch im Überblick (Bild b):

  • Kanal, Zeitbasis und Trigger-Kontrollfelder erlauben den schnellen Zugriff auf die Steuerung ohne aufwändige Navigations-Menüs. (A)
  • Parameter werden durch Berühren der Messresultate aktiviert. (B)
  • Shortcuts zum direkten Zugriff auf wichtige Funktionen im Kanal-, Mathematik- oder Speicher-Menü. (C)
  • „Hinzufügen”-Fläche zur Aktivierung weiterer Signale. (D)
  • Drag/Drop zur Auswahl der Quelle, Kopieren von Einstellungen, Erstellen und Verschieben von Signalen. (E)
  • Drag/Drop zum einfachen Kopieren oder Einrichten von Messparametern. (F)
  • Drag/Drop zum Positionieren von Cursors auf dem Signal. (G)

Neue Funktionen zur Analyse serieller Daten

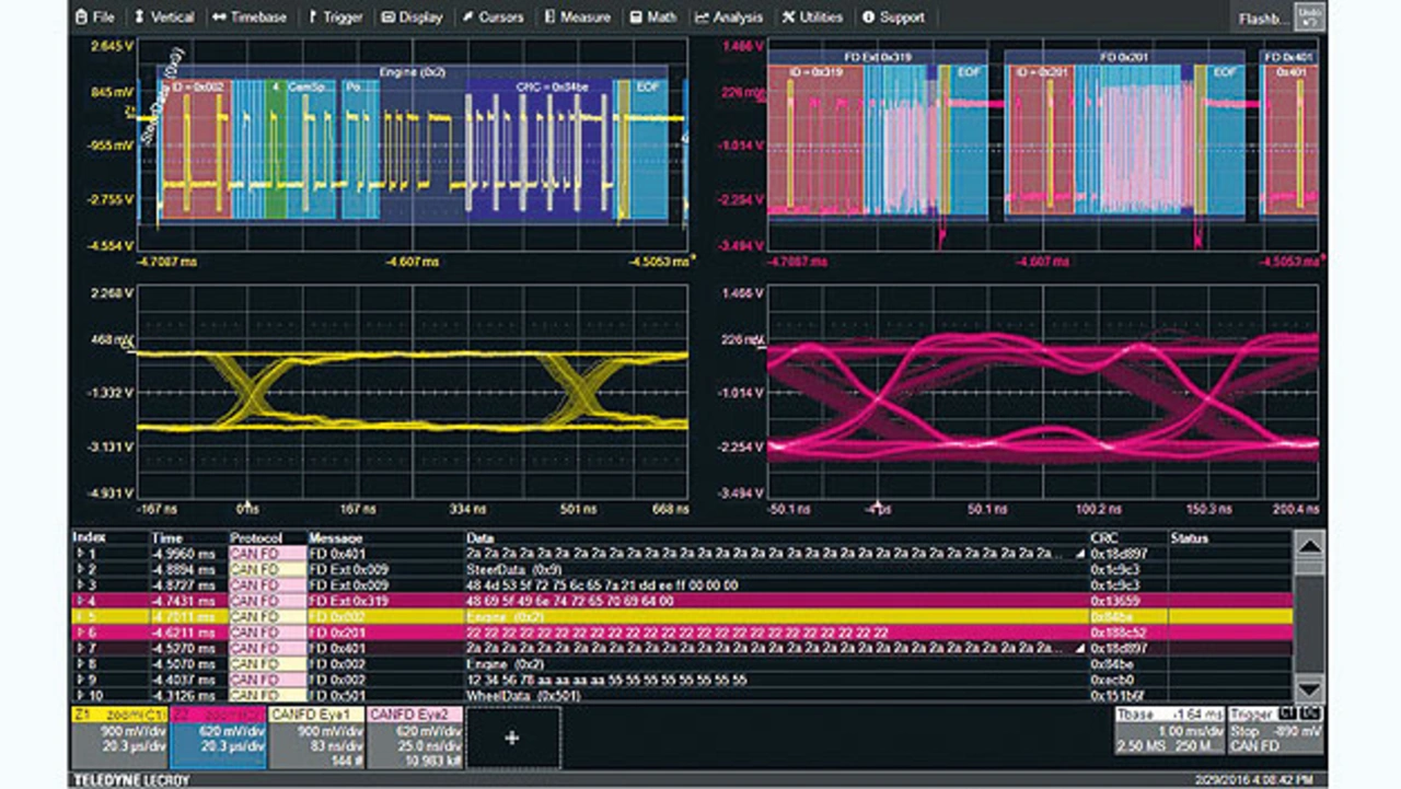
Der WaveRunner 8000 kombiniert erstmals mit einer Option Serial-Bus-Trigger, Decoder, Messung und Darstellung mit Augendiagrammen
Bild c. Der WaveRunner 8000 kombiniert erstmals mit einer Option Serial-Bus-Trigger, Decoder, Messung und Darstellung mit Augendiagrammen.
© Teledyne LeCroy

Für den WaveRunner 8000 ist ein umfangreiches Angebot an Anwendungslösungen für serielle Daten verfügbar (Bild c), um allen messtechnischen Anforderungen zu entsprechen. Dazu gehören automatisierte Compliance-Test-Pakete, flexible Toolkits, detaillierte Augendiagramm-Pakete sowie protokollspezifische Messungen, die das Angebot an intuitiven Trigger- und Decodier-Lösungen erweitern. Ereignisse werden durch den seriellen Bus-Trigger isoliert und die Protokoll-Information wird, farblich hinterlegt, zusammen mit dem analogen oder digitalen Signal dargestellt. Timing- und Parameter-Messungen am Bus ermöglichen eine schnelle und einfache Charakterisierung von seriellen Datensystemen. Messdaten können grafisch dargestellt werden, um das Systemverhalten über die Zeit zu beobachten. Anomalien auf der physikalischen Ebene werden erstmals durch neue Augendiagramm-Maskentests und den Maskenfehler-Locator bestimmt.

Durch die Ergänzung mit weiteren Optionen können Compliance Tests durchgeführt werden. Es kann auch untersucht werden, warum das zu testende Objekt noch nicht konform ist. Das Paket SDA II bietet die Erstellung von Augendiagrammen mit schnellen Updates. In Kombination mit dem großen Speicher bis 128 Mio. Punkten und umfassenden Funktionen zur Aufschlüsselung der Jitter-Komponenten sorgt SDA II für ein schnelles und umfassendes Verständnis, warum serielle Daten den Compliance Test nicht erfüllen. Egal ob Fehler in Augendiagrammen oder fehlerhafte Compliance Tests untersucht werden, der Wave­Runner 8000 wird Quelle und Ursache des Problems identifizieren. Neueste Methoden zur Aufschlüsselung der Jitter-Bestandteile decken auch kleinste Problemquellen auf. Tj-Analyse, RjBUj-Analyse und DDj-Analyse werden durch die intuitive Bedienung und ergänzende Tools einfach nutzbar und geben einen kompletten Einblick in serielle Datensignale.


  1. Neue Herausforderungen
  2. PAM4-Test-Setups für verschiedene Anwendungen
  3. Herausforderung für PAM4-Tests
  4. WaveRunner 8000: Oszilloskope mit OneTouch-Gestensteuerung
  5. Äußerst leistungsfähige Werkzeuge

Lesen Sie mehr zum Thema


Das könnte Sie auch interessieren

Jetzt kostenfreie Newsletter bestellen!

Weitere Artikel zu Teledyne-LeCroy GmbH

Weitere Artikel zu Oszilloskope