LTspice-Makromodelle für Analogschalter

Das Erstellen eigener SPICE-Modelle ist nicht schwer

14. Juni 2021, 6:00 Uhr | Barry Harvey
Diesen Artikel anhören

Fortsetzung des Artikels von Teil 2

Zusammensetzen des kompletten Makromodells

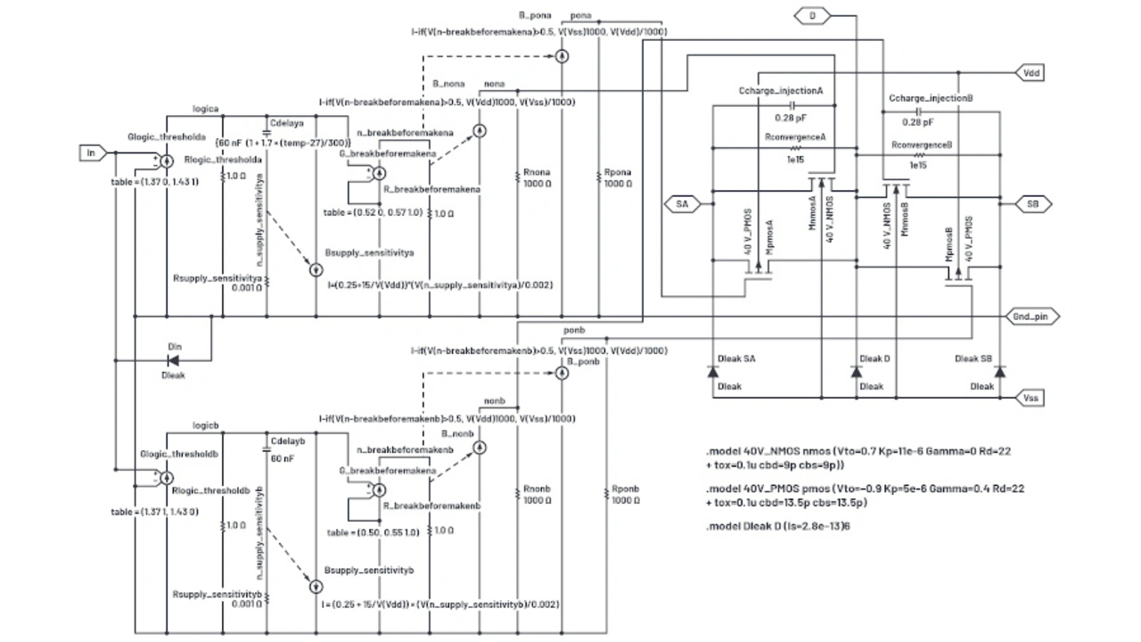
Finale Simulationsschaltung.
Bild 22. Zusammengesetzte Schaltung für die Simulation eines Analog-Umschalters (spdt 40V.asc [3]).
© Analog Devices

Bild 22 zeigt die Schaltung des zusammengesetzten Analogschalter, der zu einem Teilschaltkreis (subcircuit) wird. Anstelle von Parametern wurden Konstanten für L und W in die FET-Symbole eingefügt, und alle Ansteuerungs- und E/A-Signale wurden zugunsten der Pin-Anschlüsse SA, D, SB, In, Vdd, Vss und Gnd_pin entfernt.

Eine zweite Logikschnittstelle ist für den anderen Schalter des Umschalter-Paars vorgesehen. ESD-Schutzdioden sind zwischen den analogen Anschlüssen und VSS sowie zwischen dem logischen Eingang und Masse geschaltet. Zu beachten ist, dass das Suffix „-a" in den Namen der oberen Bausteine und Knoten der Logikschnittstelle als Suffix „-b“ in der unteren Schnittstelle repliziert wird. Die Schnittstelle Glogic_thresholdb hat den entgegengesetzten Ausgang aus der Tabelle in Glogic_ thresholda, damit das eine oder andere Schalterpaar arbeiten kann, anstatt gleichzeitig eingeschaltet zu werden.

Makromodell des ADG333A.
Bild 23. Schaltbild des Makromodells für die Simulation des Analogschalter-ICs ADG333A mit LTspice.
© Analog Devices

Ein alternatives ESD-Schutzkonzept umfasst Dioden von einem geschützten Pin zu sowohl zur positiven als auch zur negativen Versorgungsspannung sowie eine Klemmdiode zwischen beiden. Das Datenblatt liefert im Allgemeinen einen Einblick bezüglich des Schutzkonzepts, und Leckströme werden beiden Versorgungen zugeordnet.

Die so zusammengefügte Teilschaltung „spdt“ wird mit einem Symbol versehen und im Masterschaltbild für den Analogschalter-IC ADG333A (ADG333A.asc) viermal verwendet (Bild 23).

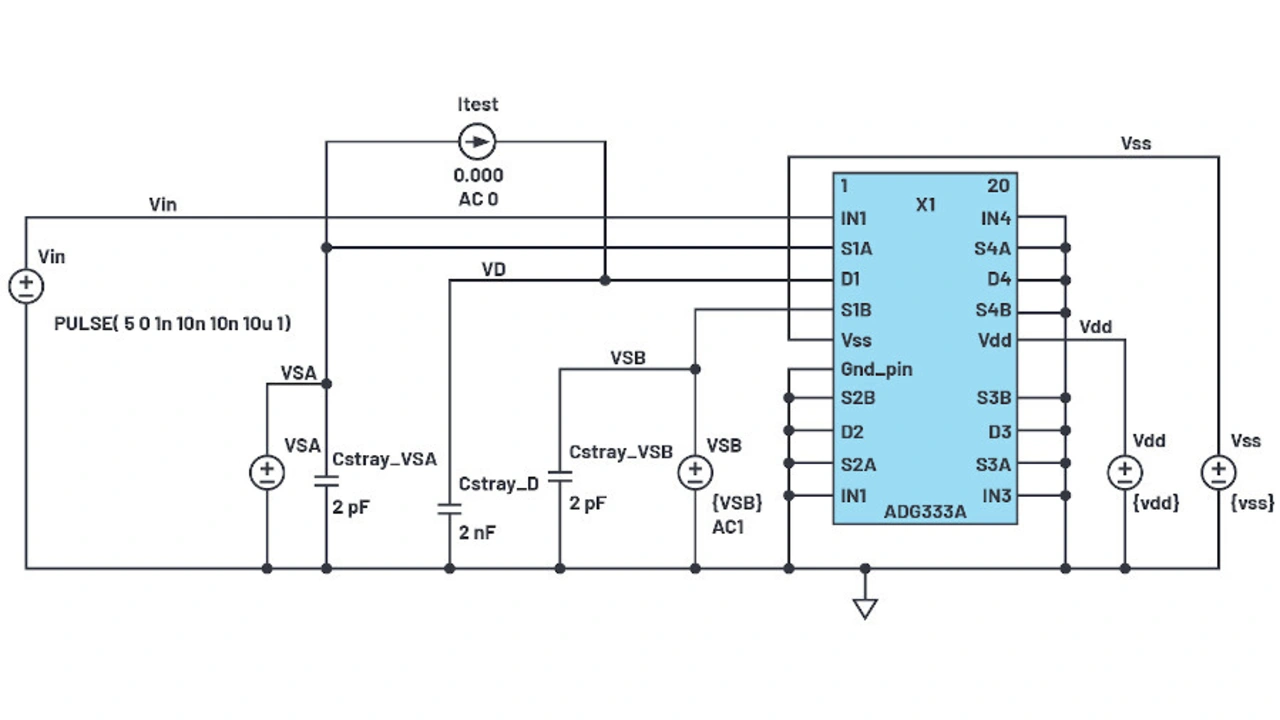
Finale Testschaltung für die Analogschaltersimulation.
Bild 24a. Aufbau der Testschaltung in LTspice zum Verifizieren des Analogschalter-IC-Makromodells für den ADG333A [2].
© Analog Devices
LTspice-Befehle für die Simulation der Schaltung aus Bild 24a.
Bild 24b. LTspice-Befehle für die Simulation der Schaltung aus Bild 24a.
© Analog Devices

Bild 24 zeigt das Schaltbild des Prüfaufbaus zur Verifizierung des Analogschalter-Makromodell.

Makromodell als LTspice-Datei

Die LTspice-Textdatei [3] des Makromodell-Symbols, wird unter dem Namen ADG333.asy gespeichert. Sie enthält Einzelheiten zur Simulation der Teilschaltung. Anstatt den Schaltplan ADG333.asc in jeden Schaltplan zu kopieren, der dieses Bauteil verwendet, empfiehlt es sich, ein Symbol zu verwenden, das darauf als .asy verweist. Innerhalb des ADG333-Symbols befinden sich einzelne Schaltersymbole. Das Symbol der Schaltung für die Simulation, trägt den Namen spdt_40V.asc. Das eigentliche Symbol wird als spdt_40V.asy gespeichert.

 

Literatur

[1] LTspice. Analog Devices, Website zum Download des Simulationsprogramms, www.analog.com/ltspice.

[2] ADG333A Quad SPDT Switch. Analog Devices, Website, www.analog.com/en/products/adg333a.html.

[3] Die im Aufsatz erwähnten Modelle stellt der Autor als LTspice-Dateien zur Verfügung: www.analog.com/media/en/simulation-models/LTspice-demo-circuits/adg333a_LTspice.zip.

 

Der Autor

Barry Harvey von Analog Devices
Barry Harvey, Analog Devices
© Analog Devices

Barry Harvey

hat als Entwickler für Analog-ICs gearbeitet und schnelle Operationsverstärker, Spannungsreferenzen, Mixed-Signal-Schaltungen, Videoschaltungen, DSL-Leitungstreiber, DAUs, Sample-and-Hold-Verstärker, Multipliziere und vieles mehr entworfen. Er hat einen Masterabschluss in Elektrotechnik (MSEE) von der Universität Stanford. Harvey hält mehr als 20 Patente und hat ungefähr ebenso viele Artikel und Arbeiten veröffentlicht.

barry.harvey@analog.com


  1. Das Erstellen eigener SPICE-Modelle ist nicht schwer
  2. Modellparameter ermitteln
  3. Zusammensetzen des kompletten Makromodells
  4. Übersicht der Bilder

Lesen Sie mehr zum Thema


Das könnte Sie auch interessieren

Jetzt kostenfreie Newsletter bestellen!

Weitere Artikel zu Analog Devices GmbH