Kombinierter Verstärker

Hohe Ausgangsleistung und hohe DC-Genauigkeit

4. Januar 2021, 6:00 Uhr | Jino Loquinario
Diesen Artikel anhören

Fortsetzung des Artikels von Teil 1

Stabilität erfordert eine sorgfältige Dimensionierung

Obwohl diese Schaltung relativ simpel und einfach erscheinen mag, sollte doch besondere Sorgfalt auf die Entwicklung eines kombinierten Verstärkers gelegt werden, um die höchstmögliche Bandbreite zu erhalten, ohne dabei die Stabilität der Schaltung zu gefährden.

In einer realen Anwendung, in der die Operationsverstärker weder ideal, noch absolut identisch sind, muss die jeweilige Verstärkung korrekt gewählt werden, um die Stabilität der gesamten Verstärkerschaltung sicherzustellen. Schaltungsentwickler müssen ebenfalls beachten, dass die Verstärkung des kombinierten Verstärkers mit –40 dB/Dekade abfällt. Auch deshalb muss die Gesamtverstärkung sorgfältig auf die beiden Stufen verteilt werden.

In manchen Fällen ist das gleichmäßige Aufteilen der Verstärkung auf die beiden Stufen nicht möglich, denn für eine gleichmäßige Verteilung der Gesamtverstärkung zwischen den beiden Operationsverstärkern, muss die Transitfrequenz von OPV2 immer größer oder mindestens gleich der Transitfrequenz von OPV1 sein, sonst tritt eine Verstärkungsüberhöhung auf – und es kommt möglicherweise zu Instabilitäten.

Für Anwendungsfälle in denen die Transitfrequenz von OPV1 größer als die von OPV2 sein muss, kann eine Instabilität der Verstärkerschaltung meist mit der Aufteilung der Verstärkung zwischen den Operationsverstärkern korrigiert werden. In diesem Fall führt das Reduzieren der Verstärkung von OPV2 zu einer Erhöhung der effektiven Verstärkung von OPV1 und damit einhergehend einer Reduzierung dessen Bandbreite da dieser damit näher an seiner Leerlaufverstärkung betrieben wird. Die Bandbreite von OPV2 erhöht sich entsprechend, da dieser weiter entfernt von seiner Leerlaufverstärkung arbeitet. Durch gezieltes »Verlangsamen« von OPV1 und »Beschleunigen «von OPV2 kann die Stabilität der kombinierten Verstärkerschaltung wiederhergestellt werden.

Für die Schaltung (siehe Bild 5) wurde der AD8397 [1] von Analog Devices als Ausgangsstufe (OPV2) gewählt und mit verschiedenen Präzisionsverstärkern für OPV1 kombiniert (Tabelle 1), um die Vorteile eines kombinierten Verstärkers zu demonstrieren. Der AD8397 ist ein Operationsverstärker, der einen hohen Ausgangsstrom von bis zu 310 mA liefert.

Operationsverstärker als Eingangsstufe (OPV1)

Bandbreite des einzelnen OPVs [kHz]

Bandbreite des kombinierten Verstärkers [kHz]

prozentuale Bandbreiten-Erhöhung [%]

ADA4091 [2]

30

94

213

AD8676 [3]

165

517

213

AD8599 [4]

628

2674

325

 

Tabelle 1. Bandbreiten-Erhöhung für einen kombinierten Verstärker bei einem Gesamtverstärkungsfaktor von zehn und einer Ausgangsspannung von 10 VSS (siehe Bild 5) – mit dem AD8397 als Ausgangsstufe (OPV2) und unterschiedlichen Operationsverstärkern als Eingangsstufe (OPV1). (Quelle: Analog Devices)


Beibehalten der DC-Genauigkeit

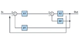
In einer typischen Operationsverstärker-Schaltung wird ein Teil des Ausgangs auf den invertierenden Eingang zurückgeführt (Bild 9). Fehler, die in der Regelschleife entstehen und am Ausgang anliegen, werden mit dem Rückkopplungsfaktor (β) multipliziert und ausgeglichen. Dies bewirkt, die Genauigkeit des Ausgangs bezogen auf den Eingang, multipliziert mit der Verstärkung (A), beizubehalten.

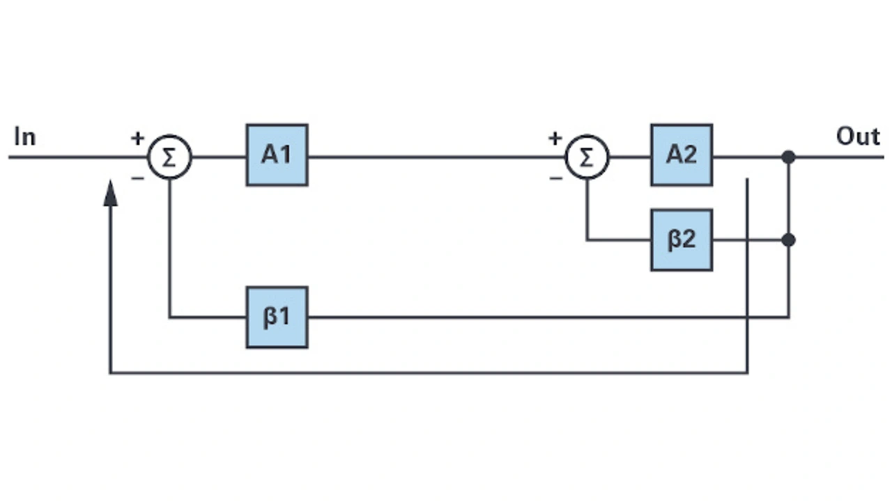
Beim kombinierten Verstärker hat der Verstärker A2 eine eigene Rückkoppelungsschleife, die dabei aber innerhalb der übergeordneten Rückkoppelungsschleife von A1 liegt (Bild 10).

Bild 9. Schematische Darstellung eines beschalteten Operationsverstärkers mit Rückkoppelschleife.
Bild 9. Schematische Darstellung eines beschalteten Operationsverstärkers mit Rückkoppelschleife.
© Analog Devices
Bild 10. Der kombinierte Verstärker hat zwei Rückkoppelschleifen. Das Ausgangssignal wird einmal auf den Eingang von A2 und ein zweites Mal auf den Eingang von A1 zurückgekoppelt.
Bild 10. Der kombinierte Verstärker hat zwei Rückkoppelschleifen. Das Ausgangssignal wird einmal auf den Eingang von A2 und ein zweites Mal auf den Eingang von A1 zurückgekoppelt.
© Analog Devices

Der durch A2 verursachte, größere Fehlerbeitrag am Ausgang wird durch die Rückkopplung auf den Verstärker A1 zurückgeführt und korrigiert. Durch dieses übergeordnete Korrektursignal bleibt die Genauigkeit von A1 für die Gesamtschaltung erhalten.

Die Effekte dieser zusammengesetzten Rückkoppelschleife und ihre Auswirkungen lassen sich in den Bildern 11 und 12 deutlich erkennen. Bild 11 zeigt einen kombinierten Verstärker, aufgebaut aus zwei idealen Operationsverstärkern. Die kombinierte Verstärkung beträgt 100, die Verstärkung von OPV2 ist hier auf 5 eingestellt.

Bild 11. Schaltung eines kombinierten Verstärkers mit den Offset-Spannungen an den Eingängen der beiden Operationsverstärker.
Bild 11. Schaltung eines kombinierten Verstärkers mit den Offset-Spannungen an den Eingängen der beiden Operationsverstärker.
© Analog Devices
Bild 12. Der Ausgangs-Offset des kombinierten Verstärkers ist nicht abhängig von der Offset-Spannung am Eingang des OPV2, sondern nur von der Offset-Spannung am Eingang von OPV1.
Bild 12. Der Ausgangs-Offset des kombinierten Verstärkers ist nicht abhängig von der Offset-Spannung am Eingang des OPV2, sondern nur von der Offset-Spannung am Eingang von OPV1.
© Analog Devices

Die Offset-Spannung am nichtinvertierenden Eingang von OPV1 ist in Bild 11 mit 50 µV angegeben, die Offset-Spannung im Eingang von OPV2 ist dagegen variabel. Bild 12 zeigt, dass sich beim Verändern der Offset-Spannung von OPV2 von 0 mV auf 100 mV der Ausgangs-Offset der Gesamtschaltung nicht von dieser Fehlergröße (= Offset von OPV2) beeinflusst wird.

Stattdessen ist der Ausgangs-Offset nur zum Fehler von OPV1 proportional: 50 µV multipliziert mit der kombinierten Verstärkung von 100 und bleibt bei 5 mV, unabhängig vom Wert der Offset-Spannung am Eingang von OPV2. Ohne die übergeordnete Rückkoppelschleife des kombinierten Verstärkers wäre eine Steigerung des Ausgangsfehlers auf bis zu 500 mV zu erwarten (Tabelle 2).

Schaltung

Effektive Offset-Spannung am Ausgang [mV]

Reduktion der Offset-Spannung in Relation zum Operationsverstärker in der Ausgangsstufe

AD8397 allein

100

kombinierter Verstärker (siehe Bild 11)

  

AD8397 (OPV2) + ADA4091 (OPV1)

3,5

28,6×

AD8397 (OPV2) + AD8676 (OPV1)

1,2

83,3×

AD8397 (OPV2) + AD8599 (OPV1)

1

100×

 

Tabelle 2. Die Offset-Spannung am Ausgang eines kombinierten Verstärkers hängt vom Operationsverstärker in der Eingangsstufe (OPV1) ab – Schaltung siehe Bild 11, mit einer Verstärkung von 100. (Quelle: Analog Devices)


Rauschen und Verzerrung

Das Ausgangsrauschen und die harmonischen Verzerrungen des kombinierten Verstärkers werden in ähnlicher Weise korrigiert wie die DC-Fehler, aber, im Falle von AC-Parametern muss auch die Bandbreite der beiden Verstärkerstufen mit einbezogen werden. Dies wird am Beispiel des Ausgangsrauschens gezeigt, mit dem Wissen, dass die Verzerrungskorrektur auf nahezu die gleiche Weise erfolgt.

Bild 13. Schaltung eines kombinierten Verstärkers mit den Rauschquellen.
Bild 13. Schaltung eines kombinierten Verstärkers mit den Rauschquellen.
© Analog Devices

In Bezug auf die Beispielschaltung in Bild 13 wird, bei ausreichender Bandbreite der ersten Stufe (OPV1), das stärkere Rauschen der zweiten Stufe (OPV2) korrigiert. Sobald der Operationsverstärker der Eingangsstufe (OPV1) jedoch an seiner Bandbreitengrenze angelangt ist, beginnt das Rauschen des Operationsverstärkers in der Ausgangsstufe (OPV2) zu dominieren. Hat OPV1 hingegen eine zu hohe Bandbreite und es ist deshalb eine Verstärkungsüberhöhung im Frequenzgang vorhanden, verursacht dies bei der selben Frequenz eine Erhöhung des Rauschens.

In der Schaltung in Bild 13 repräsentieren die Widerstände R5 und R6 die inhärenten Rauschquellen für OPV1 und OPV2. Das Diagramm in Bild 14 zeigt den Frequenzgang für unterschiedliche OPV1-Bandbreiten und auch den für OPV2 bei einer festen Bandbreite. Wie im Abschnitt über das Aufteilen der Verstärkung eines kombinierten Verstärkers beschrieben, ergibt sich für eine Gesamtverstärkung von 100 (40 dB) und einer OPV2-Verstärkung von 5 (14 dB) eine effektive OPV1-Verstärkung von 20 (26 dB).

Bild 14. Das Rauschverhalten eines kombinierten Verstärkers (Schaltung siehe Bild 13) ist abhängig von der Bandbreite der ersten Stufe (OPV1).
Bild 14. Das Rauschverhalten eines kombinierten Verstärkers (Schaltung siehe Bild 13) ist abhängig von der Bandbreite der ersten Stufe (OPV1). Der Frequenzgang der Verstärkung des kombinierten Verstärkers hat abhängig von der Bandbreite von OPV1 unterschiedliche Auswirkungen auf das Rauschverhalten (siehe Bild 15).
© Analog Devices
Bild 15. Ist die Bandbreite von OPV1 kleiner als die Bandbreite von OPV2 (violette und blaue Kurven, siehe auch Bild 14) führt das zu einem Ansteigen der Rauschspannungsdichte bei hohen Frequenzen.
Bild 15. Ist die Bandbreite von OPV1 kleiner als die Bandbreite von OPV2 (violette und blaue Kurven, siehe auch Bild 14) führt das zu einem Ansteigen der Rauschspannungsdichte bei hohen Frequenzen. Ist die Bandbreite von OPV1 dagegen viel höher als die Bandbreite von OPV2 sorgt die Überhöhung im Frequenzgang (grüne Kurve in Bild 14) auch zu einem Anstieg der Rauschspannungsdichte.
© Analog Devices

Der Graph in Bild 15 zeigt die breitbandige Ausgangsrauschleistungsdichte für jede der drei Bandbreiten. Bei niedrigen Frequenzen wird die Ausgangsrauschleistungsdichte von OPV1 dominiert; 1 nV/√Hz multipliziert mit der kombinierten Verstärkung ergibt 100 nV/√Hz. Dies gilt solange, wie OPV1 genügend Bandbreite hat, um den OPV2-Anteil zu kompensieren.

Sobald die Frequenz über die Bandbreite von OPV1 steigt und OPV1 eine Verstärkungsreduktion erfährt, wird die Rauschleistungsdichte immer mehr von OPV2 bestimmt. Der Zusammenhang lässt sich in den blauen und violetten Kurven in Bild 15 erkennen. Hier steigt die Rauschleistungsdichte auf 200 nV/√Hz an; 40 nV/√Hz multipliziert mit der OPV2-Verstärkung von 5.

Ebenfalls ist in Bild 15 der Fall dargestellt, bei dem OPV1 eine sehr viel größere Bandbreite als OPV2 hat. Durch die Verstärkungsüberhöhung weist der kombinierte Verstärker auch eine Überhöhung der Rauschleistungsdichte im gleichen Frequenzbereich auf. Da diese Verstärkungsüberhöhung im Frequenzgang einer sehr hohen Verstärkung entspricht, erhöht sich entsprechend auch die Amplitude im Rauschen.

Tabelle 3 verdeutlicht die effektive Rauschleistungsreduzierung und in Tabelle 4 ist die Verbesserung der gesamten harmonischen Verzerrung mit Rauschen (TDH+N, Total Harmonic Distortion + Noise) bei Einsatz unterschiedlicher Operationsverstärker für die erste Stufe in einem kombinierten Verstärker mit dem AD8397 in der Ausgangsstufe (OPV2).

Schaltung

Rauschspannungsdichte [nV/√Hz]

Effektive Reduzierung der Rauschspannung [%]

AD8397 allein

450

 

kombinierter Verstärker (siehe Bild 13)

  

AD8397 (OPV2) + ADA4084 [5] (OPV1)

390

13,33

AD8397 (OPV2) + AD8676 (OPV1)

280

37,78

AD8397 (OPV2) + AD8599 (OPV1)

107

76,22

 

Tabelle 3. Reduzierung des Rauschens mit unterschiedlichen Operationsverstärkern in der Eingangsstufe (OPV1) bei einer effektiven Gesamtverstärkung von 100, gemessen bei einer Frequenz f = 1 kHz. (Quelle: Analog Devices)


Schaltung

Effektive gesamte harmonische Verzerrung mit Rauschen (THD+N) [dB]

THD+n-Verbesserung [dB]

AD8397 allein

100,22

 

kombinierter Verstärker

  

AD8397 (OPV2) + ADA4084 (OPV1)

105,32

5,1

AD8397 (OPV2) + AD8676 (OPV1)

106,68

6,46

AD8397 (OPV2) + AD8599 (OPV1)

106,21

5,99

 

Tabelle 4. Vergleich der gesamten harmonischen Verzerrung mit Rauschen (THD+N) bei unterschiedlichen Operationsverstärkern in der Eingangsstufe eines kombinierten Verstärkers mit einer effektiven Verstärkung von 10 bei f = 1 kHz und IL = 200 mA. (Quelle: Analog Devices)



  1. Hohe Ausgangsleistung und hohe DC-Genauigkeit
  2. Stabilität erfordert eine sorgfältige Dimensionierung
  3. Schaltungen mit kombinierten Verstärkern

Lesen Sie mehr zum Thema


Das könnte Sie auch interessieren

Jetzt kostenfreie Newsletter bestellen!

Weitere Artikel zu Analog Devices GmbH