Kombinierter Verstärker

Hohe Ausgangsleistung und hohe DC-Genauigkeit

4. Januar 2021, 6:00 Uhr | Jino Loquinario
Diesen Artikel anhören

Fortsetzung des Artikels von Teil 2

Schaltungen mit kombinierten Verstärkern

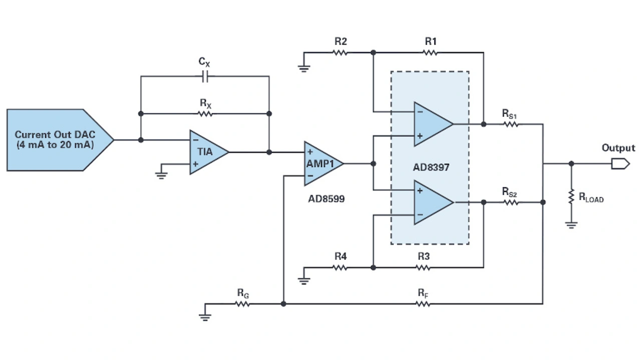
Die Schaltung in Bild 16 zeigt einen Ausgangstreiber für einen D/A-Umsetzer, der bei einer Ausgangsspannung von 10 VSS einen Ausgangsstrom von 500 mASS an eine niederimpedante Last abgeben kann (Tabelle 5). Der Ausgangsverstärker soll sehr rauscharm, mit geringer Verzerrung, einer exzellenten DC-Genauigkeit und mit der höchstmöglicher Bandbreite arbeiten.

Parameter

Wert

Verstärkung

10 V/V

Bandbreite

1,27 MHz

Ausgangsspannung

10 VSS

Ausgangsstrom

500 mASS

Ausgangs-Offset-Spannung

102,5 µV

Spannungsrauschen (f = 1 kHz)

20,95 nV/√Hz

THD+n (f = 1 kHz)

106,14 dB

 

Tabelle 5. Die Spezifikationen des kombinierten Verstärkers aus Bild 15 mit dem AD8599 als Eingangsverstärker (OPV1) und dem AD8397 als Ausgangsverstärker (OPV2). (Quelle: Analog Devices)


Bild 16. Schaltung mit einem kombinierten Verstärker als Leistungsstufe am Ausgang eines Digital/Analog-Umsetzers.
Bild 16. Schaltung mit einem kombinierten Verstärker als Leistungsstufe am Ausgang eines Digital/Analog-Umsetzers.
© Analog Devices

In der Schaltung wird der Ausgang eines 4-20-mA-D/A-Umsetzers mit einem Transimpedanzverstärker (TIA) in eine Spannung umgesetzt, die dann zur weiteren Verstärkung an den Eingang des kombinierten Verstärkers angelegt wird. Mit dem AD8397 als Ausgangstreiber (OPV2) können die Anforderungen an diesen Schaltungsausgang erreicht werden. Der AD8397 ist ein Rail-to-Rail-High-Current-Verstärker, der auch den geforderten, hohen Ausgangsstrom liefern kann.

Für OPV1 kann jeder Präzisionsverstärker verwendet werden, der die für diese Anforderung benötigte DC-Genauigkeit aufweist. In der Schaltung können verschiedene Operationsverstärker in der Eingangsstufe mit dem AD8397 – aber auch mit anderen Verstärker-ICs, die einen hohen Ausgangsstrom liefern können – kombiniert werden, um sowohl eine exzellente DC-Genauigkeit als auch die, für diese Anwendung notwendige Treiberleistung zu erhalten (Bild 17).

Bild 17. Ausgangsspannung und Ausgangsstrom des kombinierten Verstärkers aus Bild 15 mit dem AD8599 in der Eingangsstufe (OPV1) und dem AD8397 als Ausgangsstufe (OPV2).
Bild 17. Ausgangsspannung und Ausgangsstrom des kombinierten Verstärkers aus Bild 15 mit dem AD8599 in der Eingangsstufe (OPV1) und dem AD8397 als Ausgangsstufe (OPV2).
© Analog Devices

Die Schaltung in Bild 16 ist nicht auf die Operationsverstärker AD8397 und AD8599 von Analog Devices beschränkt, sondern es können auch andere Verstärker-ICs eingesetzt werden, um die geforderte Ausgangstreiberleistung und DC-Genauigkeit zu erhalten (Tabelle 6).

Verstärker-IC für die Ausgangsstufe (OPV2)

Ausgangsstromstärke [A]

Flankensteilheit [V/μs]

max. Versorgungsspannung [V]

ADA4870 [6]

1

2.500

40

LT6301 [7]

1,2

600

27

LT1210 [8]

2

900

36

Verstärker-IC für die Eingangsstufe (OPV1)

Offset-Spannung [μV]

Rauschspannungsdichte [nV/√Hz]

THD+n, 1 kHz [dB]

LT6018 [9]

50

1,2

115

ADA4625 [10]

80

3,3

110

ADA4084

100

3,9

90

 

Tabelle 6. Beispiele für Verstärker-ICs, die sich ebenfalls für den Einsatz in einem kombinierten Verstärker anbieten – in der Ausgangsstufe (OPV2) aufgrund ihrer Fähigkeit einen hohen Ausgangsstrom zu treiben und in der Eingangsstufe (OPV1). (Quelle: Analog Devices)


Der Autor dankt Zoltan Frasch und Bruce Petipas für ihre technische Beratung zu diesem Fachaufsatz.

 

 

Literatur

[1] Rail-to-Rail, High Output Current Amplifier AD8397. Analog Devices, Datenblatt, 2019, www.analog.com/media/en/technical-documentation/data-sheets/AD8397.pdf.

[2] Precision Micropower, OVP, RRIO Operational Amplifier ADA4091-2/ADA4091-4. Analog Devices, Datenblatt, 2016, https://www.analog.com/media/en/technical-documentation/data-sheets/ADA4091-2_4091-4.pdf.

[3] Ultraprecision, 36 V, 2.8 nV/√HzDual Rail-to-Rail Output Op Amp AD8676. Analog Devices, Datenblatt, 2011, www.analog.com/media/en/technical-documentation/data-sheets/AD8676.pdf.

[4] Single and Dual, Ultralow Distortion, Ultralow Noise Op Amps AD8597/AD8599. Analog Devices, Datenblatt, 2017, www.analog.com/media/en/technical-documentation/data-sheets/AD8597_8599.pdf.

[5] 30 V, Low Noise, Rail-to-Rail Input/Output, Low Power Operational Amplifiers ADA4084-1/ADA4084-2/ADA4084-4. Analog Devices, Datenblatt, 2017, https://www.analog.com/media/en/technical-documentation/data-sheets/ADA4084-1_4084-2_4084-4.pdf.

[6] High Speed, High Voltage,1 A Output Drive Amplifier ADA4870. Analog Devices, Datenblatt, 2014, www.analog.com/media/en/technical-documentation/data-sheets/ADA4870.pdf.

[7] LT6301 Dual 500 mA, Differential xDSL Line Driver in 28-Lead TSSOP Package. Linear Technology, Datenblatt, 2001, www.analog.com/media/en/technical-documentation/data-sheets/6301fs.pdf.

[8] LT1210 1.1A, 35 MHz Current Feedback Amplifier. Linear Technology, Datenblatt, 2018, www.analog.com/media/en/technical-documentation/data-sheets/lt1210.pdf.

[9] LT6018 33 V, Ultralow Noise, Precision Op Amp. Linear Technology, Datenblatt, 2018, www.analog.com/media/en/technical-documentation/data-sheets/6018fa.pdf.

[10] 36 V, 18 MHz, Low Noise, Fast Settling Single Supply, RRO, JFETOp Amp ADA4625-1/ADA4625-2. Analog Devices, Datenblatt, 2019, www.analog.com/media/en/technical-documentation/data-sheets/ADA4625-1-4625-2.pdf.

 

 

Der Autor

Jino Loquinario von Analog Devices
Jino Loquinario, Analog Devices.
© Analog Devices

Jino Loquinario

kam 2014 zu Analog Devices und arbeitet seither als Product Applications Engineer für die Linear Products and Solutions Group. Sein Studium der Elektrotechnik an der Technische Universität der Philippinen Visayas schloss er mit dem Bachelor ab.

jino.loquinario@analog.com


  1. Hohe Ausgangsleistung und hohe DC-Genauigkeit
  2. Stabilität erfordert eine sorgfältige Dimensionierung
  3. Schaltungen mit kombinierten Verstärkern

Lesen Sie mehr zum Thema


Das könnte Sie auch interessieren

Jetzt kostenfreie Newsletter bestellen!

Weitere Artikel zu Analog Devices GmbH