Optischer Sensor

Wahrnehmung wie das menschliche Auge

22. August 2012, 15:27 Uhr | Jens Würtenberg

Die benutzerfreundliche Konzeption eines Handys ist eine knifflige Angelegenheit. So erfordert die automatische Helligkeitsregelung eines Displays einen Helligkeitssensor, der die Empfindlichkeitskurve des menschlichen Auges nachbildet. Wird das Gerät an das Ohr geführt wird, muss darüber hinaus die Touch-Funktion sicher abgeschaltet werden, also wird noch ein Näherungssensor benötigt.

Diesen Artikel anhören

Das Unternehmen Maxim verfolgt seit jeher die Strategie, Bausteine zu entwickeln, mit denen sich ein aktuelles und dabei nicht triviales Designproblem ohne großen Bauteileaufwand lösen lässt. Hierzu gehört derzeit eine gut funktionierende Helligkeitsregelung bei Handys bzw. Smartphones, insbesondere auch deshalb, weil das Display mit den höchsten Energiebedarf hat und ein sparsamer Umgang mit den Photonen helfen kann, die Zeit zwischen zwei Aufladevorgängen merklich zu verlängern.

Wird ein solcher Helligkeitssensor mit einem Näherungssensor kombiniert, lässt sich gleichzeitig auch die Touch-Funktion des Bildschirms situationsgerecht ab- und wieder einschalten. Ein Baustein, der diese beiden Funktionen in einem Gehäuse bietet, passt also durchaus in das generelle Anforderungsprofil, das für die Handyentwicklung besteht: so klein wie möglich bei geringster Stromaufnahme.

Anbieter zum Thema

zu Matchmaker+
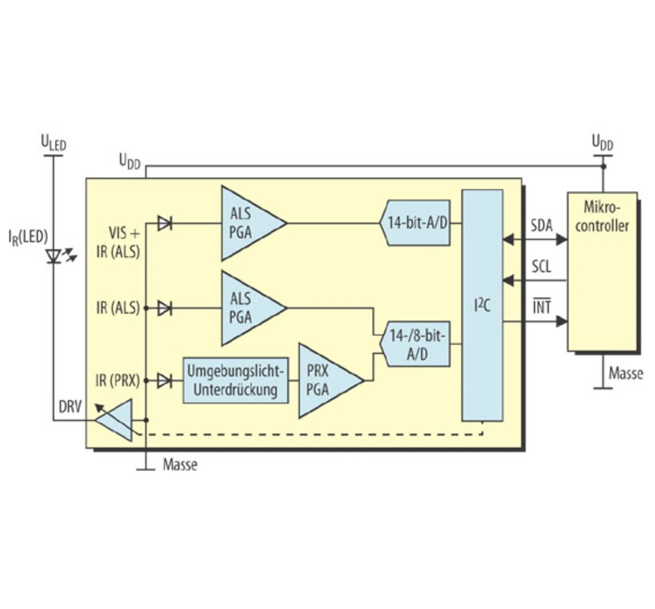
Zwei unabhängig voneinander arbeitende A/D-Umsetzer auf dem Chip ermöglichen eine stabile Auswertung der Sensorsignale entsprechend einer vorgegebenen Empfindlichkeitskurve.
Zwei unabhängig voneinander arbeitende A/D-Umsetzer auf dem Chip ermöglichen eine stabile Auswertung der Sensorsignale entsprechend einer vorgegebenen Empfindlichkeitskurve.
© Maxim

Maxim bietet nun mit dem MAX44000 einen Baustein in BiCMOS-Technologie, der mit seinen drei integrierten optischen Sensoren die beiden Aufgaben löst: Er bestimmt die Umgebungshelligkeit nach der Empfindlichkeitskurve des menschlichen Auges und erkennt die Annäherung an einen Gegenstand. Damit lassen sich die Helligkeit eines Smartphone-Bildschirms situationsgerecht regeln und eine Annäherung etwa an das Ohr des Benutzers sicher erkennen. Dafür integriert der Baustein neben drei Fotodioden als Sensoren zwei A/D-Umsetzer zur Digitalisierung der Signale und mehrere digitale Funktionsblöcke (Bild).

Helligkeitsempfinden des menschlichen Auges

Die Umgebungslichtsensoren sind so ausgelegt, dass sie die gleiche Empfindlichkeitskurve aufweisen wie das menschliche Auge. Dazu integriert das IC zwei Photodioden; die eine hat ihr Maximum der Empfindlichkeit im grünen, die andere im infraroten Bereich. Die Signale der beiden Fotodioden werden auf dem Chip mit den passenden Koeffizienten verstärkt und voneinander subtrahiert, so dass der Sensor-Chip die Beleuchtungsstärke auch bei Verwendung so unterschiedlicher Lichtquellen wie Glüh- und Leuchtstofflampen stets korrekt ermittelt. Herkömmliche Silizium-Fotodioden sind im Gegensatz zum menschlichen Auge im infraroten Bereich empfindlich, so dass damit ausgeführte Messungen bei Glühlampen zu hohe Werte für die Beleuchtungsstärke vorspiegeln.

Andere Lichtquellen wie LEDs haben nur geringe IR-Anteile im Spektrum. Die auf dem Chip implementierten Kompensationsverfahren stellen sicher, dass für die verschiedensten Lichtquellen die richtigen Werte für die Beleuchtungsstärke ermittelt werden. Darüber hinaus sind auf dem Chip Register vorgesehen, mit denen sich die Empfindlichkeitskurve an die Umgebungsverhältnisse anpassen lässt, etwa wenn der Sensor hinter einem farbigen Glas liegt. Der Dynamikumfang der Fotodiodenkombination reicht von 0,03 lux bis 65.535 lux.

Zusätzlich zu den beiden Sensoren für die Bestimmung des Umgebungslichts sind auf dem Chip für die Näherungserkennung ein IR-Sensor und ein Treiber für eine externe Infrarot-LED integriert. Die externe LED wird mit Impulsen betrieben; dadurch können die Einflüsse von IR-Licht aus der Umgebung weitgehend unterdrückt werden. Das Sensorsignal, also der Fotostrom aus der IR-Diode, wird von dem zweiten A/D-Umsetzer mit einer Genauigkeit von 8 bit in einen Digitalwert umgesetzt, der dann über die I²C-Schnittstelle an den System-Mikrocontroller weitergereicht wird.

Der Sensor wurde für die Verwendung in einem Handy bzw. Smartphone optimiert. Die Stromaufnahme beträgt bei aktiviertem Umgebungslichtsensor 5 μA; werden der Näherungs- und der Umgebungslichtsensor parallel betrieben, dann werden 7 μA benötigt. Die Abmessungen des Gehäuses betragen 2 × 2 × 2 mm³.


Lesen Sie mehr zum Thema


Jetzt kostenfreie Newsletter bestellen!

Weitere Artikel zu Maxim Integrated Products

Weitere Artikel zu Optosensorik