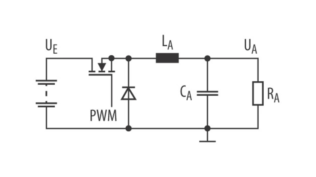
Der in Bild 3 vereinfacht dargestellte Abwärtswandler dient zur Veranschaulichung der stromgeführten Spitzenwertregelung. Die Vorgehensweise kann jedoch auch bei anderen Schaltungen angewendet werden. Um eine stabil arbeitende Kompensationsschaltung zu entwerfen, wird zuerst ein mathematisches Modell der Abwärtswandlerschaltung benötigt. Gemäß [1] kann eine Abwärtswandlerschaltung mit drei Termen beschrieben werden, nämlich
FH(s), der Hochfrequenz-Übertragungsfunktion,
HDC, der Gleichstromverstärkung und
HB(s), dem Kleinsignalverhalten der Leistungsstufe.
Die vollständige Übertragungsfunktion des Reglers für einen Abwärtswandler mit stromgeführter Spitzenwertregelung [2] ist eine Kombination dieser drei Terme:

Hochfrequenz-Übertragungsfunktion
Die Hochfrequenz-Übertragungsfunktion FH(s) weist eine doppelte Polstelle bei halber Schaltfrequenz (fS) auf. Dies führt unweigerlich zu einer Resonanzüberhöhung bei dieser Frequenz, die gedämpft werden muss. Um Instabilität zu verhindern, darf die Verstärkungskennlinie im Bode-Diagramm bei der Resonanzfrequenz die 0-dB-Achse nicht überschreiten.
Dazu wird dem Regelkreis eine Stromanstiegs-Kompensation hinzugefügt, um die Resonanzüberhöhung effektiv zu dämpfen. Dies wird erreicht, indem die Güte (Q) des Reglers auf 1 gesetzt wird. Bei niedriger Güte wird die Resonanzüberhöhung gedämpft und die Verstärkung bei fS/2 verringert.
Der für einen Abwärtswandler erforderliche Spitze-Spitze-Wert der externen Stromanstiegs-Kompensation wurde in [3] berechnet und ist in Gleichung (2) dargestellt. Die Stromanstiegs-Kompensation verringert die Güte der Hochfrequenz-Übertragungsfunktion auf 1.

wobei Ri = Verstärkung des Stromwandlers,
TS = Periodendauer der Schaltfrequenz,
UE = Eingangsspannung,
LA = Ausgangsspule und
TV = UA/UE = Tastverhältnis mit
UA = Ausgangsspannung
Mit einer Güte von 1 kann FH(s) vereinfacht werden zu

mit ωN = ½ωS = ½ × 2πfS
Gleichstromverstärkung
Mit dem Modell von Ridley [2] und der Dämpfung der Resonanzüberhöhung durch Setzen der Güte auf 1 kann die Gleichstromverstärkung des Reglers vereinfacht werden zu

mit RA = Lastwiderstand am Ausgang.
Kleinsignalverhalten der Leistungsstufe
Aufgrund der stromgeführten Regelung wird die Spule des Abwärtswandlers in Bild 1 zu einer stromgeregelten Quelle. In [1] wird das Kleinsignalverhalten des Abwärtswandlers angegeben als

Die Polstelle ωOP wird von der Ausgangskapazität und dem Lastwiderstand bestimmt. Mit einer Güte von 1 kann die Polstelle ωOP anhand der Gleichung (6) berechnet werden:

Des Weiteren wird die Nullstelle ωESR von der Ausgangskapazität und dem äquivalenten Serienwiderstand (ESR) des Ausgangskondensators CA festgelegt gemäß

Pol- und Nullstellen der Kompensation
Die Pol- und Nullstellen der Kompensationsschaltung können nun, gemäß der Analyse der Übertragungsfunktion von der Regelung bis zum Ausgang, so gewählt werden, dass die gewünschte Durchtrittsfrequenz und Phasenreserve des Reglers erreicht wird. Für die Kompensation des Abwärtswandlers mit stromgeführter Spitzenwertregelung wird ein Netzwerk 2. Ordnung verwendet. Die Übertragungsfunktion hierfür lautet

Die Polstelle ωP2 der Kompensationsschaltung wird auf die Frequenz der ESR-Nullstelle (ωESR) in der Übertragungsfunktion (Formel 7) gelegt, um deren Auswirkungen näherungsweise aufzuheben (ωP2 = ωESR). Die Nullstelle ωZ1

mit fX = Durchtrittsfrequenz
wird auf einen Wert gesetzt, mit dem eine geeignete Phasenreserve erreicht werden kann. Die Polstelle am Ursprung, ωP0, wird auf einen Wert gesetzt, mit dem sich eine geeignete Durchtrittsfrequenz erreichen lässt. Die Frequenz der Nullstelle des Kompensationsnetzwerkes sollte auf 20 % der gewünschten Durchtrittsfrequenz gelegt werden. In den meisten Fällen führt dies zu einer angemessenen Phasenreserve.
Zu guter Letzt wird die Polstelle am Ursprung - bzw. die Verstärkung des Kompensationsnetzwerkes - berechnet. Dabei handelt es sich um die Frequenz, bei der die Verstärkung einzig aufgrund der Polstelle am Ursprung 1 betragen würde. Diese Frequenz wird als Durchtrittsfrequenz fX gewählt.
Aus der Übertragungsfunktion des Abwärtswandlers (Formel 1) wurde Gleichung (10) abgeleitet, um ωP0 des Kompensators direkt berechnen zu können [2]:

mit


Mit diesen Formeln lässt sich allerdings nur eine Annäherung berechnen. Die exakte, analytische Berechnung der Null- und der Polstelle am Ursprung ist umfangreich und würde den Rahmen dieses Aufsatzes sprengen [4].