Stromversorgungen

Wie lassen sich typische Fehler im PCB-Layout vermeiden?

6. September 2022, 11:30 Uhr | Sarmad Abedin, John Dorosa, Jim Perkins, alle von Texas Instruments
Schmuckbild
© Componeers GmbH

Ein mangelhaftes Leiterplatten-Layout führt zu unnötig hohen parasitären Induktivitäten, Kapazitäten und Widerständen, die wiederum zu Störgrößen im Design oder zu höheren thermischen Belastungen führen. Woran ist ein mangelhaftes Layout erkennbar und wie kann man es verbessern?

Diesen Artikel anhören

In einem Abwärtswandler fließen in der Eingangskondensator-Schleife die höchsten Schaltströme, sodass jegliche parasitäre Induktivität in dieser Schleife zu unerwünschten Oszillationen führt. Wenn die Eingangskondensatoren zu weit von den VIN- und GND-Pins entfernt angeordnet sind und sich vielleicht sogar auf der anderen Platinenseite befinden, ergibt sich die links in Bild 1 gezeigte Situation.

Platzierung der Eingangskondensatoren ist entscheidend

Bild 1
Bild 1: Das starke Schwingen am Schaltknoten und die hohe Ausgangsspannungs-Welligkeit (links), die bei zu großer Distanz zwischen Schaltregler und Eingangskondensatoren zu beobachten sind, werden bei korrekter Platzierung komplett beseitigt (rechts). 
© Texas Instruments

Die Abbildung verdeutlicht diesen Fall am Beispiel des synchronen Buck-Reglers TPS56C215 von Texas Instruments (TI). Wie spürbar sich die Verhältnisse verbessern, sobald die Eingangskondensatoren direkt an den VIN- und PGND-Pins platziert werden, ist rechts in Bild 1 zu sehen: die Oszillationen am Schaltknoten sind verschwunden, und die Ausgangswelligkeit ist auf rund 4 mV zurückgegangen.

Günstig wirkt sich ebenfalls die Verwendung von HF-Bypasskondensatoren am Eingang aus, die zum Entkoppeln der hochfrequenten Oberschwingungen der steilen Schaltflanken dienen.

Korrektes Abgreifen des Feedback-Signals

Der Feedback-Pin eines Schaltreglers besitzt eine hohe Impedanz und ist damit sehr anfällig für eingestreute Störgrößen. Das Layoutbeispiel oben in Bild 2 ist deshalb ganz klar als ungünstig einzustufen. Zwar befinden sich die Ausgangswiderstände (grün markiert) nah am VOUT-Anschluss, doch die Verbindung zum Feedback-Pin verläuft quer über die Platine und an der Induktivität vorbei, sodass unweigerlich Störgrößen in diese Leitung eingestreut werden. Wie es besser geht, ist in Bild 2 unten zu sehen.

Bild 2
Bild 2: Während oben eine lange Leiterbahn mit dem Feedback-Pin verbunden ist, ist die Verbindung zu den Feedback-Widerständen unten deutlich kürzer.
© Texas Instruments

Die Verbesserungen sind nicht zu übersehen. Während die Ausgangsspannung im ersten Fall mit Störgrößen und Welligkeit behaftet ist und das Schaltsignal einen Jitter aufweist, bringt das verbesserte Layout deutlich bessere Resultate (Bild 3).

Den Einfluss der Störgrößen so gering wie möglich halten

Bild 3
Bild 3: Während die Ausgangsspannung (im linken Bild oben) und das Schaltsignal (im linken Bild unten) bei der ungünstigen Layoutvariante starke Störgrößen aufweisen, sind die mit dem überarbeiteten Layout erzielten Verbesserungen auf der rechten Seite deutlich zu sehen.
© Texas Instruments

Der synchrone Buck-Wandler TPS543C20 ist in der Lage, bei hohen Lastströmen eine sehr genau geregelte Ausgangsspannung bereitzustellen (z. B. 0,85 V bei bis zu 20 A). Dennoch kann eine mit diesem Baustein bestückte Schaltung ein ungünstiges Verhalten an den Tag legen, was sich wie folgt äußert: während ohne angeschlossene Last exakt die vorgesehenen 0,85 V anliegen, geht diese Spannung mit wachsendem Laststrom zusehends zurück. Die Genauigkeit, mit der die Ausgangsspannung geregelt wird, hängt nämlich in einem hohen Maße davon ab, an welchem Punkt auf der Leiterplatte die an den Regler zurückgeführte Spannung abgegriffen wird.

Insbesondere bei Reglern mit hohen Ausgangsströmen kann es entlang der Leiterbahnen zu erheblichen Spannungsabfällen kommen, die zu Abweichungen von der Soll-Ausgangsspannung führen, wenn sie bei der Regelung unberücksichtigt bleiben. Gleichung 1 gibt in vereinfachter Form den Widerstand eines Leiters an, dessen Länge und Breite identisch sind:

R = (ρ x l)/(T x l)=ρ/T (Gleichung 1)

Man kann eine lange Leiterbahn als eine Aneinanderreihung solcher quadratischer Leitersegmente modellieren und damit den Gesamtwiderstand der betreffenden Leiterbahn errechnen, sofern man die Stärke der Kupferbeschichtung der Platine kennt und den Flächenwiderstand aus den einschlägigen Tabellen heranzieht. Im vorliegenden Fall ließ sich ein Gesamtwiderstand von 1 mΩ errechnen. Dieser erscheint zunächst nicht besonders hoch, bewirkt aber bei 20 A Laststrom dennoch einen Spannungsabfall von immerhin 20 mV. Eliminieren lässt sich dieses Problem, indem man die Ausgangsspannung erst nach dem parasitären Widerstand, also möglichst nah am Verbraucher abgreift. Auf diese Weise werden alle auf dem Weg dorthin entstehenden Spannungsabfälle automatisch kompensiert.

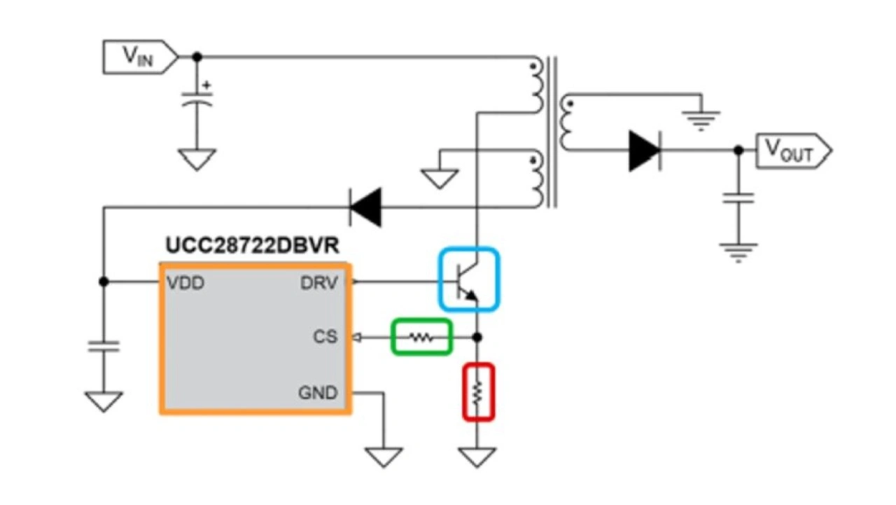
Bild 4
Bild 4: In dieser Sperrwandler-Schaltung dient der grün markierte Widerstand zum Ausfiltern von Schaltstörungen.
© Texas Instruments

Problematisch für das Feedback-Signal sind jedoch nicht nur die gerade beschriebenen Spannungsabfälle, sondern auch eingestreute Störgrößen. Bei der Schaltung in Bild 4 filtert der grün markierte Widerstand zwischen Strommess-Widerstand (rot) und Controller-IC (orange) etwaige Schaltstörungen aus. Es handelt sich hier um eine Sperrwandler-Schaltung, die sich immer dann als kostengünstige Lösung anbietet, wenn eine galvanische Isolierung zwischen Eingang und Ausgang benötigt wird.

Wird der Filterwiderstand hier zu nah am Strommess-Widerstand platziert, so fällt die zum Controller-IC führende Leiterbahn übermäßig lang aus, was wiederum das Risiko mit sich bringt, dass Störgrößen in dieser Leitung einstreuen und die Messung beeinflussen. Besser ist es dagegen, den Filterwiderstand unmittelbar am Strommess-Pin des ICs zu platzieren, denn auf diese Weise werden auch die entlang der Leiterbahn eingestreuten Störsignale abgeschwächt.

Im vorliegenden Fall waren die eingestreuten Störungen so stark, dass die Schaltung nicht ihren vorgesehenen Soll-Ausgangsstrom erreichte, da der Überstromschutz bereits vorher ansprach. Je weiter der Ausgangsstrom ansteigt, umso mehr Energie wird nämlich von der Streuinduktivität des Übertragers gespeichert, was wiederum das parasitäre Rauschen an der Primärseite erhöht. Diese Störgrößen können die Strommessung beeinflussen und zu dem besagten Ansprechen des Überstromschutzes noch vor Erreichen des eigentlichen maximalen Laststroms führen. Das Anordnen des Filterwiderstands unmittelbar am Strommess-Pin des IC schafft hier Abhilfe. Der Wert dieses Widerstands muss hierfür übrigens nicht geändert werden.

Anbieter zum Thema

zu Matchmaker+

  1. Wie lassen sich typische Fehler im PCB-Layout vermeiden?
  2. Platzierung der Gatetreiber


Lesen Sie mehr zum Thema


Das könnte Sie auch interessieren