Umrichter für die Hochspannungs-Gleichstrom-Übertragung

Technologische Herausforderungen

21. März 2016, 17:16 Uhr | Von Prof. Dr.-Ing. Hans-Günter Eckel
Diesen Artikel anhören

Fortsetzung des Artikels von Teil 2

Selbstgeführte HGÜ-Umrichter

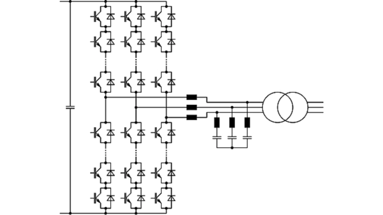
Selbstgeführter HGÜ-Umrichter: Gleichspannungszwischenkreis-Umrichter in Zweipunktausführung, direkte Reihenschaltung von 100 druckkontaktierten IGBTs.
Bild 4. Selbstgeführter HGÜ-Umrichter: Gleichspannungszwischenkreis-Umrichter in Zweipunktausführung, direkte Reihenschaltung von 100 druckkontaktierten IGBTs.
© Universität Rostock

Als Alternative zu netzgeführten Stromrichtern steht seit gut einem Jahrzehnt die selbstgeführte Stromrichtertechnik (Bild 4) auch für die Hochspannungs-Gleichstrom-Übertragung zur Verfügung. Gegenüber netzgeführten Stromrichtern ergeben sich folgende Vorteile:

  • Der Phasenwinkel des AC-seitigen Stroms lässt sich gegenüber der Netzspannung auf beliebige Werte einstellen. Damit ist kein starkes, von Synchrongeneratoren geführtes Netz erforderlich, sondern die HGÜ-Station kann selber netzführend arbeiten. Zudem kann die HGÜ auch als Kompensationsanlage arbeiten und damit die Spannung auf der AC-Seite stellen. Die für die netzgeführte HGÜ erforderlichen passiven Kompensationseinrichtungen entfallen. Dies reduziert den Platzbedarf gegenüber der netzgeführten HGÜ signifikant.
  • Je nach Technologie ist der Oberschwingungsgehalt der AC-seitigen Ausgangsspannung sehr gering, sodass möglicherweise auch die Oberschwingungsfilter entfallen können.
  • Die HGÜ kann schwarzstartfähig sein und damit nach einem Blackout zum Netzwiederaufbau beitragen.

Diesen Vorteilen stehen auf System­ebene folgende Nachteile gegenüber:

  • Die Durchlassverluste der IGBTs sind größer als die der Thyristoren. Dies macht sich in einem gegenüber der netzgeführten HGÜ etwas schlechteren Wirkungsgrad bemerkbar.
  • Selbstgeführte Stromrichter im Bereich hoher Leistungen sind teurer als netzgeführte.
  • Der Platzbedarf für den eigentlichen Leistungsteil ist bei selbstgeführten Stromrichter höher als bei netzgeführten.
  • Je nach verwendeter Topologie kann der selbstgeführte Stromrichter möglicherweise Kurzschlüsse auf der DC-Übertragungsstrecke nicht löschen. Dies macht dann das Schutzkonzept anspruchsvoller.
  • Je nach verwendeter Topologie ist das Redundanzkonzept aufwändiger.

Die Vorteile der selbstgeführten Technik haben der Hochspannungs-Gleichstrom-Übertragung neue Anwendungsfelder eröffnet. Dies ist vor allem die Anbindung von Offshore-Windparks an das Verbundnetz, wenn die Entfernung zum Netzanschlusspunkt mindestens 100 bis 200 km beträgt, und die mit der klassischen netzgeführten Technik so nicht möglich gewesen wäre. In Anwendungen mit sehr beengten Platzverhältnissen kann der geringere Raumbedarf der selbstgeführten Technik den Ausschlag geben. Daneben wird es aber auch in Zukunft Anwendungen für die selbstgeführte Technik geben, z.B. die Anbindung großer Wasserkraftwerke an entfernte Verbrauchszentren.

Für selbstgeführte HGÜ-Umrichter sind bereits verschiedene Topologien kommerziell realisiert worden; weitere befinden sich in der Entwicklungsphase oder liegen als Konzept vor.

Erster Ansatz ist der Spannungszwischenkreis-Umrichter in Zweipunkt- oder Dreipunkttechnik gewesen. Die hohe Spannung wird durch die direkte Reihenschaltung von IGBTs erreicht. Die Spannungssymmetrierung kann wie beim Thyristor durch eine ohmsche Beschaltung für die statische und eine kapazitive für die dynamische Symmetrierung erfolgen. Da der IGBT die Möglichkeit bietet, die Schaltflanken über das Gate zu steuern, ist aber auch eine Symmetrierung durch eine intelligente Ansteuerung möglich.

Schwieriger als die Reihenschaltung ist die Redundanz bei Ausfall eines IGBT zu erreichen. IGBTs werden üblicherweise in Modulbauform hergestellt; die elektrische Kontaktierung der Chipoberseite erfolgt über Bonddrähte. In einem Modul befinden sich zahlreiche parallel geschaltete Chips. In dem für HGÜ-Umrichter relevanten Leistungsbereich sind Module mit 18 bis 24 IGBT- und 12 bis 18 Dioden-Chips üblich. Im Fehlerfall ist lediglich ein Chip defekt. Dieser Chip muss dann den Strom führen, den sonst die komplette Parallelschaltung trägt. Dies führt zu so hohen Chiptemperaturen, dass die heutige Aufbau- und Verbindungstechnik dieser Belastung nicht gewachsen ist. IGBTs für die direkte Reihenschaltung werden daher in druckkontaktierten Gehäusen verbaut, die intern mit Federkontakten ausgestattet und für diesen Fehlerfall qualifiziert sind.

Problematisch bei Zwei- und Dreipunktumrichtern ist der hohe Oberschwingungsgehalt der Ausgangsspannung. Zwar lässt sich der Phasenwinkel der Grundschwingung beliebig einstellen, zur Reduktion der Oberschwingungen im Strom sind jedoch passive Filter erforderlich. Diese benötigen Bauraum, verursachen Verluste und fügen wohlmöglich nur schlecht beherrschbare Resonanzstellen in das System ein. Um eine sinnvolle Filterauslegung zu ermöglichen, werden die Umrichter mit Schaltfrequenzen in der Größenordnung von 1 kHz betrieben. Dies führt bei hochsperrenden IGBTs bereits zu ganz erheblichen Schaltverlusten, was sich negativ auf die erzielbare Ausgangsleistung pro installierter Chipfläche und auf den Wirkungsgrad auswirkt. Die Umrichterverluste einer Station liegen üblicherweise bei 1,5 bis 2 %.

Im Falle eines Kurzschlusses auf der Gleichspannungsstrecke entlädt sich der Zwischenkreiskondensator in die Fehlerstelle. Dies führt zu hohen Strömen, die sich aus dem Schwingkreis aus der Zwischenkreiskapazität und den Induktivitäten bis zur Fehlerstelle ergeben. Die Stromamplitude lässt sich durch Drosseln auf der DC-Seite begrenzen. Allerdings treiben diese Drosseln nach dem Nulldurchgang der Kondensatorspannung einen Strom durch die Freilaufdiode des Umrichters, der diese Dioden stark belastet. Im Anschluss an die Stoßentladung treibt das AC-Netz noch einen Fehlerstrom, der durch die AC-seitigen Impedanzen begrenzt ist und durch die AC-seitigen Schütze abgeschaltet werden muss. Dieses unschöne Fehlerverhalten erschwert den Einsatz dieser Topologie in Verbindung mit Gleichspannungsfreileitungen, bei denen Kurzschlüsse im Vergleich zu Kabeln relativ häufig vorkommen.


  1. Technologische Herausforderungen
  2. HGÜ-Technologie
  3. Selbstgeführte HGÜ-Umrichter
  4. Modulare Multilevel-Umrichter
  5. Neue Entwicklungen

Lesen Sie mehr zum Thema


Das könnte Sie auch interessieren

Jetzt kostenfreie Newsletter bestellen!

Weitere Artikel zu Componeers GmbH

Weitere Artikel zu Netze (Smart Grid)