Umrichter für die Hochspannungs-Gleichstrom-Übertragung

Technologische Herausforderungen

21. März 2016, 17:16 Uhr | Von Prof. Dr.-Ing. Hans-Günter Eckel
Diesen Artikel anhören

Fortsetzung des Artikels von Teil 1

HGÜ-Technologie

Leistungshalbleiter für Hochspannungs-Gleichstrom-Übertragung. Links: lichtgezündeter ­Thyristor; rechts: IGBT-Modul.
Bild 2. Leistungshalbleiter für Hochspannungs-Gleichstrom-Übertragung. Links: lichtgezündeter ­Thyristor; rechts: IGBT-Modul.
© Infineon

Zur Realisierung der Hochspannungs-Gleichstrom-Übertragung stehen zwei grundsätzlich unterschiedliche Technologien zur Verfügung, die jeweils eigene Vor- und Nachteile haben.

Die klassische HGÜ beruht auf gesteuerten netzgeführten Stromrichtern. Erste Anlagen wurden noch mit Quecksilberdampf-Gleichrichtern konzipiert. Seit den 70er Jahren haben sich Thyristoren als Schaltelemente etabliert (Bild 2).

Netzgeführte Stromrichter (Bild 3) benötigen für die Kommutierung ein Drehspannungsnetz mit niedriger Innenimpedanz. Daher sind sie gut zur Kopplung von starken Netzen geeignet. Wasserkraftwerke mit Synchrongeneratoren bilden solch ein starkes Netz und sind daher zur Führung eines netzgeführten Stromrichters fähig.

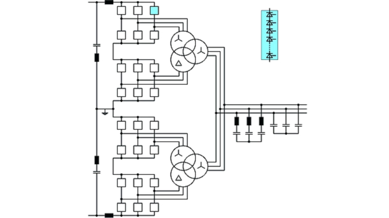
Netzgeführter HGÜ-Umrichter: zwei 12-pulsige gesteuerte Gleichrichter (B12C), Filter auf der DC- und der AC-Seite, Ventile als Reihenschaltung aus hundert Thyristoren.
Bild 3. Netzgeführter HGÜ-Umrichter: zwei 12-pulsige gesteuerte Gleichrichter (B12C), Filter auf der DC- und der AC-Seite, Ventile als Reihenschaltung aus hundert Thyristoren.
© Universität Rostock

Zur Steuerung des Stromflusses einer typischen Punkt-zu-Punkt-Verbindung dient die Differenz aus den DC-Spannungen der beiden Stromrichterstationen als Stellgröße. Der als Wechselrichter betriebene Stromrichter wird mit hinreichendem Abstand zur Kippgrenze mit einem Steuerwinkel von z.B. 150° betrieben. Der als Gleichrichter arbeitende Stromrichter liegt dann mit dem Steuerwinkel bei etwa 30°, kann durch den Steuerwinkel die DC-Spannung stellen und damit den Gleichstrom regeln. Für die Leistungsflussumkehr tauschen Wechsel- und Gleichrichter ihre Funktion. Die Stromrichtung bleibt unverändert, die Spannung wechselt ihre Polarität. Die Möglichkeit, die DC-Spannung zu stellen, vereinfacht die Fehlerbehandlung im Falle eines Kurzschlusses auf der DC-Leitung. Durch die Stromquellencharakteristik des Stromrichters steigt der DC-Strom nur langsam an. Der Steuerwinkel des Gleichrichters kann so verändert werden, dass eine Gegenspannung erzeugt wird, die den Strom durch den Lichtbogen löscht.

Ein Steuerwinkel von 30° bzw. 150° führt zu einem Blindleistungsbedarf von mehr als 50 % der Wirkleistung. Um die Drehspannungsnetze von dieser Blindleistung zu entlasten, sind kapazitive Kompensatoren notwendig.

Um den Oberschwingungsgehalt auf der DC- und der AC-Seite gering zu halten, werden HGÜ-Stromrichter als 12-pulsige Stromrichter ausgeführt. Trotzdem sind noch umfangreiche Filter zur Filterung der 11. und 13. Harmonischen erforderlich.

Kompensatoren und Filter haben einen größeren Platzbedarf als der eigentliche Leistungsteil. Neben einer Halle für den Stromrichter benötigen klassische HGÜ-Stationen daher große Freiflächen für die passiven Bauteile. Wo Platzbedarf entscheidend ist, sind netzgeführte HGÜ daher eher kritisch zu sehen.

Dem stehen die Vorteile des Thyristors als Leistungshalbleiter gegenüber. Thyristoren haben eine sehr geringe Durchlassspannung – was günstig für den Wirkungsgrad und die Leistungsdichte des Stromrichters ist. Die im Vergleich zu moderneren Leistungshalbleitern recht grobe Strukturierung des Thyristors ermöglicht die Herstellung sehr großer Elemente – ein Thyristor nimmt die komplette Fläche eines Wafer ein – und damit die Realisierung sehr hoher Leistungen bei moderaten Kosten. Aktuelle 6-Zoll-Thyristoren erlauben einen Übertragungsstrom von 4 kA bei einer Sperrspannung von über 8 kV. Die Verluste einer Station liegen bei deutlich unter einem Prozent.

Der Aufwand für die Ansteuerung kann durch lichtgezündete Thyristoren, die zudem den Schutz vor Überkopfzünden durch zu hohes du/dt oder Verletzung der Rückwärtserholzeit bereits im Wafer realisieren, erheblich reduziert werden. Diese Integration von Ansteuer- und Schutzfunktionen ist bis heute ein Thema in der Leistungshalbleiterforschung. Thyristoren für die HGÜ werden in robusten Keramikgehäusen verpackt, die druckkontaktiert werden. Durch den einen großflächigen Chip und die ebenfalls großflächige Druckkontaktierung ergibt sich ein „Short on fail“-Verhalten. Bei einem Ausfall eines Thyristors geht dieser in einen definierten Kurzschlusszustand. Da bei der HGÜ ohnehin zur Erzielung der notwendigen Spannung eine Reihenschaltung von mehreren hundert Thyristoren notwendig ist, lässt sich so sehr einfach eine gewisse Redundanz realisieren. Bei einem Bauelementversagen ist weiter uneingeschränkter Betrieb bis zum nächsten regulären Wartungsintervall möglich.

Thyristoren lassen sich wegen des negativen Temperaturkoeffizienten der Durchlassspannung nicht einfach parallel schalten. Um einen Stromrichter mit höherem Strom zu realisieren, muss der Wafer-Durchmesser der Thyristoren vergrößert werden. Die verfügbare Thyristorgröße ist damit eine wichtige Kenngröße für die Umrichterleistung. Die Umrichterspannung lässt sich durch die Anzahl der in Reihe geschalteten Thyristoren zunächst beliebig einstellen. Die Grenze liegt dann nicht bei den Leistungshalbleitern, sondern bei den zahlreichen anderen Elementen, die diese Spannung isolieren müssen (z.B. Durchführungen). Auch werden die erforderlichen Luftstrecken immer größer.


  1. Technologische Herausforderungen
  2. HGÜ-Technologie
  3. Selbstgeführte HGÜ-Umrichter
  4. Modulare Multilevel-Umrichter
  5. Neue Entwicklungen

Lesen Sie mehr zum Thema


Das könnte Sie auch interessieren

Jetzt kostenfreie Newsletter bestellen!

Weitere Artikel zu Componeers GmbH

Weitere Artikel zu Netze (Smart Grid)