Thermometer mit Korrelationsverfahren

Widerstand ist zwecklos

18. Mai 2016, 9:28 Uhr | von Prof. Dr. M. Junker und E. Petrevska
Diesen Artikel anhören

Fortsetzung des Artikels von Teil 1

Messaufbau mit Sigma-Delta-Wandler

Besteht eine DC-Gegentaktstörung (Normal Mode), kann diese als Gleichspannungsquelle in Reihe mit dem Prüfling geschaltet bzw. dargestellt werden (Bild 3). Subtrahiert man nun die bei umgekehrter Polarität gemessene Spannung UBC2 von UBC1 und dividiert den Wert durch zwei, so erhält man die Messspannung (siehe Gleichung 7).

(7) U subscript M space equals space 1 half space times space open parentheses U subscript B C 1 end subscript space minus space U subscript B C 1 end subscript close parentheses space equals
equals space 1 half space times space open parentheses I subscript M space times space U subscript M space plus space U subscript D C end subscript space minus space left parenthesis I subscript M space times space U subscript M space plus space U subscript D C end subscript right parenthesis close parentheses space equals
equals space I subscript M space times space R subscript M

Da die Störgröße konstant ist (Gleichspannung), was nicht mit dem Umpolen der speisenden Stromquelle korreliert, kürzt sich UM bei der Subtraktion in Gleichung 7.

Delta-Sigma-Wandler

Mit dem 16-bit-Delta-Sigma-Wandler »ADS1148« (UB = 3,3 V) wurde ein Messsystem aufgebaut, um Widerstände zwischen 0 und 500 Ω mithilfe des geschilderten Prinzips der Korrelation in Bezug auf eine integrierte 2,048-V-Referenz zu messen.

Im ADC werden ein Speisestrom von I= 250 µA und eine Verstärkung des PGA von acht eingestellt. Die Verstärkung führt zu einem Eingangsspannungsmessbereich von ±256 mV. Der Maximalwert für RM von 500 Ω ergibt mit dem Speisestrom von 250 µA eine Spannung von 125 mV, was knapp 50 % des Eingangsspannungsmessbereichs entspricht. Damit kann das Messsystem Störer bis zu einem Pegel, der dem maximal auftretenden Nutzsignal entspricht, ohne Verfälschung verarbeiten. Ein ADC mit 16 bit liefert eine Auflösung von 31 mΩ (Gleichung 8).

(8) 1 space L S B space equals space fraction numerator 256 space m V space minus space open parentheses negative 256 space m V close parentheses over denominator 250 space mu A end fraction space times space 1 over 2 to the power of 16 space equals space 0 comma 031 space capital omega

Die Datenrate wird auf 20 SPS eingestellt sodass AC-Störer bei 50 Hz und 60 Hz besonders gut unterdrückt werden.Störfestigkeit

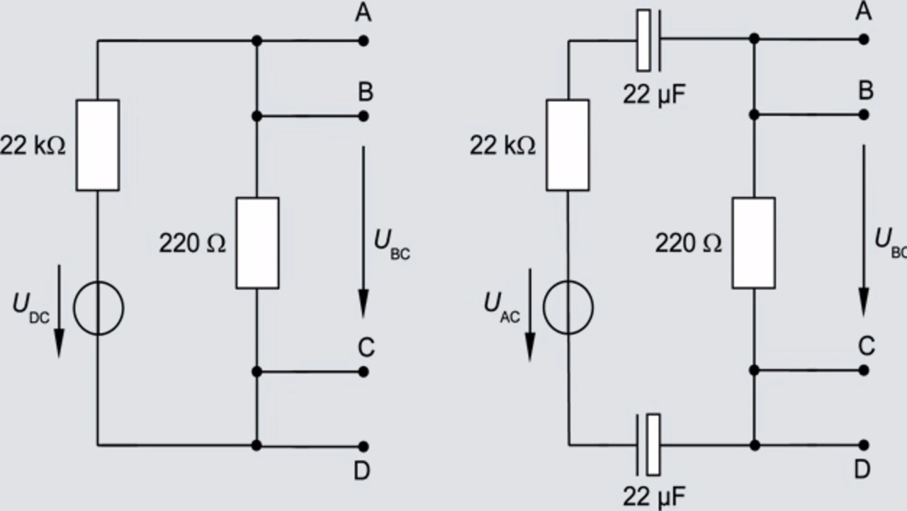
Bild 4: Testschaltungen zur Ermittlung der Störfestigkeit. Links für DC-Störer; rechts für AC-Störer
Bild 4: Testschaltungen zur Ermittlung der Störfestigkeit. Links für DC-Störer; rechts für AC-Störer
© Prof. M. Junker

Für die Untersuchung der Störfestigkeit wird die Störspannungsquelle mit einem 22-kΩ-Widerstand in Reihe parallel zum Prüfling geschaltet (Bild 4). Zwei Elektrolyt-Kondensatoren entkoppeln, um die AC-Störer zu untersuchen. Man vergleicht Messungen mit einer Störspannung (UDC +20 V oder –20 V) mit Messungen ohne Störung. Während im ungestörten Betrieb die Spannung zwischen den Punkten  
B und C je nach Polarität der Messung +55 mV oder –55 mV beträgt, addiert sich bei einer Störspannung von UDC = +20 V ein zusätzlicher Spannungsabfall von 198 mV (Gleichung 9). Das Störsignal beträgt also das 3,6-fache des Nutzsignals (Gleichung 9).

(9) increment U subscript B C end subscript space equals space U subscript D C end subscript space times space fraction numerator 220 space capital omega over denominator 22 space k capital omega space plus space 220 space capital omega end fraction space equals space 198 space m V

Der gemessene Widerstand ändert sich durch die Störspannung um 0,1 Ω unabhängig von der Polarität der Störung. Gemäß Gleichung 10 entspricht dies einer Störunterdrückung von ADC = –78 dB (Gleichung 10).

(10) A subscript D C end subscript space equals space 20 space d B space times space log space open parentheses fraction numerator 0 comma 1 space capital omega over denominator 3 comma 6 space times space 220 space capital omega end fraction close parentheses space equals space minus 78 comma 0 space d B

Hinsichtlich AC-Störern erreicht man bei einer Amplitude von 9 V (18 Vpp), für Frequenzen von 50 Hz und 60 Hz, eine Mindeststörunterdrückung von –76,4 dB.

Zusammenfassung

Die Messergebnisse zeigen, dass die Störunterdrückung eines Delta-Sigma-Wandlers unter Zuhilfenahme des Korrelationsverfahrens gegenüber netzfrequenten Störern möglich ist; auch gegenüber Gleichspannungsstörern. Ohne Korrelation – keine Unterdrückung. Mit dem vorgestellten Konzept kann bei Störspannungen in der Größenordnung des maximalen Nutzsignals mit einer Störunterdrückung von –78,0 dB eine Beeinflussung der Messung verhindert werden. Wird höhere Auflösung benötigt, kann ein ADC mit höherer Auflösung (z. B. 24 bit) eingesetzt werden. (vw)

Über die Autoren:

Prof. Dr. M. Junker ist Leiter des Fachbereichs Prozessmesstechnik am Institut für Leistungselektronik und Antriebstechnik der Fakultät für Elektrotechnik an der Hochschule Mannheim und E. Petrevska ist Entwicklungsingenieurin für Fabrikautomation bei Pepperl + Fuchs, Mannheim.


  1. Widerstand ist zwecklos
  2. Messaufbau mit Sigma-Delta-Wandler

Lesen Sie mehr zum Thema


Das könnte Sie auch interessieren

Jetzt kostenfreie Newsletter bestellen!

Weitere Artikel zu Pepperl + Fuchs SE