Selbst wenn nach 15 Jahren der Schutz für Patente abläuft, zeichnen sich manche dieser Ideen auch nach deren Auslaufen dadurch aus, verschärfte Forderungen aus expandierenden Märkten befriedigen zu können. Dies gilt beispielsweise für ein Vorschaltfilter für mobile Anwendungen, das unter anderem Verpolschutz, Transientenschutz und Einschaltstrombegrenzung in einem System vereint.
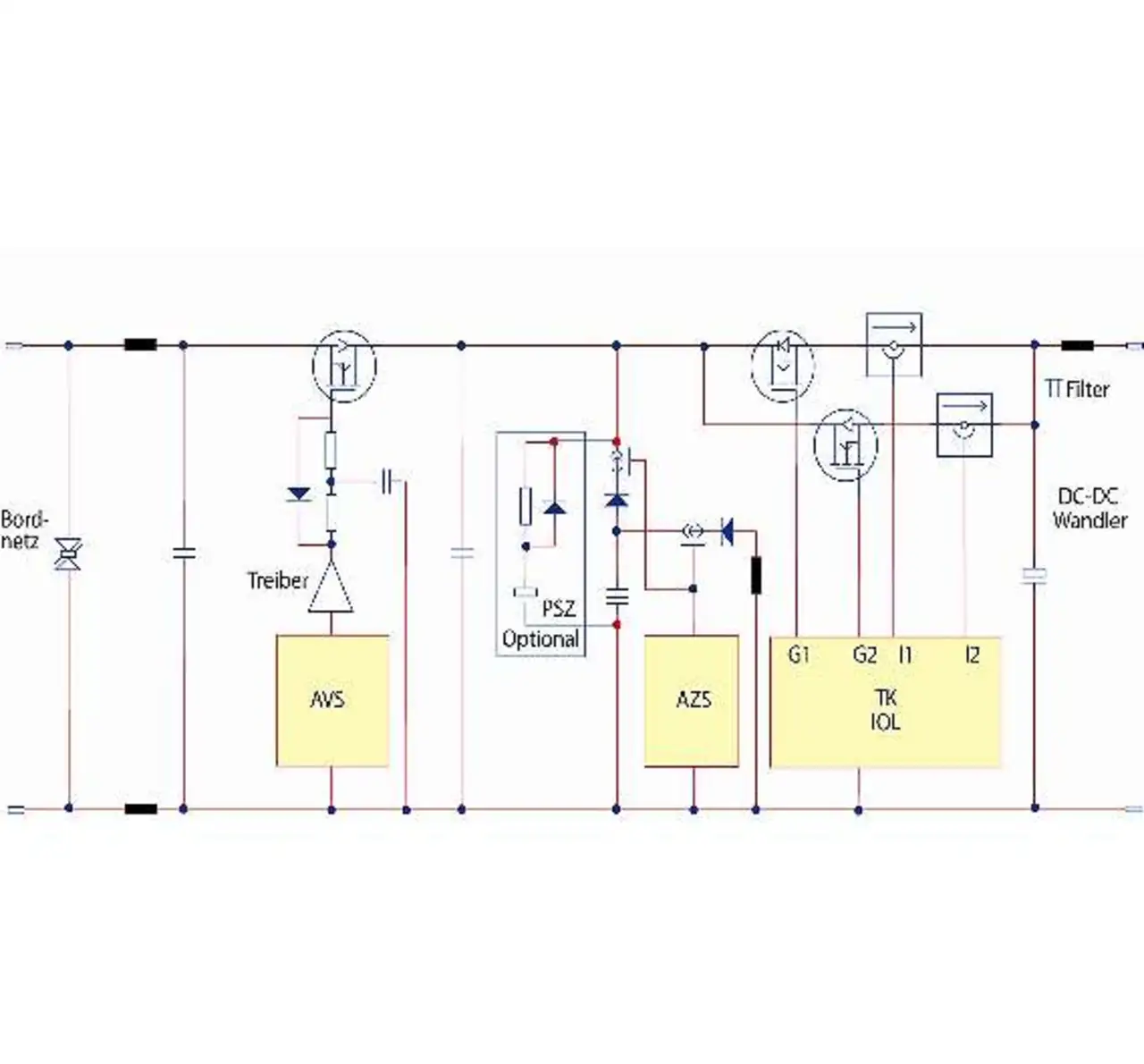
Beim Vorschaltfilter (Bild 1) stellen das Zusammenwirken eines aktiven Verpolschutzes (AVS), aktiven Transientenschutzes (TK), aktiver Aufschaltstrombegrenzung (ICL), aktiver Speicherzeit (ASZ) und einer Schlafmodus-Funktion (SMF) Kundenanforderungen dar, die aus den Erfahrungen auf Fahrzeugen zu Land, Wasser und Luft entstanden sind (Bild 2).
Hier kann Syko auf ein über die Jahre gereiftes Know-how bei kundenspezifischen Anforderungen im Bereich der mobilen Anwendungen zurückblicken. Der aktive Verpolschutz schützt die Leistungskomponenten speziell bei mobilem Einsatz. Die Hauptaufgabe übernimmt er aber beim Starten eines Fahrzeuges und Zuschalten leistungsstarker kapazitiver Lasten, was dazu führen kann, dass die Bordnetzsteuerung im Mikrosekundenbereich einbricht. Dabei ist nun die Bordnetzspannung niedriger als die zuvor aufgeladenen Eingangskondensatoren im DC/DC-Wandler. Die hierdurch hervorgerufenen Entladeströme erreichen Werte von über 100 A.
Bei Kabelanschlusslängen von größer als 5 m mit 10 nH/cm an typischer nicht gesättigter Kabelinduktivität ergibt sich kumuliert eine Längs-induktivität von über 5 µH. Bei der einfachsten Betrachtung L∙I2 = C∙U2 bricht bei einer Eingangskapazität von 30 µF die Spannung um etwa 24 V ein. Das führt dazu, dass die Leistungskomponente unerwünscht abschaltet. Dies erfordert einen kapazitätsfreien Eingang mit Suppressordioden und ein extrem schnelles Aktivieren des AVS im Mikrosekundenbereich.
Eine Längsdiode ist nicht gewünscht, da die hohe Flussspannung einen Hot-Spot im Layout ergibt. Durch hohe Aufschaltströme über lange Leitungen und Rückspeisung hoher Energien in das Bordnetz entstehen hohe transiente Langzeitspannungen von über 100 V für 50 ms. Damit diese Transienten mit ihren Anstiegsgeschwindigkeiten an der Eingangskapazität des DC/DC-Wandlers keine Sekundärstörströme aus C = ∆U/∆t erzeugen, begrenzen der stromkaskadierbare TK und ICL den Eingangsstrom geregelt auf vorgegebene Werte bis über 50 A und die Ausgangsspannung auf systemverträgliche Spannungen am 24-V- beziehungsweise 110-V-Bordnetz auf knapp über die maximale Langzeitspannung von 36 V beziehungsweise 154 V.
Aufschaltströme und Überspannungen führen also zu Verlusten, die absorbiert werden, und es werden keine Störungen reflektiert. Spannungseinbrüche im Mikrosekundenbereich nach dem AVS werden durch Speicherkondensatoren, die nicht im Zugriff der Bordnetzstörungen liegen, überbrückt. Wird die zu speichernde Energie des Speicherelementes zu groß, muss der Eingangsspannungsbereich dynamisch, nicht thermisch erweitert werden. Dieser typische Spannungseinbruch auf ≥9 V und Transientenspannungen über 100 V für 50 ms sowie Spannungseinbrüche auf 0 V für 500 ms oder eventuell auf negative Spannungen sind heute Standardanforderungen, die Syko gemäß Pflichtenheftanforderung einhalten kann.
Halbleiter mit niedrigeren Sperrspannungen
Bei einem Wirkungsgrad für AVS, ICL und einem TK von über 98,5% im statischen Versorgungsbereich steigt auch die Effizienz der nachgeschalteten Leistungskomponenten. Denn durch das Filter lassen sich am 24-V-Bordnetz Leistungshalbleiter mit einer Sperrspannung von 50 V beziehungsweise 60 V anstelle von 150 V einsetzen.
Der Systemwirkungsgrad steigt um mehr als 3%, was einen thermischen Gewinn von über 10% bedeutet. Der Hauptgewinn liegt in der Chopper-Drossel, solange keine Synchron-dioden verwendet werden, sowie der erhöhten Taktfrequenz und gesicherter Funktion. Weiterer Gewinn liegt im Bereich der I2R- und CU2-Verluste im Zerhacker. Wird beispielsweise die Bordnetzversorgung über Schleifringe geführt, so kann es zu zeitlichen Versorgungsunterbrechungen von bis über 50 ms kommen.
Die hierfür benötigte aktive Speicherenergie sollte in Elementen liegen, die nicht direkt vom Chopper-Strom belastet sind. Über den TK/ICL-Kreis lassen sich die Elkos oder Highcaps mit strombegrenzter Aufschaltung auf den Eingangskreis parallel speisen. Nun ist der Verpolschutz passiv als Diode beziehungsweise aktiv als FET erforderlich, damit keine Energie in das niederohmige Bordnetz abfließen kann.
Damit die Speicherzeit funktional im Einklang mit den weiteren Funktionsbedingungen wie dynamischer Spannungseinbruch auf UE,min funktioniert, wird die ASZ-Funktion ab UE,min kurz vor dem Ausschaltpunkt ausgelöst. Einige Normen verlangen den Speicherzeitgewinn ab Nennspannung, was nicht als funktionserfüllend betrachtet wird.
Sichergestellt sein muss, dass die Leistungselektronik voll funktionsfähig bleibt, da sie oftmals sehr verzögert wieder einschaltet. So ist die Speicherzeit auf der Sekundärseite durch Spannungshub vor einem POL-Wandler kritisch zu betrachten. Selten werden sehr weite Eingangsspannungsbereiche mit einstufigen Topologien verarbeitet, da sie den Wirkungsgrad mindern und meist mit der Streuinduktivität zu kämpfen ist. So bringen Topologien wie bei Netzteilen (Booster bedingt kurzschlussfest und resonanter Sperrwandler ohne Spannungsüberhöhung) automatisch eine aktive Speicherzeit durch den Zwischenkreiskondensator.
Der Wirkungsgradgewinn liegt darin, schnellstmöglich von der niedrigen Spannung und den hohen Strömen wegzukommen und keine strom-/spannungsüberhöhende Topologie bei der PWM-Stufe zu haben. Die nachgeschaltete resonante Sperrwandlertopologie hat nur den für die Speicherzeit erforderlichen Spannungshub zu beherrschen. Die so erzielten Wirkungsgrade der Gesamtsystem-Stromversorgung liegen bei über 90% bis über 95%.
Diese Eingangsoptionen AVS, TK, ICL, ASZ sowie eine Schlafmodus-Funktion (unter 0,5 mA Gesamtstromaufnahme) sind heute Pflichtenheftoptionen, die außer der angepassten Schaltungstopologie in fast allen Wandlern von Syko (DC/DC, DC/AC) zu finden sind und für kundenspezifische Entwicklungen im Gesamtkonzept vorteilhaft eingesetzt werden. Die erforderliche Speicherkapazität lässt sich aus Gleichung (1) ermitteln.
(1)
Dabei sind P die Leistung, Ts die Speicherzeit sowie Umax und Umin die jeweils maximal und minimal erlaubten Spannungen. Der Faktor 2 in Klammern am Schluss wurde für Grenzwertbetrachtungen über Anliefertoleranz, Temperatur und Alterung eingebracht.
Über den Autor:
Reinhard Kalfhaus ist Geschäftsführer von Syko.