Differenzverstärker mit festem V

Wie die Verstärkung erhöhen?

2. Juni 2020, 15:50 Uhr | Rusty Juszkiewicz

Differenzverstärker mit fester Verstärkung bieten Vorteile, schränken den Schaltungsentwickler aber ein. Es gibt jedoch eine elegante Möglichkeit, durch zusätzliche Widerstände, die Verstärkung auf das gewünschte Maß zu erhöhen.

Diesen Artikel anhören

Klassische Vier-Widerstands-Differenzverstärker lösen viele schwierige Messprobleme. Es gibt jedoch immer wieder Anwendungen, die mehr Flexibilität erfordern, als diese Verstärker mit ihrer festen Verstärkung bieten. Da sich die Anpassung der Widerstände in einem Differenzverstärker direkt auf den Verstärkungsfehler und das Gleichtaktunterdrückungsverhältnis (CMRR) auswirkt, führt die Integration dieser Widerstände in den IC zur besten Leistungsfähigkeit. Wenn man sich bei der Verstärkungseinstellung jedoch nur auf die integrierten Widerstände verlässt, fehlt dem Entwickler die Flexibilität, die gewünschte Verstärkung außerhalb des vorgegebenen Bereichs des Halbleiterherstellers zu wählen.

Braucht ein Entwickler in einer Verstärkerschaltung mit einem solchen fest eingestellten Verstärker eine höhere Verstärkung, fügt er normalerweise eine weitere Verstärkerstufe hinzu. Obwohl dieser Ansatz gut funktioniert, kann er die Komplexität der gesamten Schaltung, die erforderliche Leiterplattenfläche, das Rauschen, die Kosten usw. erhöhen. Alternativ gibt es eine Möglichkeit, die Verstärkung der Schaltung ohne eine zweite Verstärkerstufe zu erhöhen. Durch Einfügen eines positiven Rückkopplungspfades mit wenigen Widerständen reduziert sich insgesamt die negative Rückkopplung und ergibt somit eine höhere Gesamtverstärkung.

Rückgekoppelte Verstärker

Bild 1. Negative Rückkopplung bei einem Operationsverstärker, der als nichtinvertierender Verstärker beschaltet ist.
Bild 1. Negative Rückkopplung bei einem Operationsverstärker, der als nichtinvertierender Verstärker beschaltet ist.
© Analog Devices

In einer Verstärkerschaltung mit negativer Rückkopplung (Bild 1) wird der Teil des Ausgangssignals, der zum invertierenden Eingang rückgekoppelt wird, als β bezeichnet, wobei die Verstärkung der Schaltung 1/β beträgt. Bei β = 1 wird das gesamte Ausgangssignal zum invertierenden Eingang zurückgeführt und so ein Puffer mit Verstärkung Eins realisiert. Mit einem niedrigeren Wert für β wird eine höhere Verstärkung erreicht.

Um die Verstärkung zu erhöhen, muss der Wert β reduziert werden. Dies kann durch Erhöhung des Widerstandsverhältnisses R2/R1 geschehen. Bei einem Differenzverstärker mit fester Verstärkung gibt es jedoch keine Möglichkeit, die Rückkopplung zum invertierenden Eingang zu verringern, da dies entweder einen größeren Rückkopplungswiderstand oder einen kleineren Eingangswiderstand erfordern würde.

Zusätzliche Mitkopplung

Bild 2. Durch eine positive Rückkopplung (β+) auf den nichtinvertierenden Eingang eines Differenzverstärkers lässt sich die Verstärkung erhöhen. Die positive Rückkopplung (β+) muss jedoch stets kleiner sein als die negative Rückkopplung (β–).
Bild 2. Durch eine positive Rückkopplung (β+) auf den nichtinvertierenden Eingang eines Differenzverstärkers lässt sich die Verstärkung erhöhen. Die positive Rückkopplung (β+) muss jedoch stets kleiner sein als die negative Rückkopplung (β–).
© Analog Devices

Durch Rückkopplung vom Ausgang auf den Referenz-Anschluss eines Differenzverstärkers und damit auf den nichtinvertierenden Eingang, kann die Verstärkung des intern mit fester Verstärkung ausgestatteten Verstärkers erhöht werden (Bild 2). Der daraus resultierende kombinierte Wert für β (βc) für den Operationsverstärker ist die Differenz zwischen β- und β+, die nun die Verstärkung und Bandbreite bestimmt. Da β+ eine positive Rückkopplung liefert, ist zu beachten, dass die Gesamtrückkopplung negativ bleibt (β– > β+).

Der erste Schritt, um die Verstärkung der Schaltung mit Hilfe einer positiven Rückkopplung (β+) einzustellen, ist die Berechnung von β–, also das β der anfänglichen Schaltung. Es ist zu beachten, dass VD das Verhältnis des Signals vom positiven Eingang des Differenzverstärkers zum nichtinvertierenden Eingang des Operationsverstärkers ist.

 

V subscript 0 equals V subscript D cross times N G
N G equals fraction numerator 1 over denominator beta minus end fraction
beta minus equals V subscript D over V subscript 0 space space space space space left parenthesis 1 right parenthesis

mit NG (Noise Gain) = Verstärkungsfaktor der Schaltung für das Rauschen

 

Sobald die gewünschte Verstärkung gewählt ist, kann der erforderliche Wert β (= βc) und damit β+ bestimmt werden. Da der Verstärker ja eine bekannte feste Verstärkung hat, ist die Berechnung von βc einfach.

 

beta c equals V subscript D over V subscript 1
beta c equals beta minus negative beta plus
beta plus equals V subscript D cross times open parentheses 1 over V subscript 0 minus 1 over V subscript 1 close parentheses space space space space space left parenthesis 2 right parenthesis

 

Die Größe β+ ist genau der Anteil des Ausgangssignals, der zum nichtinvertierenden Eingang des Operationsverstärkers zurückgeführt wird.

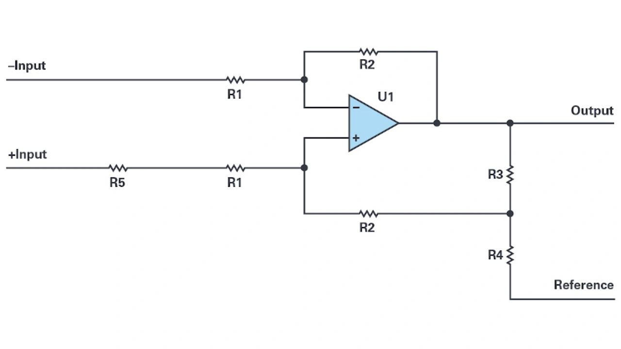
Bild 3. Verstärkungseinstellung mit vier Widerständen bei einem Differenzverstärker mit fester Verstärkung.
Bild 3. Verstärkungseinstellung mit vier Widerständen bei einem Differenzverstärker mit fester Verstärkung.
© Analog Devices

Es ist zu beachten, dass die Rückkopplung über β+ zum Referenzanschluss erfolgt und damit das Signal zwei Widerstandsteiler durchläuft (siehe Bild 3), die für den korrekten β+-Wert beide berücksichtigt werden müssen.

Ein Hauptmerkmal eines Differenzverstärkers ist das Gleichtaktunterdrückungsverhältnis (CMRR). Angepasste Widerstandsverhältnisse im positiven und negativen Pfad sind für ein gutes CMRR von entscheidender Bedeutung, daher sollte auch ein Widerstand (R5) in Reihe mit dem positiven Eingangswiderstand geschaltet werden, um den zusätzlichen Widerstand am Referenzanschluss auszugleichen.

Um die erforderlichen Werte der Widerstände R3 und R4 zu bestimmen, kann zur Vereinfachung ein Thévenin-Ersatzschaltbild verwendet werden (Bild 4).

Bild 4. Thévenin-Äquivalenzschaltung der Verstärkerschaltung aus Bild 3.
Bild 4. Thévenin-Äquivalenzschaltung der Verstärkerschaltung aus Bild 3.
© Analog Devices

Wie oben erwähnt, muss für ein gutes Gleichtaktunterdrückungsverhältnis der Widerstand R5 hinzugefügt werden. Der Wert von R5 wird durch die Parallelkombination von R3 und R4 bestimmt. Dies ins Verhältnis gesetzt mit dem gleichen Faktor wie dem der Widerstände am Eingangsdämpfungsglied. Da das Verhältnis von R1/R2 = (1/VD) – 1 ist, können R1 und R5 durch das Verhältnis zum R2 bzw. zu R3||R4 ersetzt werden.

Wie zuvor erwähnt, muss die Verstärkung der Ausgangsspannung (UA) zum nichtinvertierenden Eingang des Verstärkers in der vereinfachten Schaltung gleich 1/β+ sein.

Mit α = 1/VD – 1 ergibt sich:

 

U subscript F equals fraction numerator alpha over denominator alpha plus 1 end fraction equals U subscript E plus end subscript space space space space space left parenthesis 3 right parenthesis

 

Da β+ = UE+/UA folgt:

 

beta plus equals V subscript D cross times open parentheses 1 over V subscript 0 minus 1 over V subscript 1 close parentheses space space space space space left parenthesis 4 right parenthesis

und

fraction numerator R subscript 4 over denominator R subscript 3 plus R subscript 4 end fraction equals 1 over alpha open parentheses 1 over V subscript 0 minus 1 over V subscript 1 close parentheses space space space space space left parenthesis 5 right parenthesis

 

Da R3 und R4 den Operationsverstärker belasten, sollte darauf geachtet werden, keine zu kleinen Werte zu wählen. Sobald eine gewünschte Last (R3 + R4) gewählt ist, lassen sich die Werte von R3 und R4 leicht aus Gleichung 5 berechnen. Sobald R3 und R4 bestimmt sind, kann R5 dann aus R3||R4 × β berechnet werden.

Da diese Technik nur auf einem Verhältnis von Widerständen beruht, besteht eine große Flexibilität. Es gibt einen Kompromiss zwischen Rauschen und Leistungsaufnahme, und die Widerstandswerte sollten groß genug sein, um eine Überlastung des Operationsverstärkers zu verhindern.

Da R5 im Verhältnis zu R3 und R4 steht, sollte der gleiche Widerstandstyp verwendet werden, um eine niedrige Temperaturabhängigkeit zu erhalten. Wenn R3, R4 und R5 gleich driften, wird das Verhältnis beibehalten und es gibt, wenn überhaupt, nur eine minimale thermische Drift durch diese Widerstände. Da die Rauschverstärkung des Operationsverstärkers zunimmt, wird die resultierende Bandbreite um das Verhältnis von βc/β– gemäß Verstärkungs-Bandbreiten-Produkt reduziert.


  1. Wie die Verstärkung erhöhen?
  2. Beispiel für eine Dimensionierung

Lesen Sie mehr zum Thema


Das könnte Sie auch interessieren

Jetzt kostenfreie Newsletter bestellen!

Weitere Artikel zu Analog Devices GmbH