Auf Basis des CM4 von Raspberry Pi

Mehr als ein Umgebungssensor

13. September 2021, 9:30 Uhr | Von Ulderico Arcidiaco
Diesen Artikel anhören

Fortsetzung des Artikels von Teil 1

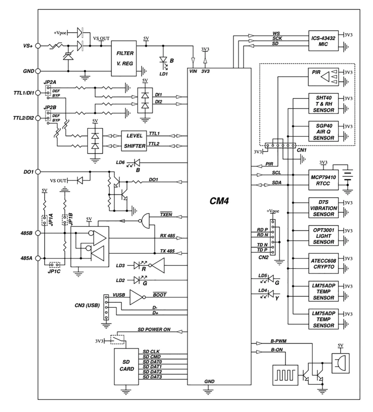
Sensoren und Schnittstellen

Der Temperatur- und Feuchtigkeitssensor ist der »SHT40«, der an den I2C-Bus des Compute Modules angeschlossen ist; als VOC-Luftqualitätssensor kommt der »SGP40« zum Einsatz, beide von Sensirion. Sie befinden sich auf einer erhöhten Leiterplatte in der Nähe des linken unteren Lüftungsgitters. Um die Leistungsfähigkeit der Sensoren zu verbessern, griffen die Ingenieure auf folgenden Trick zurück: Das obere Gitter erzeugt über Luftkonvektion einen natürlichen Luftstrom, der durch das Temperaturgefälle zwischen dem Inneren des Gehäuses und der Umgebungslufttemperatur verursacht wird.

Außerdem verfügt der Exo Sense Pi über den Umgebungslichtsensor »OPT3001« von Texas Instruments, den PIR-Bewegungssensor »EKMC1604111« von Panasonic und das digitale I2S-Mikrofon »ICS-43432« von TDK – für Audioaufnahmen und das Erkennen von Umgebungsgeräuschen. Ein auf dem CM4 ausgeführtes Linux-Dienstprogramm verarbeitet den Audiostream zum Erkennen von Geräuschen. Es berechnet den Schallpegel in dB(A) gemäß der internationalen Norm IEC 61672 für Schallpegelmesser. Eine dB(C)-Bewertung ist ebenfalls verfügbar.

Neben den internen Sensoren verfügt der Sensor über externe Schnittstellen, zum Beispiel eine serielle RS-485-Schnittstelle, die mit dem UART des CM4 verbunden ist. Hinzu kommen zwei 5V-I/O- oder generische Digitaleingänge zum Anschluss von Ein-Draht-Sensoren oder einem Wiegand-Tastatur-/Badge-Leser. Ebenso ist ein Open-Collector-Ausgang zum Steuern kleiner Lasten oder eines externen Leistungsrelais enthalten.

passend zum Thema

Blockdiagramm ExoSense Pi
Bild 3. Blockdiagramm des Exo Sense Pi.
© Sfera Labs

Wie im Blockdiagramm in Bild 3 ersichtlich, verfügt der Exo Sense Pi weiterhin über den Echtzeit-Taktgeber »MCP79410« von Microchip mit Back-up-Batterie. Außerdem sind ein Krypto-Authentifizierungschip »ATECC608«, ein interner Summer, der über eine PWM-Leitung oder als Ein-/Aus-Summer ansteuerbar ist, sowie ein werkseitig installierter optionaler D7S-Erdbebenerkennungs-/Vibrationssensor von Omron implementiert.

Ein Sensor für alles

Die Vision hinter dem Exo Sense Pi war es, eine Sensorplattform zu schaffen, um untypische sensorbasierte Anwendungen entwickeln zu können. Schließlich braucht man keine Quad-Core-CPU und kein vollwertiges Betriebssystem, um die Temperatur in einem Raum zu messen. Stattdessen sollen Entwickler den Sensor nutzen, um innovative Anwendungen zu erstellen, die auf dem Sensor und nicht auf externen Prozessoren ausgeführt werden.

So kann der Exo Sense Pi als Controller für entfernte Technikräume zum Einsatz kommen, um alle wichtigen Umgebungsdaten zu überwachen. Anwender können den Bewegungssensor zum Erkennen von Einbrüchen verwenden und gleichzeitig das Mikrofon nutzen, um Probleme mit Lüftern oder anderen mechanischen Geräten zu erkennen. Zusammen mit Modbus-RTU-Stromzählern und Aktoren lassen sich Daten zur elektrischen Last und Energiequalität analysieren und melden. Bei schwachem Umgebungslicht lässt sich das Licht einschalten, sobald er eine Bewegung erkennt. Ebenso könnte der Controller als Zugangskontrollsystem dienen, wenn er an eine Wiegand-Tastatur und einen Ausweisleser angeschlossen ist. Schließlich ist die BLE-Funkverbindung des CM4 ebenso zum Verfolgen von Assets und Personen nutzbar.

Derzeit gibt es keine Multisensoranwendung mit einer solch leistungsfähigen integrierten Rechnerarchitektur wie der des CM4, ist der Hersteller überzeugt. Obwohl der Sensormarkt mit traditionellen Sensoren überfüllt ist, fehlen leistungsstarke und einfach programmierbare Anwendungen wie der Exo Sense Pi.

Ulderico Arcidiaco
Ulderico Arcidiaco ist Elektronikingenieur und Unternehmensgründer.
© Sfera Labs

Der Autor

Ulderico Arcidiaco ist Elektronikingenieur und Unternehmensgründer. Er begann seine berufliche Laufbahn bei einem Beratungsunternehmen. Im Anschluss gründete er zunächst ein Ingenieurbüro, das er zum Technologie-Unternehmen mit 250 Mitarbeitern erweiterte. Heute ist er als CEO und CTO für ein Unternehmen der Haus- und Gebäudeautomation tätig, außerdem ist er seit 2016 CEO und Hardware-Entwickler bei Sfera Labs.


  1. Mehr als ein Umgebungssensor
  2. Sensoren und Schnittstellen

Lesen Sie mehr zum Thema


Das könnte Sie auch interessieren

Jetzt kostenfreie Newsletter bestellen!