Digital Power

Stabil ohne Kompensation

18. Dezember 2014, 10:39 Uhr | Chance Dunlap

Digital geregelte Stromversorgungen verbreiten sich immer mehr. Um dabei eine stabile Regelschleife zu erhalten, sind im Allgemeinen Kompromisse im Design notwendig, welche Kosten und Platzbedarf erhöhen. Eine neue Systemarchitektur kann die externe Kompensation erübrigen.

Diesen Artikel anhören

Eine stabile Stromversorgung, die optimale Leistungsfähigkeit über einen weiten Betriebsbereich bietet, war schon immer eine Herausforderung. Der Stromversorgungsmarkt hat in den letzten zwei Jahrzehnten zahlreiche Veränderungen erlebt, um mit diesem Problem umzugehen. Eine dieser Neuerungen ist die digitale Regelung der Stromversorgung (Digital Power). Heute haben mehrere Hersteller erfolgreich eine digitale Regelung in ihre Stromversorgungen integriert. Deren Akzeptanz in bestimmten Märkten wächst, da geringere Kosten und eine höhere Leistungsfähigkeit verzeichnet werden.

Der Hauptgrund für die Wahl von Digital Power ist der Bedarf an Telemetrie (Systemüberwachung) und flexibler Steuerung, wobei ein Design eine Reihe von Anwendungen unterstützen kann. Der digitale PWM-Controller »ZL8800« von Intersil erweitert diese Funktion, da er digitale Regelung und somit Stabilität einbringt. Entwickler haben laut Hersteller damit mehr Freiheiten und können Designs ohne Überlegungen hinsichtlich der Bauteilalterung, Variation und Wärmebelastung entwickeln.

Der Standardweg zur Stabilität

Beim Design einer Stromversorgung für ein komplexes System wie ein Datencenter oder eine Mobilfunk-Basisstation ist die Standard-Energieverteilungsstrategie die Folgende: Ein DC-Bus mit einer lokalen PoL-Einheit (Point of Load) versorgt eine einzelne Leiterplatte. Dies hilft der Modularität und den Infrastrukturbetreibern, die sich auf die Systemzuverlässigkeit und Energieeffizienz konzentrieren müssen.

Dieser traditionelle Ansatz basiert auf einem analogen Schaltnetzteil mit fester Frequenz und Spannungs- oder Stromrückkopplung. Eine feste Schaltfrequenz sorgt für vorhersehbare Ströme in den passiven Energiespeichern (Induktivitäten und Kondensatoren), was deren Auswahl erleichtert. Die Größe dieser Bauteile wird dann entsprechend den Anforderungen am Ausgang angepasst: Laststrom, Ausgangsspannungswelligkeit etc.

Die Herausforderung für den Entwickler besteht darin, den Regelkreis stabil zu halten, sobald alle Bauteile festgelegt sind. Bei Bauteilabweichungen und Worst-Case-Analysen (inkl. Umgebungsbedingungen) erschwert sich das Problem einer stabilen Versorgung. Das Ergebnis ist meist ein Design, bei dem Leistung und Bandbreite geopfert werden, um die Stabilität des Systems über den gesamten Betriebsbereich zu garantieren.

Bei der Wahl der Induktivität sind die Probleme aufgrund von Bauteiltoleranzen zu berücksichtigen. Diese nichtlinearen Komponenten weisen Abweichungen in Bezug auf den Strom, die Temperatur, Schaltfrequenz und Alterung auf. Induktivitäten ohne Ferrit sind weit verbreitet, doch sie variieren über ihrem Nennstrombereich um bis zu 50%, was eine Herausforderung bei der Optimierung darstellt. Ausgangskondensatoren weisen die gleichen Abweichungen über der Temperatur, der DC-Vorspannung und über der Zeit auf. Die einzige Option, eine stabile Regelschleife zu erhalten, ist die Verringerung der Systembandbreite. Die Transienten-Performance wird dann nur
durch Überdimensionierung der Ausgangskondensatoren erfüllt, um die schlechte Regelkreis-Performance auszugleichen. Dementsprechend vergrößern sich dann der Platzbedarf und die Kosten für das Design.

Die digitale Lösung

Anbieter zum Thema

zu Matchmaker+
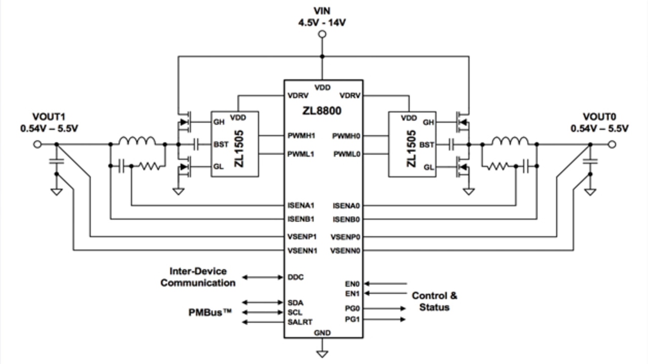
Bild 1: Typische Anwendung für Intersils digitalen Dual-PWM-Controller »ZL8800«
Bild 1: Typische Anwendung für Intersils digitalen Dual-PWM-Controller »ZL8800«
© Intersil

Eine digitale Regelung erübrigt diesen Kompromiss. Mit dem Controller ZL8800 hat Intersil ein Produkt im Programm, das eine kompensationsfreie digitale Lösung bietet. Der Zweikanal-PWM-Abwärtscontroller erübrigt die Kompensation der Regelschleife, um für Stabilität zu sorgen. Die Systembandbreite wird dabei nicht beeinträchtigt. Mit seinem integrierten Speicher lässt sich der Controller für jede Anwendung einsetzen; Schaltkreise mit höherer Leistungsdichte lassen sich mit einer minimalen Anzahl externer Komponenten entwickeln (Bild 1).

Ein wesentliches Merkmal des Bausteins ist die proprietäre Regelschleife, genannt »ChargeMode«-Steuerung. Diese sorgt für eine schnelle Wiederherstellung von Ladungsverlusten des Ausgangskondensators bei einem Lastsprung. Die Regelung erfolgt zyklusweise in kurzer Zeit, da die digitale Regelschleife die Ausgangsspannung überabtastet. Der ZL8800 muss dabei den eigentlichen Wert des Ausgangskondensators nicht kennen, sondern verlässt sich auf digitale Regelalgorithmen, um die richtigen Einstellungen vorzunehmen – sogar für die Stabilität. Damit verringert sich die Kapazität, die für eine bestimmte Anwendung erforderlich ist, und ein kompensationsfreies Design steht zur Verfügung. Die Antwort des Controllers garantiert, dass alle Übergangsbedingungen erfüllt sind, während die Stabilität erhalten bleibt und Ringing oder Überschwingen verhindert werden.

Die Vorteile auf Systemebene sind, dass sich Entwickler nicht länger auf bestimmte Werte bei den Leistungselektronikbauteilen festlegen müssen. Sie lassen sich nun so wählen, dass die optimale Performance erzielt wird, wobei der Controller für Eigenstabilität sorgt. Hinzu kommt, dass der Controller die Auswirkungen der Bauteilalterung oder Umgebungseinflüsse mindert, da die Regelschleife in diesen Fällen das System konstant überwacht und anpasst.

Bild 2: Transientenverhalten des ZL8800 bei einem 20-A-Lastsprung
Bild 2: Transientenverhalten des ZL8800 bei einem 20-A-Lastsprung
© Intersil

Verschiedene interne Subsysteme ermöglichen die Bandbreiten-regelung: Ein schneller A/D-Wandler zur Überabtastung verleiht der Regelschleife seine Transienten-Reaktionsfähigkeit, ein Dual-Edge-Modulator garantiert ein Schalten mit fester Frequenz, während jede Verzögerung in der Regelschleife vermieden wird. Um Entwicklern einen Kompromiss zwischen Regelbandbreite und Verstärkung zu bieten, ist der ZL8800 mit einer programmierbaren Verstärkungsregelung ausgestattet, damit sie das Regelkreisverhalten einstellen können.

Bild 2 veranschaulicht die Leistungsfähigkeit des ZL8800 in einer gängigen Anwendung. Die Konfiguration erfolgt als 2-Phasen/Single-Output bei 550 kHz. Der Baustein stellt 60 A Ausgangsstrom mit weniger als 2700 µF Ausgangskapazität zur Verfügung. Der Oszilloskop-Screenshot wurde bei Uin = 12 V, Uout = 1,2 V und einem 20-A-Lastsprung aufgenommen. Die Gesamtabweichung am Ausgang beträgt 24 mV.

Zusatzfunktionen vereinfachen Anwendung

Der ZL8800 arbeitet mit Eingangsspannungen von 4,5 V bis 14 V und kann für einen Ausgangsbereich von 0,54 V bis 5,5 V programmiert werden. Die Schaltfrequenz kann zwischen 200 kHz und 1,33 MHz betragen – entweder über interne Taktung oder durch einen externen Takt. Der Controller lässt sich mit zwei Ausgängen konfigurieren oder im 2-Phasen-Modus betreiben, um hohe Ausgangsströme zu unterstützen. Die digitale Kommunikation erfolgt über den PMBus. Zusätzlich steht eine eindrahtige »DDC«-Schnittstelle (Digital DC) bereit, die eine Kommunikation zu anderen Bausteinen von Intersil ermöglicht. Damit lassen sich komplexe Stromversorgungsarchitekturen erstellen. Zu den weiteren Funktionen des DDC-Busses zählen eine komplexe Sequenzierung und ein Fehlermanagement für verschiedene Bausteine.

Bezüglich der Telemetrie bietet der Baustein eine parametrische Snapshot-Funktion, welche die Betriebsdaten im Fehlerfall erfasst, während integrierter nichtflüchtiger Speicher die Daten und Benutzereinstellungen lokal speichert. Mit dem ZL8800 hat Intersil auch seine grafische Benutzeroberfläche »PowerNavigator« aktualisiert. Sie bietet Zugriff auf alle Funktionen über eine programmierbare Umgebung. Zwei Evaluierungsboards stehen zur Verfügung: ein Board mit zwei Ausgängen (je 30 A) und ein Board für 2-Phasen-Systeme mit hohen Strömen (60 A).

Über den  Autor:

Chance Dunlap ist Senior Marketing Manager bei Intersil.


Lesen Sie mehr zum Thema


Das könnte Sie auch interessieren

Jetzt kostenfreie Newsletter bestellen!

Weitere Artikel zu Intersil GmbH

Weitere Artikel zu Energieerzeugung