Kenngrößen und EMV-Messung

EMV bei Schaltnetzteilen (Teil 1)

16. Mai 2022, 10:30 Uhr | Heidrun Seelen und Frank Cubasch, Magic Power Technology, Ralf Higgelke
pixabay
© darksouls1 / pixabay

Die elektromagnetische Verträglichkeit, kurz EMV, ist mitentscheidend, ob ein elektrisches System in Verkehr gebracht werden darf. In einer zweiteiligen Artikelserie sollen wichtige Grundbegriffe in der EMV erklärt und Hinweise gegeben werden, wie sich eine EMV-Konformität erreichen lässt.

Diesen Artikel anhören
  • Grundbegriffe der EMV

  • Leitungsgebundene Störungen

  • Abgestrahlte Störungen

  • Tipps zur Reduktion der EMV-Abstrahlung

Die EMV ist ein wichtiges Thema sowohl für die Funktion eines elektrischen Systems als auch für die Einhaltung gesetzlicher Richtlinien. Per Definition der Richtlinie 2014/1030/EU ist die elektromagnetische Verträglichkeit wie folgt definiert: Es ist »die Fähigkeit eines Betriebsmittels, in seiner elektromagnetischen Umgebung zufriedenstellend zu arbeiten, ohne dabei selbst elektromagnetische Störungen zu verursachen, die für andere Betriebsmittel in derselben Umgebung unannehmbar wären«.

Die EMV teilt sich somit in zwei Bereiche:

  • Emissionen (Störabstrahlung), also die Beeinflussung der Umgebung und
  • Immissionen (Störeinstrahlung), also die Beeinflussung durch externe Störungen.

Störabstrahlungen ergeben sich bei Schaltnetzteilen vorrangig aus der Taktung auf der Primärseite bzw. der Gleichrichtung auf der Sekundärseite. Obwohl die Taktfrequenz eines Schaltnetzteils mit 70 bis 100 kHz vergleichsweise niedrig ist, entstehen durch die kurzen Anstiegs- und Abfallzeiten des Schaltransistors auch höhere Störfrequenzen bei den Harmonischen der Grundfrequenz. Diese schnellen Wechsel vom ein- in den ausgeschalteten Zustand und umgekehrt sind für einen hohen Wirkungsgrad wichtig, sind aber gleichzeitig die Grundlage der EMV-Emissionen, wie es sich aus der Fourier-Transformation herleiten lässt.

Emissionen können sowohl leitungsgebunden über die Netzzuleitung des elektrischen Systems als auch durch HF-Abstrahlung erfolgen. Im Bereich bis 30 MHz dominieren vor allem die leitungsgebundenen Störungen. Diese werden unterschieden in Gleichtakt- (L und N tragen gegen PE den gleichen Pegel) und Gegentaktstörungen (L und N haben unterschiedliche Pegel gegeneinander). Im Bereich über 30 MHz sind dagegen eher abgestrahlte Störungen relevant.

Störeinstrahlungen können zum Beispiel elektrische, magnetische oder elektromagnetische Felder sein, die durch Sendeanlagen, Blitzeinschläge, Schaltvorgänge im Stromnetz oder HF-Einstrahlung beispielsweise von CPUs erzeugt werden.

Im vorliegenden ersten Teil sollen die bekanntesten Störabstrahlungen beleuchtet werden. Der zweite Teil wird auf weitere Emissionen durch die PFC und den Flicker eingehen. Ebenso soll dort die Störbeeinflussung des Netzteils durch externe Störungen erläutert werden.

Leitungsgebundene Störungen

Magic Power Technology, EMC, EMI
Bild 1: Messaufbau zur Messung leitungsgebundener Störungen (vereinfacht)
© Magic Power Technology

Leitungsgebundene Störungen (Conducted Emissions) werden besonders im Bereich der Informationstechnik (Frequenzbereich von 150 kHz bis 30 MHz) vermessen und analysiert. Die entsprechende Basisnorm im IT/Industriebereich ist die neue EN 55032, die gegenüber der alten Norm umfassender ist. Je nach Anwendung im Heim- oder Industriebereich gibt es unterschiedliche Grenzwerte. Andere Normen setzen den Frequenzbereich noch tiefer an. Für Marineanwendungen werden beispielsweiser Frequenzen bereits ab 10 kHz ausgewertet. Auch in der Wehrtechnik wird der zu vermessende Frequenzbereich erweitert, was hier aber nicht betrachtet werden soll.

Der Messaufbau für die Messung der leitungsgeführten Störungen setzt sich aus Prüfling (Equipment Under Test, EUT), Netznachbildung (Line Impedance Stabilization Network, LISN) und Messempfänger bzw. Spektrumanalysator zusammen (Bild 1).

Magic Power Technology, EMC, EMI
Bild 2: Messaufbau für leitungsgebundene Störungen in einer geschirmten EMV-Kammer.
© Magic Power Technology

Die Netznachbildung LISN stellt einerseits ein Filter zum Netz und eine normierte Netzimpedanz dar, andererseits übernimmt sie die Funktion der Signalauskopplung. Als Messgeräte kommen entweder ein Spektrumanalysator und/oder ein Messempfänger zum Einsatz. Der Vorteil des Spektrumanalysators liegt in der grafischen Darstellung und höhere Verarbeitungsgeschwindigkeit, während der Messempfänger oftmals für Detailmessungen genutzt wird. Die Messung wird jeweils mit L- und N-Bezug durchgeführt. Für Messungen von DC-DC-Wandlern gibt es spezielle Netznachbildungen.

Für die Messung gelten bestimmte Normvorgaben, beispielsweise Länge des Eingangskabels, Abstand der Geräte zueinander, Bandbreite Empfänger, Messzeiten usw. (Bild 2). Die typischen Grenzwerte für leitungsgebundene Störungen nach der EN 55032 für Industrie- und Wohnumgebungen zeigt Tabelle 1.

Frequenzbereich150 kHz bis 500kHz500 kHz bis 5MHz5 MHz bis 30 MHz
Mittelwert (AV), Klasse A66 dBµV60 dBµV60 dBµV
Mittelwert (AV), Klasse B56 bis 46 dBµV46 dBµV50 dBµV
Quasipeak (QP), Klasse A79 dBµV73 dBµV73 dBµV
Quasipeak (QP), Klasse B66 bis 56 dBµV56 dBµV60 dBµV

Tabelle 1: Grenzwerte für die Störabstrahlung nach EN 55032, Klasse A (Industrieumgebungen) und Klasse B (Wohnumgebungen)

Die beiden Messwerte »Mittelwert (AV)« und »Quasipeak (QP)« entsprechen den Vorgaben der CISPR. Während der AV-Wert den arithmetischen Mittelwert der Hüllkurve des Störsignals anzeigt, stellt der Quasipeak eine Bewertung nach dem menschlichen Störeindruck dar. Der QP-Wert ist also dann hoch, wenn bei wenigen Wiederholungen eine hohe Amplitude oder viele Wiederholungen mit geringer Amplitude vorliegen. Aus dieser Definition heraus kann der QP-Wert nur maximal so hoch sein wie der reine Peak-Wert, weswegen Messungen im ersten Schritt auch nur im Peak- sowie im AV-Modus ausgeführt werden. Nur wenn die Peak-Werte die QP-Limits überschreiten oder ihnen nahe kommen, werden bestimmte Frequenzen im QP-Modus nachgemessen. Diese Messung durch die vorgegebenen Messzeiten aufwendiger.

Magic Power Technology, EMC, EMI
Bild 3: Beispielkurve einer Messung der leitungsgebundenen Störspannung.
© Magic Power Technology

Bild 3 zeigt das Ergebnis einer Messung der leitungsgebundenen Störungen an einem Netzteil. Die schwarze Kurve stellt das QP-Limit dar, die rote Kurve das AV-Limit. Die blaue Kurve ist die Messung der Spitzenwerte (Peak) des Netzteilprüflings. An einigen Punkten (hier 1 bis 6) weisen die Spitzenwerte einen relativ geringen Abstand zum AV-Limit auf. Deshalb werden die Frequenzbereiche üblicherweise nochmals detailliert auf die QP-Werte vermessen. Im Kurvenverlauf kann man hier im unteren Frequenzbereich die Vielfachen der Schaltfrequenz des Netzteils (Oberwellen 1-4) erkennen.

Abgestrahlte Störungen

Neben der Messung der leitungsgeführten Störungen sind die die abgestrahlten Störungen ein weiterer Bereich der Störaussendungen bzw. Emissionen. Für die IT/Industrie erfolgt die Messung ebenfalls nach der EN 55032 bzw. für die Medizin nach der EN 60601-1-2. Der Messbereich erstreckt sich von 30MHz bis mehrere Gigahertz. Die Festlegung der oberen Messfrequenz wird unter anderem durch die höchste Taktfrequenz der Applikation bestimmt.

In diesem Frequenzbereich sind eher die abgestrahlten Störungen gegenüber den leitungsgebundenen relevant, da sich bei höheren Frequenzen elektrische und magnetische Felder vom Netzteil lösen. Hierbei sind im Nahbereich (unmittelbare Nähe zum Netzteil – je nach Definition einfache bis vierfache Wellenlänge) die Feldwellenwiderstände für das elektrische und magnetische Feld unterschiedlich und ändern sich mit dem Abstand zum Netzteil. Dagegen pendeln sich die Feldwellenwiderstände für das magnetische und das elektrische Feld im Fernbereich (>> Wellenlänge) auf einen festen Widerstand von 377 Ω ein. Um die Abstrahlung im elektrischen Feld sicher messen zu können, sind deshalb gewisse Abstände (3 bzw. 10 m) einzuhalten.

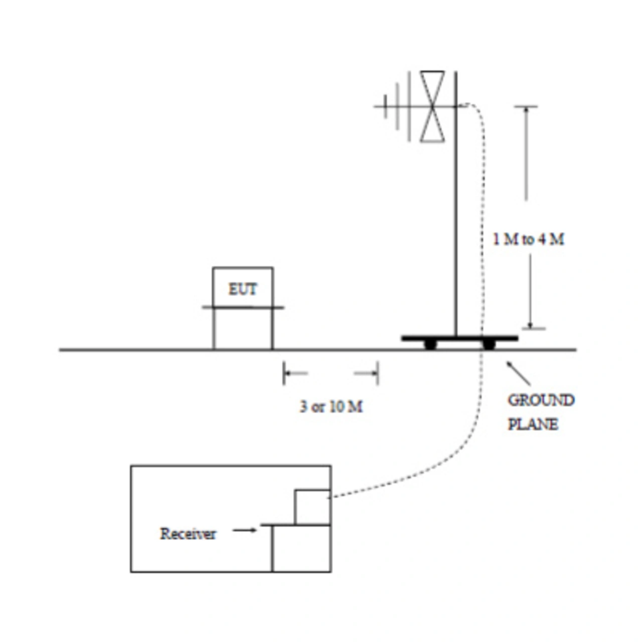
Magic Power Technology, EMC, EMI
Bild 4: Messaufbau zur Messung abgestrahlter Störungen im Freifeld.
© Magic Power Technology

Zur Messung der Abstrahlung gibt es verschiedene Ansätze. Gebräuchlich sind Freifeldmessungen mit 10 m und 3 m Messabstand (Bilder 4 und 5), Absorberkammern 10 m und 3 m, TEM/GTEM-Zellen ((Gigahertz) Transverse Electromagnetic; Bild 6) und Modenverwirbelungskammern. Als Basis dient das 10-m-Freifeld, auf das die Messwerte rückgerechnet werden. Bei dieser Freifeldmessung durchläuft die Antenne einen Höhen-Scan von 1 bis 4 m, während ein Drehtisch den Prüfling um 360° dreht. Neben der Messung mit Antenne in horizontaler Ausrichtung erfolgt noch die Messung in vertikaler Ausrichtung.

mnag
Bild 5: Messaufbau zur Abstrahlungsmessung im Freifeld.
© Magic Power Technology

An dieser Aufzählung ist zu erkennen, welche Vielzahl von unterschiedlichen Messparametern zu berücksichtig sind. Die Messung erfolgt im Quasipeak-Modus, also eine Messung des Spitzenwertes unter zusätzlicher Berücksichtigung der Wiederholfrequenz. Die Zeit für einen Sweep, also die Zeit, die der Empfänger für einen Frequenzschritt (120 kHz) im QP-Modus benötigt, liegt bei einer Sekunde. Über den gesamten Frequenzbereich führt dies zu einer recht langen Messdauer. Aus diesem Grund durchläuft der Prüfling zuerst einen Peak-Sweep und wird im Nachgang mit dem Quasipeak-Detektor detailliert vermessen.

Magic Power Technology, EMC, EMI
Bild 6: 3,5-m-TEM-Zelle zur Abstrahlungsmessung
© Magic Power Technology

Bei Netzteilen mit typischen Schaltfrequenzen von 60 bis 100 kHz und den Vielfachen davon sind Störfeldstärken im niedrigen Frequenzbereich von 30MHz bis etwa 3 bis 500 MHz zu erwarten. Hier entsteht die Abstrahlung über das Netzteil oder die angeschlossenen Kabel, insbesondere das Netzkabel. Die oben genannten Normen beschreiben den Messaufbau und die Verlegung des Kabels während der Messung.

Die typischen Grenzwerte für abgestrahlte Störungen nach der EN 55032 für Industrie- und Wohnumgebungen zeigt Tabelle 2.

Frequenzbereich30 MHz bis 230 MHz230 MHz bis 1000MHz
Klasse A (Industrie)47 dBµV/m37 dBµV/m
Klasse B (Haushalt)40 dBµV/m30 dBµV/m

Tabelle 2: Grenzwerte für abgestrahlte Störungen nach der EN 55032 für Industrie- und Wohnumgebungen.

Bei Einbaunetzteilen werden die Messungen oftmals in entsprechenden Gehäusen durchgeführt, um die Einbausituation beim Kunden in seinem Gehäuse nachzustellen.

Magic Power Technology, EMC, EMI
Bild 7: Beispielkurve einer Messung der abgestrahlten Störspannung.
© Magic Power Technology

Das Ergebnis einer Beispielmessung zeigt Bild 7.

Tipps zur Reduktion der EMV-Abstrahlung

Mit einer EMV-gerechten Konstruktion lassen sich die Emissionen teilweise deutlich reduzieren. Nachfolgend einige Tipps dazu:

  1. Das Netzteil möglichst nah am Netzeingang platzieren.
  2. Die Netzzuleitung im Gehäuse möglichst kurz halten. Je größer der Abstand des Kabels zur restlichen Elektronik ist, desto geringer auch die Gefahr, dass HF-Störungen über das Netzkabel nach außen gelangen.
  3. Die Zuleitung möglichst nicht über die Applikation bzw. über das Netzteil führen, da sich ansonsten eine Störspannung einkoppeln kann.
  4. Gehäuse und Deckel möglichst großflächig und niederohmig erden.
  5. Masseschleifen möglichst vermeiden.
  6. Insbesondere bei hohen Frequenzen die Größe der Gehäuseschlitze beachten. Kleine Schlitze sind von Vorteil.
  7. Möglichkeit nutzen, beim Netzteillieferanten oder in einem Labor EMV-Vormessungen (Precompliance) durchführen zu lassen. So lassen sich frühzeitig potenzielle Störquellen ausfindig machen und später Zeit und Kosten sparen.

In einem weiteren Teil werden Oberschwingungen (Harmonische) sowie die Stöeinstrahlung beleuchtet.

Anbieter zum Thema

zu Matchmaker+

Lesen Sie mehr zum Thema


Das könnte Sie auch interessieren