AC/DC-Stromversorgungen

Mehr Kurzzeit-Energie, Scotty!

27. Juli 2022, 11:28 Uhr | Von Frank Stocker, Field Application Engineer Power Supplies bei Schukat electronic
Mean Well
Das spitzenlastfähige Schaltnetzteil der Serie HRP-300N3
© Mean Well

Wer einen AC/DC-Wandler für Anwendungen sucht, deren Spitzenlastanforderungen für begrenzte Zeitintervalle deutlich über dem Regelbetrieb liegen, kann in Bezug auf Leistung und Abmessung schnell bei überdimensionierten und teuren Produkten landen. Mean Well bietet hier eine interessante Lösung an.

Diesen Artikel anhören

Mean Well bietet hier 300-W-Geräte mit deutlich höheren Spitzenleistungen an.

AC/DC-Schaltnetzteile liefern Strom in Anwendungen mit entweder rein statischen oder auch dynamischen Lasten. Viele, gerade elektromechanische Anwendungen erfordern oft einen hohen Spitzenstrom für begrenzte Zeiträume. Dies trifft beispielsweise auf Komponenten wie Motoren für Pumpen oder Antriebe zu, die beim Anlaufen oftmals einen deutlich höheren Leistungsbedarf aufweisen, um mechanische Widerstände beim Startvorgang zu überwinden. Möglich ist außerdem, dass in einer Anwendung Teilbereiche kurzfristig und wiederkehrend nach Bedarf zugeschaltet werden, was ebenso eine höhere Leistungsaufnahme von begrenzter Dauer erfordern kann.
Typischerweise ist die durchschnittlich benötigte Leistung für diese Anwendungen deutlich geringer als der Spitzenbedarf. Durch den Einsatz einer auf die durchschnittliche Leistung dimensionierten Stromversorgung, die benötigte Spitzenleistungen liefern kann, lässt sich entgegen einer Überdimensionierung auf die Spitzenleistung eine geeignete Stromversorgung wählen, die eine kompaktere Bauform und geringere Kosten mit sich bringt. Zudem weist sie beim Betrieb innerhalb der in der technischen Dokumentation aufgezeigten Spezifikationen keinerlei Nachteile in Bezug auf die voraussichtliche Betriebserwartung oder die Ausfallwahrscheinlichkeit im Vergleich zu einer leistungsstärkeren, auf die Spitzenlast dimensionierten Stromversorgung auf.
Verhalten von konventionellen Netzteilen bei Abruf einer Spitzenlast
Im Allgemeinen verfügen Stromversorgungen über diverse Schutzfunktionen, die im Fehlerfall ansprechen. Bei einer zu hohen Stromentnahme, also einer Überlastung eines Netzteils, spricht die Überstrom- bzw. Überlastschutzschaltung innerhalb eines im Datenblatt definierten Bereichs an.
In den in Bild 1 aufgeführten Produktdaten des HRP-300-12 des Herstellers Mean Well ist dies zwischen 105 Prozent und 135 Prozent der Nominalleistung der Fall. Dieses Schaltnetzteil geht im entsprechenden Überlastfall in das sogenannte Constant Current Limiting: Der ausgegebene Strom wird mit dem Ansprechen der Schutzschaltung auf einen festen Wert begrenzt und dauerhaft ausgegeben, und zeitgleich wird die Spannung am Netzteil gegen Null gezogen.
Andere Produkte gehen beispielsweise in den sogenannten Hiccup-Modus (Schluckauf-Modus): Wird ein zu hoher Strom oder eine zu hohe Leistung erkannt, schaltet das Netzteil ab, startet nach einer definierten Zeit wieder und schaltet erneut ab, sofern der Fehler weiterhin vorliegt. Dies geschieht in einer Dauerschleife, bis der Fehlerfall endgültig behoben ist.

Mean Well
Bild 1: Auszug aus dem Datenblatt der Netzteilserie HRP-300, das die Leistungsdaten sowie die Parameter der Schutzschaltungen aufzeigt.
© Mean Well

Je nach Anwendung bringen die unterschiedlichen Schutzsysteme Vor- oder Nachteile mit sich. Darauf sollte man bei der Auswahl der Stromversorgung achten. Benötigt man, um bei dem konkreten Beispiel des HRP-300-12 zu bleiben, eigentlich nur eine etwas höhere Spitzenleistung, um etwa den erforderlichen Anlaufstrom eines Motors zu liefern, hilft möglicherweise der Constant Current Mode bedingt weiter.
Dieser Modus, der dem Motor dauerhaft Strom zur Verfügung stellen würde, hilft eventuell noch, den mechanischen Anlaufwiderstand zu überwinden und den Motor nach einiger Zeit und mit geringer Geschwindigkeit zum Anlaufen zu bringen. Wird in diesem Konstantstrombetrieb im günstigsten Fall der Motor gerade noch zum Anlaufen gebracht, wäre eine parallel neben dem Motor versorgte 12-Volt-Steuerung jedoch nicht mehr betriebsfähig, da im Überlast-/Konstantstrommodus die 12-Volt-Nennspannung am Netzteil heruntergezogen wird. Auch in Anwendungen wie etwa Schleifmaschinen oder in der Robotik, wo schnell eine Nenndrehzahl erreicht werden muss und dynamische Motorprozesse gefordert sind, reicht es nicht aus, das Netzteil nur in die Begrenzung zu fahren.
Benötigt ein Motor zum Anlauf einen deutlich höheren Strom, wäre natürlich ein gangbarer Weg, das Netzteil mit entsprechend höherer Leistung zu dimensionieren und so das Ansprechen der Überlastschutzfunktion wie auch das Einbrechen der Nennspannung zu verhindern. Im hier beschriebenen Fall wäre dies beispielsweise mit einem Netzteil doppelter Leistung wie dem HRP-600-12 (ebenfalls von Mean Well) möglich. Daraus würden sich aber ein höheres Gehäusevolumen um rund 70 Prozent und ein deutlich höherer Bezugspreis ergeben.
Spitzenlastfähige Stromversorgungen
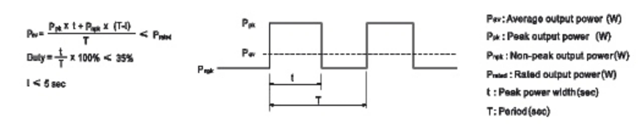
Eine elegantere Wahl ist der Einsatz eines kleiner dimensionierten Netzteils, das dennoch die erforderliche Spitzenleistung liefern kann, beispielsweise das HRP-300N3-12. Wie auch das Schwestermodell HRP-300-12 bietet es 324 Watt Nennleistung – und zusätzlich, bezogen auf die Nennleistung, bis zu maximal 350 Prozent Spitzenleistung. Ob der benötigte Spitzenleistungsbedarf der jeweiligen Anwendung geliefert werden kann, hängt von der durchschnittlichen Belastung der Stromversorgung ab und lässt sich relativ einfach durch die in Bild 2 gezeigte Formel errechnen.

Mean Well
Bild 2: Formel zur Errechnung der Durchschnittsleistung in Spitzenlastanwendungen (links), Grafik zur Darstellung des Spitzenlastzyklus (Mitte) und eine Erklärung der verwendeten Abkürzungen (rechts) aus der technischen Dokumentation der Netzteilserie HRP-300N3.
© Mean Well

Zu berücksichtigen ist, dass die Spitzenleistung je Zyklus für maximal fünf Sekunden zur Verfügung gestellt werden kann. Es ist zu beachten, dass der Durchschnitt von Spitzen- und Regelleistung, der dem Netzteil entnommen wird, die Nennleistung nicht überschreiten darf, und das zeitliche Verhältnis von Spitzenleistung zu Regelleistung sollte bei maximal 35 Prozent liegen.
Unter Berücksichtigung dieser Parameter kann das HRP-300N3-12 maximal bis zu 1050 Watt Spitzenleistung liefern. Entscheidend dafür, welche maximale Spitzenleistung dem Netzteil entnommen werden darf, ist das tatsächliche zeitliche Verhältnis von Spitzenleistung zu Regelleistung, aber auch die anliegende AC-Eingangsspannung. Zudem spielt auch das Derating in Bezug auf die Betriebstemperatur eine wichtige Rolle.
Rechenbeispiel
Um die Leistungsperformance des Netzteils HRP-300N3-12 an einem theoretischen Beispiel ersichtlich zu machen, gilt folgende Annahme: Bei der Nennleistung kann in einer Beispielanwendung ein Leistungspuffer von 20 Prozent berücksichtigt werden. Dadurch wird das Netzteil kontinuierlich durch die Endanwendung, die am 230-V- oder 110-V-Wechselstromnetz betrieben werden kann, mit maximal 260 Watt belastet. Der verwendete Motor benötigt zum Anlaufen für fünf Sekunden mit 600 Watt annähernd die doppelte Nennleistung des HRP-300N3-12. Nach einem Motorstopp ist ein erneutes Anfahren des Motors im ungünstigsten Fall in einem Zyklus von 30 Sekunden zu erwarten. Die maximal erwartete Betriebstemperatur liegt unter 50 °C.
Eingangsspannung: mindestens 100VAC
Spitzenleistung: maximal 600 Watt, für max. 5Sekunden
Gesamtzykluszeit: 30 Sekunden oder länger
Belastungszyklus: t/T= 5/30= 16,67Prozent
Betriebstemperatur: < 50 °C
Pav=(Ppk·t+Pnpk·(T-t))/T=(600· 5+260·(30–5))/30 W =316,67W
Aus der angewendeten Beispielrechnung ergibt sich eine Durchschnittsleistung von 316,67Watt und somit eine Leistung unterhalb der Nennleistung von 324Watt, die das Netzteil erbringen muss. Es wäre also möglich, den angeschlossenen Motor problemlos zu betreiben und alle 30Sekunden mit dem beschriebenen erhöhten Leistungsbedarf erneut zu starten.

Anbieter zum Thema

zu Matchmaker+

  1. Mehr Kurzzeit-Energie, Scotty!
  2. Features


Lesen Sie mehr zum Thema


Das könnte Sie auch interessieren

In vielen Anlagen muss ein Stromversorgungs-Subsystem den Bedarf mehrerer Stockwerke decken und gleichzeitig einen Akku aufladen und entladen, wenn die primäre Stromversorgung ausfällt

Zuverlässige Stromversorgung

Mehr als nur einfache AC/DC- und DC/DC-Wandlung

Stromversorgungen.jpg

Stromversorgungsbranche

Von Normalzustand kann keine Rede sein

Würth Elektronik eiSos

DC/DC-Wandler im MicroModul-Format

Kompakt und leistungsfähig

TDK-Lambda

Neuvorstellungen von TDK-Lambda

Nicht nur für Bahntechnik und Industrieapplikationen

Cosel

Cosel erweitert Produktspektrum

Ausbau des DIN-Schienen- und Open-Frame-Programms

PULS

Stromversorgungen im Anlagenbereich

Risiken auf der DC-Seite minimieren

Höcherl & Hackl

Schulz-Electronic und Höcherl & Hackl

Drei neue Produktreihen

Fischer_Sebastian

Risk Management bei Traco Power

»Alle Zutaten für einen Konjunktureinbruch sind vorhanden«

Bilderstrecke Stromversorgungsneuheiten

Belieferung mit kritischen Bauelementen

Stimmungswechsel am Markt

Unterbrechungsfreie Stromversorgung (USV) in der Automatisierung. Dafür eignen sich dezentrale DCUSV-Systeme besser, um SPS-Steuerungen vor Stromausfall zu schützen. Diese lassen sich mit auf der Hutschiene in den Schaltschrank integrieren

DC-USV für die Hutschiene

Gegen Unterbrechungen gewappnet

PULS

Puls Expands Production Site

Manufacturing in Europe: More important Than Ever Before

Distrelec

19-Zoll-Schränke

Rack-Stromversorgungen auswählen

pixabay

PFC, Flicker und Störeinstrahlung

EMV bei Schaltnetzteilen (Teil 2)

Ralf Higgelke, Hermann Püthe, inpotron, Uwe Daro, Emtron, Bernhard Erdl, Puls, Engelbert Hopf

PowerTalk 2022 (Teil 4)

Was nach der Pandemie bleibt

Ralf Higgelke, Hermann Püthe, inpotron, Uwe Daro, Emtron, Bernhard Erdl, Puls, Engelbert Hopf

PowerTalk 2022 (Teil 3)

Globalisierung vs. Regionalisierung

Patrick Le Fèvre, Powerbox, Cosel

Leistungselektronik

Stromversorgungen – Trends 2022

Ralf Higgelke, Hermann Püthe, inpotron, Uwe Daro, Emtron, Bernhard Erdl, Puls, Engelbert Hopf

PowerTalk 2022 (Teil 2)

Steigende Kosten und Chancen für neue Lieferanten

Ralf Higgelke, Hermann Püthe, inpotron, Uwe Daro, Emtron, Bernhard Erdl, Puls, Engelbert Hopf

PowerTalk 2022 (Teil 1)

Herausforderungen in der Lieferkette

Recom

Recom

Netzteil mit Grundplattenkühlung

EA-Elektro Automation

EA-Elektro Automatik

Erweiterung der EA-10000er-Serie

Power Supplies

Online-Themenwoche „Stromversorgung“

Optimismus in der Power-Branche

pixabay

Kenngrößen und EMV-Messung

EMV bei Schaltnetzteilen (Teil 1)

Erweiterte Serie EA-10000: Bidirektional, regenerativ, effizient

Advertorial

Erweiterte Serie EA-10000: Bidirektional, regenerativ, effizient

Grau Elektronik

Versteckte Kosten von Stromversorgungen

Wenn billig am Ende teuer kommt

Phoenix_Contact, PoE, Power over Ethernet

Power over Ethernet

Viele PoE-Ports sicher versorgen

Apples, Pears

Derating in der Praxis

Von Äpfeln und Birnen

sodawhiskey/stock.adobe.com

Stromversorgungen

Advanced Energy übernimmt SL Power

PULS

Puls baut Werk in Tschechien aus

Fertigung in Europa – wichtiger denn je

Vogel_Denny

GaN-Netzteile von Systemtechnik Leber

Höhere Wirkungsgrade für den Klimaschutz

Leistungs-MOSFETs von Taiwan Semiconductor.

Volle Auftragsbücher, lange Lieferzeiten

»Von Entspannung keine Spur«

Hermann Püthe

inpotron Schaltnetzteile

»Wir kaufen alle Komponenten, die wir kriegen können«

Eggtronic, SmartEgg

APEC 2022/Eggtronic

PFC und Resonanzwandler in einer Stufe

eshma/stock.adobe.com

Preisdruck hält unvermindert an

»Eine solche Knappheit an Gütern gab es noch nie«

IdW Bernhard Erdl

Umsatz von Puls steigt und steigt

»Wir sind inzwischen im Modus der Warenzuteilung«

Open-Frame-Netzteile sind Standardkomponenten, die in OEM-Systeme sind und die STeckdose versorgt

Open-Frame-Netzteile

Design-in optimal gestalten

Viele Induktivitäten für DC-DC-Wandler haben eine Markierung. Es sollte bei einigen Kondensatoren gleichgültig sein, wie herum Spulen angeschlossen werden. Das ist jedoch ein Trugschluss

Platinenlayout von DC-DC-Wandlern

Spulenorientierung und EMV

XP Power, Gavin Griggs

Verstärkung bei Hochspannung

XP Power übernimmt FuG Elektronik und Guth Hochspannungstechnik

Power Electronics

Themenwoche Leistungselektronik

Alle Beiträge im Überblick

Vicor

Prognosen von Vicor für 2022

Covid-19 beschleunigt die Elektrifizierung

USV für erneuerbare Energien

Lebensversicherung für Windräder

Cosel

Netzteilserie PJMA von Cosel

300 W für hochwertige Medizinanwendungen

WAWT

Umsatz des DIN-Schienen-Markts steigt

Wachstumsmarkt Stromversorgungen

Chinmaya Joshi wechselt von Jaguar/Land Rover zu Vicor.

Vicor

Weltweites Automotive Segment unter neuer Leitung