Basiswissen Stromversorgung

Synchronisation verbessert EMV von Schaltnetzteilen

2. Dezember 2020, 12:41 Uhr | Autor: Christian Bernard; Redaktion: Ute Häußler
Gaia Schaltnetzteile EMV
© Gaia

Schaltnetzteile wie DC/DC-Wandler erzeugen leitungsgebundene Störungen. Zur EMV-Einhaltung verringern bei einfachen Architekturen LC-Filter das Rauschen. In komplexe Architekturen können mehrerer Wandler mit Mehrphasen-Synchronisation die Störsignale reduzieren und das Design minimieren.

Diesen Artikel anhören

Schaltnetzteile (SNT) sind wegen ihrer hohen Energieeffizienz allgegenwärtig. Einer der Nachteile von SNT wie DC/DC-Wandlern ist das Schaltrauschen, das sie aufgrund ihrer Betriebsart im Eingangsschaltkreis erzeugen. Das Schaltrauschen, manchmal auch als reflektierter Eingangsstrom bezeichnet, ist der periodische Wechselstrom, der dem Gleichstrom überlagert ist, welcher dem Wandler zugeführt wird. Dieses Rauschen, das bei der Grundschaltfrequenz, aber auch bei mehreren harmonischen Frequenzen auftritt, kann die Einhaltung des gewünschten elektromagnetischen Verträglichkeit (EMV) gefährden, wenn nicht, ggfs. mit externen Filtermaßnahmen, für eine Dämpfung gesorgt wird (Bild 1).

Gaia Schaltnetzteile EMV
Bild 1a. Eingangsrauschen in linearen Stromver­sorgungen.
© Gaia
Gaia Schaltnetzteile EMV
Bild 1b. Eingangsrauschen in nicht-linearen Stromver­sorgungen.
© Gaia

Lineare Stromversorgungen haben während des stationären Betriebs keinen periodischen Wechselstrom, der dem Eingangsstrom überlagert ist, und die einzige Änderung des Eingangsstroms ist die Folge einer Laständerung.

Bei den meisten Schaltnetzteilen verursacht das periodische Ein- und Ausschalten einer reaktiven Komponente mit dem Eingangsbus das Schaltrauschen. In der Mehtzahl der Fälle ist die reaktive Komponente ein Magnetkreis beziehungsweise eine Induktivität oder die Primärseite eines Leistungstransformators. In modernen Schaltnetzteilen wird der Schaltvorgang über schnelle MOSFET-Transistoren durchgeführt. Die Wellenform des Schaltrauschstroms hängt von der Schaltnetzteil-Topologie und ihrer Betriebsart ab (Bild 2). Die Grundfrequenz der Differenzstromwellenform ist die ursprüngliche Schaltfrequenz des Schaltnetzteiles. Während die Anzahl und Stärke der Oberwellen stark von den verwendeten Topologien abhängen können, bleiben sie jedoch die störendsten Komponenten. In der Regel haben sie das höchste Potenzial und die niedrigste Frequenz, was größere Filterelemente erfordert, da der L- und C-Wert proportional zu 1 / fs2 ist.

Gaia Schaltnetzteile EMV
Bild 2. Eingangsrauschen und Spektrum von Schaltnetzteilen.
© Gaia

Während der Differenzstrom von dem positiven Eingangskontakt zum negativen Eingangskontakt fließt, gibt es auch einen Gleichstromfluß über den Eingangskontakt zur Gehäusemasse über kapazitive Kopplungen. Dieses Rauschen wird hier nicht behandelt. Das typische Rauschen von Schaltnetzteilen mit seinen mehreren harmonischen Frequenzen kann die Einhaltung gültiger EMV-Standards erschweren. Hier ist in der Regel der Einsatz externer Filterkomponenten erforderlich.

EMV-Konformität

Die Einhaltung der elektromagnetischen Verträglichkeit wird durch Standards geregelt, die auf den zwei unab­hängigen Parametern – Stromrauschpegel über Frequenz und Strahlungsrauschen über Frequenz – basieren. Der zweite Parameter wird hauptsächlich durch den ersten induziert. Wenn daher das Stromrauschen in Kabeln oder Leiterbahnen fließt, wird ein elektromagnetisches Feld erzeugt, welches über die Grenzen des Stromkreises hinaus strahlt, fast so, als ob es Antennenstörungen gäbe.
Der Pegel des leitungsgebundenen Rauschens muss daher reduziert werden, um den Pegel des abgestrahlten Rauschens zu minimieren. Der Standard MIL-STD 461 zum Beispiel bezeichnet mehrere Pegel leitungsgebundener Störungen (CExxx) und abgestrahlter Störungen (RExxx) (Bild 3). Definiert werden die Störungen in der Einheit Dezibel-Mikroampere dBμA oder in Dezibel-Mikrovolt.

Gaia Schaltnetzteile EMV
Bild 3. Beispiele für EMV-Parameter, die durch militärische Standards definiert sind.
© Gaia

0 dBμA steht hier für 1 μA Strom, während 0 dBμV die Spannung darstellt, die durch einen Strom von 1μA in einen Widerstand von 50 Ohm erzeugt wird. Der abgestrahlte Rauschpegel wird in Dezibel Pico-Tesla dBpT dargestellt, einer Einheit des Magnetfelds, oder in dB μV/m quantifiziert, einer Einheit des elektrischen Feldes.

Üblicherweise wird zur Reduktion des Stromrauschens ein LC-Filter verwendet. Die zum Einhalten der notwendigen Qualifikationen erforderliche Filtergröße kann dem Miniaturisierungstrend heutiger Stromversorgungsdesigns nicht immer folgen. Die Größe der notwendigen Induktivitäten nimmt mit abnehmender Schaltfrequenz zu. Falls mehrere Schaltnetzteile in einer Anwendung verwendet werden, gibt es eine alternative Methode zur Reduzierung des Grundrauschens, um die Größe des LC-Filters zu verringern oder sogar überflüssig zu machen.

Verschaltung mehrerer Schaltnetzteile

Der Einsatz mehrerer DC/DC-Wandler am gleichen Eingangsbus kann das Rauschen erhöhen, selbst wenn alle DC/DC-Wandler mit derselben Schaltfrequenz arbeiten (Bild 4).

Gaia Schaltnetzteile EMV
Bild 4. Architektur mit mehreren DC/DC-Wandlern.
© Gaia

Zunächst kann das harmonische Rauschen vernachlässigt werden, was dazu führen kann, dass das Rauschsignal aus einer Summe von sinusförmigen Strömen mit derselben Frequenz und verschiedenen Phasen geschätzt wird, die einem Gleichstrom überlagert sind. Das Differenzstromrauschen (Ino) kann definiert werden durch die Formel 1. Wobei n die Anzahl der DC/DC-Wandler und Fs die Schaltfrequenz ist (Formel 2).

Nur zur Vereinfachung wird der Fall betrachtet, in dem jeder Wandler die gleiche Rauschgröße erzeugt (m1=m2=m3=......mn = M). Da die Werte verschiedener Phasen φ1 bis φn nicht vorhersehbar sind, kann die Größe von (Ino) zufällig von n·M reichen, wenn alle Phasen gleich sind, bis 0, wenn die Summe aller kombinierter Phasen eine vollständige Löschung des Ino Signales ergibt.

Gaia Schaltnetzteile EMV
Formel 1
© WFM
Gaia Schaltnetzteile EMV
Formel 2
© WFM

Dieses letzte Beispiel, bei dem alle Phasen so angeordnet werden, dass sich eine Gesamtrauschgröße von 0 ergibt, bedeutet, dass das Rauschen bei der Grundfrequenz aufgehoben wird. Um ein solches Ergebnis zu erhalten, müssen die Phasen zwischen jeder Schaltfrequenz der n-Wandler gleichmäßig auf 2π/n erzwungen werden. In diesem Fall kann die mathematische Definition von (Ino) so angeordnet werden, dass die folgende Gleichung eintritt (Formel 3):

Gaia Schaltnetzteile EMV
Formel 4
© WFM
Gaia Schaltnetzteile EMV
Formel 3
© WFM

dabei sind Formel 4 und Formel 5 für alle ganzen Zahlen von k und n.

Gaia Schaltnetzteile EMV
Formel 5
© WFM

Die Phasenverschiebung zwischen jedem Wandler einer beliebigen Architektur zum Aufheben des Schaltrauschens bei der Grundfrequenz ist in Tabelle 1 dargestellt.

Anzahl der DC/DC-WandlerNotwendige Phasenverschiebung zur
Rauschunterdrückung
2π
32π/3
4π/2
52π/5
6π/3

Für Schaltnetzteile sind am Markt Wandler-Module mit Synchronisationsfunktionen erhältlich, die es erlauben, Frequenz und Phase des Schaltsignales zu variieren. Dieser Artikel nutzt die Gaïa SNT-MGGDx-Converter als Referenzserie. Mit der Synchronisationsfunktion der DC/DC-Wandlern kann die Schaltfrequenz fixiert oder verschoben werden, um das Rauschen bei frequenzempfindlichen Anwendungen wie Radar-, Audio- oder Videosignalen zu reduzieren. Der wesentliche Vorteil dieser Funktion ist allerdings die Mehrphasensynchronisation mehrerer DC/DC-Wandler unter­­einander. Ein einfacher Taktgenerator, verbunden mit dem Synchronisiereingang eines DC/DC-Wandlers und über einen Inverter mit dem Synchronisiereingang des zweiten DC/DC-Wandlers, reduziert das Rauschen bereits deutlich. Durch einfaches Anwenden der zeitversetzten T/4-Rechteckwellenform auf jeden SYNC-Eingang der vier DC/DC-Wandler kann die Grundfrequenz des differenziellen Schaltrauschens
durch Verschieben der Frequenzen um π/2 aufgehoben werden (Bild 5).

Gaia Schaltnetzteile EMV
Bild 5. Vier Wandler in Mehrphasensynchronisation.
© Gaia

Das Ergebnis einer solchen Mehrphasen-Synchronisation in einer 80-W-Architektur ist ziemlich spektakulär, wie im Screenshot des Spektrums in Bild 6 gezeigt wird.
Das grüne Diagramm zeigt das Rauschen, wenn alle Module mit derselben Ausgangsleistung betrieben werden, ohne dass eine Synchronisationsfunktion aktiviert ist. In diesem Fall erreicht die fundamentale Frequenzgröße den DO160-Standardgrenzwert. In der blauen Kurve arbeitet die Anwendung unter den gleichen Bedingungen, diesmal jedoch mit aktivierter Synchronisationsfunktion. Die fast 25-dB-Reduzierung des Magnitudenpegels für die Grundfrequenz ist signifikant.

Gaia Schaltnetzteile EMV
Bild 6. Aufheben der Grundfrequenz durch Synchronisation.
© Gaia

Während dieser 25-dB-Pegelreduzierung zeigt die blaue Kurve eine Zunahme der 2., 3. und hauptsächlich 4. Harmonischen Frequenz, wobei diese letzte Frequenz die Pegelgrenzwerte weit überschreitet. Obwohl dies für die EMV-Konformität schädlich erscheinen mag, ist es weniger kompromittierend als das grundlegende Schaltrauschen, das den Standardgrenzwert überschreitet, da diese 4. Harmonische Frequenz höher ist und die Verwendung eines kleineren Filters ermöglicht (LC-Wert geteilt durch 16).

Es überrascht nicht, dass die 4. Harmonische Frequenz ma­ximal ist, da das Verschieben der vier Grundsignale der vier DC/DC-Wandler um π/2 gleichbedeutend ist mit dem Verschieben der H4-Harmonischen-Frequenz um 2π, sodass alle H4-Töne phasenverschoben werden, was in Summe zu einer Maximierung führt.

Die gesteuerte Phasensynchronisation trägt dazu bei, die Größe des Eingangsfilters für derartige Designs drastisch zu reduzieren, da dieser nur das Rauschen mit höherer Frequenz filtern muss.

Demo-Board zeigt Vorteile

Ein Demonstrationsboard verdeutlicht für Entwickler von Schaltnetzteilen die Vorteile der Mehrphasen-Synchronisation an einem serienreifen Produkt mit minimalstem Filteraufwand. Referenz ist hier das Gaïa-GRD12AN. Im Format einer Europakarte kann die Stromversorgung bis zu 120 W und sieben Ausgangsspannungen über drei voneinander getrennten Ausgangspotenzialen zur Verfügung stellen. Das Design implementiert ein Zweiphasensynchronisationsschema unter Verwendung eines Eingangsfilter mit 12A im Format 1“x1,2“.

Das Schaltnetzteil muss den in der jeweiligen Zielanwendung geltenden Standards entsprechen. Für sensible Einsatzfelder sollte das Demo-Board mit seinen Komponenten möglichst viele gängige militärische und Luftfahrtstandards wie MIL-STD-704, DO160 sowie MIL-STD-461 und MIL-STD-1275 erfüllen. Für diese Art der Multi-Standard-Konformität braucht es etwa eine spezielle Front-End-Komponente. Beispielsweise einen Active Input Bus Conditioner, der bis zu 150 W Leistung in einem extrem kleinen Gehäuse verarbeitet und die Spannung um +/- 100 V bei vollem Überspannungsschutz begrenzt. Diese Art Conditioner enthält meist einen Leistungs- und Einschaltstrombegrenzer. Um die Unterbrechung des Eingangsbusses zu überbrücken, sollte das Modul über eine vollständige Haltefunktion mit einem leistungsstarken Ladegerät mit konstantem Leistungs­kondensator verfügen. Das Ladegerät erhöht dann die Kondensatorspannung auf 60 V, wodurch die Größe des Haltekondensators für 120 W während eines Energiespeicherns über 50 ms drastisch reduziert werden kann.

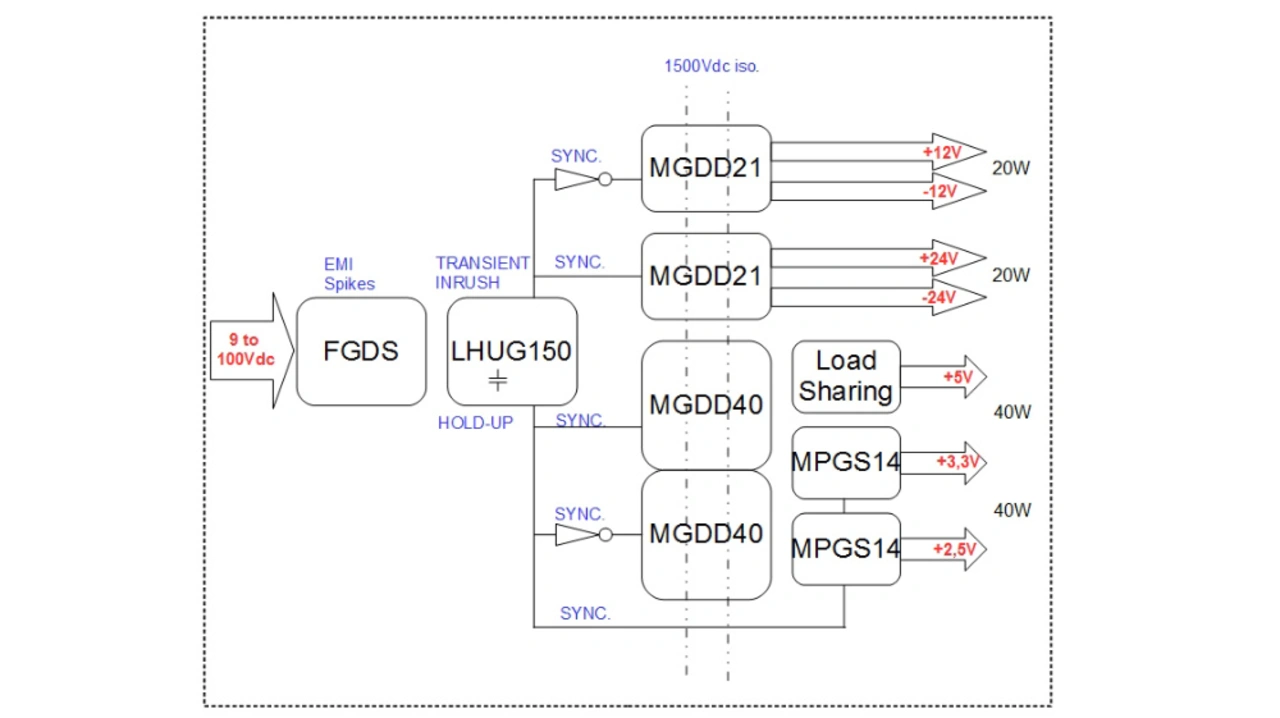
Als Referenz ist der Gaïa LHUG150N mit einem Zweiphasensynchronisationsgenerator ausgestattet, das Modell ist speziell für die Verwendung mit DC/DC-Wandlern der MGDD-Serie ausgelegt. Die zwei Synchronausgänge des Conditioners können direkt mit der Synchronisation verbunden werden (Bild 7). Somit kann am Sync-Eingang der nachgeschalteten DC/DC-Wandler ohne externe Komponenten eine um 180° verschobene Synchronisierung der Module stattfinden.

Gaia Schaltnetzteile EMV
Bild 7. Architektur mit mehreren DC/DC-Wandlern und einem Conditioner.
© Gaia

Entwickler können auch D-Flipflop-Gates verwenden, um die π/2-Synchronisation von vier Wandlern durchzuführen. Ein derartig ausgelegtes Demonstrationsboard erlaubt Entwicklern, die vorgestellte Thematik exakt nachzuvollziehen. Für das vorliegende Beispiel ist das Board mit zwei Wandlern ausgestattet, die eine +/-12-V-Schiene mit einer Leistung von 20 W bieten. Ein zusätzlicher +/-24-V-Kanal mit 20 W ist ebenfalls auf der Platine verfügbar. Zwei weitere 40-W-Wandler sind ebenfalls mit einer exakten Leistungsaufteilung verbunden. Der gemeinsam genutzte Wandler liefert eine 80-W-Basis mit 5 V (DC), die es auch ermöglicht, 3,3-V-(DC)- und 2,7-V-DC-Anwendungen zu versorgen. Ein 260-W-POL-Wandler (Point of Load) bietet eine Konstantstrom-Ladefunktion, trimmbares UVLO, -36 % / + 700 % breites Trimmen der Ausgangsspannung und Überwachung des Ausgangsstroms.

Gaia Schaltnetzteile EMV
Bild 8: EMV-Verhalten des Demo-Boards mit synchronisierten DC-DC-Wandlern.
© Gaia

Diese komplexe Architektur umfasst mehr als sieben verschiedene Schalter und sieben Oszillatoren mit ähnlichen, aber nicht exakten Schaltfrequenzen. Damit diese Art von Design die EMV-Konformität erfüllt, wäre normalerweise ein großer Filter mit mehreren Zellen erforderlich gewesen. Das vorgestellte Demo-Board verwendet dagegen einen sehr kleinen 12 A 100-V-Filter (FGDS-12A-100) mit hoher Dichte, der nur 5 % der gesamten Platinen­oberfläche ausmacht. Das resultierende EMV-Verhalten ist in Bild 8 dargestellt.

Eliminierung des Schaltfrequenztons

Für komplexe Architekturen mit mehreren Ausgangskanälen und mehreren Umschaltern kann die aufgezeigte Synchronisationsfunktion dazu genutzt werden, den grundlegenden Schaltfrequenzton von dem durch die Architektur verursachten Rauschen zu reduzieren oder sogar aufzuheben. Das Evaluierungsboard zeigt während der Entwicklung die Vorteile der Synchronisation und weiterer Funktionen auf, es hilft die Rauschreduzierung besser zu nutzen und Fehler frühzeitig zu eliminieren. UH

Gaia Schaltnetzteile EMV
Christian Bernard hat an der Fachhochschule Köln Elektrotechnik studiert. Er arbeitete zunächst als Entwicklungsingenieur für Stromversorgungen und leitet seit 2001 den technischen Vertrieb und Support für GAIA Converter in der DACH-Region.
© Gaia

Anbieter zum Thema

zu Matchmaker+

Lesen Sie mehr zum Thema


Das könnte Sie auch interessieren