Kompakte, leistungsstarke Stromwandlung

Floating-Ground-nicht-isolierte Halbbrücken-Gate-Treiber

7. Oktober 2025, 10:00 Uhr | Von Rolf Horn, DigiKey
Abbildung 1: Der Formfaktor der Floating-Ground-nicht-isolierten Halbbrückentreiber LTC706x von ADI.
Abbildung 1: Der Formfaktor der Floating-Ground-nicht-isolierten Halbbrückentreiber LTC706x von ADI.
© Analog Devices

Floating-Ground-nicht-isolierte Halbbrücken-Gate-Treiber steuern High- und Low-Side-MOSFETs effizient ohne galvanische Trennung. Sie bieten hohe Schaltgeschwindigkeiten, einstellbare Totzeiten, Schutzfunktionen und eignen sich für kompakte, leistungsstarke Stromwandlungsanwendungen.

Diesen Artikel anhören

Produktentwickler müssen stets mehrere Anforderungen in Einklang bringen – Platzbedarf, Kosten, Zuverlässigkeit und Markteinführungszeit. Eine zentrale Herausforderung ist die Auswahl einer Stromversorgung, die in die engen Platzverhältnisse moderner Anwendungen passt.

Kompakte, leistungsstarke Leistungsstufen benötigen schnelle und zuverlässige Gate-Treiber. Diese reichen von einfachen Low-Side-Treibern bis hin zu vollständig isolierten Varianten, die für Hochspannungsumgebungen geeignet sind. Für viele Designs bietet ein nicht-isolierter Gate-Treiber mit Floating Ground einen effizienten Weg zum Erfolg.

Gate-Treiber fungieren als Schnittstelle zwischen niederenergetischen Steuersignalen – häufig von einem Mikrocontroller oder einem PWM-Controller-IC (PWM: Pulsweitenmodulationssteuerung) – und leistungsstarken Schaltern, die den Energiefluss regeln. Sie sorgen für sauberes, schnelles und präzises Schalten, um die Leistungsabgabe zu optimieren.

Bei der Auswahl des richtigen Gate-Treibers müssen die Spannungs- und Stromanforderungen, die Topologie und die Schaltfrequenz bewertet werden. Ein gut abgestimmter Treiber verbessert den Wirkungsgrad, die Timing-Genauigkeit und die thermische Stabilität – alles entscheidende Faktoren für leistungsstarke, kompakte Systeme.

Vorteile der Halbbrückentopologie

Die Halbbrückentopologie ist ein weit verbreiteter Ansatz in der modernen Leistungsumwandlung und ermöglicht eine effiziente Spannungsregelung in kompakten Designs. Sie nutzt zwei Highspeed-Schalter – typischerweise MOSFETs oder IGBTs –, die abwechselnd die Eingangsspannung umschalten, um entweder einen Transformator in isolierten Designs zu speisen oder in nicht-isolierten Systemen die Last direkt zu versorgen. Diese Topologie wird für ihren hohen Wirkungsgrad und die Möglichkeiten zur thermischen Optimierung geschätzt.

Ein Gate-Treiber spielt eine entscheidende Rolle, wenn es um die Steuerung dieser Schalter geht, und fungiert als Schnittstelle zwischen Controller und Leistungsstufe. Er wandelt PWM-Signale in Hochstrom-Ansteuersignale um und gewährleistet so ein schnelles und präzises Schalten der High-Side- und Low-Side-Transistoren. Diese schnelle und effiziente Ansteuerung minimiert Energieverluste und verbessert die Gesamtleistung des Systems.

In einer Halbbrückenschaltung ist der Source-Kontakt des High-Side-MOSFETs mit dem Schaltknoten verbunden, der sich im Takt zwischen Masse (0 V) und der Eingangsspannung (z. B. 12, 48 V usw.) bewegt. Bei einem Floating-Ground-nicht-isolierten Gate-Treiber »floatet« der High-Side-Treiber mit der Spannung am Schaltknoten und ermöglicht saubere und effiziente Übergänge.

Wenn keine galvanische Trennung erforderlich ist und Kompaktheit, Geschwindigkeit und Effizienz im Vordergrund stehen, sind diese Floating-Ground-nicht-isolierten Halbbrücken-Gate-Treiber eine ideale Lösung. Sie steuern sowohl High-Side- als auch Low-Side-MOSFETs an, ohne die Komplexität der Isolierung, und gewährleisten gleichzeitig präzises Schaltverhalten. Da keine galvanische Trennung zwischen Steuerlogik und Leistungsstufe besteht, eignen sie sich am besten für Systeme, in denen alle Komponenten eine gemeinsame Masse haben.

Die Erzeugung der erforderlichen Gate-Treiberspannung für den High-Side-MOSFET erfolgt üblicherweise über einen Bootstrap-Kondensator. Dieser wird aufgeladen, wenn der Low-Side-Schalter aktiv ist, und versorgt den High-Side-Schalter, wenn dieser eingeschaltet wird.

Wenn der Low-Side-MOSFET leitet, wird der Schaltknoten auf Masse gezogen, sodass eine kleine Dioden-Kondensator-Schaltung den Bootstrap-Kondensator über die Versorgungsschiene aufladen kann. Wenn der High-Side-MOSFET eingeschaltet werden muss, nutzt der Treiber diese gespeicherte Ladung, um das Gate auf eine Spannung anzuheben, die typischerweise 10 bis 15 V über der Spannung des Schaltknotens liegt.

Entwickler müssen sicherstellen, dass der Low-Side-Schalter häufig genug einschaltet, um den Bootstrap-Kondensator wieder aufzuladen. Bei Anwendungen mit hohem Tastverhältnis können zusätzliche Maßnahmen erforderlich sein, etwa die Wahl einer geeigneten Kapazität und die Minimierung des Spannungsabfalls über der Bootstrap-Diode.

Durch die Nutzung der Bootstrap-Architektur und die Nachführung der Spannung am Schaltknoten vermeiden Floating-Ground-nicht-isolierte Halbbrückentreiber die Komplexität isolierter Designs und gewährleisten gleichzeitig eine robuste High-Side-Ansteuerung. Aufgrund ihrer Einfachheit und Effizienz eignen sie sich besonders gut für Hochfrequenzanwendungen wie Abwärts- und Aufwärtswandler, Synchronregler, Motorantriebe und Audioverstärker der Klasse D.

Auswahl des richtigen Gate-Treiber-ICs

Die Auswahl des richtigen Gate-Treibers ist entscheidend für einen effizienten, zuverlässigen und sicheren Betrieb der Leistungsstufe, insbesondere bei Highspeed-Schaltungen wie Abwärtswandlern, Motorantrieben und Solaranlagen. Obwohl grundlegende Prinzipien der Gate-Ansteuerung universell gelten, sind bestimmte Auswahlkriterien je nach Systemanforderungen besonders wichtig.

In Solar- und batteriebetriebenen Systemen ist es beispielsweise entscheidend, dass der Gate-Treiber große Eingangsspannungsschwankungen und wechselnde Lastbedingungen toleriert. Eine High-Side-Spannung mit ausreichendem Spielraum ist erforderlich, um Schwankungen der gesamten Versorgungsschiene zu widerstehen und langfristige Zuverlässigkeit zu gewährleisten.

Die Gleichtaktstörfestigkeit (CMTI) ist ebenfalls ein wichtiger Aspekt. Schnelle Schaltvorgänge können steile Spannungsänderungen zwischen High-Side- und Low-Side-MOSFET erzeugen, was zu Störgeräuschen und Überschwingen führt. Gate-Treiber mit hohem CMTI bieten hier eine bessere Stabilität in elektrisch verrauschten Umgebungen.

Ebenso wichtig ist der Spitzenstrom, insbesondere in Hochleistungsanwendungen. Der Treiber muss genügend Strom liefern, um das MOSFET-Gate schnell aufzuladen und parasitäre Kapazitäten zu überwinden, was Schaltverluste reduziert und die thermische Leistung verbessert.

Schließlich spielt die Totzeitsteuerung bei Halbbrückenkonfigurationen eine entscheidende Rolle. Ohne eine kurze Verzögerung zwischen dem Ausschalten des einen und dem Einschalten des anderen Schalters kann es zu einem Durchschlag (Shoot Through) kommen, da beide MOSFETs gleichzeitig leiten. Viele Gate-Treiber integrieren feste oder einstellbare Totzeiten, um dieses Problem zu verhindern und einen sicheren, effizienten Betrieb bei unterschiedlichen Lastbedingungen zu ermöglichen.

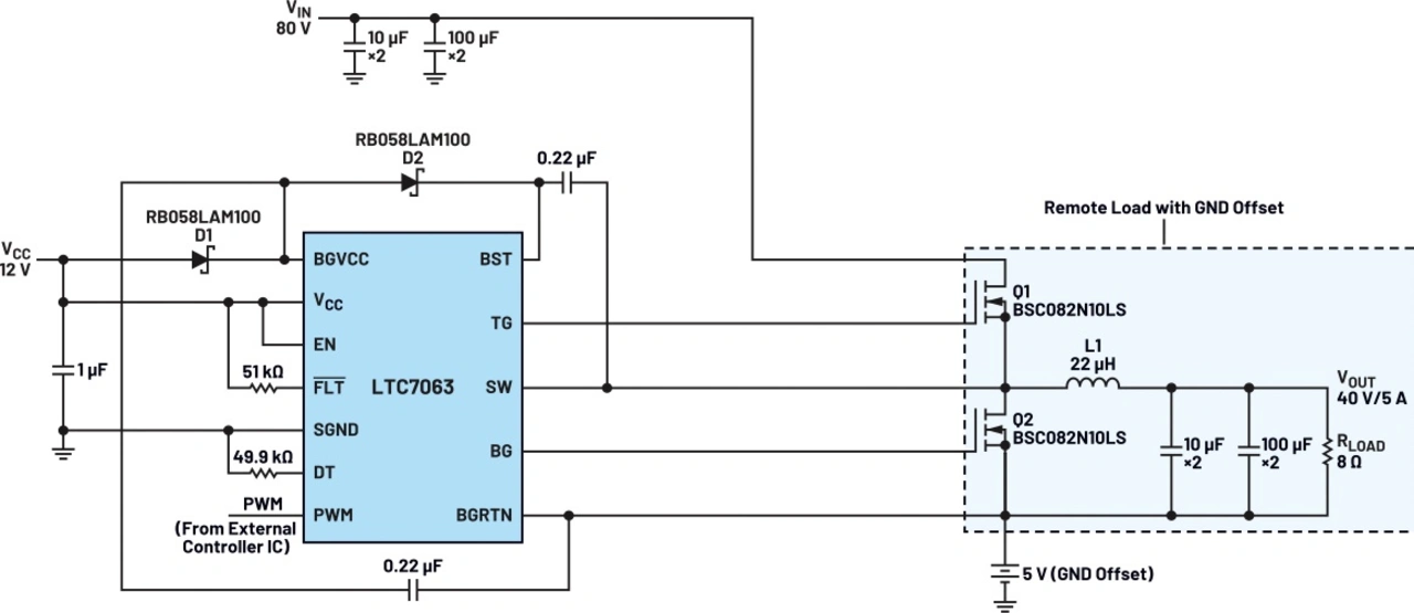
Abbildung 2: Der Entwurf eines Abwärtswandlers mit entfernter Last unter Verwendung des Floating-Ground-nicht-isolierten Halbbrücken-Gate-Treibers LTC7063.
Abbildung 2: Der Entwurf eines Abwärtswandlers mit entfernter Last unter Verwendung des Floating-Ground-nicht-isolierten Halbbrücken-Gate-Treibers LTC7063.
© Analog Devices

Die Familie LTC706x von ADI

Die Einfachheit und die Highspeed-Eigenschaften von Floating-Ground-nicht-isolierten Halbbrückentreibern machen sie für viele Designs zu einer optimalen Lösung. Analog Devices (ADI) bietet eine Reihe funktionsreicher, hochspannungsfester Treiber für anspruchsvolle Anwendungen.

Die Floating-Ground-nicht-isolierten Halbbrücken-Gate-Treiber der Serie LTC706x von ADI (Bild 1) umfassen vielseitige Produkte für die Anforderungen der Highspeed- und Hochspannungs-Leistungswandlung. Diese Bausteine eignen sich für eine Vielzahl von Anwendungen, von der Automobilelektronik bis hin zu industriellen Steuerungen, und bieten eine genaue Zeitsteuerung, Durchschlagschutz und eine hohe Treiberstärke in kompakten Gehäusen.

Die Produkte von ADI bieten eine Reihe von Optionen zur Anpassung an Spannungs-, Logik- und Layout-Anforderungen und helfen Entwicklern, die richtige Balance zwischen Leistung und Einfachheit auf Systemebene zu finden. Alle Varianten unterstützen N-Kanal-MOSFETs, die im Vergleich zu P-Kanal-Typen einen geringeren Durchlasswiderstand (RDSON), höhere Schaltgeschwindigkeiten und eine höhere Strombelastbarkeit aufweisen.

Für eine maximale Versorgungsspannung von 100 V stehen zwei Komponenten zur Verfügung:

  • Der LTC7060 ist für Systeme mit einem einzigen PWM-Eingang und Tri-State-Funktion optimiert. Der Baustein kann sowohl das High-Side- als auch das Low-Side-Gate-Timing von einer Steuerleitung ableiten. Dies vereinfacht die Schnittstellen zu digitalen Controllern und reduziert die Anzahl der Pins für den Einsatz in platzbeschränkten Anwendungen. Der Tri-State-Eingangsmodus ermöglicht außerdem einen sicheren Hochimpedanzzustand, der in bestimmten Ausfallszenarien eine zusätzliche Fehlertoleranz bietet. Er ist eine gute Wahl für Entwickler, die Einfachheit und Kompaktheit bevorzugen.
  • Der LTC7061 ist für Anwendungen konzipiert, die unabhängige CMOS- oder TTL-Logikeingänge für die High-Side- und Low-Side-Schalter bereitstellen. Dieser Ansatz mit zwei Eingängen ermöglicht eine größere Flexibilität und Kontrolle über das Timing – was besonders wertvoll in Systemen ist, bei denen die Totzeit extern von einem Mikrocontroller oder PWM-Controller gesteuert wird. Für Entwickler, die eine genaue Kontrolle über das Schaltverhalten benötigen oder benutzerdefinierte Timing-Strategien implementieren möchten, bietet der LTC7061 eine anpassungsfähigere Schnittstelle mit flexibler Steuerung zur Leistungsoptimierung.

Für Anwendungen, bei denen die Eingangsspannung mehr als 100 V beträgt, wie z. B. bei industriellen Motorantrieben, 48-V-Schienen in der Automobilindustrie oder Power-over-Ethernet-Infrastrukturen, stehen ebenfalls zwei Optionen zur Verfügung, die eine maximale Versorgungsspannung von 140 V unterstützen:

  • Der LTC7063 verfügt über einen Tri-State-PWM-Eingang, der die Ansteuerung sowohl des High-Side- als auch des Low-Side-MOSFETs über ein einziges Eingangssignal ermöglicht. Diese Konfiguration vereinfacht die Steuerschnittstelle, da der PWM-Pin den Schaltzustand der MOSFETs auf Grundlage seines Spannungspegels vorgibt. Entwickler können dies für Hochleistungsanwendungen bevorzugen, die von einer einfachen Ansteuerung, einer reduzierten Anzahl von Pins und einer minimierten Komplexität der Signalführung auf dichten Leiterplatten profitieren. Eine praktische Anwendung des LTC7063 ist ein 2:1-Abwärtswandler mit einer räumlich entfernten Last (Abbildung 2). Bei einer Eingangsspannung von bis zu 80 V liefert diese Schaltung die halbe Eingangsspannung (½ VIN) an eine maximale Last von 5 A.
  • Der LTC7066 akzeptiert unabhängige CMOS/TTL-Logikpegeleingänge für die High-Side- und Low-Side-Treiber und liefert somit separate Steuersignale für jeden MOSFET. Dies ermöglicht eine präzise und flexible Ansteuerung, die es den Entwicklern erlaubt, Timing, Totzeit und Schaltverhalten vollständig zu optimieren. Damit eignet sich dieser Baustein besonders gut für Systeme mit fein abgestimmter digitaler Steuerung, in denen beispielsweise leistungsstarke Digital-Controller oder FPGAs eingesetzt werden.

Unabhängig davon, ob sie in Nieder- oder Hochspannungsumgebungen betrieben werden, verfügt jeder Baustein der Produktreihe über wichtige Schutzfunktionen und Abstimmungsparameter, die den Entwicklern helfen, die maximale Leistung aus den Leistungsstufen herauszuholen.

So bietet jedes Produkt beispielsweise einen adaptiven Durchschlagschutz, um zu verhindern, dass High-Side- und Low-Side-MOSFETs gleichzeitig leiten. Darüber hinaus unterstützt jeder Baustein eine einstellbare Totzeit, die es Entwicklern ermöglicht, die Verzögerung zwischen den Schaltübergängen fein abzustimmen, um Verluste zu minimieren und gleichzeitiges Leiten (Cross Conduction) zu vermeiden, ohne den Wirkungsgrad zu beeinträchtigen. Eine weitere gemeinsame Funktion ist die Unterspannungsabschaltung (UVLO), die sicherstellt, dass der Gate-Treiber nur dann arbeitet, wenn die Versorgungsspannungen innerhalb sicherer Schwellenwerte liegen.

Die LTC706x-Bausteine bieten alle sehr gute Impedanzzahlen, mit typischen Werten von 1,5 Ω Pull-up und 0,8 Ω Pull-down. Dies ermöglicht ein schnelles Laden und Entladen des MOSFET-Gates – entscheidend für schnelles Schalten, genaue Zeitsteuerung und verringerte Schaltverluste in Highspeed-Anwendungen.

Für Anwendungen mit hohem Tastverhältnis, bei denen herkömmliche Bootstrap-Methoden nicht ausreichen, können Entwickler alternative Gate-Ansteuerungstechniken evaluieren. Dabei müssen die jeweiligen Kompromisse in Bezug auf Komplexität, Wirkungsgrad und Kosten berücksichtigt werden. Isolierte Gate-Treiber verwenden beispielsweise Transformatoren oder digitale Isolatoren, um unabhängige Gate-Ansteuerspannungen zu liefern, wodurch Bootstrap-Lademechanismen überflüssig werden, während direkte Bias-Versorgungen eine stabile Gate-Ansteuerspannung unabhängig von Schaltzyklen liefern können.

Rolf Horn, Applikationsingenieur bei DigiKey
Rolf Horn ist Applikationsingenieur bei DigiKey.
© DigiKey

Fazit

In Hochleistungsanwendungen, bei denen Geschwindigkeit, Wirkungsgrad und kompakte Bauweise entscheidend sind, bieten Floating-Ground-nicht-isolierte Halbbrücken-Gate-Treiber eine optimale Lösung zur Ansteuerung von High-Side- und Low-Side-MOSFETs. Durch den Einsatz eines Bootstrap-Schaltkreises zur Erzeugung der erforderlichen Gate-Treiberspannung machen diese Treiber die Komplexität isolierter Designs überflüssig und gewährleisten gleichzeitig ein präzises Schaltverhalten. Die LTC706x-Produktfamilie von ADI bietet hierfür eine Reihe vielseitiger Komponenten, die den Anforderungen der Highspeed- und Hochspannungsstromwandlung gerecht werden.

Anbieter zum Thema

zu Matchmaker+

Lesen Sie mehr zum Thema


Das könnte Sie auch interessieren

Anselm Hugle, MTM Power  im Gespräch mit Chefreporter Engelbert Hopf, M&T

»Wichtiger Transformationsprozess«

MTM Power plant bis 2030 Umsatz von über 30 Millionen Euro

Pfeil auf der Straße zum Sonneuntergang am Horizont

Resiliente Power-Branche

Stromversorgungsbranche ist optimistischer als vor einem Jahr

Notstromversorgung DC-USV UPSI von Bicker

Leistungsstarke 15-A-Notstromversorgung

LiFePO4-Batterietechnologie sorgt für Ausfallsicherheit

Sic-MOSFET DIN-Railway-Netzteile von Camtec

SiC-MOSFET DIN-Rail-Netzteile

2000 W Power für End-of-Line-Prüfstände

Technologie Leitfaden - Rechenzentrum

Für KI-gesteuerte Rechenzentren

Murata veröffentlicht Technologie-Leitfaden

Bremer Henning von MTM Power

Umsatzwachstum und Technologiezukauf

MTM Power wächst und expandiert

GaN-Mikrowechselrichter

GaN-Mikrowechselrichter von Enphase

Höhere Schaltfrequenz, höherer Wirkungsgrad

Diskussion auf der Battery&Power World

2026年2月12日 Battery & Power World

融合电池技术与电源解决方案的高端演讲组合

Diskussion auf der Battery&Power World

Battery&Power World am 12. Februar 2026

Vortragspaket aus Batterie- und Stromversorgungs-Know-how

Chritopher Haas von TDK-Lambda und Engelbert Hopf, Markt&Technik

Neues Leitmotiv »In Everything, Better«

TDK-Lambda: »Wir halten am Ziel der Umsatzverdopplung fest«

Forumsmitglieder Stromversorgungs-Distribution

M&T-Forum Stromversorgungs-Distribution

»Wir haben 2025 deutlich mehr Design-Aktivitäten gesehen«

coolsic-mosfet-easy-2c Leistungsmodule von Infineon

Höhere Effizienz und Lebensdauer

SiC-Leistungsmodule im EasyPack C-Gehäuse

Dick Schoof, Ministerpräsident Niederlande

Aktuelle Entwicklungen im Überblick

Wie geht es mit Nexperia weiter?

Schaltnetzteil von inpotron

Verfügbar trotz Abkündigungen

Lebenszyklusmanagement in der Elektronikfertigung

Gleichmäßige Lastverteilung und stabile Ausgangsspannung durch aktives Load Sharing

DIN-Schienennetzgeräte

Optimierte Lastverteilung im Parallelbetrieb

Bild zeigt einen Entwickler vor zwei Bildschirmen, der ADI Power Studio verwendet

ADI Power Studio

Vollständige Tool-Suite für Stromversorgungen

Logo von STMicroelectronics

GaN in Motorsteuerungs-Anwendungen

Hervorragende Alternative zu MOSFETs und IGBTs

Hybrid SIC SLIMDIP-Modul

Energieumwandlung in Haushaltsgeräten

Das Beste aus zwei Welten: Hybrid SiC SLIMDIP-Module

King Yasmine

Analog Devices

SDVs brauchen ein intelligentes Nervensystem

OpenGMSL revolutioniert die Automotive-Konnektivität.

Gründung der OpenGMSL Association

Neue Organisation will Fahrzeugkonnektivität revolutionieren

Analog Devices

Die Datenverbindung effizient managen

IO-Link-Transceiver vereinfacht die Mikrocontroller-Auswahl