Laden leicht gemacht

Akku-Lade-ICs von Microchip

25. April 2014, 16:29 Uhr | Jens Würtenberg
Der Akku-Ladebaustein MCP73831/2 ist in ein Gehäuse mit 2 x 3 mm² Grundfläche eingebaut und benötigt nur wenige externe Komponenten für den Betrieb.
© Microchip Technology

Schaltungen für die Akkuladung zu entwickeln, ist dem Elektroniker ein Greuel, denn Kenntnisse über die komplizierten chemischen Vorgänge bei der Speicherung der elektrischen Ladung gehören nicht zu seiner Kernkompetenz. Um so enthusiastischer werden hier ICs wie die MCP73831/2 begrüßt, die ihm diese Aufgabe abnehmen.

Diesen Artikel anhören

Der amerikanischen Halbleiterhersteller Microchip Technology bietet mit den beiden Bausteinen MCP73831/2 zwei Controller-ICs für das Laden von Akkus an, die speziell für Anwendungen entwickelt wurde, bei denen minimaler Platzbedarf und geringe Gestehungskosten ganz oben auf der Prioritätsliste stehen.

Der MCP73831/2 nutzt ein Konstantstrom/Konstantspannung-Ladeverfahren, bei dem die Schwellen für die Ladevorbereitung und die Beendigung des Ladens einstellbar sind. Vier Ausführungen mit Konstantspannungen zwischen 4,2 V und 4,5 V stehen dem Anwender zur Verfügung; damit lassen sich dann auch künftige Akku-Neuentwicklungen bedienen. Der Wert für den Konstantstrom wird mit einem externen Widerstand eingestellt. Die Schaltung des ICs begrenzt den Ladestrom in Abhängigkeit von der Temperatur. Für die Voreinstellung der Schwelle für die Ladungsvorbereitung und die Höhe des Vorbereitungsstrom sowie die Schwellen für die Beendigung der Ladung und der automatischen Wiederaufladung stehen mehrere Varianten zur Verfügung.

Anbieter zum Thema

zu Matchmaker+
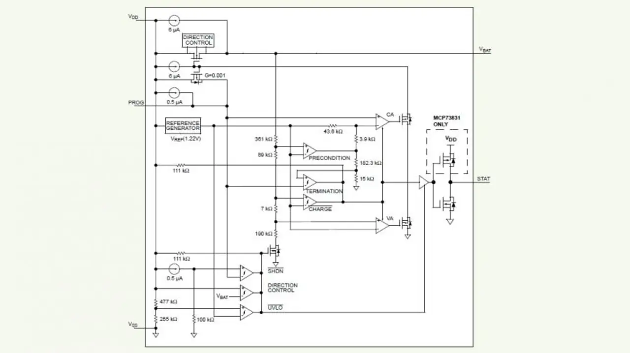
MCP73831/2
Alle für das Laden eines Akkus erforderlichen Schaltungsblöcke einschließlich der Schutzmechanismen und Schalter-MOSFETs sind auf den ICs MCP73831/2 integriert.
© Microchip Technology

Lesen Sie mehr zum Thema


Das könnte Sie auch interessieren

Jetzt kostenfreie Newsletter bestellen!

Weitere Artikel zu Microchip Technology GmbH

Weitere Artikel zu Powermanagement-ICs