Messverstärker aus drei Operationsverstärkern
Bild 4 zeigt einen aus drei Operationsverstärkern bestehenden Messverstärker, auch Instrumentenverstärker genannt, der kleine differenzielle Spannungen verstärkt und große Gleichtaktspannungen abblockt. Die erste Verstärkerstufe besteht aus einem Paar von Pufferverstärkern mit hoher Impedanz (A1, A2) und Widerständen (RF und RG), die widerstandsbedingte Lasteffekte an beiden Eingängen und das Problem unsymmetrischer Eingangsimpedanzen vermeiden helfen.
Daneben vergrößern RF und RG die Differenzspannungsverstärkung GDM der Pufferstufen auf 1 + 2 · RF/RG, während die Gleichtaktverstärkung GCM gleich 1 bleibt. Dadurch verbessert sich der Gleichtaktunterdrückung CMRR erheblich, da dieser 20 · log(GDM/GCM) beträgt. Ein weiterer Vorteil dieser Konfiguration ist, dass sich die Gesamtverstärkung des Instrumentenverstärkers einfach über den Widerstand RG einstellen lässt, ohne die Widerstände R1, R2, R1*, R2* verändern zu müssen.
Die zweite Stufe besteht aus einem Differenzverstärker A3, der die Differenzspannung verstärkt und die Gleichtaktspannung abblockt. In der Praxis stellt man das Verhältnis R2/R1 meist auf 1 ein. Das CMRR wird hauptsächlich bestimmt durch die Differenzspannungsverstärkung der ersten Stufe und die Anpassungstoleranz des Widerstandsnetzwerks von R2/R1 und R2*/R1*.
Die Widerstandstoleranzen von RF und RG haben keinen Einfluss auf die Gleichtaktunterdrückung CMRR. Ein gängiges, aber häufig übersehenes Problem beim Instrumentenverstärker ist der verringerte Gleichtakt-Eingangsspannungsbereich VCM. Wie in Bild 4 zu sehen ist, lassen sich die Eingangsspannungen V1 und V2 durch die Gleichtakt-Eingangsspannung VCM und die differenzielle Eingangsspannung VDM darstellen:

Die Verstärker (A1, A2) haben eine Differenzspannungsverstärkung GDM, die der Gesamtverstärkung G entspricht, und eine Gleichtaktverstärkung GCM, die gleich 1 ist. VOUT1, VOUT2 und VOUT müssen innerhalb des zulässigen Ausgangsspannungsbereichs zwischen V0L und V0H bleiben. Die Konfiguration mit drei OPVs schreibt auch spezifische Grenzwerte für VDM und VCM vor und weist speziell im Betrieb in einer Konfiguration mit hoher Verstärkung einen erheblich verringerten VCM-Bereich auf.
Messverstärker aus zwei Operationsverstärkern
Der Instrumentenverstärker bietet eine hohe Gleichtaktunter-drückung (CMRR), Freiheit von widerstandsbedingten Lasteffekten und angepasste Eingangsimpedanzen. Besonders aber lässt sich seine Gesamtverstärkung ohne die Anpassung von mehr als einem Widerstandswert ändern. Andererseits hat er einen verringerten VCM-Bereich, und die größere Anzahl von Operationsverstärkern lässt den Stromverbrauch und die Kosten steigen.
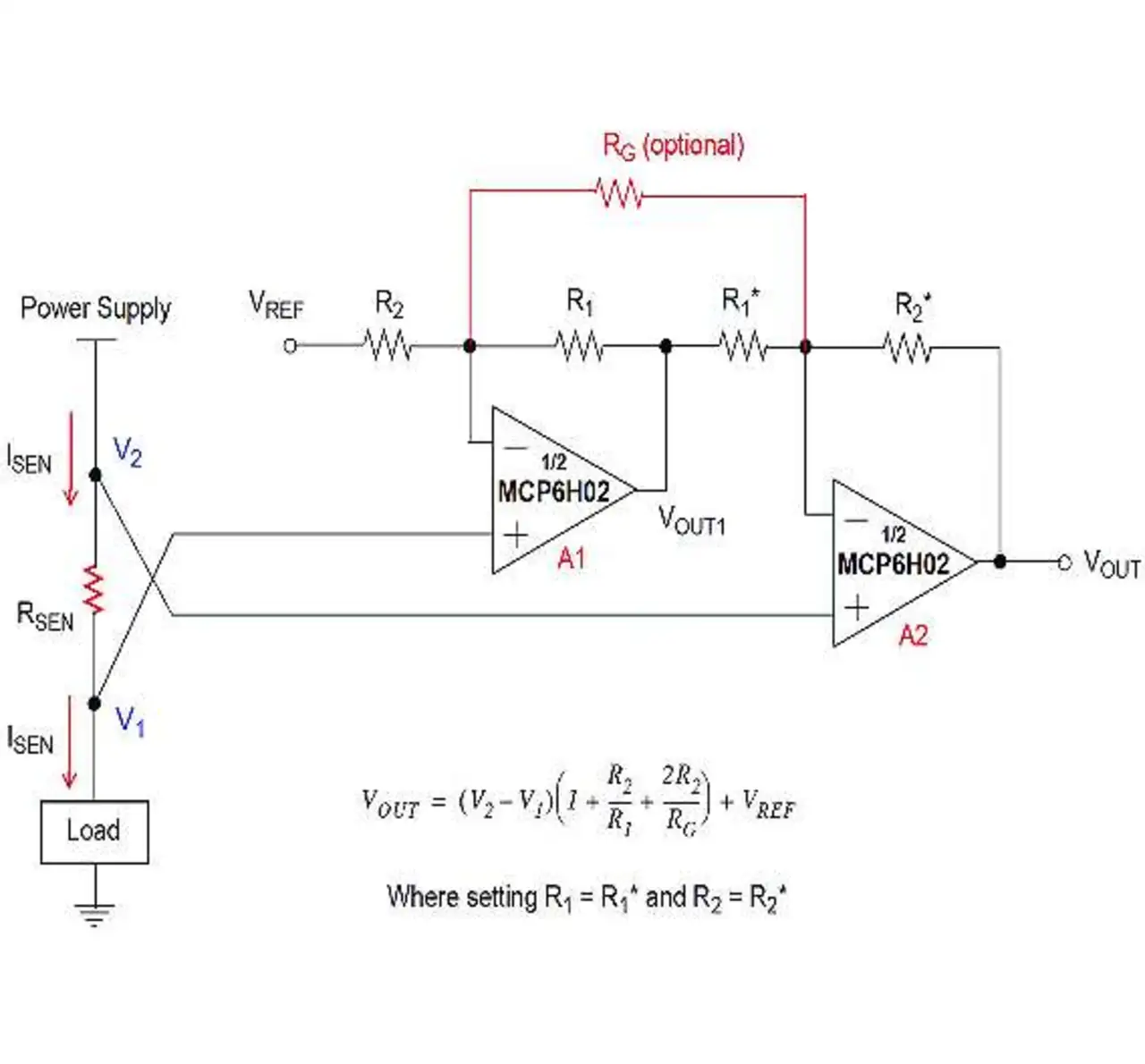
Verglichen mit dem Instrumentenverstärker mit seinen drei OPVs lassen sich mit einer Schaltung mit nur zwei OPVs (Bild 5) Kosten einsparen und der Stromverbrauch senken. Ihre Eingangsimpedanz ist ebenfalls sehr hoch, sodass es keine widerstandsbedingten Lasteffekte und keine Probleme mit unsymmetrischen Eingangsimpedanzen gibt.
Die Gleichtaktunterdrückung CMRR dieser Konfiguration hängt hauptsächlich von der Gesamtverstärkung und der Anpassungstoleranz des Widerstandsnetzwerks von R2/R1 und R2*/R1*ab. Wie in Bild 5 zu sehen ist, lassen sich die Eingangsspannungen V1 und V2 durch die Gleichtakt-Eingangsspannung VCM und die differenzielle Eingangsspannung VDM darstellen:

VOUT und VOUT1 müssen wiederum im zulässigen Ausgangsspannungsbereich zwischen V0L und V0H bleiben, und diese Konfiguration gibt auch Grenzen für die Werte von VDM und VCM vor. Anders als beim Instrumentenverstärker mit drei OPVs ist der VCM-Bereich bei der Topologie mit nur zwei OPVs erheblich kleiner, wenn sie in einer Konfiguration mit geringer Verstärkung arbeitet. Außerdem verursacht die Asymmetrie der Schaltung im Gleichtakt-Signalpfad eine Phasenverzögerung zwischen VOUT1 und V1, wodurch sich das CMRR-Verhalten bei Wechselspannung verschlechtert.
Wie in Bild 5 zu sehen ist, muss das Eingangssignal V1 durch den Verstärker A1 laufen, bevor es vom Verstärker A2 von V2 subtrahiert werden kann. VOUT1 ist daher in Bezug auf V2 leicht verzögert und phasenverschoben.
Dies ist eine erhebliche Einschränkung. Bild 6 zeigt, dass sich die Gesamtverstärkung des Instrumentenverstärkers mit zwei OPVs durch Hinzufügen des Widerstands RG zwischen die zwei invertierenden Eingänge problemlos einstellen lässt, wobei lediglich RG justiert werden muss. In der Regel wird das Verhältnis R2/R1 für die gewünschte Minimalverstärkung gewählt.
Ein weiterer Vorteil aus dem Hinzufügen von RG besteht darin, dass man bei Konfigurationen mit sehr hoher Verstärkung nicht auf große Widerstandswerte für R2 und R2* zurückgreifen muss. Wie bei den anderen Konfigurationen ergeben Detailberechnungen die Anforderungen für VDM und VCM für diese Verstärkertopologie mit zusätzlichem RG.
Diese letzte Topologie ermöglicht gegenüber dem Instrumentenverstärker mit drei OPVs eine hohe DC-Gleichtaktunterdrückung (CMRR), Freiheit von widerstandsbedingten Lasteffekten, angepasste Eingangsimpedanzen sowie geringere Kosten und einen niedrigeren Stromverbrauch. Zu den Nachteilen dieser Schaltung zählen ein kleinerer VCM-Bereich, eine schlechte Wechselstrom-Gleichtaktunterdrückung CMRR wegen der Asymmetrie der Schaltung und die Tatsache, dass die Schaltung nicht bei Verstärkung 1 arbeiten kann.
Über den Autor:
Darren Wenn ist Senior Field Application Engineer bei Microchip Technology.