Aufwärtswandler mit hohen Ausgangsspannungen:

Topologien für hohe Übersetzungsverhältnisse und Leistungen

24. September 2014, 9:11 Uhr | Andrea Gillhuber
Diesen Artikel anhören

Fortsetzung des Artikels von Teil 1

Eine verbesserte Topologie

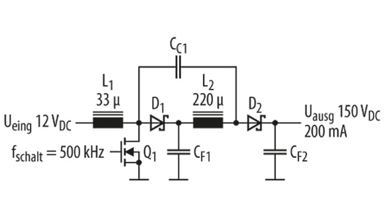
Prinzipskizze eines zweistufigen Aufwärtswandlers mit Vervielfacher in SEPIC-Topologie, die durch die Verwendung von zwei nicht gekoppelten Spulen und einem Kondensator charakterisiert ist
Bild 2. Prinzipskizze eines zweistufigen Aufwärts-wandlers mit Vervielfacher in SEPIC-Topologie, die durch die Verwendung von zwei nicht gekoppelten Spulen und einem Kondensator charakterisiert ist.
© Analog Devices

Mit einer neuen Spannungswandler-Topologie [1] lassen sich die geschilderten Nachteile vermeiden. Diese erlaubt die Verwendung von MOSFETs mit niedrigeren Grenzwerten und Schottky-Dioden; die Schaltung arbeitet dabei nicht mit extremen Tastverhältnissen und erleichtert so den „nichtlückenden Betrieb“ (CCM – Continuous Conduction Mode) und die Verwendung der Pulsbreitenmodulation (PWM). Zudem vermeidet die Schaltung Spannungsspitzen und Überschwinger, die von den Streuinduktivitäten eines Transformators verursacht werden. Bei dem neuen Spannungswandler handelt es sich um einen zweistufigen Aufwärtsregler mit Vervielfacher in SEPIC-Topologie (Single Ended Primary Inductance Converter) (Bild 2).

Die gefundene Lösung stellt keine erhöhten Anforderungen an die Bauelemente und ermöglicht so die Verwendung kostengünstiger Varianten.

Anbieter zum Thema

zu Matchmaker+
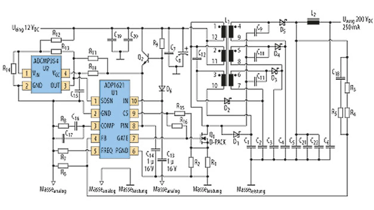
Der Analog-Devices-Baustein ADP1621 steuert einen SEPIC-Aufwärtswandler mit fünf Vervielfacherstufen; die Schaltung liefert bei 12 VDC Eingangsspannung am Ausgang 200 VDC und einen Strom von 200 mA
Bild 3. Der Analog-Devices-Baustein ADP1621 steuert einen SEPIC-Aufwärts- wandler mit fünf Verviel- facherstufen; die Schaltung liefert bei 12 VDC Eingangsspannung am Ausgang 200 VDC und einen Strom von 200 mA. Der Komparator-Baustein ADCMP354 dient der Unterspannungserkennung.
© Analog Devices

Natürlich hat die Topologie des SEPIC-Aufwärtsreglers mit Vervielfacher auch Nachteile. Durch die höhere Zahl der in Reihe geschalteten Dioden führt der damit verbundene Spannungsabfall auch zu höheren Verlusten und damit einem besseren Wirkungsgrad. Darüber hinaus erfordert die Realisierung der Schaltung mehr Bauelemente als andere Topologien. Schließlich sollte die vorgestellte Kombination der Spannungsvervielfacher-Schaltung mit der SEPIC-Topologie nicht verwendet werden, wenn sowohl die Eingangsspannung als auch die Ausgangsspannung hoch sind.

Die neue Topologie wurde von den Analog-Devices-Applikationsingenieuren mit dem Controller-Baustein ADP1621 aufgebaut (Bild 3). Der Baustein wurde konzipiert für den Aufbau eines stromgeregelten Aufwärtswandlers, der mit einer festen Schaltfrequenz arbeitet. Der MOSFET und die Schottky-Dioden in dieser Schaltung sind für 60 V spezifiziert; mit dem Komparator ADCMP354 wird die Funktion der Abschaltung bei Unterspannung realisiert. Nach Angaben von Analog Devices erreicht der Spannungswandler einen Wirkungsgrad von 91 %.


  1. Topologien für hohe Übersetzungsverhältnisse und Leistungen
  2. Eine verbesserte Topologie
  3. Blitzgerät mit Sperrwandler

Lesen Sie mehr zum Thema


Das könnte Sie auch interessieren

Jetzt kostenfreie Newsletter bestellen!