Spannungsregler

Neue Linearregler lösen alte Probleme

6. November 2014, 10:07 Uhr | Von Bob Dobkin
Neue Linearregler lösen ältere Varianten von Last- und Netzschwankungen
© Linear Technologies

Neue Linearregler bieten im Vergleich zu älteren Varianten eine gute Ausregelung von Last- und Netzschwankungen; die Spannung und das Transientenverhalten ändern sich bei Lastschwankungen nicht. Die Bausteine sind mit Temperatur- und Stromüberwachung und einer einstell-baren Strombegrenzung ausgestattet. Auch das Parallelschalten erfordert keine externen Strombalance-Schaltungen. Zu diesen Verbesserungen kommt noch hinzu, dass die Bausteine heute robuster sind.

Diesen Artikel anhören

Seit der Einführung der dreipoligen Spannungsregler im Jahre 1976 blieb deren Architektur weitgehend unverändert. Sie wurden wie beim weit verbreiteten Spannungsregler LT317 entweder „floating“ eingesetzt oder mit einer Gegenkopplung vom Ausgang auf den Verstärker (Bild 1 links). Diese Architekturen haben aber Nachteile hinsichtlich der Regelgüte und der Genauigkeit, zudem sind sie wenig flexibel.

Anbieter zum Thema

zu Matchmaker+
Architektur älterer Regler (li.) und moderner Regler (re).
Bild 1. Architektur älterer Regler (li.) und moderner Regler (re).
© Linear Technologies

2007 wurde mit dem Baustein LT3080 eine neue Architektur eingeführt (Bild 1 rechts), bei der als Referenz eine Stromquelle und als Ausgangsverstärker ein Spannungsfolger verwendet werden.

Die Vorteile dieser Architektur bestehen darin, dass eine Parallelschaltung möglich ist und der Regler die Ausgangsspannung bis 0 V herunterregeln kann. Da der Ausgangsverstärker immer mit der Verstärkung V = 1 arbeitet, bleiben Bandbreite und Regelgüte konstant. Außerdem ist das Transientenverhalten unabhängig von der Ausgangsspannung und die Regelung kann im mV-Bereich erfolgen.

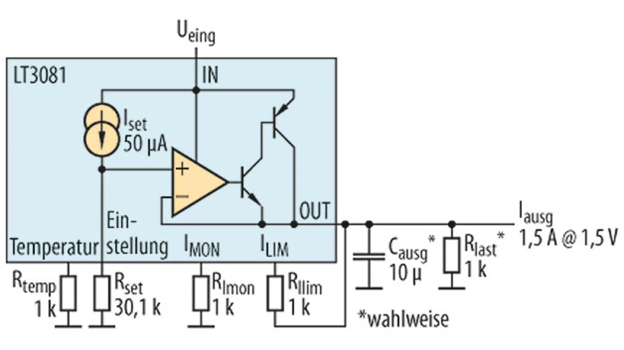
Aufbau eines Spannungsreglers mit dem Linearbaustein LT3081
Bild 2. Aufbau eines Spannungsreglers mit dem Linearbaustein LT3081.
© Linear Technologies

Ein Regler für die Industrie

Der LT3081 ist ein Regler für industrielle Anwendungen; er zeichnet sich aus durch einen großen sicheren Arbeitsbereich (SOA – Safe Operation Area). Er liefert 1,5 A Ausgangsstrom, kann auf 0 V Ausgangsspannung eingestellt werden, ist eigensicher und bietet Monitor-Ausgänge für Temperatur und Ausgangsstrom. Zusätzlich kann die Strombegrenzung über externe Widerstände eingestellt werden. Bild 2 zeigt die interne Grundschaltung und die äußere Beschaltung des LT3081.

Für Temperatur- und Strom-Monitor-Ausgänge wurden Stromquellen verwendet, die in einem Bereich von –40 V bis +0,4  V bezogen auf den Ausgang und auch bei Kurzschluss am Ausgang arbeiten. Auf diese Weise funktioniert der Schaltkreis mit Eingangsspannungen Ueing zwischen 0,4 V über Uausg und 40 V unter Uausg. Der Temperaturausgang liefert 1 μA/°C und der Strom-Monitor liefert einen Wert von Iausg/5000. Die Stromquellen messen den Spannungsabfall des Quellenstromes über den auf Masse gelegten Widerstand RImon. Da der Dynamikbereich der Monitor-Ausgänge 0,4 V über den Ausgang reicht, können Temperatur und Strom weiterhin gemessen werden, selbst wenn dieser kurzgeschlossen oder auf Null gesetzt ist.

Die Ausgangsspannung wird über den Widerstand Rset am Einstellungs-Pin auf Masse und den 50 μA der Stromquelle Iset zum Ausgang eingestellt. Der interne Spannungsfolger-Verstärker zwingt die Ausgangsspannung auf den gleichen Spannungswert wie am Einstellungs-Pin. Ein Alleinstellungsmerkmal des LT3081 ist, dass er auch ohne Ausgangskondensator betrieben werden kann – er bleibt stets stabil. Alle internen Betriebsströme fließen durch den Ausgangs-Pin, für eine vollständige Regelung ist daher eine minimale Last von 5 mA bei allen Ausgangsspannungen erforderlich. Der Einstellwiderstand trägt zur Systemtemperaturdrift bei. Typische SMD-Widerstände weisen jedoch unterschiedliche Temperaturkoeffizienten (TK) auf, die je nach Hersteller von 100 ppm bis über 500 ppm reichen können. Obwohl diese Widerstände im Regler nicht warm werden, kann ihr TK zur Änderung der Ausgangsspannung bis zu 4 % führen. Für Präzisionsapplikationen sind deshalb Dünnschichtwiderstände mit einem niedrigen TK einzusetzen.

Die Verwendung einer „echten“ Stromquelle als Referenz hat zur Folge, dass Verstärkung und Frequenzverhalten des Reglers unabhängig sind von der Impedanz der Eingangsspannungsquelle. Bei allen bisherigen einstellbaren Reglern, wie etwa dem LT1086, ändern sich die Schleifenverstärkung und die Bandbreite mit der Ausgangsspannung. Beim LT3081 bleibt die Schleifenverstärkung dagegen unverändert. Die Regelung der Ausgangsspannung erfolgt hier nicht über den üblichen Spannungsteiler an der Ausgangsspannung, sondern es wird die Spannung für die Bestimmung des Ist-Wertes genutzt, die am Widerstand Rset abfällt. Da hier eine echte Referenzstromquelle verwendet wird, lässt sich die gesamte Verstärkung des Pufferverstärkers für die Regelung nutzen, denn es ist nicht mehr erforderlich, diese zu nutzen, um die Referenzspannung auf das Niveau der Ausgangsspannung zu heben.

Darstellung des sicheren Arbeitsbereichs (SOA – Safe Operating Area) für verschiedene Regler
Bild 3. Darstellung des sicheren Arbeitsbereichs (SOA – Safe Operating Area) für verschiedene Regler.
© Linear Technologies

Sicherer Arbeitsbereich (SOA) industriegerecht ausgelegt

Industrielle Anwendungen erfordern einen „breiten“ sicheren Arbeitsbereich (SOA – Safe Operation Area). Das bedeutet, dass auch bei großen Unterschieden zwischen Eingangs- und Ausgangsspannung große Lastströme möglich sind. In Bild 3 werden die SOAs verschiedener Regler miteinander verglichen. Der Mitte der 1980er Jahre eingeführte LT1086 ist ein 1,5-A-Regler, der bei einem ΔU zwischen Eingang und Ausgang von 20 V den Ausgangsstrom auf 100 mA absenkt. Beträgt der Laststrom mehr als 100 mA, ist die Ausgangsspannung nicht mehr geregelt.

Der LT1963A ist ein LDO mit einem begrenzten SOA; Transienten am Eingang führen dazu, dass der Maximalstrom bei hoher Spannung (High Voltage Current Limit) überschritten wird. Der LT3081 dagegen bietet einen breiten SOA und noch nahezu 1 A Ausgangsstrom bei Spannungsdifferenzen bis zu 25 V. Bei noch höheren Spannungen ist sogar noch ein Ausgangstrom von 500 mA möglich. Ein breiter SOA wird durch eine große PNP-Struktur erzielt, außerdem ist der LT3081 zusammen mit der Last gegen Verpolung am Eingang geschützt.

Blockschaltung des LT3081.
Bild 4. Blockschaltung des LT3081.
© Linear Technologies

Bild 4 zeigt die Blockschaltung des LT3081. Zwei Stromquellen bestimmen den Ausgangsstrom und die Temperatur. Die dritte Stromquelle liefert den Referenzstrom von 50 μA. Der LT3081 arbeitet bis herunter zu einem ΔU = 1,2 V, das ist etwas besser als beim LT1086. Die spezielle Verstärkerkerschaltung ermöglicht zusammen mit der geregelten internen Vorspannungsversorgung (Bias) einen stabilen Betrieb, auch ohne externen Ausgangskondensator. Dabei ist zu beachten: Der Regler kann so nicht bei allen möglichen Eingangs- und Ausgangsimpedanzen verwendet werden. Es ist stets erforderlich, die Stabilität im aufgebauten System zu testen. Bei auftretender Instabilität sichert ein externer Kondensator den stabilen Betrieb über den gesamten Ausgangsstrombereich. Da das Transientenverhalten nicht durch die Bandbreite des Verstärkers begrenzt wird, hat eine externe Kapazität hier einen positiven Einfluss.


  1. Neue Linearregler lösen alte Probleme
  2. Parallelschaltung für Lastverteilung und Wärmespreizung

Lesen Sie mehr zum Thema


Das könnte Sie auch interessieren

Jetzt kostenfreie Newsletter bestellen!