Netzteile

Hohe Leistung, hoher Wirkungsgrad, niedriger Aufwand

13. April 2011, 15:23 Uhr | Von David New
Diesen Artikel anhören

Fortsetzung des Artikels von Teil 2

Einchip-Schaltregler für hohe Leistungen

Die zweite Funktion in einem Schaltnetzteil umfasst die Wandlung der Eingangsspannung auf die für das Gerät benötigte Versorgungsspannung, deren Regelung und die galvanische Trennung der Sekundärseite von der Primärseite. Für die Auslegung eines einer PFC-Stufe nachgeschalteten Hochleistungs-DC/DC-Wandlers gibt es viele mögliche Schaltungen. Dazu gehören zum Beispiel Resonanzwandler sowie Durchflusswandler mit einem oder zwei Schaltern.

Den besten Kompromiss zwischen Kosten und Wirkungsgrad bieten Halbbrücken-Durchflusswandler. Sie werden deshalb besonders bei kostensensiblen Netzteilen höherer Leistung verwendet, wie z.B. PC-Netzteilen.

Viele Schaltnetzteile höherer Leistung müssen verschiedene Ausgangsspannungen für die unterschiedlichen Lasten bereitstellen. Häufig sind Netzteile höherer Leistung so ausgelegt, dass sie über einen Zwischenkreis einen oder mehrere DC/DC-Wandler versorgen, die dann die jeweils benötigten Versorgungsspannungen generieren. Oder der Transformator verfügt über mehrere Sekundärwicklungen bzw. Anzapfungen, um die geforderten Ausgangsspannungen zu liefern. Für viele Anwendungen kommt noch ein Kleinleistungsnetzteil für den Bereitschaftsbetrieb oder als Hilfsversorgung hinzu. Dieses Netzteil ist häufig als Sperrwandler ausgeführt, der parallel zum Haupt-Netzteil arbeitet.

Die Komplexität der Schaltnetzteile erhöht sich generell mit der Leistung und der Anzahl der Schalt-Transistoren. Neben den zusätzlich erforderlichen Bauelementen, deren Preis häufig mit der Leistung steigt, und der Kühlung führen auch die Forderungen nach einem kompakten und flachen Aufbau zu den bei PC-Netzteilen bekannten Kompromissen in Bezug auf die elektrischen, mechanischen und thermischen Eigenschaften sowie die Kosten.

Anbieter zum Thema

zu Matchmaker+
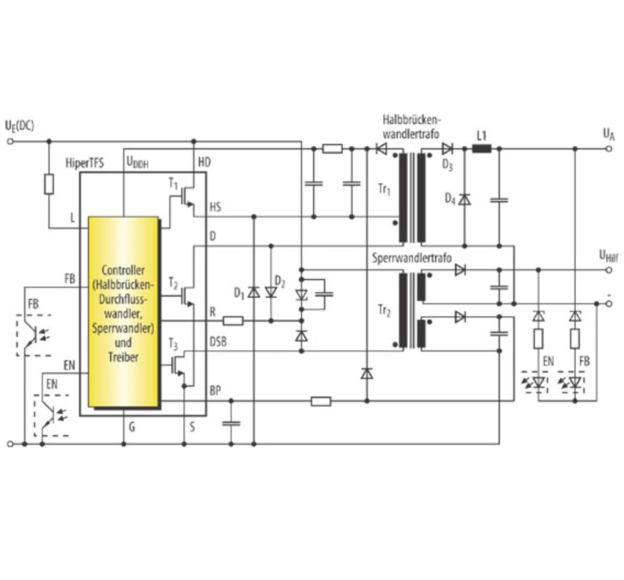
HiperTFS-Bausteine mit integrierten Funktionen
Bild 5. In den HiperTFS-Bausteinen sind Controller, Treiber und Leistungs-MOSFETs für zwei DC/DC-Wandler - ein Halbbrücken-Durchflusswandler als Hauptwandlerstufe und ein Sperrwandler als Hilfswandlerstufe - auf einem Chip integriert.
© Power Integrations

Mit den HiperTFS-Bausteinen von Power Integrations wird der Aufbau von solchen Leistungswandlern deutlich vereinfacht. In einem Gehäuse (eSIP) und auf einem Chip sind Controller, Treiber und Leistungs-MOSFETs für einen Halbbrücken-Durchflusswandler hoher Leistung und einen Sperrwandler mittlerer/kleiner Leistung (Bereitschaftsbetrieb) integriert.

Diese HiperTFS-Reihe eignet sich besonders für Wandler, die sowohl einen Hauptwandler (Halbbrücken-Durchflusswandler) für 150 W bis 415 W als auch einen Hilfswandler (Sperrwandler) bis 20 W brauchen. Die Schaltung in Bild 5, zeigt wie einfach sich die beiden DC/DC-Wandler mit dem HiperTFS realisieren lassen.

Der integrierte Controller für den Halbbrücken-Durchflusswandler erlaubt gegenüber der klassischen Schaltung den Betrieb bei einem Tastverhältnis von deutlich über 60 %. Diese Halbbrücken-Durchflusswandlerschaltung schaltet den unteren und den oberen Leistungs-MOSFET zeitgleich.

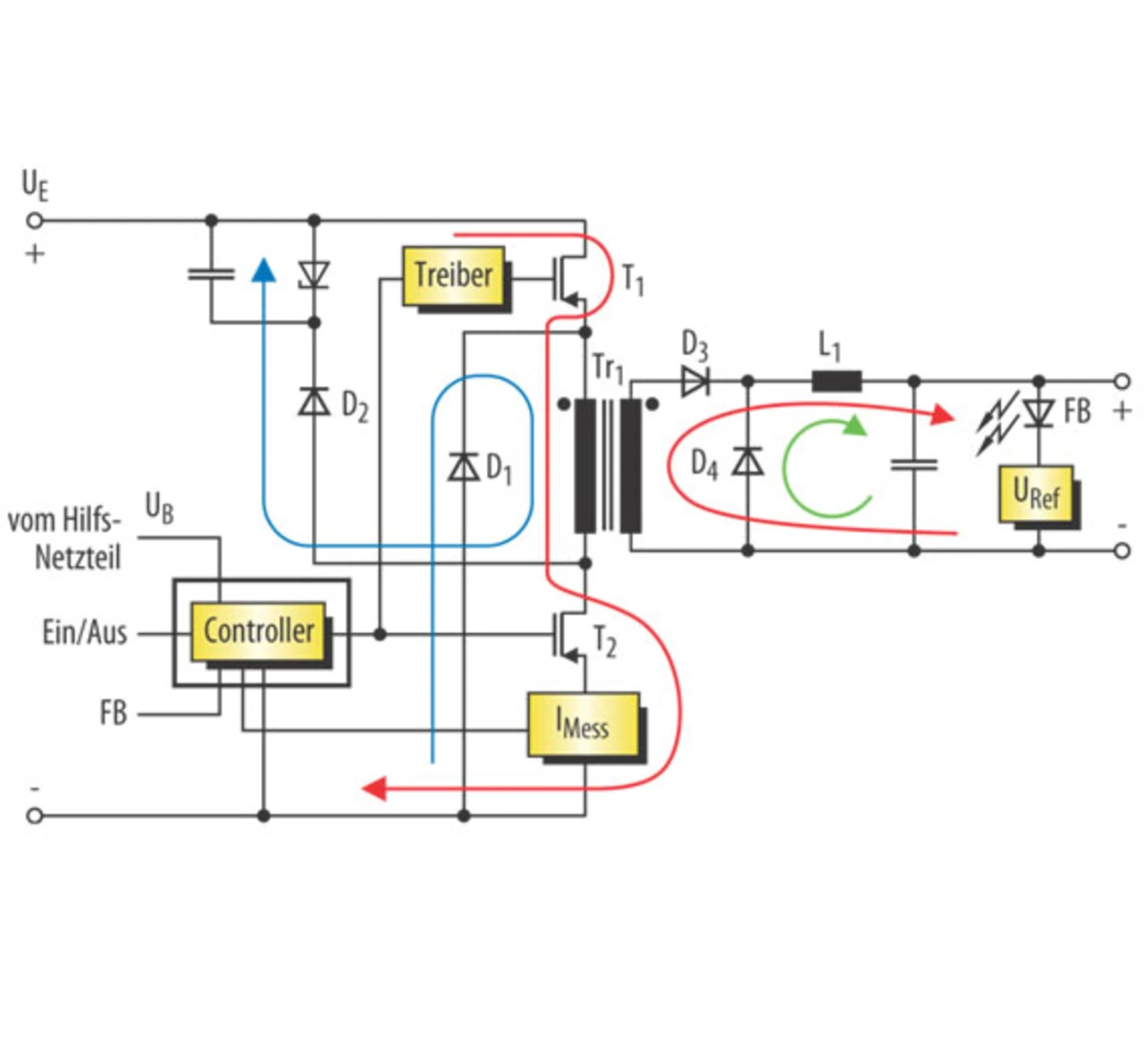
Stromfluss
Bild 6. In der Einschaltphase (rote Pfeile) fließt Strom auf der Primärseite durch die MOSFETs (T1, T2) und die Primärwicklung des Trafos (Tr1). Auf der Sekundärseite wird Energie in der Drossel (L1) gespeichert und Leistung an die Last abgegeben.
© Power Integrations

Wenn beide MOSFETs „eingeschaltet“ sind, wird Energie über den Transformator von der Primär- auf die Sekundärseite gekoppelt (Bild 6). Der Haupttransformator dient nur zur Kopplung. Er hat keinen Luftspalt. Während der Leitendphase speichert die Ausgangsdrossel Energie, und die Last wird mit Strom direkt aus dem Transformator versorgt. Wenn die MOSFETs abgeschaltet werden, wird die in der Drossel gespeicherte Energie freigesetzt, und der Laststrom fließt freilaufend durch die Diode D4. Über Dioden (D1, D2 in Bild 5) wird der Transformator mit der Eingangsspannung verbunden und zurückgesetzt.

Diese Schaltung ermöglicht es, die im induktiven Streufeld des Trafos gespeicherte Energie zurückzugewinnen. Der Kondensator in Reihe mit D2 erzeugt eine Asymmetrie, wobei der Maximalwert von der parallel zum Kondensator geschalteten Zener-Diode begrenzt wird. Bei einem genaueren Blick auf die Schaltungen in Bild 5 und 6 fällt auf, dass für die Klemmschaltung auch Bauteile des Sperrwandlers mitgenutzt werden.

Für den Sperrwandler im HiperTFS wird die Technik des „TinySwitch“ eingesetzt. Die TinySwitch-Schaltregler-ICs mit integriertem Leistungs- MOSFET bieten einen hohen Wirkungsgrad im Teillastbetrieb, sind robust und arbeiten in Milliarden Netz- teilen zuverlässig. Sowohl der Haupt- als auch der Hilfswandler des Hiper-TFS sind auf hohen Wirkungsgrad ausgelegt. Durch den hohen Integrationsgrad - zwei vollständige Leistungswandler auf einem Chip - lässt sich die Bauelementeanzahl der gesamten Schaltung im Vergleich zu herkömmlichen Schaltungen um mindestens 30 Komponenten reduzieren.

Die HiperTFS-Bausteine enthalten Schutzfunktionen wie z.B. Sanftanlauf, Überlastschutz und die Abschaltung bei thermischer Überlastung. Sie können einen weiten Eingangsspannungsbereich verarbeiten und eignen sich als Sekundärwandler hinter einer Leistungsfaktorkorrekturstufe mit dem HiperPFS-Baustein. Schaltungen mit HiperPFS und HiperTFS lassen sich sehr einfach mit der Design-Software für Schaltnetzteile „PI Expert“ von Power Integrations entwickeln. Das Programm macht Schaltungsvorschläge, schlägt Bauelemente vor und dimensioniert auch den Transformator und die Filter.

 

Literatur:

[1] PFS704-729EG HiperPFS Family: High-Power PFC Controller with Integrated High-Voltage MOSFET. www.powerint.com/sites/default/files/product-docs/hiperpfs_family_datasheet.pdf

[2] Application Note AN-52: HiperPFS Family Design Guide.

[3] RDR-236: Reference Design Report for a High Performance 347 W PFC Stage Using HiperPFS PFS714EG.

[4] www.powerint.com/sites/default/files/PDFFiles/rdr236.pdf TFS757-764HG HiperTFS Family: Combined Two-Switch Forward and Flyback Power Supply Controllers with Integrated High Voltage MOSFETs. www.powerint.com/sites/default/files/product-docs/hipertfs_family_datasheet.pdf

[5] Application Note AN-51: HiperTFS Family Design Considerations. November 2010. www.powerint.com/sites/default/files/product-docs/an51.pdf

[6] RDR-249: Reference Design Report for 14.5 W Standby and 300 W Main Power Supply Using HiperTFS™ TFS762HG. www.powerint.com/sites/default/files/PDFFiles/rdr249.pdf

 

Der Autor:

David New
ist Produktmarketing-Manager für Computing Applications bei Power Integrations (PI). Bevor er zu PI kam, war er als Business Manager bei Maxim Integrated Products und als Produktmarketing-Manager bei International Rectifier tätig. Er besitzt Abschlüsse als Master of Science in Elektrotechnik  (MSEE) am Mas-sachusetts Institute of Technology und als Bachelor of Science in Elektrotechnik und Physik an der University of Arkansas.

david.new@powerint.com



  1. Hohe Leistung, hoher Wirkungsgrad, niedriger Aufwand
  2. Einchip-PFC für hohe Leistungen
  3. Einchip-Schaltregler für hohe Leistungen

Lesen Sie mehr zum Thema


Das könnte Sie auch interessieren

Jetzt kostenfreie Newsletter bestellen!

Weitere Artikel zu AC/DC-Wandler/Netzgeräte