Powermanagement

USB Typ-C ganz easy

5. August 2019, 16:00 Uhr | Dr. Nazzareno Rossetti und Sophia Yi, Maxim Integrated

USB 3.1 Typ-C soll die Art, wie wir unsere tragbaren Geräte miteinander verbinden und mit Energie versorgen, vereinfachen. Dieser Beitrag beschreibt ein solches Ladesystem und zeigt, wie sich das Design vereinfachen und gleichzeitig mehr Leistung und Funktionen auf weniger Raum unterbringen lässt.

Diesen Artikel anhören

Mit USB-C – oder mit vollem Namen USB 3.1 Typ-C – lassen sich Daten mit bis zu 10 Gb/s und gleichzeitig über Standardkabel Ströme bis zu 3 A und über Spezialkabel bis zu 5 A übertragen. Die Busspannung kann dabei bis zu 20 V betragen, sodass 60 W bei 3 A mit einem Standardkabel oder 100 W bei 5 A mit einem Spezialkabel möglich sind. Viele Notebooks benötigen heute eine Leistung von weniger als 100 W, sodass diese mit einem Typ-C-Anschluss darüber genauso aufgeladen werden können wie kleine Geräte, etwa Tablets oder Smartphones.

Durch die Komplexität des USB-C-Standards ist es nötig, dass sich ein Gerät vor der Energieübertragung entweder als Stromquelle (Source) oder als Verbraucher (Sink) ausgibt. Die Anschlüsse eines Typ-C-Kabels sind an beiden Enden identisch; somit lassen sie sich wechselseitig mit jedem Kabelende einstecken. Zudem sind die Steckverbinder nicht polarisiert, daher also drehbar, und können deshalb mit jeder Seite nach oben gesteckt werden.

Des Weiteren lässt der Standard die bidirektionale Energieversorgung zu. Somit kann – umgekehrt als bislang – auch ein Peripheriegerät einen Host mit Energie versorgen. Das bedeutet, dass viele proprietäre Netzteile und verschiedene USB-Kabel nicht mehr benötigt werden. Das Kabelgewirr heutiger Computerecken zuhause und auch am Arbeitsplatz ließe sich letztlich reduzieren.

Anbieter zum Thema

zu Matchmaker+
Maxim Integrated, USB Type-C
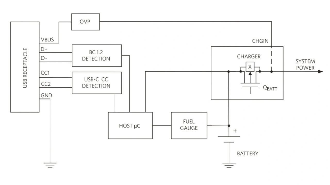
Bild 1: Typisches Powermanagement-System bei USB 3.1 Typ-C.
© Maxim Integrated

Eine neue USB-Typ-C-Funktion ist die Erkennung der Konfigurationskanäle (CC, Configuration Channels). Diese Logik erkennt das Einstecken eines Kabels, dessen Ausrichtung und Strombelastbarkeit. Das Kabel wird erkannt, wenn bei einer der beiden CC-Leitungen das Potenzial auf Masse gezogen wird. Dadurch dass die Logik auswertet, bei welcher der beiden Leitungen dies erfolgt (CC1 oder CC2), kann sie auch die Kabelausrichtung erkennen. Mit wie viel Strom das Kabel belastet werden darf, bestimmt sich durch die Werte der Abschlusswiderstände.

Eine weitere neue USB-Typ-C-Funktion ist das Cold-Plugging. Dabei wird die Spannung von 5 V erst nach einer erfolgreichen End-to-End-Erkennung bereitgestellt. Diese Funktion erfordert zwingend eine CC-Erkennung in USB-Typ-C-Anwendungen.

Maxim Integrated, USB Type-C
Bild 2: Eine herkömmliche integrierte Lösung für USB-Typ-C-Ladesysteme benötigt 61 mm² auf der Platine.
© Maxim Integrated

Verschiedene USB-3.1-Lösungen

Bild 1 veranschaulicht ein typisches Powermanagement-Frontend für tragbare Geräte, das für den Anschluss von Typ-C-Kabeln ausgelegt ist und von einem Lithium-Ionen-Akku gespeist wird.

Wenn die VBUS-Spannung anliegt, versorgt diese die Ladeschaltung (Charger), das System und die anderen Blöcke. Hierbei wird der Akku über QBATT geladen. Wenn VBUS getrennt wird, versorgt die Batterie das System über QBATT, der in diesem Fall wie ein Einschalter funktioniert.

Beim USB-Typ-C-Protokoll ermitteln die Pins CC1 und CC2 wie gesagt die Steckverbindung, die Kabelausrichtung, die Rollenverteilung (Master oder Slave) und die Port-Control. Das Ladesystem in Bild 1 unterstützt zudem auch dessen Vorgängerspezifikation USB-Battery-Charging-Specification 1.2.

Maxim Integrated, USB Type-C
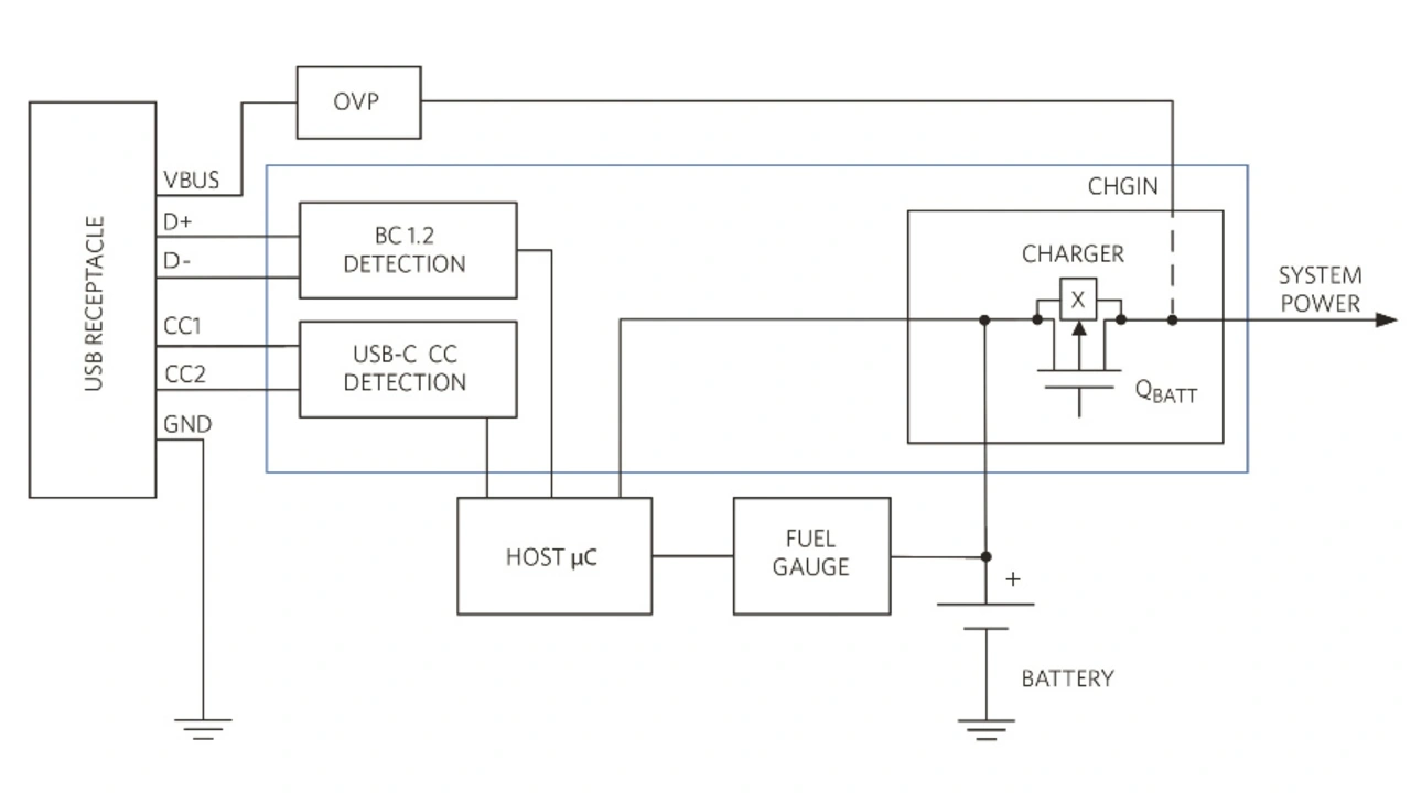
Bild 3: Die blau umrandeten Blöcke lassen sich bei USB-C in einem einzigen Powermanagement-IC integrieren.
© Maxim Integrated
Maxim Integrated, USB Type-C
Bild 4: Integriertes USB-C-Ladesystem.
© Maxim Integrated

Bei der bisherigen Implementierung eines Akkusystems kann der Bauteileaufwand und Leiterplattenplatzbedarf recht groß sein. Bild 2 zeigt, wie viel Platz auf einer Leiterplatte das Ladesystem und die Bereiche für die Detektion benötigen – einschließlich der beiden ICs für das Ladesystem die beiden Erkennungsblöcke (Port Detect). Diese Lösung mit zwei Chips und passiven Bauelementen belegt eine Fläche von etwa 61 mm². Durch einen höheren Integrationsgrad lässt sich der Bauteileaufwand verringern. Bild 3 zeigt im blau markierten Feld alle Blöcke, die sich in einem einzigen Powermanagement-IC (PMIC) bestens integrieren lassen. Dieser Integrationsgrad reduziert die Komplexität des Systems erheblich (Bild 4).

Ein Beispiel dafür ist der MAX77860 von Maxim Integrated. Dieses PMIC mit Einzeleingang ist ein leistungsstarker Ladeschaltwandler für einzellige Li-Ionen-Akkus mit Erkennung der Konfigurationskanäle (Bild 5). Das IC unterstützt 15-W-Anwendungen und verfügt über einen Reverse-Boost-Modus, Hochspannungs-LDO und 6-Kanal-A/D-Wandler.

max
Bild 5: Der MAX77860 von Maxim Integrated ist ein Lade-IC für USB-C.
© Maxim Integrated

Der Ladeschaltwandler bietet einen CC- (Constant Current), CV- (Constant Voltage) und Temperaturregelungs-Algorithmus, eine Eingangsleistungsregelung sowie per I²C programmierbare Einstellungen, um eine große Auswahl an Akkukapazitäten und Systemlasten abzudecken. Er passt in ein Gehäuse mit Abmessungen von 3,9 mm × 4,0 mm. Das entsprechende Leiterplattenlayout ist in Bild 6 dargestellt. Die integrierte Lösung einschließlich passiver Bauelemente beansprucht hier nur 42 mm², die Leiterplattengröße reduziert sich also um 30 %.

In einem typischen System konfiguriert der Mikrocontroller oder ein Host-Mikroprozessor die Eingangsstrombegrenzung des Ladesystems, basierend auf dem Strompegel, den der Port-Controller-IC ermittelt. Der MAX77860 stellt hingegen die Eingangsstrombegrenzung des Ladesystems selbstständig ein, sodass es der Akku mit voller Leistung aufladen kann, was zu einem schnellerem Ladevorgang führt. Zudem vereinfacht dies die Entwicklung der Host-Software.

Maxim Integrated, USB Type-C
Bild 6: Eine hochintegrierte Lösung mit dem MAX77860 benötigt 42 mm² auf der Platine – etwa 30 % weniger als die Lösung in Bild 2.
© Maxim Integrated

Flexibilität beim Design

Durch die Abwärtskompatibilität werden Designs unterstützt, die sowohl auf USB-C als auch auf älteren Adaptern basieren. Ein integrierter A/D-Wandler entlastet den Mikrocontroller und liefert genaue Werte für Spannung, Strom und Temperatur für ein modernes Power-Management.

USB-On-The-Go (OTG) ist eine Spezifikation, durch die USB-Geräte wie Handhelds, mobile Terminals, tragbaren Spielekonsolen oder Geräten zur Gesundheitsüberwachung als Host agieren können. Auf diese Weise lassen sich an diese auch andere USB-Geräte und Zubehör wie USB-Sticks, Digitalkameras, Mäuse oder Tastaturen anschließen. Zudem erlaubt die USB-Typ-C-Spezifikation einem Gerät, mit der Reverse-Boost-Funktion auch andere Geräte mit Energie zu versorgen.

Maxim Integrated, USB Type-C
Bild 7: Ladesystem und Reverse-Boost-Betriebsarten.
© Maxim Integrated

Bild 7 veranschaulicht kurz gefasst die Lade- und Reverse-Boost-Funktionen. Im Ladebetrieb regelt der Schaltregler bei eingeschaltetem S1 die CHGIN-Spannung am SYS-Pin herunter (S2 und S3 schalten als synchroner Tiefsetzsteller). Nun lädt der Linearregler durch Regelung von S4 die Batterie. Im Reverse-Boost-Modus (OTG) wird – ohne anliegende Eingangsspannung – die Batteriespannung am CHGIN-Pin hochgeregelt (S2 und S3 schalten als synchroner Hochsetzsteller, S1 und S4 sind hierbei permanent eingeschaltet). Durch diese Reverse-Boost-Implementierung wird keine zusätzliche Induktivität benötigt. Die aufwärtsgewandelte Spannung an CHGIN wird stattdessen für die USB-OTG-Funktion verwendet. Im reinen Akkubetrieb ist der Schalter S1 ausgeschaltet.

Der Safeout-LDO ist ein Linearregler mit Schutzbeschaltung für eine hohe Eingangsspannung, der per Register über I²C programmierbare Ausgangsspannungen von 3,3 V, 4,85 V oder 4,95 V bereitstellt. Es wird zur Versorgung von USB-Systemen mit kleinen Spannungen verwendet. Der Linearregler mit Schutzbeschaltung schaltet ein, wenn CHGIN 3,2 V überschreitet, und schaltet aus, wenn CHGIN größer ist als der Schwellwert für die Überspannung.

Fazit

Der neue Standard USB 3.1 Typ-C erfordert von Akkuladesystemen einen größeren Funktionsumfang, insbesondere wenn sie in tragbaren Geräten untergebracht sind, die in der Regel immer kleiner und leichter werden. Dieser Beitrag zeigt eine typische Lösung mit geringem Integrationsgrad, woraus ein großer Bauteileaufwand und Leiterplattenplatzbedarf resultiert.

Eine hochintegrierte Lösung wie der 3 A starke USB-Typ-C-Schaltregler MAX77860 kann die Systemkomplexität deutlich reduzieren, indem er das Ladesystem, den Leistungspfad, den Safeout-LDO, den A-D-Wandler und die USB-C-CC- sowie -BC-1.2-Erkennung in einem Chip in WLP-Gehäuse mit Abmessungen von 3,9 mm × 4,0 mm × 0,4 mm integriert. Ebenso ist die OTG-Funktion integriert, ohne dass eine zusätzliche Induktivität erforderlich ist. Dieser Grad der Integration kann das Design vereinfachen und den Leiterplattenplatzbedarf verringern und gleichzeitig die elektrische Leistung und den Funktionsumfang nach oben treiben.

Weiterführende Links


Lesen Sie mehr zum Thema


Das könnte Sie auch interessieren

Jetzt kostenfreie Newsletter bestellen!

Weitere Artikel zu Maxim Integrated Products

Weitere Artikel zu Powermanagement-ICs